Inserisci il tuo numero di partiva IVA qui e fai clic su Verifica:
Nessuna necessità di inserire la parte del numero di partita IVA relativa al codice del paese poiché questa è già stato selezionata nel predetto indirizzo di fatturazione.
I tuoi dati sono stati verificati. Numero di partita IVA registrato a:
,
.
Al tuo ordine sarà applicata un’aliquota pari a zero ai fini dell’IVA. Ci riserviamo il diritto di verificare questi dettagli dopo che la tua richiesta d’ordine è stata fatta e di reintegrare l’IVA se necessario.
I tuoi dati IVA non sono stati riconosciuti o non erano validi. Il tuo numero di partita IVA deve corrispondere al tuo paese di fatturazione come specificato sopra. Attualmente è specificato come . Non occorre inserire inserire la parte del numero di partita IVA relativa al codice del paese poiché questa è già stato selezionata nei dettagli del predetto indirizzo di fatturazione.
Il servizio di verifica della partita IVA è attualmente offline. Per favore fornisci i tuoi dati IVA all’interno dei commenti o nel campo delle istruzioni speciali sotto e noi applicheremo uno sconto IVA dopo aver fatto la richiesta d’ordine.
Tubi / Tubi / Manicotti
- Porsche 928 4.5L 1978-82
- Porsche 928S 4.7L 1981-83
Un set di manicotti in gomma per aspirazione aria OE-Match, composto da otto manicotti identici, progettati per replicare la vestibilità, la funzionalità e la durata dei connettori di aspirazione originali Porsche. Sigilla e collega i componenti del sistema di aspirazione.
SET DI 8
Adatto a:
Porsche 928 4.5L 1978 - 1979
* con tipo di motore: 2801
Porsche 928 4.7L 1983 - 1984
* con tipo di motore: 2819, 2820 * Solo modelli USA, Canada, Giappone
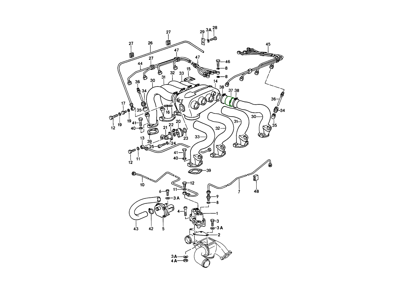
Schema rif. n. 37
Questi manicotti collegano e sigillano i componenti di aspirazione, impedendo l'ingresso di aria non dosata nel motore. Rinnovando tutti i punti di collegamento contemporaneamente, il set contribuisce a mantenere un corretto controllo della miscela aria-carburante, una risposta fluida dell'acceleratore e un funzionamento affidabile del motore.
Installati tra il distributore dell'aria di aspirazione e i collettori di aspirazione, i manicotti in gomma garantiscono connessioni flessibili e a tenuta stagna, assorbendo al contempo le vibrazioni e i piccoli movimenti del motore. Combinati in un set completo, eliminano le comuni perdite di vuoto che possono causare irregolarità al minimo, esitazioni o condizioni di funzionamento magro nella Porsche 928.
La gomma di aspirazione invecchiata può screpolarsi, indurirsi o rompersi a causa del calore e dei vapori dell'olio, causando perdite d'aria e un funzionamento instabile del motore. La sostituzione dei manicotti usurati ripristina la corretta tenuta, contribuendo a mantenere una corretta misurazione del flusso d'aria e una guidabilità ottimale.
Quando sostituire:
• Crepe visibili, spaccature o rigonfiamenti nella gomma
• Montaggio allentato o perdite d'aria nei punti di accoppiamento
• Sintomi di minimo irregolare, esitazione o funzionamento a regime magro (dopo l'ispezione)
• Durante la manutenzione dell'aspirazione o durante la sostituzione dei tubi/stivali di aspirazione adiacenti
• Indurimento eccessivo o deterioramento dovuto all'esposizione al calore/olio
Numeri di riferimento correlati
Numeri correlati, sostituiti, riferimenti incrociati o alternativi per il confronto.
92811015801
Il prodotto che stai visualizzando fa riferimento a questi numeri
Questo kit è composto dai seguenti elementi:
- Porsche 924 2.0L 1976-79
- Porsche 924 2.0L 1980-85
- Porsche 924 Turbo 2.0L 1979-81
- Porsche 924 Turbo 2.0L 1982-84
- Porsche 924 Carrera GT 2.0L 1981
- Porsche 924 Carrera GTS 2.0L 1982
- Porsche 924S 2.5L 1986-87
- Porsche 924S 2.5L 1988
- Porsche 944 2.5L 8V 1982-87
- Porsche 944 2.7L 8V 1988-89
- Porsche 944S 2.5L 16V 1987-88
- Porsche 944S2 3.0L 16V 1989-91
- Porsche 944 Turbo 2.5L 8V 1985-88
- Porsche 944 Turbo 2.5L 8V 1989-91
- Porsche 944 Turbo S 2.5L 8V 1988
- Porsche 968 3.0L 1992-94
- Porsche 968 Sport 3.0L 1994-95
- Porsche 968 CS 3.0L 1993-95
- Porsche 968 Turbo S 3.0L 1993-94
- Porsche 928 4.5L 1978-82
- Porsche 928S 4.7L 1981-83
- Porsche 928S2 4.7L 1984-86
- Porsche 928S4 5.0L 1987-92
- Porsche 928GT 5.0L 1989-91
- Porsche 928GTS 5.4L 1992-95

Adatto a:
Porsche 928 - dal 1978 al 1986
Porsche 924 - dal 1976 al 1986
Porsche 924S - dal 1986 al 1988
Porsche 944 - dal 1982 al 1991
Porsche 968 - dal 1992 al 1995
Numeri di riferimento correlati
Numeri correlati, sostituiti, riferimenti incrociati o alternativi per il confronto.
99951255400
Il prodotto che stai visualizzando fa riferimento a questi numeri
- Porsche 928 4.5L 1978-82
- Porsche 928S 4.7L 1981-83
- Porsche 928S2 4.7L 1984-86

Si adatta:
Porsche 928 - dal 1978 al 1982
Porsche 928 S - dal 1981 al 1983
Porsche 928 S2 - dal 1984 al 1986
Fai clic su "Ingrandisci" per il diagramma delle parti di grandi dimensioni.
Diagramma rif. n. 15
Numeri di riferimento correlati
Numeri correlati, sostituiti, riferimenti incrociati o alternativi per il confronto.
92811024300
Il prodotto che stai visualizzando fa riferimento a questi numeri
- Porsche 911 1978-1983 3.0L / SC
- Porsche 928 4.5L 1978-82
- Porsche 928S 4.7L 1981-83
Il manicotto in gomma Porsche per aspirazione aria è un ricambio originale OEM progettato per garantire una connessione sicura e a tenuta stagna all'interno del sistema di aspirazione aria. Utilizzato sui modelli Porsche 928 classici (1978-1984) e su alcuni modelli 911 SC (1978-1979), questo manicotto in gomma collega i componenti rigidi dell'aspirazione, assorbendo al contempo vibrazioni e movimenti.
Venduto singolarmente , ne servono 6 o 8 per veicolo, a seconda del modello del veicolo
Adatto a:
Porsche 911 SC 1978 - 1983
Porsche 928 4.5L 1978 - 1979 con tipo di motore: 2801
Porsche 928 4.7L 1983 - 1984
con tipo di motore: 2819, 2820 * Solo modelli USA, Canada, Giappone
Schema rif. n. 10 (per 911) o 37 (per 928)
Il manicotto in gomma funge da guarnizione e da tubo flessibile tra le parti rigide del sistema di aspirazione (ad esempio tra l'airbox, il collettore di aspirazione o il distributore, a seconda della configurazione). Garantisce il corretto passaggio dell'aria senza perdite.
Sintomi di una manica usurata:
- Minimo irregolare o funzionamento irregolare, perché l'aria fuoriesce (aria non dosata), alterando la miscela.
- Sibili o fischi provenienti da sotto il cofano, in particolare nella zona in cui si trova il manicotto.
- Difficoltà di avviamento o esitazione in accelerazione, soprattutto se la perdita influisce sul flusso d'aria sotto carico.
- Prestazioni ridotte o mancanza di risposta dell'acceleratore.
- Possibili spie/codici di avvertenza del motore relativi al flusso d'aria, alla miscela aria/carburante o alle perdite di vuoto.
- Previene le perdite d'aria che possono portare a miscele ricche o magre, scarsa risposta dell'acceleratore, minore efficienza del carburante e possibili danni al motore nel tempo.
- Aiuta a mantenere il funzionamento regolare e l'affidabilità dei vecchi motori Porsche, dove perdite o tubi di gomma danneggiati sono punti deboli comuni.
- Preserva la salute del motore garantendo il corretto rapporto aria/carburante. L'aria non dosata può contribuire alla detonazione o allo stress dei componenti.
- Mantiene le specifiche OEM: l'utilizzo di un manicotto in gomma di buona qualità e delle dimensioni corrette contribuisce a garantire vestibilità, tenuta e durata.
Numeri di riferimento correlati
Numeri correlati, sostituiti, riferimenti incrociati o alternativi per il confronto.
92811015801
Il prodotto che stai visualizzando fa riferimento a questi numeri
- Porsche 911 1978-1983 3.0L / SC
- Porsche 928 4.5L 1978-82
- Porsche 928S 4.7L 1981-83
Questo manicotto unisce i componenti di aspirazione e previene perdite d'aria non dosate. Una tenuta adeguata favorisce il corretto controllo della miscela aria-carburante, un funzionamento regolare e prestazioni affidabili.
Venduto singolarmente , ne servono 6 o 8 per veicolo, a seconda del modello del veicolo
Adatto a:
Porsche 911 SC 1978 - 1983
Porsche 928 4.5L 1978 - 1979 con tipo di motore: 2801
Porsche 928 4.7L 1983 - 1984
con tipo di motore: 2819, 2820 * Solo modelli USA, Canada, Giappone
Schema rif. n. 10 (per 911) o 37 (per 928)
Installato tra i tubi di aspirazione/componenti di canalizzazione, il manicotto assorbe le vibrazioni e i piccoli movimenti, mantenendo sigillato il condotto di aspirazione. Contribuisce a proteggere da perdite di vuoto che possono causare irregolarità al minimo, esitazioni o codici di errore.
La gomma di aspirazione invecchiata può screpolarsi, indurirsi o rompersi a causa del calore e dei vapori dell'olio, causando perdite d'aria e un funzionamento instabile del motore. La sostituzione dei manicotti usurati ripristina la corretta tenuta, contribuendo a mantenere una corretta misurazione del flusso d'aria e una guidabilità ottimale.
Quando sostituire:
• Crepe visibili, spaccature o rigonfiamenti nella gomma
• Montaggio allentato o perdite d'aria nei punti di accoppiamento
• Sintomi di minimo irregolare, esitazione o funzionamento a regime magro (dopo l'ispezione)
• Durante la manutenzione dell'aspirazione o durante la sostituzione dei tubi/stivali di aspirazione adiacenti
• Indurimento eccessivo o deterioramento dovuto all'esposizione al calore/olio
Numeri di riferimento correlati
Numeri correlati, sostituiti, riferimenti incrociati o alternativi per il confronto.
92811015801
Il prodotto che stai visualizzando fa riferimento a questi numeri
- Porsche 911 1978-1989 3.3L Turbo (930)
- Porsche 928 4.5L 1978-82
- Porsche 928S 4.7L 1981-83
- Porsche 928S2 4.7L 1984-86
- Porsche 928S4 5.0L 1987-92
- Porsche 928GT 5.0L 1989-91
- Porsche 928GTS 5.4L 1992-95

Per adattarsi:
Per kit tubo aspirazione turbo #DO88-KIT145S
Porsche 911 (930 Turbo) 1978-1989 con motore turbo da 3,3 litri
Kit di 6 morsetti
Il kit contiene tutte le fascette stringitubo necessarie per installare il kit tubo specificato. I morsetti inclusi sono un tipo di design standard di alta qualità in tutto acciaio inossidabile (classe W4) con una fascia stampata per ridurre al minimo l'impatto sulla superficie del tubo.
Numeri di riferimento correlati
Numeri correlati, sostituiti, riferimenti incrociati o alternativi per il confronto.
CLAMP-KIT145
Il prodotto che stai visualizzando fa riferimento a questi numeri
- Porsche 911 1978-1989 3.3L Turbo (930)
- Porsche 928 4.5L 1978-82
- Porsche 928S 4.7L 1981-83
- Porsche 928S2 4.7L 1984-86
- Porsche 928S4 5.0L 1987-92
- Porsche 928GT 5.0L 1989-91
- Porsche 928GTS 5.4L 1992-95
Realizzato in gomma siliconica di alta qualità con rinforzo in poliestere a 3 strati.

Per adattarsi:
Porsche 911 (930 Turbo) 1978-1989 con motore turbo da 3,3 litri
Tubi inclusi:
• Tubo wastegate, rif. OEM 99923903440
• Valvola di riscaldamento / scatola filtro aria, rif. OEM 99923900640 / 99923903440
• Valvola di riscaldamento / raccordo a T sul corpo farfallato, rif. OEM 99923901340
• Raccordo a T su corpo farfallato / limitatore di depressione, rif. OEM 99923901340
Si prega di fare riferimento alle immagini del prodotto per la conferma della posizione del tubo.
Numeri di riferimento correlati
Numeri correlati, sostituiti, riferimenti incrociati o alternativi per il confronto.
DO88-KIT144S
Il prodotto che stai visualizzando fa riferimento a questi numeri
- Porsche 911 1978-1989 3.3L Turbo (930)
- Porsche 928 4.5L 1978-82
- Porsche 928S 4.7L 1981-83
- Porsche 928S2 4.7L 1984-86
- Porsche 928S4 5.0L 1987-92
- Porsche 928GT 5.0L 1989-91
- Porsche 928GTS 5.4L 1992-95

Per adattarsi:
Per kit tubi aspirazione Turbo #DO88-KIT144S
Porsche 911 (930 Turbo) 1978-1989 con motore turbo da 3,3 litri
Kit di 8 morsetti
Il kit contiene tutte le fascette stringitubo necessarie per installare il kit di tubi flessibili specificato. I morsetti inclusi sono un tipo di design standard di alta qualità in tutto acciaio inossidabile (classe W4) con una fascia stampata per ridurre al minimo l'impatto sulla superficie del tubo.
Numeri di riferimento correlati
Numeri correlati, sostituiti, riferimenti incrociati o alternativi per il confronto.
CLAMP-KIT144
Il prodotto che stai visualizzando fa riferimento a questi numeri
Tubi flessibili, tubazioni e manicotti di aspirazione dell'aria: componenti di aspirazione durevoli per le prestazioni Porsche
I tubi flessibili, i condotti e i manicotti di aspirazione dell'aria sono componenti essenziali del sistema di aspirazione della tua Porsche, poiché collegano l'alloggiamento del filtro dell'aria, il corpo farfallato, il turbocompressore e l'intercooler. Garantiscono un flusso d'aria fluido e sigillato nel motore, supportando una combustione efficiente, un'accelerazione reattiva e prestazioni costanti.
Da Design911 forniamo una gamma completa di tubi, condotti e manicotti di aspirazione aria originali e di alta qualità per numerosi modelli Porsche, tra cui 911, Boxster, Cayman, Cayenne, Macan e Panamera. Ogni componente è progettato per garantire precisione di montaggio, resistenza al calore e stabilità del flusso d'aria, aiutando la tua Porsche a offrire le prestazioni e l'affidabilità per cui è nota.
A cosa servono i tubi flessibili, le tubazioni e i manicotti di aspirazione dell'aria?
Questi componenti convogliano l'aria filtrata attraverso il sistema di aspirazione verso le camere di combustione del motore. Le loro funzioni principali includono:
- Mantenimento di un flusso d'aria ermetico tra i componenti di aspirazione.
- Riduzione della turbolenza e della perdita d'aria per una migliore risposta dell'acceleratore.
- Supporta la pressione dell'aria ottimale per motori turbocompressi e aspirati.
- Protezione da contaminanti che possono ridurre le prestazioni o causare l'usura del motore.
Nei modelli Porsche turbocompressi, queste parti contribuiscono anche a gestire la pressione di sovralimentazione , rendendole fondamentali sia per l'efficienza che per l'erogazione della potenza.
Perché i tubi flessibili, le tubazioni e i manicotti di aspirazione dell'aria si rompono?
A causa della costante esposizione al calore, alle vibrazioni e al movimento del motore, i componenti del sistema di aspirazione dell'aria possono deteriorarsi nel tempo. Le cause più comuni di guasto includono:
- Crepe o spaccature dovute a cicli termici e fatica del materiale.
- Contaminazione da vapori di olio o carburante che ammorbidiscono la gomma o la plastica.
- Morsetti allentati o danneggiati che causano perdite di vuoto o di sovralimentazione.
- Indurimento dovuto all'età che porta a connessioni fragili.
- Pressione di sovralimentazione eccessiva che sollecita il tubo flessibile nelle applicazioni ad alte prestazioni.
I sintomi di un guasto includono sibili o fischi, perdita di pressione di sovralimentazione, scarsa risposta dell'acceleratore, minimo irregolare o spia di controllo del motore causata da irregolarità del flusso d'aria.
Perché sostituire i componenti usurati della presa d'aria?
Un tubo di aspirazione che perde o è danneggiato può causare l'ingresso di aria non dosata nel motore, con conseguenti rapporti aria-carburante errati, scarse prestazioni o persino sollecitazioni del turbocompressore. La sostituzione di tubi e condotti usurati o crepati garantisce un flusso d'aria adeguato, una combustione efficiente e prestazioni affidabili.
I vantaggi della sostituzione includono:
- Ripristinata la pressione dell'aria e la risposta del motore.
- Miglioramento dell'efficienza del turbo e dell'erogazione di potenza.
- Maggiore risparmio di carburante ed emissioni ridotte.
- Affidabilità a lungo termine con materiali di qualità del produttore.
Tutti i tubi flessibili, le tubazioni e i manicotti disponibili presso Design911 sono realizzati in silicone ad alta temperatura, gomma rinforzata o leghe di alluminio per garantire tenuta, flessibilità e resistenza superiori, garantendo prestazioni affidabili anche in condizioni difficili.