Inserisci il tuo numero di partiva IVA qui e fai clic su Verifica:
Nessuna necessità di inserire la parte del numero di partita IVA relativa al codice del paese poiché questa è già stato selezionata nel predetto indirizzo di fatturazione.
I tuoi dati sono stati verificati. Numero di partita IVA registrato a:
,
.
Al tuo ordine sarà applicata un’aliquota pari a zero ai fini dell’IVA. Ci riserviamo il diritto di verificare questi dettagli dopo che la tua richiesta d’ordine è stata fatta e di reintegrare l’IVA se necessario.
I tuoi dati IVA non sono stati riconosciuti o non erano validi. Il tuo numero di partita IVA deve corrispondere al tuo paese di fatturazione come specificato sopra. Attualmente è specificato come . Non occorre inserire inserire la parte del numero di partita IVA relativa al codice del paese poiché questa è già stato selezionata nei dettagli del predetto indirizzo di fatturazione.
Il servizio di verifica della partita IVA è attualmente offline. Per favore fornisci i tuoi dati IVA all’interno dei commenti o nel campo delle istruzioni speciali sotto e noi applicheremo uno sconto IVA dopo aver fatto la richiesta d’ordine.
Turbocompressori
- Porsche 911 1975-1977 3.0L Turbo (930)
- Porsche 911 1978-1989 3.3L Turbo (930)
- Porsche 964 (911) TURBO 3.3L 1991-93
- Porsche 964 (911) TURBO 3.6L 1991-93

• Turbocompressore originale come parte base
• Compressore con geometria billet TTE
• Turbina TTE ad alto flusso
• Capacità 400 CV
• Parti singole finemente bilanciate, quindi componenti assemblati e nucleo VSR ad alta velocità bilanciato
• Fornito con un documento con i risultati del test della bilancia
• Fatto in Germania
- Porsche 911 1975-1977 3.0L Turbo (930)
- Porsche 911 1978-1989 3.3L Turbo (930)
- Porsche 964 (911) TURBO 3.3L 1991-93
- Porsche 964 (911) TURBO 3.6L 1991-93

• Turbocompressore originale come parte base
• Risposta molto precoce
• Pala del compressore TTE fresata ricavata dal pieno
• Turbina ad alto flusso
• Capacità 550 CV
• Installazione Plug and Play
• Qualità comprovata di TheTurboEngineers
• Parti singole finemente bilanciate, quindi componenti assemblati e nucleo VSR ad alta velocità bilanciato
• Fornito con un documento con i risultati del test della bilancia
Fatto in Germania
- Porsche 964 (911) TURBO 3.3L 1991-93

Per adattarsi:
Porsche 911 (964 Turbo) 1990-1994 Motori turbo da 3,3 litri
I tubi DO88 sono interamente realizzati in silicone di alta qualità per la migliore finitura e durata. Con da tre a cinque strati di rinforzo a seconda del diametro interno, i tubi flessibili resistono a lungo a pressioni e temperature elevate. I tubi originali sono realizzati in gomma che spesso si screpola per l'età. Questa è una soluzione duratura che migliora anche l'aspetto!
Tubi inclusi:
• Tubo di uscita turbo Riferimento: 93011036800
• Tubo di ingresso turbo Riferimento: 93011025900
Tutti i numeri di parte del produttore del veicolo sono indicati solo come riferimento.
Numeri di riferimento correlati
Numeri correlati, sostituiti, riferimenti incrociati o alternativi per il confronto.
DO88-KIT160S
Il prodotto che stai visualizzando fa riferimento a questi numeri
- Porsche 964 (911) TURBO 3.3L 1991-93

Per adattarsi:
Porsche 911 (964 Turbo) 3.3 Turbo 1990-1994 Turbo
Kit di 4 morsetti
Il kit contiene tutte le fascette stringitubo necessarie per installare il kit tubo specificato. I morsetti inclusi sono un tipo di design standard di alta qualità in tutto acciaio inossidabile (classe W4) con una fascia stampata per ridurre al minimo l'impatto sulla superficie del tubo.
Numeri di riferimento correlati
Numeri correlati, sostituiti, riferimenti incrociati o alternativi per il confronto.
CLAMP-KIT160S
Il prodotto che stai visualizzando fa riferimento a questi numeri
- Porsche 964 (911) TURBO 3.3L 1991-93
- Porsche 964 (911) TURBO 3.6L 1991-93

Si adatta:
Porsche 964 Turbo 3.3L (M30.69) 1991-92
Porsche 964 Turbo 3.6L (M64.50) 1993-94
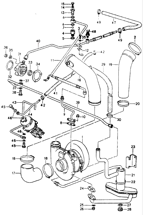
Fai clic su "Ingrandisci" per il diagramma delle parti di grandi dimensioni.
Diagramma rif. 1
Numeri di riferimento correlati
Numeri correlati, sostituiti, riferimenti incrociati o alternativi per il confronto.
93012300302
Il prodotto che stai visualizzando fa riferimento a questi numeri
Porsche Turbo Chargers
At Design911, we supply a wide range of turbo chargers for Porsche models, helping you maintain, restore and upgrade engine performance for both road and track use.
Why do Porsche Turbo Chargers matter?
Turbochargers are central to how a Porsche turbo engine delivers power, torque and overall responsiveness. Operating under extreme heat and pressure, they depend on precise clearances, good lubrication and correct installation. As they age, internal wear, oil leaks or damage can reduce boost, spoil drivability and, if ignored, risk further engine issues. Keeping the turbo system in good order is key to preserving performance and reliability.
- Keep your Porsche delivering the performance it was designed for
- Help protect the engine by addressing worn or failing turbo components
- Reduce issues such as smoke, noise, or inconsistent boost delivery
- Support long-term enjoyment, pride of ownership and potential resale value
Common options & kits
Individual replacement parts
Specific items to address a particular area or issue without changing everything at once.
- Ideal for targeted repairs
- Lets you replace only what is needed
- Helps keep initial costs under control
Matched sets or pairs
Components supplied together so both banks or related items are renewed at the same time.
- Consistent feel and performance
- Helps avoid uneven wear or behaviour
- A sensible choice for routine maintenance
Complete kits
Grouped parts designed to refresh the whole turbo system or support a specific upgrade in one go.
- Everything specified in a single package
- Saves time compared with sourcing parts individually
- Ideal when upgrading or restoring your Porsche
Brands & quality options
At Design911, we stock genuine Porsche parts where available, plus OEM-equivalent and carefully selected aftermarket brands. This lets you choose between keeping things original, adding subtle upgrades or managing budgets on everyday maintenance.
Agency Power Agency Power develops functional, race-inspired products, including turbo-related components for tuned Porsche models. Their parts are designed with motorsport use in mind and undergo testing and quality checks before production.
BorgWarner
DesignTek
Forge
Forge Motorsport designs and manufactures high-quality performance components, including Porsche turbo hardware. Their focus is on robust engineering and consistent performance for fast-road and track-driven cars.
Koblenz
When should you review or replace your Porsche turbo chargers?
Checking turbochargers regularly helps you spot wear, damage or age-related deterioration before it affects performance or leads to more expensive repairs later on.
- Existing turbos are worn, noisy, smoking, or no longer making target boost
- You notice reduced power, slower spool, hesitation or an untidy, oily appearance around the turbo area
- You are upgrading other engine components and need turbos that can safely support higher boost and airflow
- You are rebuilding or restoring a Porsche engine and want fresh or refurbished turbochargers for long-term peace of mind
If any of these apply, it is a good time to review your turbo chargers and replace anything that is past its best, so your Porsche stays dependable and enjoyable to drive.
Explore Porsche turbo chargers with Design911
Browse turbo chargers for Porsche at Design911 — from individual components to complete upgrade kits — and find options to suit everyday maintenance, performance tuning and full engine restorations.