druk niet op de terugknop…
-
Motoronderdelen
-
- Onderdelen voor motorrevisie Onderdelen oliesysteem Onderdelen brandstofsysteem Pakkingen en sets Radiale afdichting / RMS / nokkenas / balansas Riemen / spanners / rollen Kettingen en spanners Motorlagers / schalen Motorkleppen / geleiders / veren Motorsteunen Motorsteunen Zuigerveren Motorcilinders / bussen / zuigers Verbindingsstang Cilinderkop Nokkenas en onderdelen Nokkenastandwielen/tandwielen en bevestigingen Carteronderdelen Krukas en onderdelen Turboladers / intercoolers en onderdelen Luchtinlaat en injectie Cilinderbus Speciaalgereedschap
-
Remmen
-
- Remmen Remblokken en -schijven Remschijf standaard Remblokken standaard SPORT-remschijf Brembo standaardremmen Brembo Racing-remmen TEXTAR-remmen PAGID raceremmen Zimmermann-remmen Performance-wrijvingsremmen EBC-remmen Black Diamond Performance-remmen Slijtagesensoren remblokken Remblok Anti-vibratie vulplaatjes Remklauwbouten / schijfschroeven Pinkit en geleideplaten Performance remslangen Standaard remslangen Remklauw en remleidingen Remklauwen Remklauw upgrades Handremschoenen Alle categorieën
-
-
Ophanging en besturing
-
Overdragen
-
- Versnellingsbak / transmissie Koppelingssets Koppelingssets - hoge prestaties Koppelingsplaat Koppeling drukplaat Koppeling ontkoppelingslagers Koppelingskabels & onderdelen Koppelingsgeleidebuis Koppelingsvorken en -hendels Koppelingsbouten Versnellingsbakonderdelen Aandrijfassen & onderdelen Versnellingsbakpakkingsets Versnellingsbaksteunen Versnellingspookbedieningsonderdelen Vliegwiel / koppel CV koppelingensets CV-manchetten en -kits Cardanas / schroefas Transmissieonderdelen Versnellingsbakolie Versnellingsbakcarter / oliecarter Differentieel Alle categorieën
-
- Koelen & Verwarmen
-
Elektriciteit & Verlichting
-
- Elektrisch en relais Brandstofpompen Remlichtschakelaar Achteruitrijlichtschakelaar Koplampschakelaar Raam schakelaar Raammotoren Raammechanisme Ruitenwissermotor Ruitenwissermechanisme Elektrische claxon Ontstekingsschakelaar Stoelschakelaar Schakelaar dak / zonnedak Relais / zekeringen Sproeierpompen / -tanks / -jets Alarmen / beveiliging / centrale vergrendeling Elektronische regeleenheden (ECU) Ruitenwisserschakelaars Dashboard- / consoleonderdelen en schakelaars Deurspiegelschakelaar Motorkap / achterklep / spoilerbediening en -motoren Tracker Alle categorieën
-
- Verlichting Koplampen rechtsgestuurd Koplampen linksgestuurd Koplamponderdelen en -lens HID-lichtsets Richtingsaanwijzers voorzijde Richtingaanwijzers achter rechtsgestuurd Richtingaanwijzers achter linksgestuurd Mist- en dagrijlampen Extra zijrichtingaanwijzers Kentekenplaatverlichtingen Interieur- / compartimentlampen Alle categorieën
-
-
Carrosserie & Uitlaat
-
- Chassis / carrosserie Restauratie chassis / reparatiepanelen Demperdeksel voor Demperdeksel achter Motorkappen / -sloten en -grendels Kofferbakken / achterkleppen / -sloten en -grendels Voorbumpers Achterbumpers Deuren / sloten & vergrendelingen Deurpanelen | Scharnieren | Slagplaten Raamslingers Wing voor en onderdelen Wing achter & onderdelen Zijdorpelpanelen Exterieur chassissierlijsten Spiegels en onderdelen Steenslagfolies / -stickers Onderplaten chassis & motor Wisserbladen / =armen Achterruitenwisserarmen en -bladen Dak - Cabrio / Targa / Coupé Rolkooien Kunststof hoezen Alle categorieën
-
-
Smeermiddelen en vloeistoffen
-
- Serviceonderdelen Servicesets OE-onderdelen Oliefilters Luchtfilters Brandstoffilters Riemen alle soorten Bougies IRIDIUM POWER-bougies IRIDIUM RACING-bougies Wisserbladen / -armen Achterruitenwisserarmen en -bladen Versnellingsbak serviceonderdelen Porsche klassieke motorolie Motorolie en smeermiddelen - Mobil Motorolie en smeermiddelen - Total Motorolie en smeermiddelen - Castrol Motorolie en smeermiddelen - Motul Motorolie en smeermiddelen - Millers Oils NanoDrive Motorolie en smeermiddelen - Millers Oils Brandstofadditieven Garage PBM
-
-
Alle onderdelen
-
- Onderdelen Accessoires Chassis / carrosserie Remmen Kleding en geschenken Elektrisch en relais Motorkoeling Motorelektrisch Onderdelen voor motorrevisie Performance-onderdelen Uitlaten Exterieurstyling / spoilers Versnellingsbak / transmissie Verwarming / airconditioning Hydraulica Interieur en accessoires Incar / multimedia Verlichting Matten en tapijten Motorsport en Off-Road Pedaalcluster Rubberen afdichtingen Stoelen en veiligheidsgordels Alle categorieën
-
- Back to main website
Voer hier uw btw-nummer in en klik op Verifiëren:
U hoeft het landcode-deel van uw btw-nummer niet in te voeren, omdat dit al is geselecteerd in uw factuuradres hierboven.
Uw gegevens zijn geverifieerd. Btw-nummer geregistreerd bij:
,
.
Uw bestelling wordt nu voor BTW-doeleinden op een nultarief gezet. Wij behouden ons het recht voor deze gegevens na uw bestelaanvraag te controleren en indien nodig opnieuw btw aan te rekenen.
Uw btw-gegevens werden niet herkend of waren ongeldig. Uw btw-nummer moet overeenkomen met het land van facturering zoals hierboven aangegeven. Dit wordt momenteel gespecificeerd als . U hoeft het landcode-deel van uw btw-nummer niet in te voeren, omdat dit al is geselecteerd in uw factuuradres hierboven.
De dienst voor het controleren van btw-nummers is momenteel offline. Geef uw btw-gegevens op in het veld opmerkingen of speciale instructies hieronder en wij passen een btw-korting toe na het plaatsen van uw bestelaanvraag.
Stopwatch. Porsche 991.2 ❭ 9P1919203EDAP
- Porsche 991.2 Carrera 2 3.0L (370 Bhp) 2016-19
- Porsche 991.2 Carrera 2S / GTS 3.0L (420/450 Bhp) 2016-19
- Porsche 991.2 Carrera 4 3.0L (370 Bhp) 2016-19
- Porsche 991.2 Carrera 4S / GTS 3.0L (420/450 Bhp) 2016-19
- Porsche 991.2 Cabriolet 2 3.0L (370 Bhp) 2016-19
- Porsche 991.2 Cabriolet 2S / GTS 3.0L (420/450 Bhp) 2016-19
- Porsche 991.2 Cabriolet 4 3.0L (370 Bhp) 2016-19
- Porsche 991.2 Cabriolet 4S / GTS 3.0L (420/450 Bhp) 2016-19
- Porsche 991.2 Targa 4 3.0L (370 Bhp) 2016-19
- Porsche 991.2 Targa 4S / GTS 3.0L (420/450 Bhp) 2016-19
- Porsche 991.2 Turbo Coupe 3.8L (540 Bhp) 2016-19
- Porsche 991.2 Turbo S Coupe 3.8L (580 Bhp) 2016-19
- Porsche 991.2 Turbo Cabriolet 3.8L (540 Bhp) 2016-19
- Porsche 991.2 Turbo S Cabriolet 3.8L (580 Bhp) 2016-19

Past bij:
Porsche 911.2 Carrera 20017 >>
Porsche 991.2 Turbo 2017 >>
Gerelateerde referentienummers
Gerelateerde, vervangen, kruisverwijzingen of alternatieve nummers ter vergelijking.
9P1919203EDAP
Het product dat u bekijkt, verwijst naar deze nummers
- Porsche 911 1974-1977 2.7L / 1976-77 3.0 Carrera
- Porsche 911 1978-1983 3.0L / SC
- Porsche 911 1984-1986 3.2L
- Porsche 911 1987-1989 3.2L G50
- Porsche 911 1975-1977 3.0L Turbo (930)
- Porsche 911 1978-1989 3.3L Turbo (930)
- Porsche 944 2.5L 8V 1982-87
- Porsche 944 2.7L 8V 1988-89
- Porsche 944S 2.5L 16V 1987-88
- Porsche 944S2 3.0L 16V 1989-91
- Porsche 944 Turbo 2.5L 8V 1985-88
- Porsche 944 Turbo 2.5L 8V 1989-91
- Porsche 944 Turbo S 2.5L 8V 1988
- Porsche 928 4.5L 1978-82
- Porsche 928S 4.7L 1981-83
- Porsche 928S2 4.7L 1984-86
- Porsche 928S4 5.0L 1987-92
- Porsche 928GT 5.0L 1989-91
- Porsche 928GTS 5.4L 1992-95

Past bij:
Porsche 911 1976-1989
Porsche 911 (930) 5/1986-1988
Porsche 912E 1976
Porsche 928 1977-1995
Porsche 944 1982-1991
HOUD ER REKENING MEE DAT:
Als je de tanden van het hoofdtandwiel niet kunt tellen, tel dan de tanden van het volgende tandwiel waar het in aangrijpt. Als uw aantal tanden 49 is: 20x21, 48: 20x22, 47: 20x23, 41: 20x29, 40: 20x30, 38: 20x32
Noodzaak om de snelheidsmeter te openen om de juiste stijl en het aantal tanden te bepalen dat nodig is voor uw voertuig.
- Porsche 911 1965-1968 2.0L / 912 SWB (F)
- Porsche 911 1968-1973 2.2L / 2.4L / 2.7L RS LWB (F)
- Porsche 911 1974-1977 2.7L / 1976-77 3.0 Carrera
- Porsche 911 1978-1983 3.0L / SC
- Porsche 924 2.0L 1976-79
- Porsche 924 2.0L 1980-85
- Porsche 924 Turbo 2.0L 1979-81
- Porsche 924 Turbo 2.0L 1982-84
- Porsche 924 Carrera GT 2.0L 1981
- Porsche 924 Carrera GTS 2.0L 1982
- Porsche 924S 2.5L 1986-87
- Porsche 924S 2.5L 1988
- Porsche 944 2.5L 8V 1982-87
- Porsche 944 2.7L 8V 1988-89
- Porsche 944S 2.5L 16V 1987-88
- Porsche 944S2 3.0L 16V 1989-91
- Porsche 944 Turbo 2.5L 8V 1985-88
- Porsche 944 Turbo 2.5L 8V 1989-91
- Porsche 944 Turbo S 2.5L 8V 1988
- Porsche 968 3.0L 1992-94
- Porsche 968 Sport 3.0L 1994-95
- Porsche 968 CS 3.0L 1993-95
- Porsche 968 Turbo S 3.0L 1993-94
- Porsche 914 (1970-1976)

Er zijn mogelijk twee versnellingen die slecht kunnen gaan. Ten eerste is er het tandwiel aan de zijkant van de snelheidsmeter. Als je uitrusting van metaal is, heb je deze uitrusting niet nodig. Als het van plastic is, inspecteer dan nauwkeurig waar de as door het tandwiel komt, aangezien er meestal een haarscheurtje zal zijn en het tandwiel goed moet passen.
Past bij:
Porsche 911 1965-75
Porsche 912 1965-75
Porsche 914 1970-76
Porsche 924 1976-88
Porsche 944 1982-91
Porsche 968 1992-95
Houd er rekening mee dat:
Noodzaak om de snelheidsmeter te openen om de juiste stijl en het aantal tanden te bepalen dat nodig is voor uw voertuig. Het is altijd het beste om je oude uitrusting te controleren voordat je bestelt.
- Porsche 944 2.5L 8V 1982-87
- Porsche 944 2.7L 8V 1988-89
- Porsche 944S 2.5L 16V 1987-88
- Porsche 944S2 3.0L 16V 1989-91
- Porsche 944 Turbo 2.5L 8V 1985-88
- Porsche 944 Turbo 2.5L 8V 1989-91
- Porsche 944 Turbo S 2.5L 8V 1988
- Porsche 968 3.0L 1992-94
- Porsche 968 Sport 3.0L 1994-95
- Porsche 968 CS 3.0L 1993-95
- Porsche 968 Turbo S 3.0L 1993-94

Past bij:
Porsche 944 1985-91
Porsche 968 1992-95
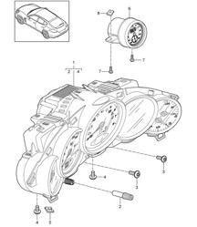
Klik op 'Inzoomen' voor een groot onderdelenschema.
Schema ref. nr. 5
Gerelateerde referentienummers
Gerelateerde, vervangen, kruisverwijzingen of alternatieve nummers ter vergelijking.
94464194101
Het product dat u bekijkt, verwijst naar deze nummers
Maandag-vrijdag: 8.30 - 17.30 uur (GMT) Zaterdag: Gesloten Zondag: Gesloten