druk niet op de terugknop…
-
Motoronderdelen
-
- Onderdelen voor motorrevisie Tussenas (IMS) Onderdelen oliesysteem Onderdelen brandstofsysteem Pakkingen en sets Radiale afdichting / RMS / nokkenas / balansas Riemen / spanners / rollen Kettingen en spanners Distributiedeksels en pakkingen Motorlagers / schalen Motorkleppen / geleiders / veren Tuimelaars Motorsteunen Motorsteunen Zuigerveren Motorcilinders / bussen / zuigers Verbindingsstang Cilinderkop Nokkenas en onderdelen Nokkenassen Nokkenastandwielen/tandwielen en bevestigingen Carteronderdelen Krukas en onderdelen Alle categorieën
-
Remmen
-
- Remmen Remblokken en -schijven Remschijf standaard Remblokken standaard SPORT-remschijf Brembo standaardremmen Brembo Racing-remmen TEXTAR-remmen PAGID raceremmen Zimmermann-remmen Performance-wrijvingsremmen SHW Performance Remmen EBC-remmen Black Diamond Performance-remmen Slijtagesensoren remblokken Remblok Anti-vibratie vulplaatjes Remklauwbouten / schijfschroeven Pinkit en geleideplaten Performance remslangen Standaard remslangen Remklauw en remleidingen Remklauwen Remklauw upgrades Alle categorieën
-
-
Ophanging en besturing
-
Overdragen
-
- Versnellingsbak / transmissie Koppelingssets Koppelingssets - hoge prestaties Koppelingsplaat Koppeling drukplaat Koppeling ontkoppelingslagers Koppelingsgeleidebuis Koppelingsvorken en -hendels Koppelingsbouten Versnellingsbakonderdelen Aandrijfassen & onderdelen Versnellingsbakpakkingsets Versnellingsbaksteunen Versnellingspookbedieningsonderdelen Vliegwiel / koppel CV koppelingensets CV-manchetten en -kits Cardanas / schroefas Versnellingsbakolie Versnellingsbakcarter / oliecarter Gebruikte transmissies / versnellingsbakken Differentieel voor Differentieel Alle categorieën
-
-
Koelen & Verwarmen
-
- Verwarming / airconditioning Airco condensors & exsiccatoren Airco verdampers & expansieventielen Airco-leidingen Airco-riemen Ventilatoren & kappen Relais / sensoren / weerstanden Compressoren Verwarmingskleppen Ventilatoren en -motoren Kachelventilatoren Verwarmingsslangen en -leidingen Ventilatieopeningen / -roosters Klimaatcontrole Temperatuursensoren / -schakelaars Verwarmings- / airconditioningsbehuizingen
-
-
Elektriciteit & Verlichting
-
- Elektrisch en relais Brandstofpompen Remlichtschakelaar Alarmlichtenschakelaar Handremschakelaar Achteruitrijlichtschakelaar Koplampschakelaar Raam schakelaar Raammotoren Raammechanisme Ruitenwissermotor Ruitenwissermechanisme Elektrische claxon Ontstekingsschakelaar Stoelschakelaar Indicator / ruitenwisserschakelaar Schakelaar dak / zonnedak Relais / zekeringen Sproeierpompen / -tanks / -jets Alarmen / beveiliging / centrale vergrendeling Elektronische regeleenheden (ECU) Ruitenwisserschakelaars Dashboard- / consoleonderdelen en schakelaars Alle categorieën
-
- Verlichting Koplampen rechtsgestuurd Koplampen linksgestuurd Koplamponderdelen en -lens HID-lichtsets Richtingsaanwijzers voorzijde Richtingaanwijzers achter rechtsgestuurd Richtingaanwijzers achter linksgestuurd Mist- en dagrijlampen Extra zijrichtingaanwijzers Derde remlichten Kentekenplaatverlichtingen Alle categorieën
-
-
Carrosserie & Uitlaat
-
- Chassis / carrosserie Restauratie chassis / reparatiepanelen Demperdeksel voor Demperdeksel achter Motorkappen / -sloten en -grendels Kofferbakken / achterkleppen / -sloten en -grendels Achterklep / Achterklep Voorbumpers Achterbumpers Deuren / sloten & vergrendelingen Deurpanelen | Scharnieren | Slagplaten Raamslingers Wing voor en onderdelen Wing achter & onderdelen Zijdorpelpanelen Exterieur chassissierlijsten Spiegels en onderdelen Steenslagfolies / -stickers Onderplaten chassis & motor Wisserbladen / =armen Achterruitenwisserarmen en -bladen Wielkastbekledingen en -afdekkingen Dak - Cabrio / Targa / Coupé Alle categorieën
-
-
Smeermiddelen en vloeistoffen
-
- Serviceonderdelen Servicesets OEM-onderdelen Servicesets OE-onderdelen Oliefilters Luchtfilters Brandstoffilters Riemen alle soorten Bougies IRIDIUM POWER-bougies IRIDIUM RACING-bougies Bobines Wisserbladen / -armen Achterruitenwisserarmen en -bladen Versnellingsbak serviceonderdelen Porsche klassieke motorolie Motorolie en smeermiddelen - Mobil Motorolie en smeermiddelen - Total Motorolie en smeermiddelen - Castrol Motorolie en smeermiddelen - Motul Motorolie en smeermiddelen - Millers Oils NanoDrive Motorolie en smeermiddelen - Millers Oils Brandstofadditieven Garage PBM
-
-
Alle onderdelen
-
- Onderdelen Accessoires Chassis / carrosserie Remmen Kleding en geschenken Elektrisch en relais Motorkoeling Motorelektrisch Onderdelen voor motorrevisie Performance-onderdelen Uitlaten Exterieurstyling / spoilers Versnellingsbak / transmissie Verwarming / airconditioning Hydraulica Interieur en accessoires Incar / multimedia Verlichting Matten en tapijten Motorsport en Off-Road Pedaalcluster Rubberen afdichtingen Stoelen en veiligheidsgordels Alle categorieën
-
- Back to main website
Voer hier uw btw-nummer in en klik op Verifiëren:
U hoeft het landcode-deel van uw btw-nummer niet in te voeren, omdat dit al is geselecteerd in uw factuuradres hierboven.
Uw gegevens zijn geverifieerd. Btw-nummer geregistreerd bij:
,
.
Uw bestelling wordt nu voor BTW-doeleinden op een nultarief gezet. Wij behouden ons het recht voor deze gegevens na uw bestelaanvraag te controleren en indien nodig opnieuw btw aan te rekenen.
Uw btw-gegevens werden niet herkend of waren ongeldig. Uw btw-nummer moet overeenkomen met het land van facturering zoals hierboven aangegeven. Dit wordt momenteel gespecificeerd als . U hoeft het landcode-deel van uw btw-nummer niet in te voeren, omdat dit al is geselecteerd in uw factuuradres hierboven.
De dienst voor het controleren van btw-nummers is momenteel offline. Geef uw btw-gegevens op in het veld opmerkingen of speciale instructies hieronder en wij passen een btw-korting toe na het plaatsen van uw bestelaanvraag.
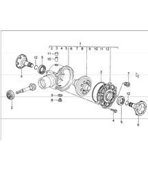
Differentieel vooras eindoverbrenging. Porsche 993 C4 / 993 TURBO ❭ 96434901024
- Porsche 993 (911) C4 1994-97
- Porsche 993 (911) TURBO 1994-96

Past bij:
Porsche 993 C4 1995>> (Z64.20)
Porsche 993 Turbo 1996>> (Z64.20)
Klik op 'Inzoomen' voor een groot onderdelendiagram.
Diagramreferentienr. 1
Gerelateerde referentienummers
Gerelateerde, vervangen, kruisverwijzingen of alternatieve nummers ter vergelijking.
96434901024
Het product dat u bekijkt, verwijst naar deze nummers
- Porsche 911 1987-1989 3.2L G50
- Porsche 911 1978-1989 3.3L Turbo (930)
- Porsche 964 (911) C2 1989-93
- Porsche 964 (911) C4 1989-93
- Porsche 964 (911) RS 3.6L 1991-93
- Porsche 964 (911) RS 3.8L 1991-93
- Porsche 964 (911) TURBO 3.3L 1991-93
- Porsche 964 (911) TURBO 3.6L 1991-93
- Porsche 993 (911) C2 1994-97
- Porsche 993 (911) C4 1994-97
- Porsche 993 (911) RS 1994-97
- Porsche 993 (911) C2S 1994-97
- Porsche 993 (911) C4S 1994-97
- Porsche 993 (911) TURBO 1994-96
- Porsche 993 (911) GT2 1994-97
- Porsche 993 (911) TURBO S 1994-97

Past op:
Auto's met handgeschakelde versnellingsbak
Porsche 911 1987-89 G50 Versnellingsbak
Porsche 964 1989-94 (versnellingsbak en voordifferentieel)
Porsche 993 1995-98
Klik op 'Inzoomen' voor een diagram met grotere onderdelen.
Diagram ref nr. 17
Gerelateerde referentienummers
Gerelateerde, vervangen, kruisverwijzingen of alternatieve nummers ter vergelijking.
99970174540
Het product dat u bekijkt, verwijst naar deze nummers
Maandag-vrijdag: 8.30 - 17.30 uur (GMT) Zaterdag: Gesloten Zondag: Gesloten