Voer hier uw btw-nummer in en klik op Verifiëren:
U hoeft het landcode-deel van uw btw-nummer niet in te voeren, omdat dit al is geselecteerd in uw factuuradres hierboven.
Uw gegevens zijn geverifieerd. Btw-nummer geregistreerd bij:
,
.
Uw bestelling wordt nu voor BTW-doeleinden op een nultarief gezet. Wij behouden ons het recht voor deze gegevens na uw bestelaanvraag te controleren en indien nodig opnieuw btw aan te rekenen.
Uw btw-gegevens werden niet herkend of waren ongeldig. Uw btw-nummer moet overeenkomen met het land van facturering zoals hierboven aangegeven. Dit wordt momenteel gespecificeerd als . U hoeft het landcode-deel van uw btw-nummer niet in te voeren, omdat dit al is geselecteerd in uw factuuradres hierboven.
De dienst voor het controleren van btw-nummers is momenteel offline. Geef uw btw-gegevens op in het veld opmerkingen of speciale instructies hieronder en wij passen een btw-korting toe na het plaatsen van uw bestelaanvraag.
Olieleidingen en -slangen
- Porsche 911 1978-1989 3.3L Turbo (930)

Past bij:
Porsche 911 (930) Turbo 3.3L 1978-89
Klik op 'Inzoomen' voor een groot onderdelendiagram.
Diagramreferentienr. 21
Gerelateerde referentienummers
Gerelateerde, vervangen, kruisverwijzingen of alternatieve nummers ter vergelijking.
93010700107
Het product dat u bekijkt, verwijst naar deze nummers
- Porsche 911 1965-1968 2.0L / 912 SWB (F)
- Porsche 911 1968-1973 2.2L / 2.4L / 2.7L RS LWB (F)
- Porsche 911 1974-1977 2.7L / 1976-77 3.0 Carrera
- Porsche 911 1978-1983 3.0L / SC
- Porsche 911 1984-1986 3.2L
- Porsche 911 1987-1989 3.2L G50
- Porsche 911 1975-1977 3.0L Turbo (930)
- Porsche 911 1978-1989 3.3L Turbo (930)

Past op:
Porsche 911 - 1972
Porsche 911 - 1969 tot 1989
Let op
Voor auto's (1969 tot 1973) moet de externe oliethermostaat van de fabriek uit 1974-1989 worden gebruikt
Onze gepatenteerde olieleidingen met lamellen vervangen rechtstreeks de originele leidingen die de externe thermostaat verbinden met de op de voorste spatbord gemonteerde oliekoeler.
Olifantenrace-aftapventiel
Geen gedeeltelijke olieverversingen meer. Ingebouwde klep laat u de oliekoeler en leidingen evacueren met perslucht. Een snelle straal perst vuile olie uit de leidingen en koeler in de olietank. Verwijdert 1-2 liter die de motor en tankaftappluggen achterlaten.
Messing constructie voor corrosiebestendigheid en full-flow hoogwaardige fittingen maken Elephant Racing olieleidingen de keuzeoplossing. De leidingen zijn perfect gevormd – net als OEM.
- Aanzienlijke temperatuurverlaging
- Purge-klep verwijdert vuile olie uit het systeem
- Eenvoudige bout-op-installatie
- Geen leidingwerk, zit in de luchtstroom onder de auto
- OEM-pasvorm
- Lichtgewicht
Zoals te zien is in de doorsnede, worden koelvinnen direct op de olieleidingen gevormd. De vinnen zorgen voor een viervoudige toename van het warmteafvoerende oppervlak. De gecombineerde lengte van twee leidingen is ongeveer 17 voet en met vinnen worden ze een gigantische oliekoeler.
Onze gepatenteerde lamellenolieleidingen voeren meer warmte af.
Deze echte bout-in vervangingen worden direct op de fabrieksfittingen aangesloten en kunnen worden gebruikt in combinatie met op de spatborden en zijpanelen gemonteerde koelers van de fabriek of aftermarket.
Gerelateerde referentienummers
Gerelateerde, vervangen, kruisverwijzingen of alternatieve nummers ter vergelijking.
93020704646
Het product dat u bekijkt, verwijst naar deze nummers
- Porsche 911 1968-1973 2.2L / 2.4L / 2.7L RS LWB (F)
- Porsche 911 1974-1977 2.7L / 1976-77 3.0 Carrera
- Porsche 911 1978-1983 3.0L / SC
- Porsche 911 1984-1986 3.2L
- Porsche 911 1987-1989 3.2L G50
- Porsche 911 1975-1977 3.0L Turbo (930)
- Porsche 911 1978-1989 3.3L Turbo (930)

Speciale pijp wisselt uit met 3A en verbindt de olietank uit 1973-89 met de thermostaat. Biedt maximale speling voor het monteren van brede banden. In tegenstelling tot de fabriekslijn die tussen de band en de binnenste wielkuip loopt, buigt deze lijn boven de band om een superieure bandenspeling te geven. Het kritieke gebied tussen tank en band is een speciaal gevormde harde lijn voor maximale speling.
Gerelateerde referentienummers
Gerelateerde, vervangen, kruisverwijzingen of alternatieve nummers ter vergelijking.
0200000
Het product dat u bekijkt, verwijst naar deze nummers
- Porsche 911 1978-1989 3.3L Turbo (930)
Past op:
Porsche 911 (930) Turbo 1987-89
Schema referentie 10.
Gerelateerde referentienummers
Gerelateerde, vervangen, kruisverwijzingen of alternatieve nummers ter vergelijking.
93010738907
Het product dat u bekijkt, verwijst naar deze nummers
- Porsche 911 1984-1986 3.2L
- Porsche 911 1987-1989 3.2L G50
- Porsche 911 1978-1989 3.3L Turbo (930)
Stroomt lengte van de auto.

Past bij:
Porsche 911 vanaf modeljaar 1987
Klik op 'Inzoomen' voor een groot onderdelenschema.
Diagram ref. nr. 12
Gerelateerde referentienummers
Gerelateerde, vervangen, kruisverwijzingen of alternatieve nummers ter vergelijking.
93020704504
Het product dat u bekijkt, verwijst naar deze nummers
- Porsche 911 1968-1973 2.2L / 2.4L / 2.7L RS LWB (F)
- Porsche 911 1974-1977 2.7L / 1976-77 3.0 Carrera
- Porsche 911 1978-1983 3.0L / SC
- Porsche 911 1984-1986 3.2L
- Porsche 911 1987-1989 3.2L G50
- Porsche 911 1975-1977 3.0L Turbo (930)
- Porsche 911 1978-1989 3.3L Turbo (930)
- Porsche 964 (911) C2 1989-93
- Porsche 964 (911) C4 1989-93
- Porsche 964 (911) RS 3.6L 1991-93
- Porsche 964 (911) RS 3.8L 1991-93
- Porsche 964 (911) TURBO 3.3L 1991-93
- Porsche 964 (911) TURBO 3.6L 1991-93

Past bij:
Porsche 911 1970-89
Porsche 964 1989-94
Klik op 'Inzoomen' voor een groot onderdelenschema.
Diagram ref. nr. 17.
Gerelateerde referentienummers
Gerelateerde, vervangen, kruisverwijzingen of alternatieve nummers ter vergelijking.
96420730200
Het product dat u bekijkt, verwijst naar deze nummers
- Porsche 911 1968-1973 2.2L / 2.4L / 2.7L RS LWB (F)
- Porsche 911 1974-1977 2.7L / 1976-77 3.0 Carrera
- Porsche 911 1978-1983 3.0L / SC
- Porsche 911 1984-1986 3.2L
- Porsche 911 1987-1989 3.2L G50
- Porsche 911 1975-1977 3.0L Turbo (930)
- Porsche 911 1978-1989 3.3L Turbo (930)
- Porsche 964 (911) C2 1989-93
- Porsche 964 (911) C4 1989-93
- Porsche 964 (911) RS 3.6L 1991-93
- Porsche 964 (911) RS 3.8L 1991-93
- Porsche 964 (911) TURBO 3.3L 1991-93
- Porsche 964 (911) TURBO 3.6L 1991-93

Past op:
Porsche 911 2.2-3.3 08/69-07/89
Porsche 964 3.3-3.6 12/88-06/94
Klik op 'Inzoomen' voor een diagram met grotere onderdelen.
Diagram Ref. Nr. 17.
Gerelateerde referentienummers
Gerelateerde, vervangen, kruisverwijzingen of alternatieve nummers ter vergelijking.
96420730200
Het product dat u bekijkt, verwijst naar deze nummers
- Porsche 911 1974-1977 2.7L / 1976-77 3.0 Carrera
- Porsche 911 1978-1983 3.0L / SC
- Porsche 911 1984-1986 3.2L
- Porsche 911 1987-1989 3.2L G50
- Porsche 911 1975-1977 3.0L Turbo (930)
- Porsche 911 1978-1989 3.3L Turbo (930)
Kit om terugstroming van olie te voorkomen.
Wordt verkocht als complete set. 1 nodig per auto.

Deze olieterugstroomset bevat een terugslagklep tussen de olietank en de motor die roken bij het opstarten voorkomt voor 911- en 930-modellen van 1973-89.
Het probleem is te wijten aan het feit dat de olietank hoger zit dan de motoroliepomp. Zwaartekracht zorgt voor een positieve druk op de pomp en vult langzaam de motorbehuizing met de tijd. Als de auto eenmaal gestart is, roken de auto's hevig
Onze complete kit bevat een modelspecifieke terugslagklep met verbeterde zuigslangen en roestvrijstalen klemmen, klaar voor installatie.
- Porsche 911 1968-1973 2.2L / 2.4L / 2.7L RS LWB (F)
- Porsche 911 1974-1977 2.7L / 1976-77 3.0 Carrera
- Porsche 911 1978-1983 3.0L / SC
- Porsche 911 1984-1986 3.2L
- Porsche 911 1987-1989 3.2L G50
- Porsche 911 1975-1977 3.0L Turbo (930)
- Porsche 911 1978-1989 3.3L Turbo (930)

Past bij:
Porsche 911 2.7RS / 2.8 RSR - 1973
Porsche 911 G-Body dateert van 1974 tot 1989
Kit bevat
Oliekoeler midden voorbumper
Oliekoelersteunen, beugels en schroeven
Oliekoelerleiding x 2
Olieleidingconnector x 2
Er zijn aanpassingen en laswerkzaamheden nodig aan het voorste gedeelte van de kofferbak.
De centrale oliekoeler kan worden toegevoegd aan het bestaande oliekoelercircuit in de voorvleugel.
Dimensies:
Totale breedte (zonder tussenstukken) = 58 cm
Hoogte met verbindingssteun: 12 cm
Diepte: = 6,3 cm.
Gerelateerde referentienummers
Gerelateerde, vervangen, kruisverwijzingen of alternatieve nummers ter vergelijking.
11F-R130
Het product dat u bekijkt, verwijst naar deze nummers
- Porsche 911 1984-1986 3.2L
- Porsche 911 1987-1989 3.2L G50
- Porsche 911 1978-1989 3.3L Turbo (930)

Past bij:
Porsche 911 1984-89
Klik op 'Inzoomen' voor een groot onderdelenschema.
Schema ref. nr. 38
Gerelateerde referentienummers
Gerelateerde, vervangen, kruisverwijzingen of alternatieve nummers ter vergelijking.
93020726501
Het product dat u bekijkt, verwijst naar deze nummers
- Porsche 911 1984-1986 3.2L
- Porsche 911 1987-1989 3.2L G50
- Porsche 911 1978-1989 3.3L Turbo (930)

Past bij:
Porsche 911 1984-89
Klik op 'Inzoomen' voor een groot onderdelendiagram.
Diagramreferentienr. 38
Gerelateerde referentienummers
Gerelateerde, vervangen, kruisverwijzingen of alternatieve nummers ter vergelijking.
93020726501
Het product dat u bekijkt, verwijst naar deze nummers
- Porsche 911 1978-1989 3.3L Turbo (930)
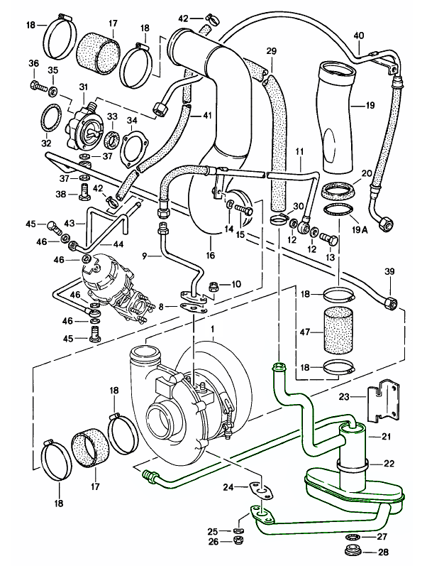
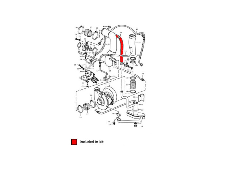
Gemaakt van hoogwaardig siliconenrubber met 3-laags polyester versterking.

Passen:
Porsche 911 (930 Turbo) 1978 tot 1989 alle modellen met 3.3 Turbo motor
Slangen inbegrepen:
• Bovenaansluiting olieafscheider / olievulbuis / luchtfilterkast - OEM ref 93010739504 / 93010799500
• Olieafscheider met middelste aansluiting - OEM ref 93010739100
• Olieafscheider met onderaansluiting - OEM ref 93010738904
• Onderaansluiting olieafscheider naar olietank *** - OEM ref 93010738906
• Ontluchtingsslang cilinderkop *** - OEM ref 93010739701
• Oliekoeler/olietank - OEM ref 93010723302
• Ontluchtingsslang Turbo olietank naar / filterkast - OEM ref 93010739402 / 99923600750 / 00004320495
*** De in de fabriek geperste slangklemmen dienen op deze slangen te worden geknipt en de slangaansluiting en de stalen buis opnieuw te gebruiken. Ze worden met gewone slangklemmen op de nieuwe siliconenslangen gemonteerd. Zie grote afbeeldingen voor meer details ***
Raadpleeg de productafbeeldingen voor bevestiging van de positie van de slangen.
Gerelateerde referentienummers
Gerelateerde, vervangen, kruisverwijzingen of alternatieve nummers ter vergelijking.
KIT141S
Het product dat u bekijkt, verwijst naar deze nummers
- Porsche 911 1978-1989 3.3L Turbo (930)

Past bij:
Porsche 911 Turbo 1988-89
Speciaal model met platte neus
Klik op 'Inzoomen' voor een groot onderdelenschema.
Schema ref. nr. 6
Gerelateerde referentienummers
Gerelateerde, vervangen, kruisverwijzingen of alternatieve nummers ter vergelijking.
93010791201
Het product dat u bekijkt, verwijst naar deze nummers
- Porsche 911 1978-1989 3.3L Turbo (930)

Passen:
Voor olieslangen klemset #KIT141S
Porsche 911 (930 Turbo) 1978 tot 1989 alle modellen met 3.3L turbomotor
Set van 15 klemmen
De set bevat alle benodigde slangklemmen om de gespecificeerde slangenset te installeren. De meegeleverde klemmen zijn van een hoogwaardig standaardontwerptype in volledig roestvrij staal (W4-klasse) met een gestempelde band om de impact op het slangoppervlak te minimaliseren.
Gerelateerde referentienummers
Gerelateerde, vervangen, kruisverwijzingen of alternatieve nummers ter vergelijking.
CLAMP-KIT141
Het product dat u bekijkt, verwijst naar deze nummers
- Porsche 911 1984-1986 3.2L
- Porsche 911 1987-1989 3.2L G50
- Porsche 911 1978-1989 3.3L Turbo (930)
- Porsche 964 (911) C2 1989-93
- Porsche 964 (911) C4 1989-93
- Porsche 964 (911) RS 3.6L 1991-93
- Porsche 964 (911) RS 3.8L 1991-93
- Porsche 964 (911) TURBO 3.3L 1991-93
- Porsche 964 (911) TURBO 3.6L 1991-93
- Porsche 993 (911) C2 1994-97
- Porsche 993 (911) C4 1994-97
- Porsche 993 (911) RS 1994-97
- Porsche 993 (911) C2S 1994-97
- Porsche 993 (911) C4S 1994-97
- Porsche 993 (911) TURBO 1994-96
- Porsche 993 (911) GT2 1994-97
- Porsche 993 (911) TURBO S 1994-97

Past bij:
Porsche 911 1984-89
Porsche 964 1989-94
Porsche 993 1995-98
Klik op 'Inzoomen' voor een groot onderdelenschema.
Schema ref nr. 10
Gerelateerde referentienummers
Gerelateerde, vervangen, kruisverwijzingen of alternatieve nummers ter vergelijking.
99951116202
Het product dat u bekijkt, verwijst naar deze nummers
- Porsche 911 1978-1989 3.3L Turbo (930)
Past op:
Porsche 911 TURBO (930) 3.3L 1978-89
Diagram ref. nr. 9
Gerelateerde referentienummers
Gerelateerde, vervangen, kruisverwijzingen of alternatieve nummers ter vergelijking.
93010774316
Het product dat u bekijkt, verwijst naar deze nummers
-
motorsmeeroliepomp 911 1978-83 104-00
-
olieafscheider TURBO 930.60/66 vanaf 1980 104-01
-
motorsmering radiateurspoel 911 1978-83 104-05
-
k-jetronic I 911 TURBO 930.60/61, 930.62/66 1978-83 107-20
-
turbolader 911 TURBO 1978-83 107-40
-
motorsmering oliepompleidingen 911 1987-89 104-00
-
motorsmeerolietankleidingen 911 1987-89 104-01
-
olieafscheider 911 TURBO 930.66/68 1987-89 104-02
-
motorsmering oliekoeler 911 1987-89 104-05
-
K-JETRONIC I 911 TURBO 930.66/68 1987-89 107-20
-
turbolader 911 TURBO 930.66/68 1987-89 107-40
-
speciaal model oliekoeler met platte neus 911 TURBO M506 vanaf 1988 180-10
-
Motorsmeeroliepompleidingen 911 1984-86 104-00
-
Motorsmeerolie tankleidingen 911 1984-86 104-01
-
Olieafscheider 911 TURBO 930.66/68 1984-86 104-02
-
motorsmering oliekoeler 911 1984-86 104-05
-
K-JETRONIC I 911 TURBO 930.66/68 1984-86 107-20
-
turbolader 911 1984-86 107-40
Motorolieleidingen en -slangen – Betrouwbare smering voor Porsche-prestaties
De motorolieleidingen en -slangen in uw Porsche zijn essentiële onderdelen van het smeersysteem en zorgen voor het transport van olie tussen de motor, de oliekoeler en diverse interne componenten. Deze leidingen zorgen voor de juiste oliedruk en -stroom, wat zorgt voor een soepele werking, minder wrijving en langdurige bescherming van uw krachtige motor.
Bij Design911 leveren we een breed assortiment olieleidingen en -slangen, ontwikkeld om te voldoen aan de hoge eisen van Porsche-voertuigen. Deze componenten zijn vervaardigd van hittebestendig rubber, versterkt staal of gevlochten leidingen en zijn ontworpen voor duurzaamheid, lekpreventie en een perfecte pasvorm. Of u nu een klassieke 911 onderhoudt of een moderne Cayman of Panamera, onze hoogwaardige olieleidingen garanderen een betrouwbare oliecirculatie en topprestaties.
Wat doen motorolieleidingen en -slangen?
Olieleidingen en -slangen zijn essentieel voor het transport van olie onder druk door de smeer- en koelcircuits van de motor.
Kernfuncties:
- Breng olie tussen het motorblok, de oliekoeler en de filterbehuizing.
- Zorg voor een constante oliedruk voor een goede smering.
- Voorkom lekkages en zorg voor een stabiele oliestroom onder alle omstandigheden.
- Helpt bij het koelen en overbrengen van hete olie naar radiatoren of warmtewisselaars.
Zonder werkende olieleidingen en -slangen is de oliestroom inconsistent. Dit leidt tot verminderde smering, oververhitting en mogelijke motorschade.
Waarom gaan olieleidingen en -slangen kapot?
Na verloop van tijd kunnen slangen en leidingen door hitte, druk en verontreiniging door olie zwakker of slechter worden.
Veelvoorkomende oorzaken van storingen zijn:
- Door veroudering veroorzaakte verharding of scheurvorming van rubberen slangen.
- Corrosie of vermoeiing in metalen of gevlochten leidingen.
- Losse koppelingen of klemmen die lekkages veroorzaken.
- Olieverslechtering die de interne voeringen beschadigt.
- Trillings- en hittecycli , vooral bij prestatiemotoren.
Symptomen van een defect zijn onder andere zichtbare olielekken, een brandlucht, een lage oliedruk of waarschuwingslampjes. Dit zijn allemaal signalen die erop wijzen dat het tijd is voor inspectie of vervanging.
Waarom olieleidingen en -slangen vervangen?
Het vervangen van beschadigde of lekkende olieleidingen zorgt voor betrouwbare smering en drukregeling in uw motor. Onze hoogwaardige, direct te monteren vervangingen zijn ontworpen om de originele stromingseigenschappen te herstellen, lekkages te voorkomen en bestand te zijn tegen de extreme omstandigheden die optreden bij sportief rijden.
Belangrijkste voordelen:
- Herstelt de juiste oliedruk en -stroom.
- Voorkomt lekkages en verontreiniging.
- Verbetert de smering en koelingsefficiëntie.
- Gemaakt van duurzame, olie- en hittebestendige materialen.
- Geschikt voor luchtgekoelde en watergekoelde Porsche-modellen.
- Ideaal voor motorrevisie, service en preventief onderhoud.
Precieze olieleidingen en -slangen zijn essentieel om het smeersysteem van uw Porsche optimaal te laten presteren. Zo bent u verzekerd van betrouwbaarheid en een lange levensduur op de weg of het circuit.
Hoogtepunten:
- Precisie-gefabriceerde olieleidingen en slangen voor Porsche-motoren.
- Hoogwaardige, corrosiebestendige materialen voor een lange levensduur.
- Direct passende vervangingen, ontworpen voor lekvrije werking.
- Verbetert de betrouwbaarheid van de smering en de stabiliteit van de oliedruk.
- Ideaal voor onderhoud, upgrades of volledige motorrevisies.
- Geschikt voor klassieke luchtgekoelde en moderne Porsche modellen.