do not press the back button…
-
Engine Parts
-
- Engine Rebuild Parts Oil System Parts Fuel System Parts Gaskets & Sets Radial Seal / RMS / Camshaft / Balance shaft Belts / Tensioners / Rollers Chains & Tensioners Engine Bearings / Shells Engine Valves / Guides / Springs Engine Bolts / Studs Engine Mounts Piston Rings Engine Cylinders / Liners / Pistons Connecting Rod Cylinder Head / Camshaft Carrier Camshaft covers / Gaskets Camshafts Camshaft gears / sprockets and fixings Crankcase Parts Crankshaft & Parts Air Intake & Injection Engine Rebuild Kit Cylinder Liner All Categories
-
Brakes
-
- Brakes Brake Pads & Disc Package Brake Disc Standard Brake Pads Standard SPORTS Brake Disc Brembo Standard brakes Brembo Racing brakes TEXTAR Brakes PAGID Racing Brakes Zimmermann Brakes Performance Friction Brakes EBC Brakes Black Diamond Performance Brakes Brake Pad Wear Sensors Brake Pad Anti-vibration shims Caliper Bolts / Disc Screws Pin Kit and Guide Plates Performance Brake Hoses Standard Brake Hoses Caliper and Brake Lines Brake Calipers Brake Caliper Upgrades Handbrake Shoes All Categories
-
-
Suspension & Steering
-
Transmission
-
- Gearbox / Transmission Clutch Kits Clutch Kits - High Performance Clutch Friction Plate Clutch Pressure Plate Clutch Release Bearings Clutch Cables & Parts Clutch Guide Tube Clutch Forks & Levers Clutch Bolts Gearbox Parts Driveshafts & Parts Gasket Sets / Gaskets / Seals / Lock Nuts Gearshift Control Parts Flywheel / Torque CV Joints Kits CV Boots and Kits Cardan Shaft / Prop Shaft Transmission Parts Gearbox / Differential Oil Gearbox Sump / Oil Pan Rear Differential Transmission Cooling All Categories
-
- Cooling & Heating
-
Electrical & Lighting
-
- Electrical & Relays Fuel Pumps Brake Light Switch Hazard Warning Switch Reverse Light Switch Headlamp Switch Window Switch Window Motors Window Mechanism Wiper Motor Wiper Mechanism Electric Horn SmartTop Control Units Ignition Switch Indicator / Wiper Stalk Switch Roof / Sun Roof Switch Relays / Fuses Washer pumps / bottles / jets Alarms / Security / Central Locking Electronic Control Units Wiper Switches Dashboard / Console Parts & Switches Door Mirror Switch All Categories
-
-
Body & Exhaust
-
- Chassis / Bodywork Restoration Chassis / Repair Panels Front Lid Damper Rear Lid Damper Bonnets / Locks & Latches Boots / Rear Lid / Locks and Latches Rear lid / Tailgate Bumpers Front Bumpers Rear Door Handles | Locks | Keys Door Panels | Hinges | Striker Plates Window Lifters | Motors Wings Front & Parts Wings Rear & Parts Side Sill Panels Exterior Chassis Mouldings Mirrors & Parts Stone Chip Foils / Stickers Undertrays Chassis & Engine Front Wiper Arms & Blades Rear Wiper Arms & Blades Wheel Arch Liners & Covers Roof - Cabrio / Targa / Coupe / Speedster All Categories
-
-
Lubricants & Fluids
-
- Service Parts Service Kits Service Kits OE Parts Oil Filters Air Filters Pollen/Particle Filters Fuel Filters Belts All Types Spark Plugs IRIDIUM POWER Spark Plugs IRIDIUM RACING Spark Plugs Front Wiper Arms & Blades Rear Wiper Arms & Blades Gearbox Service Parts Porsche Classic Motor oil Engine Oil & Lubricants - Mobil Engine Oil & Lubricants - Total Engine Oil & Lubricants - Castrol Engine Oil & Lubricants - Motul Engine Oil & Lubricants - Millers Oils NanoDrive Engine Oil & Lubricants - Millers Oils Fuel Additives Garage PPE
-
-
All Parts
-
- Parts Accessories Chassis / Bodywork Brakes Clothing & Gifts Electrical & Relays Engine Cooling Engine Electrical Engine Rebuild Parts Engine Tuning Exhausts Exterior Styling / Spoilers Gearbox / Transmission Heating / Air Conditioning Hydraulics Interior & Accessories Incar / Multimedia Lighting Mats & Carpets Motorsport and Off-Road Pedal Cluster Rubber Seals Seats & Seat Belts All Categories
-
- Back to main website
Enter your VAT number here and click Verify:
Your details have been verified. VAT number registered to:
,
.
Your order will now be zero rated for VAT purposes. We reserve the right to verify these details after your order request has been made and reinstate VAT if required.
Your VAT details were not recognised or were invalid. Your VAT number must be matched to your Billing Country as specified above. This is currently specified as . You do not need to enter the country code part of your VAT number as this has already been selected in your billing address details above.
The VAT number checking service is currently offline. Please supply your VAT details within the comments or special instructions field below and we will apply a VAT discount after placing your order request.
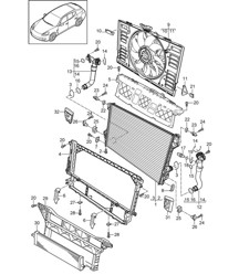
Radiator Support Upper. Porsche 970 Panamera ❭ 97010666103
- Porsche 970.1 Panamera V6 3.6L 2WD 2009-13
- Porsche 970.1 Panamera 4 V6 3.6L 4WD 2009-13
- Porsche 970.1 Panamera S V8 4.8L 2009-13
- Porsche 970.1 Panamera 4S V8 4.8L 2009-13
- Porsche 970.1 Panamera GTS V8 4.8L 2011-13
- Porsche 970.1 Panamera Turbo V8 4.8L 2009-13
- Porsche 970.1 Panamera Turbo S V8 4.8L 2009-13
- Porsche 970.1 Panamera Diesel V6 3.0L 2011-13
- Porsche 970.1 Panamera S Hybrid V6 3.0L 2011-13
Fits:
Porsche 970 Panamera 2010-14
Click 'Zoom in' for large parts diagram
Diagram ref no 23
Related reference numbers
Related, superseded, cross reference or alternative numbers for comparison.
97010666103
The product you are viewing cross references to these numbers
- Porsche 944 2.5L 8V 1982-87
- Porsche 944 2.7L 8V 1988-89
- Porsche 944S 2.5L 16V 1987-88
- Porsche 944S2 3.0L 16V 1989-91
- Porsche 944 Turbo 2.5L 8V 1985-88
- Porsche 944 Turbo 2.5L 8V 1989-91
- Porsche 944 Turbo S 2.5L 8V 1988
- Porsche 968 3.0L 1992-94
- Porsche 968 Sport 3.0L 1994-95
- Porsche 968 CS 3.0L 1993-95
- Porsche 968 Turbo S 3.0L 1993-94
3 Pin General for cars with aircon (Option M573)

Fits:
Porsche 944 1985-91 Turbo and cars with air con
Porsche 968 1992-95
Click 'Zoom in' for large parts diagram.
Diagram Ref No 5.
Related reference numbers
Related, superseded, cross reference or alternative numbers for comparison.
95160648100
The product you are viewing cross references to these numbers
- Porsche 968 3.0L 1992-94
- Porsche 968 Sport 3.0L 1994-95
- Porsche 968 CS 3.0L 1993-95
- Porsche 968 Turbo S 3.0L 1993-94
Fits:
Porsche 968 1992-95
Porsche 968 CS 1992-95
Porsche 968 TURBO S 1992-95
Engine Type: M44.43 / M44.44 / M44.60
Click 'Zoom in' for large parts diagram.
Diagram Ref No 1.
Related reference numbers
Related, superseded, cross reference or alternative numbers for comparison.
95110603108
The product you are viewing cross references to these numbers
- Porsche 924S 2.5L 1986-87
- Porsche 924S 2.5L 1988
- Porsche 944 2.7L 8V 1988-89
- Porsche 944S 2.5L 16V 1987-88
- Porsche 944S2 3.0L 16V 1989-91
- Porsche 944 Turbo 2.5L 8V 1985-88
- Porsche 944 Turbo 2.5L 8V 1989-91
- Porsche 944 Turbo S 2.5L 8V 1988
- Porsche 968 3.0L 1992-94
- Porsche 968 Sport 3.0L 1994-95
- Porsche 968 CS 3.0L 1993-95
- Porsche 968 Turbo S 3.0L 1993-94
M10 x 1.5

Fits:
Porsche 924S
Porsche 944 - 1987 onwards
Porsche 968
Click picture for large parts diagram.
Diagram Ref No 25
Related reference numbers
Related, superseded, cross reference or alternative numbers for comparison.
94410635301
The product you are viewing cross references to these numbers
Monday-Friday: 8.30am - 5.30pm (GMT)
Saturday: Closed
Sunday: Closed