Enter your VAT number here and click Verify:
Your details have been verified. VAT number registered to:
,
.
Your order will now be zero rated for VAT purposes. We reserve the right to verify these details after your order request has been made and reinstate VAT if required.
Your VAT details were not recognised or were invalid. Your VAT number must be matched to your Billing Country as specified above. This is currently specified as . You do not need to enter the country code part of your VAT number as this has already been selected in your billing address details above.
The VAT number checking service is currently offline. Please supply your VAT details within the comments or special instructions field below and we will apply a VAT discount after placing your order request.
Oil Level Dipstick
- Porsche 356B 1959-63
- Porsche 356C 1963-65

Fits:
Porsche 356 B T6
Porsche 356 C
For cars with Oil Filler - part number 616 107 081 00
Laser cut and zinc plated.
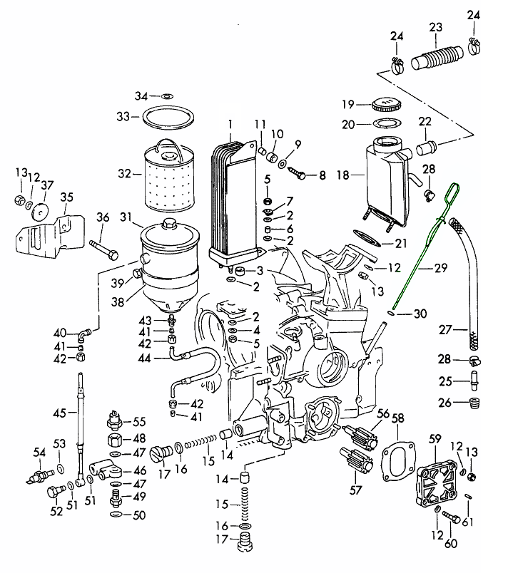
Click 'Zoom in' for large parts diagram.
Diagram ref no 19
Related reference numbers
Related, superseded, cross reference or alternative numbers for comparison.
61610664500
The product you are viewing cross references to these numbers
- Porsche 911 1965-1968 2.0L / 912 SWB (F)
- Porsche 356 1950-55
- Porsche 356A 1955-59
- Porsche 356B 1959-63
- Porsche 356C 1963-65
Fits:
Porsche 356 1950-65
Porsche 912 1965-69
Click 'Zoom in' for large parts diagram.
Diagram ref no 29
Related reference numbers
Related, superseded, cross reference or alternative numbers for comparison.
61607070
The product you are viewing cross references to these numbers
Accurate Oil Level Dipsticks for Reliable Engine Protection
The oil level dipstick is one of the most essential tools within an engine’s lubrication system. Designed to provide an accurate reading of the engine’s oil level, the dipstick helps drivers and technicians maintain proper oil quantity—ensuring the engine is fully lubricated and protected from wear. A clear, reliable oil reading is vital for preventing overheating, friction damage and premature engine failure.
Whether performing routine checks, servicing your vehicle or restoring a classic model, a correctly functioning dipstick is crucial for engine longevity and reliability.
What Oil Level Dipsticks Do
Oil dipsticks serve several important purposes within the
oil system:
- Provide
accurate oil level readings to prevent underfilling or overfilling
- Help
monitor oil condition, such as colour and contamination
- Assist in diagnosing leaks or excessive oil consumption
- Ensure correct lubrication during high-performance or high-temperature driving
- Support regular maintenance routines by offering quick, easy inspection
A high-quality dipstick is essential for both everyday users and performance-focused drivers.
Why Oil Level Dipsticks Commonly Fail
Although simple in design, dipsticks are exposed to constant
heat cycles, oil contact and mechanical handling. Over time, they may fail due
to:
- Cracked, bent or warped dipstick blades
- Faded
or worn measurement markings causing inaccurate readings
- Broken or loose dipstick handles or seals
- Corrosion
from moisture or long-term oil exposure
- Dipstick tubes becoming blocked or damaged
- Improper removal, force or misalignment during checks
A faulty dipstick can lead to misleading oil readings, which may result in running the engine with too little or too much oil—and both can cause major engine damage.
Why You Should Replace a Worn or Damaged Oil Dipstick
Replacing a worn dipstick with a high-quality,
precision-made alternative built to match original performance standards
ensures you always have reliable, accurate oil level information. Accurate
readings prevent lubrication issues and protect the engine during everyday
driving as well as spirited or high-load conditions.
Benefits of replacing your dipstick include:
- Restored accuracy in oil level measurement
- Prevention of engine wear caused by low lubrication
- Better monitoring of oil condition and consumption
- Improved sealing to keep contaminants out of the dipstick tube
- Long-lasting durability under constant heat and oil exposure
This small, inexpensive component plays a major role in maintaining engine health.