Enter your VAT number here and click Verify:
Your details have been verified. VAT number registered to:
,
.
Your order will now be zero rated for VAT purposes. We reserve the right to verify these details after your order request has been made and reinstate VAT if required.
Your VAT details were not recognised or were invalid. Your VAT number must be matched to your Billing Country as specified above. This is currently specified as . You do not need to enter the country code part of your VAT number as this has already been selected in your billing address details above.
The VAT number checking service is currently offline. Please supply your VAT details within the comments or special instructions field below and we will apply a VAT discount after placing your order request.
Oil Filter Housing
- Porsche 911 1965-1968 2.0L / 912 SWB (F)
- Porsche 356 1950-55
- Porsche 356A 1955-59
- Porsche 356B 1959-63
- Porsche 356C 1963-65

Fits:
Porsche 912 1965-69
Porsche 356 1950-65 all models
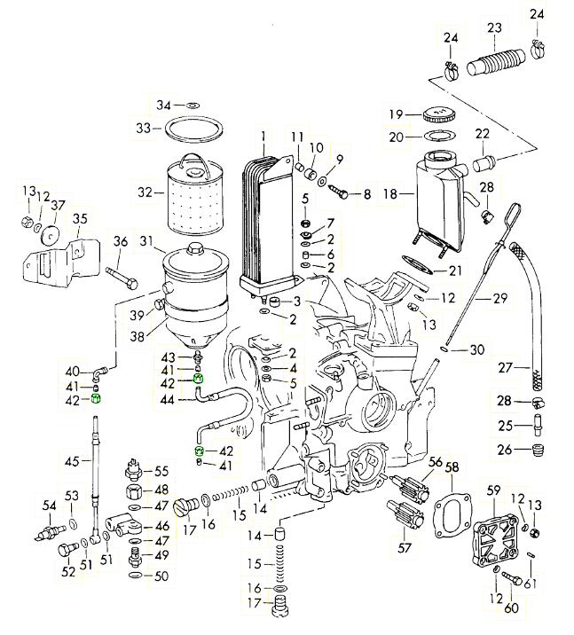
Click 'Zoom in' for large parts diagram.
Diagram ref no 34
Related reference numbers
Related, superseded, cross reference or alternative numbers for comparison.
90012301920
The product you are viewing cross references to these numbers
- Porsche 356B 1959-63
- Porsche 356C 1963-65
Fits:
Porsche 356A Carrera / Carrera GT - 1959 (engine type 6920, 6921, 6922)
Porsche 356B GS - 1962 to 1963 (engine type 5871)
Porsche 356B Carrera GS / Carrera GT - 1962 to 1963 (engine type 5872)
Porsche 356B Carrera GT - 1960 (engine type 6923)
Porsche 356B Carrera GT / Arbarth GLT - 1962 (engine type 6923)
Bracket finished in stove enamelled gloss black
Diagram ref no 34Related reference numbers
Related, superseded, cross reference or alternative numbers for comparison.
54710725000
The product you are viewing cross references to these numbers
- Porsche 911 1965-1968 2.0L / 912 SWB (F)
- Porsche 356 1950-55
- Porsche 356A 1955-59
- Porsche 356B 1959-63
- Porsche 356C 1963-65
Sold each.

Fits:
Porsche 356 (1948 to 1965)
Porsche 912 (1965 to 1969)
Click 'Zoom in' for large parts diagram.
Diagram ref no 42
Related reference numbers
Related, superseded, cross reference or alternative numbers for comparison.
9001040010C
The product you are viewing cross references to these numbers
Engine Oil Filter Housings – Reliable Protection for Porsche Lubrication Systems
The engine oil filter housing plays a critical role in your Porsche’s lubrication system, securely enclosing the oil filter while regulating oil flow throughout the engine. It maintains proper pressure, prevents leaks, and ensures that oil is efficiently filtered before reaching critical moving components — protecting your engine from premature wear and contamination.
At Design911, we offer a comprehensive selection of oil filter housings and related components designed for long-lasting reliability and a perfect fit. Constructed from high-grade aluminium, reinforced polymers, or composite materials, these housings are engineered to deliver maximum durability, leak-free performance, and precise compatibility with Porsche engines.
Whether you’re servicing a modern 992 or maintaining a classic air-cooled 911, our oil filter housings provide dependable sealing, pressure stability, and performance that meets the demands of everyday and high-performance driving.
What Does an Oil Filter Housing Do?
The oil filter housing is responsible for mounting the oil filter securely and directing the flow of engine oil through it.
Core Functions:
- Holds
and seals the oil filter element in place.
- Regulates
oil pressure and flow within the lubrication circuit.
- Prevents
leaks through precision sealing surfaces.
- Ensures filtered oil reaches all critical engine components.
- Integrates with temperature and pressure sensors in some Porsche models.
A properly functioning oil filter housing ensures that the engine is always supplied with clean, well-pressurised oil — essential for longevity and consistent performance.
Why Do Oil Filter Housings Fail?
Due to constant exposure to heat, oil pressure, and vibration, oil filter housings can wear out or become damaged over time.
Common Causes of Failure Include:
- Cracks
or warping caused by heat cycles or over-tightening.
- Degraded
seals or O-rings, leading to leaks.
- Contaminant
build-up affecting oil pressure regulation.
- Thread
damage during filter installation or removal.
- Material fatigue in older or high-mileage vehicles.
Symptoms of housing failure include oil leaks near the filter area, fluctuating oil pressure, or visible cracks, all of which can compromise lubrication and engine safety.
Why Replace Oil Filter Housings?
Replacing a worn or cracked oil filter housing ensures proper oil pressure, efficient filtration, and leak-free operation. Our precision-engineered housings are manufactured using advanced materials and modern casting or CNC machining techniques, guaranteeing reliability under all operating conditions.
Key Benefits:
- Restores proper oil circulation and pressure balance.
- Prevents oil leaks and contamination.
- Improves filtration efficiency and engine protection.
- Constructed from heat- and corrosion-resistant materials.
- Direct-fit
compatibility for a wide range of Porsche models.
- Ideal for regular servicing, rebuilds, or preventive maintenance.
A replacement oil filter housing not only restores performance but also ensures the longevity of your Porsche’s engine and lubrication system.
Highlights:
- High-quality Porsche oil filter housings and sealing components.
- Precision-engineered for strength, heat resistance, and leak prevention.
- Improves oil system reliability and efficiency.
- Suitable for classic air-cooled and modern water-cooled Porsche models.
- Direct-fit replacements for easy installation.
- Perfect for rebuilds, maintenance, or performance servicing.