Enter your VAT number here and click Verify:
Your details have been verified. VAT number registered to:
,
.
Your order will now be zero rated for VAT purposes. We reserve the right to verify these details after your order request has been made and reinstate VAT if required.
Your VAT details were not recognised or were invalid. Your VAT number must be matched to your Billing Country as specified above. This is currently specified as . You do not need to enter the country code part of your VAT number as this has already been selected in your billing address details above.
The VAT number checking service is currently offline. Please supply your VAT details within the comments or special instructions field below and we will apply a VAT discount after placing your order request.
Air con belts
- Porsche 924 2.0L 1976-79
- Porsche 924 2.0L 1980-85
- Porsche 924 Turbo 2.0L 1979-81
- Porsche 924 Turbo 2.0L 1982-84
- Porsche 924 Carrera GT 2.0L 1981
- Porsche 924 Carrera GTS 2.0L 1982
- Porsche 924S 2.5L 1986-87
- Porsche 924S 2.5L 1988
Belt size: 875 mm X 13 mm

Fits:
Porsche 924 1976-85
Related reference numbers
Related, superseded, cross reference or alternative numbers for comparison.
047260849A
The product you are viewing cross references to these numbers
- Porsche 924S 2.5L 1986-87
- Porsche 924S 2.5L 1988
- Porsche 944 2.5L 8V 1982-87
- Porsche 944 2.7L 8V 1988-89
- Porsche 944S 2.5L 16V 1987-88
- Porsche 944S2 3.0L 16V 1989-91
- Porsche 944 Turbo 2.5L 8V 1985-88
- Porsche 944 Turbo 2.5L 8V 1989-91
- Porsche 944 Turbo S 2.5L 8V 1988
- Porsche 968 3.0L 1992-94
- Porsche 968 Sport 3.0L 1994-95
- Porsche 968 Turbo S 3.0L 1993-94

Fits:
Porsche 924s 1986-88 Cars with air conditioning
Porsche 944 1985-91 Cars with air conditioning
Porsche 968 1992-95 Cars with air conditioning
Related reference numbers
Related, superseded, cross reference or alternative numbers for comparison.
99919229951
The product you are viewing cross references to these numbers
- Porsche 924S 2.5L 1986-87
- Porsche 924S 2.5L 1988
- Porsche 944 2.5L 8V 1982-87
- Porsche 944 2.7L 8V 1988-89
- Porsche 944S 2.5L 16V 1987-88
- Porsche 944S2 3.0L 16V 1989-91
- Porsche 944 Turbo 2.5L 8V 1985-88
- Porsche 944 Turbo 2.5L 8V 1989-91
- Porsche 944 Turbo S 2.5L 8V 1988
- Porsche 968 3.0L 1992-94
- Porsche 968 Sport 3.0L 1994-95
- Porsche 968 Turbo S 3.0L 1993-94
Fits:
Porsche 924s 1986-88 Cars with air conditioning
Porsche 944 1985-91 Cars with air conditioning
Porsche 968 1992-95 Cars with air conditioning
Related reference numbers
Related, superseded, cross reference or alternative numbers for comparison.
99919229952
The product you are viewing cross references to these numbers
- Porsche 924S 2.5L 1986-87
- Porsche 924S 2.5L 1988
- Porsche 944 2.5L 8V 1982-87
- Porsche 944 2.7L 8V 1988-89
- Porsche 944S 2.5L 16V 1987-88
- Porsche 944S2 3.0L 16V 1989-91
- Porsche 944 Turbo 2.5L 8V 1985-88
- Porsche 944 Turbo 2.5L 8V 1989-91
- Porsche 944 Turbo S 2.5L 8V 1988
- Porsche 968 3.0L 1992-94
- Porsche 968 Sport 3.0L 1994-95
- Porsche 968 CS 3.0L 1993-95
- Porsche 968 Turbo S 3.0L 1993-94
Fits:
Porsche 924S - 1986 to 1988
Porsche 944 - 1982 to 1991
Porsche 968 - 1992 to 1995
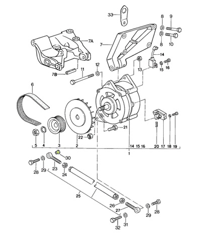
Diagram ref no 30
Related reference numbers
Related, superseded, cross reference or alternative numbers for comparison.
94412612701
The product you are viewing cross references to these numbers
Porsche Air Con Belts
At Design911, we supply a wide range of air con belts for Porsche models, helping you maintain, personalise and enjoy your car.
Why do Porsche Air Con Belts matter?
Air con belts sit within the auxiliary drive system on your Porsche and help the air conditioning compressor work as intended. When these parts wear, age or are incorrectly tensioned you can get issues such as squealing noises, loss of cooling, vibration or warning lights, so keeping them in good condition helps the car stay comfortable and dependable in daily use.
- Help the relevant system on your Porsche work as intended
- Reduce the chance of unexpected issues, noise, leaks or advisory notes
- Maintain comfort, refinement and everyday usability
- Support long-term reliability and resale value
Common options & kits
Individual replacement parts Specific items to address a particular area or issue without changing everything at once.
- Ideal for targeted repairs
- Lets you replace only what is needed
- Helps keep initial costs under control
Matched sets or pairs Components supplied together so both sides or related items are renewed at the same time.
- Consistent feel and performance
- Helps avoid uneven wear or behaviour
- A sensible choice for routine maintenance
Complete kits Grouped parts designed to refresh a whole system or area in one go, useful for upgrades and restorations.
- Everything specified in a single package
- Saves time compared with sourcing parts individually
- Ideal when upgrading or restoring your Porsche
Brands & quality options
At Design911, we stock genuine Porsche parts where available, plus OEM-equivalent and carefully selected aftermarket brands. This lets you choose between keeping things original, adding subtle upgrades or managing budgets on everyday maintenance.
Dansk Dansk supply a wide range of replacement components that allow older and newer Porsche models to stay on the road. Their catalogue focuses on practicality and coverage across many different generations.
Dayco Dayco is a leader in the Original Equipment Market, partnering with global manufacturers to develop high quality belt systems for Porsche models. Their products are widely used for reliable fitment and service life when replacing air con and auxiliary belts.
Gates Selecting the correct Gates part number and checking fitment details helps ensure the right belt for your specific Porsche model.
Meyle Meyle manufactures its own MEYLE-branded parts, supplying Porsche workshops in many countries. Their range focuses on reliable replacement components suitable for regular servicing and repair work.
OE Match OE Match offers a broad catalogue of Porsche components covering many generations. Choosing the right reference and cross-checking specifications helps you obtain an air con belt that matches your Porsche application.
When should you review or replace your Porsche air con belts?
Checking air con belts regularly helps you spot wear, damage or age-related deterioration before it affects safety, comfort or reliability.
- Existing parts are worn, noisy, cracked, frayed, corroded or contaminated
- You notice changes in cooling performance, belt squeal, vibration or unusual noises
- Warning messages, advisory notes or MOT comments appear
- You are upgrading the auxiliary drive system or working on a project or restoration
- You want extra peace of mind before a long trip or hot-weather driving
If any of these apply, it is a good time to review your air con belts and replace anything that is past its best so your Porsche stays dependable and enjoyable to drive.
Explore Porsche air con belts with Design911
Browse air con belts for Porsche at Design911 — from individual belts to complete auxiliary drive solutions — and find options to suit everyday maintenance, upgrades and full projects.