Enter your VAT number here and click Verify:
Your details have been verified. VAT number registered to:
,
.
Your order will now be zero rated for VAT purposes. We reserve the right to verify these details after your order request has been made and reinstate VAT if required.
Your VAT details were not recognised or were invalid. Your VAT number must be matched to your Billing Country as specified above. This is currently specified as . You do not need to enter the country code part of your VAT number as this has already been selected in your billing address details above.
The VAT number checking service is currently offline. Please supply your VAT details within the comments or special instructions field below and we will apply a VAT discount after placing your order request.
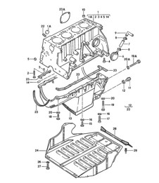
Crankcase Parts
- Porsche 924 Turbo 2.0L 1979-81
- Porsche 924 Turbo 2.0L 1982-84
Fits:
Porsche 924 Turbo 1979-84
Click 'Zoom in' for large parts diagram.
Diagram ref no 6.
Related reference numbers
Related, superseded, cross reference or alternative numbers for comparison.
93110706301
The product you are viewing cross references to these numbers
- Porsche 924S 2.5L 1986-87
- Porsche 924S 2.5L 1988
- Porsche 944 2.5L 8V 1982-87
- Porsche 944 2.7L 8V 1988-89
- Porsche 944S 2.5L 16V 1987-88
- Porsche 944S2 3.0L 16V 1989-91
- Porsche 944 Turbo 2.5L 8V 1985-88
- Porsche 944 Turbo 2.5L 8V 1989-91
- Porsche 944 Turbo S 2.5L 8V 1988
- Porsche 968 3.0L 1992-94
- Porsche 968 Sport 3.0L 1994-95
- Porsche 968 CS 3.0L 1993-95
- Porsche 968 Turbo S 3.0L 1993-94

Fits:
Porsche 924S 1986-88
Porsche 944 1982-91
Porsche 968 1992-95
Click 'Zoom in' for large parts diagram.
Diagram ref no 14.
Related reference numbers
Related, superseded, cross reference or alternative numbers for comparison.
90003403601
The product you are viewing cross references to these numbers
- Porsche 924S 2.5L 1986-87
- Porsche 924S 2.5L 1988
- Porsche 944 2.5L 8V 1982-87
- Porsche 944S 2.5L 16V 1987-88
- Porsche 944 Turbo 2.5L 8V 1985-88

Fits:
Porsche 924 S 1986-88
Porsche 944 2.5L 1982-85 with engine M44.01-M44.10
Porsche 944/2 2.5L 1986-89 with engine M44.01-M44.10
Porsche 944 Turbo 2.5L 1985-89 with engine M44.01-M44.10
Porsche 944 S 2.5L 1987-88 with engine M44.01-M44.10
Related reference numbers
Related, superseded, cross reference or alternative numbers for comparison.
94410096000
The product you are viewing cross references to these numbers
- Porsche 911 1974-1977 2.7L / 1976-77 3.0 Carrera
- Porsche 911 1978-1983 3.0L / SC
- Porsche 911 1984-1986 3.2L
- Porsche 911 1987-1989 3.2L G50
- Porsche 911 1978-1989 3.3L Turbo (930)
- Porsche 964 (911) C2 1989-93
- Porsche 964 (911) C4 1989-93
- Porsche 964 (911) RS 3.6L 1991-93
- Porsche 964 (911) RS 3.8L 1991-93
- Porsche 964 (911) TURBO 3.3L 1991-93
- Porsche 964 (911) TURBO 3.6L 1991-93
- Porsche 993 (911) C2 1994-97
- Porsche 993 (911) C4 1994-97
- Porsche 993 (911) RS 1994-97
- Porsche 993 (911) C2S 1994-97
- Porsche 993 (911) C4S 1994-97
- Porsche 993 (911) TURBO 1994-96
- Porsche 993 (911) GT2 1994-97
- Porsche 993 (911) TURBO S 1994-97
- Porsche 996 TURBO 2000-05
- Porsche 996 GT2 2001-05
- Porsche 996 GT3 MKI 1999-02
- Porsche 996 GT3 MKII 2003>>
- Porsche 996 GT3 RS 2003-04
- Porsche 924S 2.5L 1986-87
- Porsche 924S 2.5L 1988
- Porsche 944 2.5L 8V 1982-87
- Porsche 944 2.7L 8V 1988-89
- Porsche 944S 2.5L 16V 1987-88
- Porsche 944S2 3.0L 16V 1989-91
- Porsche 944 Turbo 2.5L 8V 1985-88
- Porsche 944 Turbo 2.5L 8V 1989-91
- Porsche 944 Turbo S 2.5L 8V 1988
- Porsche 968 3.0L 1992-94
- Porsche 968 Sport 3.0L 1994-95
- Porsche 968 CS 3.0L 1993-95
- Porsche 968 Turbo S 3.0L 1993-94
- Porsche 928 4.5L 1978-82
- Porsche 928S 4.7L 1981-83
- Porsche 928S2 4.7L 1984-86
- Porsche 928S4 5.0L 1987-92
- Porsche 928GT 5.0L 1989-91
- Porsche 928GTS 5.4L 1992-95
Fits:
Porsche 911 3.2 Carrera - 1984 to 1989 Oil Drain Plug for side of crankcase
Porsche 911 - 1978 to 1984 Oil Drain plug for sump plate
Porsche 964 - 1989 to 1994
Porsche 993 - 1995 to 1998
Porsche 996 turbo / GT3 -
Porsche 924S - 1986 to 1988
Porsche 944 - 1982 to 1991
Porsche 968 - 1992 to 1995
Porsche 928 - 1978 to 1995
Diagram ref no 22
A magnetic sump oil drain plug is a type of oil drain plug that contains a small magnet designed to attract and capture metallic particles that may be present in your engine's oil. While this type of drain plug is not exclusive to Porsche and can be used in various vehicles, it can provide several benefits, including:
Improved Engine Longevity: The magnet in the drain plug helps to capture tiny metal particles, such as iron, steel, or aluminum, that may circulate in the engine oil. Removing these particles can reduce wear and tear on engine components, potentially extending the engine's lifespan.
Enhanced Engine Performance: By reducing the presence of contaminants in the oil, a magnetic drain plug can help maintain the oil's lubricating properties, which is crucial for smooth engine operation. Clean oil can also contribute to improved fuel efficiency.
Early Detection of Problems: As the magnetic drain plug collects metallic debris, it can serve as an early warning system. By inspecting the drain plug during oil changes, you can get an idea of the engine's condition and detect any unusual wear or damage before it becomes a major issue.
Reduced Maintenance Costs: Regularly inspecting and cleaning a magnetic drain plug can prevent larger issues from developing over time. Addressing potential problems early can save you money on more extensive repairs down the road.
Peace of Mind: Knowing that you are taking steps to protect your engine from premature wear and tear can give you peace of mind as a vehicle owner. It's a relatively inexpensive and simple modification that can provide added assurance.
Easy Installation: Magnetic drain plugs are typically straightforward to install. They often replace the existing drain plug and require no special tools or modifications.
While magnetic drain plugs can offer these benefits, it's essential to remember that they are not a substitute for regular oil changes and proper maintenance. Regular oil changes with the appropriate oil and filter are still crucial for the health and longevity of your engine. Additionally, magnetic drain plugs may not capture all types of contaminants, so they should be seen as a supplementary measure rather than a comprehensive solution.
Related reference numbers
Related, superseded, cross reference or alternative numbers for comparison.
94410719711
The product you are viewing cross references to these numbers
- Porsche 911 1974-1977 2.7L / 1976-77 3.0 Carrera
- Porsche 911 1978-1983 3.0L / SC
- Porsche 911 1984-1986 3.2L
- Porsche 911 1987-1989 3.2L G50
- Porsche 911 1978-1989 3.3L Turbo (930)
- Porsche 964 (911) C2 1989-93
- Porsche 964 (911) C4 1989-93
- Porsche 964 (911) RS 3.6L 1991-93
- Porsche 964 (911) RS 3.8L 1991-93
- Porsche 964 (911) TURBO 3.3L 1991-93
- Porsche 964 (911) TURBO 3.6L 1991-93
- Porsche 993 (911) C2 1994-97
- Porsche 993 (911) C4 1994-97
- Porsche 993 (911) RS 1994-97
- Porsche 993 (911) C2S 1994-97
- Porsche 993 (911) C4S 1994-97
- Porsche 993 (911) TURBO 1994-96
- Porsche 993 (911) GT2 1994-97
- Porsche 993 (911) TURBO S 1994-97
- Porsche 996 TURBO 2000-05
- Porsche 996 GT2 2001-05
- Porsche 996 GT3 MKI 1999-02
- Porsche 996 GT3 MKII 2003>>
- Porsche 996 GT3 RS 2003-04
- Porsche 924S 2.5L 1986-87
- Porsche 924S 2.5L 1988
- Porsche 944 2.5L 8V 1982-87
- Porsche 944 2.7L 8V 1988-89
- Porsche 944S 2.5L 16V 1987-88
- Porsche 944S2 3.0L 16V 1989-91
- Porsche 944 Turbo 2.5L 8V 1985-88
- Porsche 944 Turbo 2.5L 8V 1989-91
- Porsche 944 Turbo S 2.5L 8V 1988
- Porsche 968 3.0L 1992-94
- Porsche 968 Sport 3.0L 1994-95
- Porsche 968 CS 3.0L 1993-95
- Porsche 968 Turbo S 3.0L 1993-94
- Porsche 928 4.5L 1978-82
- Porsche 928S 4.7L 1981-83
- Porsche 928S2 4.7L 1984-86
- Porsche 928S4 5.0L 1987-92
- Porsche 928GT 5.0L 1989-91
- Porsche 928GTS 5.4L 1992-95
Fits:
Porsche 911 3.2 Carrera - 1984 to 1989 Oil Drain Plug for side of crankcase
Porsche 911 - 1978 to 1984 Oil Drain plug for sump plate
Porsche 964 - 1989 to 1994
Porsche 993 - 1995 to 1998
Porsche 996 turbo / GT3 -
Porsche 924S - 1986 to 1988
Porsche 944 - 1982 to 1991
Porsche 968 - 1992 to 1995
Porsche 928 - 1978 to 1995
Diagram ref no 22
Related reference numbers
Related, superseded, cross reference or alternative numbers for comparison.
94410719711
The product you are viewing cross references to these numbers
- Porsche 924S 2.5L 1986-87
- Porsche 924S 2.5L 1988
- Porsche 944 2.7L 8V 1988-89
- Porsche 944S 2.5L 16V 1987-88
- Porsche 944S2 3.0L 16V 1989-91
- Porsche 944 Turbo 2.5L 8V 1985-88
- Porsche 944 Turbo 2.5L 8V 1989-91
- Porsche 944 Turbo S 2.5L 8V 1988
- Porsche 968 3.0L 1992-94
- Porsche 968 Sport 3.0L 1994-95
- Porsche 968 CS 3.0L 1993-95
- Porsche 968 Turbo S 3.0L 1993-94
Fits:
Porsche 924S 1986-88
Porsche 944 1987-91
Porsche 968 1992-95
Click "Zoom in" for the large parts diagram.
Diagram ref no 44.
Related reference numbers
Related, superseded, cross reference or alternative numbers for comparison.
94410123302
The product you are viewing cross references to these numbers
- Porsche 924S 2.5L 1986-87
- Porsche 924S 2.5L 1988
- Porsche 944 2.5L 8V 1982-87
- Porsche 944 2.7L 8V 1988-89
- Porsche 944S 2.5L 16V 1987-88
- Porsche 944S2 3.0L 16V 1989-91
- Porsche 944 Turbo 2.5L 8V 1985-88
- Porsche 944 Turbo 2.5L 8V 1989-91
- Porsche 944 Turbo S 2.5L 8V 1988
- Porsche 968 3.0L 1992-94
- Porsche 968 Sport 3.0L 1994-95
- Porsche 968 CS 3.0L 1993-95
- Porsche 968 Turbo S 3.0L 1993-94
Fits:
Porsche 924S 1987 - 1988
* from engine numbers 43H05633 and 43H31344
Porsche 944 / 944S / 944S2 / turbo 1987 - 1991
* from engine numbers
41H 00420 >>
41H 20125 >>
43H 05638 >>
43H 61344 >>
42H 03028 >>
Porsche 968 1992 - 1995
Diagram ref no 35
Related reference numbers
Related, superseded, cross reference or alternative numbers for comparison.
94410703207
The product you are viewing cross references to these numbers
- Porsche 924S 2.5L 1986-87
- Porsche 924S 2.5L 1988
- Porsche 944 2.5L 8V 1982-87
- Porsche 944 2.7L 8V 1988-89
- Porsche 944S 2.5L 16V 1987-88
- Porsche 944S2 3.0L 16V 1989-91
- Porsche 944 Turbo 2.5L 8V 1985-88
- Porsche 944 Turbo 2.5L 8V 1989-91
- Porsche 944 Turbo S 2.5L 8V 1988
- Porsche 968 3.0L 1992-94
- Porsche 968 Sport 3.0L 1994-95
- Porsche 968 CS 3.0L 1993-95
- Porsche 968 Turbo S 3.0L 1993-94
Fits:
Porsche 924S - 1987 to 1988 - from engine numbers 43H05633 and 43H31344
Porsche 944 / 944S / 944S2 / turbo - 1987 to 1991 - from engine numbers
41H 00420 >>
41H 20125 >>
43H 05638 >>
43H 61344 >>
42H 03028 >>
Porsche 968 - 1992 to 1995
Diagram ref no 35
Related reference numbers
Related, superseded, cross reference or alternative numbers for comparison.
94410703207
The product you are viewing cross references to these numbers
- Porsche 924 2.0L 1976-79
- Porsche 924 2.0L 1980-85
- Porsche 924 Turbo 2.0L 1979-81
- Porsche 924 Turbo 2.0L 1982-84
- Porsche 924 Carrera GT 2.0L 1981
- Porsche 924 Carrera GTS 2.0L 1982
Fits:
Porsche 924 2.0ltr - 1976 to 1985
Porsche 924 turbo - 1979 to 1984
Diagram Ref No. 23
Related reference numbers
Related, superseded, cross reference or alternative numbers for comparison.
060198041A
The product you are viewing cross references to these numbers
- Porsche 924 2.0L 1976-79
- Porsche 924 2.0L 1980-85
- Porsche 924 Turbo 2.0L 1979-81
- Porsche 924 Turbo 2.0L 1982-84
- Porsche 924 Carrera GT 2.0L 1981
- Porsche 924 Carrera GTS 2.0L 1982

Fits:
Porsche 924 1976-85
Click 'Zoom in' for large parts diagram.
Diagram Ref No. 23
Related reference numbers
Related, superseded, cross reference or alternative numbers for comparison.
060198041A
The product you are viewing cross references to these numbers
- Porsche 924S 2.5L 1986-87
- Porsche 924S 2.5L 1988
- Porsche 944 2.5L 8V 1982-87
- Porsche 944 2.7L 8V 1988-89
- Porsche 944S 2.5L 16V 1987-88
- Porsche 944S2 3.0L 16V 1989-91
- Porsche 944 Turbo 2.5L 8V 1985-88
- Porsche 944 Turbo 2.5L 8V 1989-91
- Porsche 944 Turbo S 2.5L 8V 1988
- Porsche 968 3.0L 1992-94
- Porsche 968 Sport 3.0L 1994-95
- Porsche 968 CS 3.0L 1993-95
- Porsche 968 Turbo S 3.0L 1993-94
Fits:
Porsche 924S 1986-88
Porsche 944 1982-91
Porsche 968 1992-95
Diagram ref no 28.
Related reference numbers
Related, superseded, cross reference or alternative numbers for comparison.
94410120504
The product you are viewing cross references to these numbers
- Porsche 924S 2.5L 1986-87
- Porsche 924S 2.5L 1988
- Porsche 944 2.5L 8V 1982-87
- Porsche 944 2.7L 8V 1988-89
- Porsche 944S 2.5L 16V 1987-88
- Porsche 944S2 3.0L 16V 1989-91
- Porsche 944 Turbo 2.5L 8V 1985-88
- Porsche 944 Turbo 2.5L 8V 1989-91
- Porsche 944 Turbo S 2.5L 8V 1988
- Porsche 968 3.0L 1992-94
- Porsche 968 Sport 3.0L 1994-95
- Porsche 968 CS 3.0L 1993-95
- Porsche 968 Turbo S 3.0L 1993-94
Fits:
Porsche 924S 1986-88
Porsche 944 1982-91
Porsche 968 1992-95
Diagram ref no 28.
Related reference numbers
Related, superseded, cross reference or alternative numbers for comparison.
94410120504
The product you are viewing cross references to these numbers
- Porsche 964 (911) C2 1989-93
- Porsche 964 (911) C4 1989-93
- Porsche 964 (911) RS 3.6L 1991-93
- Porsche 964 (911) RS 3.8L 1991-93
- Porsche 964 (911) TURBO 3.3L 1991-93
- Porsche 964 (911) TURBO 3.6L 1991-93
- Porsche 993 (911) C2 1994-97
- Porsche 993 (911) C4 1994-97
- Porsche 993 (911) RS 1994-97
- Porsche 993 (911) C2S 1994-97
- Porsche 993 (911) C4S 1994-97
- Porsche 993 (911) TURBO 1994-96
- Porsche 993 (911) GT2 1994-97
- Porsche 993 (911) TURBO S 1994-97
- Porsche 996 TURBO 2000-05
- Porsche 996 GT2 2001-05
- Porsche 996 GT3 MKI 1999-02
- Porsche 924S 2.5L 1986-87
- Porsche 924S 2.5L 1988
- Porsche 944 2.5L 8V 1982-87
- Porsche 944 2.7L 8V 1988-89
- Porsche 944S 2.5L 16V 1987-88
- Porsche 944S2 3.0L 16V 1989-91
- Porsche 944 Turbo 2.5L 8V 1985-88
- Porsche 944 Turbo 2.5L 8V 1989-91
- Porsche 944 Turbo S 2.5L 8V 1988
- Porsche 968 3.0L 1992-94
- Porsche 968 Sport 3.0L 1994-95
- Porsche 968 CS 3.0L 1993-95
- Porsche 968 Turbo S 3.0L 1993-94
- Porsche 928S4 5.0L 1987-92
- Porsche 928GT 5.0L 1989-91
- Porsche 928GTS 5.4L 1992-95
Fitting Position: Transmission End, Inner Diameter: 90 mm, Outer diameter: 110 mm, Width: 12 mm, Radial Shaft Seal Design

Fits:
Porsche 964 1989-94
Porsche 993 1994-98
Porsche 996 Turbo / GT2 / GT3 MKI
Porsche 944 - All models including 944S, 944 Turbo & 944S2 built 1982-1991
Porsche 924S - All models built 1986-1988
Porsche 928 - All models built 1986-1995
Porsche 968 - All models built 1992-1995
Click 'Zoom in' for large parts diagram.
Diagram Ref No. 21
Related reference numbers
Related, superseded, cross reference or alternative numbers for comparison.
99911342641
The product you are viewing cross references to these numbers
- Porsche 964 (911) C2 1989-93
- Porsche 964 (911) C4 1989-93
- Porsche 964 (911) RS 3.6L 1991-93
- Porsche 964 (911) RS 3.8L 1991-93
- Porsche 964 (911) TURBO 3.3L 1991-93
- Porsche 964 (911) TURBO 3.6L 1991-93
- Porsche 993 (911) C2 1994-97
- Porsche 993 (911) C4 1994-97
- Porsche 993 (911) RS 1994-97
- Porsche 993 (911) C2S 1994-97
- Porsche 993 (911) C4S 1994-97
- Porsche 993 (911) TURBO 1994-96
- Porsche 993 (911) GT2 1994-97
- Porsche 993 (911) TURBO S 1994-97
- Porsche 996 TURBO 2000-05
- Porsche 996 GT2 2001-05
- Porsche 996 GT3 MKI 1999-02
- Porsche 924S 2.5L 1986-87
- Porsche 924S 2.5L 1988
- Porsche 944 2.5L 8V 1982-87
- Porsche 944 2.7L 8V 1988-89
- Porsche 944S 2.5L 16V 1987-88
- Porsche 944S2 3.0L 16V 1989-91
- Porsche 944 Turbo 2.5L 8V 1985-88
- Porsche 944 Turbo 2.5L 8V 1989-91
- Porsche 944 Turbo S 2.5L 8V 1988
- Porsche 968 3.0L 1992-94
- Porsche 968 Sport 3.0L 1994-95
- Porsche 968 CS 3.0L 1993-95
- Porsche 968 Turbo S 3.0L 1993-94
- Porsche 928 4.5L 1978-82
- Porsche 928S 4.7L 1981-83
- Porsche 928S2 4.7L 1984-86
- Porsche 928S4 5.0L 1987-92
- Porsche 928GT 5.0L 1989-91
- Porsche 928GTS 5.4L 1992-95
Fitting Position: Transmission End, Inner Diameter: 90 mm, Outer diameter: 110 mm, Width: 12 mm, Radial Shaft Seal Design.
Fits:
Porsche 964 1989-94
Porsche 993 1994-98
Porsche 996 Turbo / GT2 / GT3 MKI
Porsche 944 - All models including 944S, 944 Turbo &
944 S2 built 1982-1991
Porsche 924S - All models built 1986-1988
Porsche 928 - All models built 1986-1995
Porsche 968 - All models built 1992-1995
Diagram Ref No. 21
Related reference numbers
Related, superseded, cross reference or alternative numbers for comparison.
99911342641
The product you are viewing cross references to these numbers
-
Cylinder block with pistons, Oil pan, Protective plate f. engine, 924 1976-79 101-010
-
Maintenance set / Gasket set / Repair kit 924 1976-79 198-000
-
Central tube 924 1976-79 301-000
-
Central tube 924 TURBO 1979 301-005
-
Replacement transmission / Transmission case / 4-speed 924 1976-79 302-000
-
Rear axle carrier / Rear axle link 924 1976-79 501-000
-
Stabiliser / Vibration damper 924 1976-79 502-000
-
Cylinder block with Pistons Oil pan Protective plate f. engine 924 1980 - 1985 101-010
-
Maintenance set / Gasket set / Repair kit 924 1980 - 1985 198-000
-
Central tube - Manual transmission - G31.01/02/03 - 924 TURBO/GT 1980 -1985 301-005
-
Replacement transmission / Transmission case / Manual transmission - VQ VR UV MD ME MF MB MX 4Q 5Q 6Q - 924 1980 - 1985 302-000
-
Vibration damper / Stabiliser 924 1980 -1985 502-000
Precision Crankcase Parts – Strength, Balance, and Reliability for Porsche Engines
The crankcase forms the core of every Porsche engine, housing key rotating components such as the crankshaft, bearings, and connecting rods. It provides structural rigidity, oil containment, and precise alignment for the engine’s moving parts — making it critical to both performance and longevity.
At Design911, we offer a wide range of precision-engineered crankcase components, including bearing shells, seals, breather valves, dowels, plugs, and fasteners, all manufactured to exacting tolerances. Each part is crafted from high-strength, heat-resistant materials to ensure lasting durability and performance under the most demanding driving conditions.
Whether you’re restoring an air-cooled 911 or maintaining a modern 992, our manufacturer-quality crankcase parts ensure perfect fitment, oil-tight sealing, and reliable performance for years to come.
What Do Crankcase Parts Do?
Crankcase components perform vital structural and lubrication roles within the engine, protecting internal parts and maintaining pressure balance.
Core Functions:
- House and support the crankshaft, connecting rods, and bearings.
- Contain and distribute oil to lubricate moving components.
- Maintain structural rigidity to prevent vibration and misalignment.
- Control crankcase ventilation to reduce oil contamination and pressure build-up.
In performance and classic Porsche engines alike, the crankcase ensures stability, smooth rotation, and reliable oil management — key to consistent power and reduced wear.
Why Do Crankcase Parts Fail?
Over time, crankcase components can degrade due to heat cycles, vibration, oil contamination, and mechanical fatigue. When neglected, these failures can lead to oil leaks, pressure imbalance, and even catastrophic engine damage.
Common Causes of Failure Include:
- Oil seal wear causing leaks and pressure loss.
- Bearing fatigue from prolonged high load or low oil pressure.
- Warped surfaces due to overheating or corrosion.
- Clogged breather valves causing pressure build-up and oil blow-by.
- Fastener fatigue leading to structural loosening or vibration.
Replacing worn crankcase parts during an engine rebuild or maintenance interval is essential to preserve oil control, alignment, and crankshaft integrity.
Why Replace with Precision-Engineered Crankcase Parts?
High-quality crankcase components ensure your Porsche engine retains its strength, sealing capability, and precise alignment — essential for performance, reliability, and longevity.
Key Benefits:
- Restores internal alignment for smooth crankshaft rotation.
- Prevents oil leaks and pressure loss, maintaining engine performance.
- Improves lubrication control and bearing life.
- Reduces vibration and noise caused by worn or loose components.
- Crafted from corrosion- and heat-resistant materials for lasting strength.
- Perfect fitment and tolerance for air-cooled and water-cooled Porsche engines.
Engineers and restorers trust precision crankcase parts to maintain Porsche’s legendary reliability and mechanical balance — whether on the road or the track.
Highlights:
- Comprehensive range of crankcase seals, bearings, bolts, and breather components.
- Precision-machined parts designed for high-load, high-temperature performance.
- Manufacturer-quality materials and tolerances.
- Perfect for classic engine restorations and high-performance rebuilds.
- Improves oil management, structural rigidity, and reliability.
- Compatible with air-cooled and modern Porsche engine architectures.