Enter your VAT number here and click Verify:
Your details have been verified. VAT number registered to:
,
.
Your order will now be zero rated for VAT purposes. We reserve the right to verify these details after your order request has been made and reinstate VAT if required.
Your VAT details were not recognised or were invalid. Your VAT number must be matched to your Billing Country as specified above. This is currently specified as . You do not need to enter the country code part of your VAT number as this has already been selected in your billing address details above.
The VAT number checking service is currently offline. Please supply your VAT details within the comments or special instructions field below and we will apply a VAT discount after placing your order request.
Caliper Seals |Pistons
- Porsche 911 1965-1968 2.0L / 912 SWB (F)
- Porsche 911 1968-1973 2.2L / 2.4L / 2.7L RS LWB (F)
- Porsche 911 1974-1977 2.7L / 1976-77 3.0 Carrera
- Porsche 911 1978-1983 3.0L / SC
- Porsche 911 1984-1986 3.2L
- Porsche 911 1987-1989 3.2L G50
- Porsche 911 1975-1977 3.0L Turbo (930)
- Porsche 911 1978-1989 3.3L Turbo (930)
- Porsche 924 Turbo 2.0L 1979-81
- Porsche 924 Turbo 2.0L 1982-84
- Porsche 924 Carrera GT 2.0L 1981
- Porsche 924 Carrera GTS 2.0L 1982
- Porsche 924S 2.5L 1986-87
- Porsche 924S 2.5L 1988
- Porsche 944 2.5L 8V 1982-87
- Porsche 944 2.7L 8V 1988-89
- Porsche 944S 2.5L 16V 1987-88
- Porsche 928 4.5L 1978-82
- Porsche 928S 4.7L 1981-83
- Porsche 928S2 4.7L 1984-86
- Porsche 914 (1970-1976)
REAR / FRONT

Porsche 911 / 912 1965-68 FRONT
Porsche 911T/912 1969 FRONT
Porsche 911T / 911T-V / 911 T-E / 911 E 1970-73 FRONT
Porsche 911 / 911S m-caliper 1974-77 FRONT

Porsche 911 1969-77 REAR
Porsche 911 SC 1978-83 REAR
Porsche 911 Carrera 1984-89 REAR
Porsche 911 Turbo 1975-77 REAR

Porsche 914-6 1970-76 FRONT

Porsche 914-6/4 SB 1970-76 REAR
Porsche 924 TURBO / GT 1976-85 REAR
Porsche 924 S 1986-88 REAR
Porsche 928 1978-86 REAR
Porsche 944 1982-89 REAR
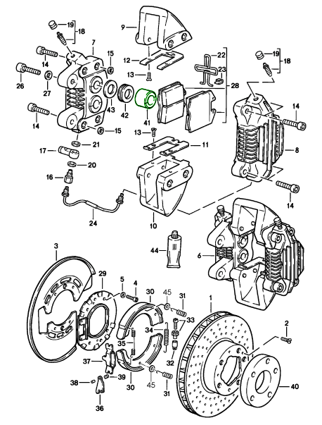
Click 'Zoom in' for large parts diagram.
Diagram ref no 12.
Related reference numbers
Related, superseded, cross reference or alternative numbers for comparison.
90135297710
The product you are viewing cross references to these numbers
- Porsche 911 1978-1989 3.3L Turbo (930)
Fits FRONT 38mm Piston.
Fits:
Porsche 911 (930) Turbo 1978>>1989
Diagram Ref No 37
Related reference numbers
Related, superseded, cross reference or alternative numbers for comparison.
93035154700
The product you are viewing cross references to these numbers
- Porsche 911 1978-1989 3.3L Turbo (930)
Fits FRONT 38mm piston


Porsche 911 (930) Turbo 1978-89
Click 'Zoom in' for large parts diagram.
Diagram ref no 37
Related reference numbers
Related, superseded, cross reference or alternative numbers for comparison.
93035154700
The product you are viewing cross references to these numbers
- Porsche 911 1978-1989 3.3L Turbo (930)


Porsche 911 (930) Turbo 1978-89
Click 'Zoom in' for large parts diagram.
Diagram ref no 42.
Related reference numbers
Related, superseded, cross reference or alternative numbers for comparison.
93035255400
The product you are viewing cross references to these numbers
- Porsche 911 1978-1989 3.3L Turbo (930)


Porsche 911 (930) Turbo 1978-89
Click 'Zoom in' for large parts diagram.
Diagram ref no 42.
Related reference numbers
Related, superseded, cross reference or alternative numbers for comparison.
93035255400
The product you are viewing cross references to these numbers
Price is each seal
**Please check the piston size you need as some callipers take two different sizes.
Fits:
Various Models
Price is each seal
Related reference numbers
Related, superseded, cross reference or alternative numbers for comparison.
1055955
The product you are viewing cross references to these numbers

**Please check the piston size you need as some callipers take two different sizes.
Fits:
Various Models
Price is each seal
Related reference numbers
Related, superseded, cross reference or alternative numbers for comparison.
204872
The product you are viewing cross references to these numbers
- Porsche 911 1978-1989 3.3L Turbo (930)
SIZE 30mm diameter

Fits:
Porsche 930 Turbo 1978-89 REAR
Please check your caliper pistons size before ordering, this list below is just a guide
Click 'Zoom in' for large parts diagram.
Diagram ref no 41
Related reference numbers
Related, superseded, cross reference or alternative numbers for comparison.
93035255501
The product you are viewing cross references to these numbers
- Porsche 911 1978-1989 3.3L Turbo (930)
SIZE 30mm diameter
Porsche OE numbers 93035255501

Fits:
Porsche 930 Turbo 1978-89 REAR
Please check your caliper pistons size before ordering, this list below is just a guide
Click 'Zoom in' for large parts diagram.
Diagram ref no 41
Related reference numbers
Related, superseded, cross reference or alternative numbers for comparison.
93035255501
The product you are viewing cross references to these numbers
- Porsche 911 1965-1968 2.0L / 912 SWB (F)
- Porsche 911 1968-1973 2.2L / 2.4L / 2.7L RS LWB (F)
- Porsche 911 1974-1977 2.7L / 1976-77 3.0 Carrera
- Porsche 911 1978-1983 3.0L / SC
- Porsche 911 1984-1986 3.2L
- Porsche 911 1987-1989 3.2L G50
- Porsche 911 1975-1977 3.0L Turbo (930)
- Porsche 911 1978-1989 3.3L Turbo (930)
SIZE 38mm diameter x 29mm height
Porsche OE numbers 90135299300, 90135209911, 93035155104,
Please check your caliper pistons size before ordering, this list below is just a guide
Porsche 911 1969-83 Rear
Porsche 911 2.7 Rear
Porsche 911S Rear
Porsche 911L Rear
Porsche 930 Front
Porsche 911 1974-83 Rear
Porsche 911 1984-89 Rear
Related reference numbers
Related, superseded, cross reference or alternative numbers for comparison.
90135299300
The product you are viewing cross references to these numbers
- Porsche 911 1975-1977 3.0L Turbo (930)
- Porsche 911 1978-1989 3.3L Turbo (930)
SIZE 38mm diameter x 33mm height
Porsche OE numbers 93035155104
Please check your caliper pistons size before ordering, this list below is just a guide
Porsche 930 Front
Related reference numbers
Related, superseded, cross reference or alternative numbers for comparison.
93035155104
The product you are viewing cross references to these numbers
Price is for each Piston
*** Please check the piston diameter you need as some calipers take two different sizes. Sizes shown are the piston outer diameter (OD), The height of the pistons is 32mm
Related reference numbers
Related, superseded, cross reference or alternative numbers for comparison.
1055955
The product you are viewing cross references to these numbers
- Porsche 911 1978-1989 3.3L Turbo (930)
Rebuilds one front caliper
Includes:
4x 93035154700 Brake caliper piston scraper rings (Boot)
4x 93035155501 Brake caliper piston sealing rings

Porsche 911 (930) Turbo 1978-89
Diagram ref no 37 and 38.
Related reference numbers
Related, superseded, cross reference or alternative numbers for comparison.
PO-930FBCKIT
The product you are viewing cross references to these numbers
- Porsche 911 1978-1989 3.3L Turbo (930)
Rebuilds one rear caliper
Includes:
4x 93035255400 Brake caliper piston scraper rings (Boot)
4x 93035255302 Brake caliper piston sealing rings

Porsche 911 (930) Turbo 1978-89
Diagram ref no 42 and 43.
Related reference numbers
Related, superseded, cross reference or alternative numbers for comparison.
PO-930RBCKIT
The product you are viewing cross references to these numbers

Brake fluid is one of the most important fluids in a car as without it, stopping the vehicle safely would be impossible. The Brake fluid transmits the force exerted by the driver on the brake pedal onto the wheel brake.
To ensure perfect operation of the brakes, the brake fluid must be changed regularly during inspection or maintenance and tested with the correct brake fluid tester.
Brake fluid should be changed every two years.
The higher the DOT class, the higher the boiling temperature and wet boiling point. Higher DOT classes tend to allow longer maintenance intervals. The DOT standards are based on the American FMVSS-116 standard of the Department of Transportation (DOT).
Boiling Point and Viscosity
Dry Boiling Point - describes the property of the sealed new brake fluid. In this state, the brake fluid is almost anhydrous (substance containing no water). The dry boiling point is usually between 240 and 280°C.
Wet Boiling Point - determines the property of the brake fluid at the end of its life cycle, at a water content of 3.5% the fluid should be replaced. This defined wet boiling point must not be undercut.
Viscosity - describes the flow rate of the brake fluid. The lower the viscosity, the faster the brake fluid flows through the brake system, and the faster the brake signals are transmitted.
Important Notes
• Brake fluid is poisonous and a hazardous waste.
• Be careful when changing. The fluid weakens paints and plastics.
• It must not come into contact with eyes or skin. Always rinse spilled liquid with water.
• Do not pour the liquid into drinking water or mix with used oil.
• The colour of the brake fluid reveals nothing about its quality.
• Brake fluid should be stored in its original packaging and in a dry, cool and well-ventilated place.
Find out about Textar product verification here

DOT 4
Having an extremely high boiling point and lower viscosity than required, it meets and greatly exceeds regulatory standards. Also suitable for vehicles with ABS.
Vapour Lock formation
This sort of habit leaves room for the Vapour Lock, the formation of vapour bubbles due to boiling of the brake fluid that replace the normal fluid and are compressed, thereby sending the brake pedal to its fill stoke (spongy pedal). The origin is incident in the porosity of the tubes that make up the braking circuit, which in time draw moisture into the fluid, drastically reducing the boiling point. The result is a reduced braking efficiency.
Brembo Premium Brake Fluid
Brembo Premium brake fluids have a higher boiling point that exceeds the standard, thus offering superior resistance to the Vapour Lock and ensuring braking efficiency even at low temperatures. With high anti-corrosion properties and resistance to oxidation, Brembo brake fluid also allows for long-term unaltered chemical/physical characteristics of the fluid in operating circuit; therefore, preserving its integrity.
Related reference numbers
Related, superseded, cross reference or alternative numbers for comparison.
L040
The product you are viewing cross references to these numbers
-
disc brake front axle 911 TURBO 1978-83 602-05
-
disc brake rear axle 911 TURBO 1978-83 603-05
-
brake front axle 911 TURBO / CARRERA M491 1987-89 602-05
-
brake rear axle 911 TURBO / CARRERA M491 1987-89 603-05
-
Brake front axle 911 TURBO / CARRERA M491 1984-86 602-05
-
disc brake rear axle 911 TURBO / CARRERA M491 1984-86 603-05
Porsche Caliper Seals & Pistons | Design911 Precision Hydraulic Components for Restoring Braking Power & Reliability
Caliper seals and pistons are vital hydraulic components in your Porsche’s braking system, ensuring smooth, consistent, and powerful brake performance. The piston transfers hydraulic pressure to the brake pads, while the seals maintain fluid integrity, preventing leaks and contamination. Over time, wear, heat, and moisture can compromise these parts — reducing braking efficiency and safety. Replacing caliper seals and pistons is essential for maintaining consistent pressure, pedal feel, and reliability.
At Design911, we offer a comprehensive range of caliper seals and pistons, engineered for precision fitment and durability. Each component is crafted from high-grade materials designed to resist corrosion, heat, and hydraulic fluid degradation. Perfect for servicing, performance upgrades, or complete caliper restoration, these components restore your Porsche’s braking response and ensure long-term dependability.
What Do Caliper Seals & Pistons Do?
These two components work together to create and maintain the hydraulic pressure that powers your Porsche’s braking system.
Core Functions:
• Pistons convert hydraulic pressure into clamping force against the brake
pads.
• Seals prevent brake fluid leakage and maintain system pressure.
• Ensure smooth piston retraction for consistent pad contact.
• Protect against contaminants, moisture, and corrosion.
• Maintain balanced braking and pedal feel across all wheels.
High-quality seals and pistons ensure your Porsche delivers the stopping power, responsiveness, and control expected of its engineering pedigree.
Why Do Caliper Seals & Pistons Fail or Degrade?
Due to their exposure to heat, pressure, and environmental factors, these parts naturally deteriorate over time — especially in performance or high-mileage vehicles.
Common Causes of Failure Include:
• Seal wear or cracking from age and fluid degradation.
• Corrosion or pitting on pistons caused by moisture ingress.
• Brake fluid contamination leading to swelling or hardening.
• Heat damage from aggressive braking or track use.
• Improper installation or infrequent brake servicing.
When seals or pistons fail, symptoms such as fluid leaks, uneven braking, or sticking calipers can occur — compromising braking safety and performance.
Why Replace or Upgrade Your Porsche Caliper Seals & Pistons?
Replacing these components restores full hydraulic integrity and smooth brake operation. Design911’s premium-grade seals and pistons are designed for longevity, precision, and compatibility across Porsche models — ensuring reliability under road or track conditions.
Key Benefits:
• Restores consistent braking pressure and pedal feel.
• Prevents leaks and contamination in the hydraulic system.
• Improves caliper response and even brake pad wear.
• Manufactured from corrosion- and heat-resistant materials.
• Direct-fit design for fast, accurate installation.
• Ideal for restorations, rebuilds, or performance upgrades.
Design911’s Porsche caliper seals and pistons deliver unmatched performance and durability, helping your Porsche maintain the sharp braking response it was built for.
Highlights
• High-quality Porsche caliper seals and pistons for all
models.
• Precision-engineered for hydraulic efficiency and longevity.
• Resistant to corrosion, high heat, and fluid degradation.
• Essential for brake caliper rebuilds or restorations.
• Improves pedal feel and braking consistency.
• Perfect for classic and modern Porsche vehicles.