Enter your VAT number here and click Verify:
Your details have been verified. VAT number registered to:
,
.
Your order will now be zero rated for VAT purposes. We reserve the right to verify these details after your order request has been made and reinstate VAT if required.
Your VAT details were not recognised or were invalid. Your VAT number must be matched to your Billing Country as specified above. This is currently specified as . You do not need to enter the country code part of your VAT number as this has already been selected in your billing address details above.
The VAT number checking service is currently offline. Please supply your VAT details within the comments or special instructions field below and we will apply a VAT discount after placing your order request.
Powerflex Heritage Collection
- Porsche 911 1965-1968 2.0L / 912 SWB (F)
- Porsche 911 1968-1973 2.2L / 2.4L / 2.7L RS LWB (F)
- Porsche 911 1974-1977 2.7L / 1976-77 3.0 Carrera
- Porsche 911 1978-1983 3.0L / SC
- Porsche 911 1984-1986 3.2L
- Porsche 911 1987-1989 3.2L G50
- Porsche 911 1975-1977 3.0L Turbo (930)
- Porsche 911 1978-1989 3.3L Turbo (930)
- Porsche 914 (1970-1976)
Fits OE Wishbone Front (A-Frame) part numbers 91134190100 /91134190200.
SET OF 4 BUSHES

Fits:
Does not fit models made before 1969, fits all models 1969 to 1989.
Porsche 911 1969-89
Porsche 912
Porsche 914 1970-76
Fits to No. 14 on the diagram
Powerflex Heritage Collection. For Modern Day Classics.
A range of bushes engineered for the road to compliment your classic car.
POWERFLEX Heritage Collection bushes are manufactured using modern day materials with properties biased for the road. These dark grey coloured bushes will improve any collector's car, whilst retaining the same standard appearance of a rubber bush.
Related reference numbers
Related, superseded, cross reference or alternative numbers for comparison.
PFF57-401H
The product you are viewing cross references to these numbers
- Porsche 911 1965-1968 2.0L / 912 SWB (F)
- Porsche 911 1968-1973 2.2L / 2.4L / 2.7L RS LWB (F)
- Porsche 911 1974-1977 2.7L / 1976-77 3.0 Carrera
- Porsche 911 1978-1983 3.0L / SC
- Porsche 911 1984-1986 3.2L
- Porsche 911 1987-1989 3.2L G50
- Porsche 911 1975-1977 3.0L Turbo (930)
- Porsche 911 1978-1989 3.3L Turbo (930)
- Porsche 914 (1970-1976)
Sold as a pair (both strut tops)
Fits onto part number: 91134101800

Fits:
Porsche 911 1965-1989
Porsche 914 1970-76
Click 'Zoom in' for large parts diagram.
Fits to No 9 on the diagram.
Powerflex Heritage Collection. For Modern Day Classics.
POWERFLEX Heritage Collection bushes are manufactured using modern day materials with properties biased for the road. These dark grey coloured bushes will improve any collectors car, whilst retaining the same standard appearance of a rubber bush.
POWERFLEX Heritage Collection bushes are manufactured using modern day materials with properties biased for the road. These dark grey coloured bushes will improve any collector's car, whilst retaining the same standard appearance of a rubber bush.
Related reference numbers
Related, superseded, cross reference or alternative numbers for comparison.
PFF57-406H
The product you are viewing cross references to these numbers
- Porsche 911 1965-1968 2.0L / 912 SWB (F)
- Porsche 911 1968-1973 2.2L / 2.4L / 2.7L RS LWB (F)
- Porsche 911 1974-1977 2.7L / 1976-77 3.0 Carrera
- Porsche 911 1978-1983 3.0L / SC
- Porsche 911 1984-1986 3.2L
- Porsche 911 1987-1989 3.2L G50
- Porsche 911 1975-1977 3.0L Turbo (930)
- Porsche 911 1978-1989 3.3L Turbo (930)
- Porsche 356 1950-55
- Porsche 356A 1955-59
- Porsche 356B 1959-63
- Porsche 356C 1963-65
Sold as a pair (both rear shock absorbers)
OEM Part Number: 91133352100

Fits:
Porsche 911 1965-89
Porsche 912 1965-69
Porsche 356 1950-65
Click 'Zoom in' for large parts diagram.
Diagram ref no 41
Powerflex Heritage Collection. For Modern Day Classics.
POWERFLEX Heritage Collection bushes are manufactured using modern day materials with properties biased for the road. These dark grey coloured bushes will improve any collectors car, whilst retaining the same standard appearance of a rubber bush.
Related reference numbers
Related, superseded, cross reference or alternative numbers for comparison.
PFR57-413H
The product you are viewing cross references to these numbers
- Porsche 911 1965-1968 2.0L / 912 SWB (F)
- Porsche 911 1968-1973 2.2L / 2.4L / 2.7L RS LWB (F)
- Porsche 911 1974-1977 2.7L / 1976-77 3.0 Carrera
- Porsche 911 1978-1983 3.0L / SC
- Porsche 911 1984-1986 3.2L
- Porsche 911 1987-1989 3.2L G50
- Porsche 911 1975-1977 3.0L Turbo (930)
- Porsche 911 1978-1989 3.3L Turbo (930)
Fits to spring plate OEM part number 90133300309
/ 90133300301.
SET OF 4

Fits:
Porsche 911 Classic (1968 - 1969)
Porsche 911 Classic (1969 - 1973)
Porsche 911 Classic (1974-1977)
Porsche 911 Classic (1974-1977) Turbo
Porsche 911 Classic (1977 - 1986)
Porsche 911 Classic (1978 - 1989) Turbo
Porsche 911 Classic (1987 - 1989)
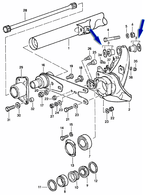
Fits to No. 16 on the diagram.
Powerflex Heritage Collection. For Modern Day Classics.
A range of bushes engineered for the road to compliment your classic car.
POWERFLEX Heritage Collection bushes are manufactured using modern day materials with properties biased for the road. These dark grey coloured bushes will improve any collector's car, whilst retaining the same standard appearance of a rubber bush.
Related reference numbers
Related, superseded, cross reference or alternative numbers for comparison.
PFR57-409H
The product you are viewing cross references to these numbers
- Porsche 911 1974-1977 2.7L / 1976-77 3.0 Carrera
- Porsche 911 1978-1983 3.0L / SC
- Porsche 911 1984-1986 3.2L
- Porsche 911 1975-1977 3.0L Turbo (930)
- Porsche 911 1978-1989 3.3L Turbo (930)
Size: 20mm
Replacement for Porsche parts No. 91134379203
SET OF 4

Fits:
Porsche 911 1974-86 Front axle
Porsche 911 Turbo (930) 1975-86 Front axle
Click 'Zoom in' for large parts diagram.
Diagram Ref No 23.
Powerflex Heritage Collection. For Modern Day Classics.
A range of bushes engineered for the road to compliment your classic car.
POWERFLEX Heritage Collection bushes are manufactured using modern day materials with properties biased for the road. These dark grey coloured bushes will improve any collector's car, whilst retaining the same standard appearance of a rubber bush.
Related reference numbers
Related, superseded, cross reference or alternative numbers for comparison.
PFF57-403-20H
The product you are viewing cross references to these numbers
- Porsche 911 1984-1986 3.2L
- Porsche 911 1987-1989 3.2L G50
- Porsche 911 1978-1989 3.3L Turbo (930)
Size: 22mm
SET OF 4
Replacement for Porsche parts No. 91134388100

Fits:
Porsche 911 1984-86 3.2L and Turbo Front axle - Please choose by size
Porsche 911 1987-89 3.2L and Turbo Front axle
Click 'Zoom in' for large parts diagram.
Diagram Ref No 24
Powerflex Heritage Collection. For Modern Day Classics.
A range of bushes engineered for the road to compliment your classic car.
POWERFLEX Heritage Collection bushes are manufactured using modern day materials with properties biased for the road. These dark grey coloured bushes will improve any collector's car, whilst retaining the same standard appearance of a rubber bush.
Related reference numbers
Related, superseded, cross reference or alternative numbers for comparison.
PFF57-403-22H
The product you are viewing cross references to these numbers
- Porsche 911 1974-1977 2.7L / 1976-77 3.0 Carrera
- Porsche 911 1978-1983 3.0L / SC
- Porsche 911 1984-1986 3.2L
- Porsche 911 1987-1989 3.2L G50
- Porsche 911 1978-1989 3.3L Turbo (930)
- Porsche 964 (911) C4 1989-93
- Porsche 964 (911) RS 3.6L 1991-93
- Porsche 964 (911) RS 3.8L 1991-93
- Porsche 993 (911) C2 1994-97
- Porsche 993 (911) C4 1994-97
- Porsche 993 (911) C2S 1994-97
- Porsche 993 (911) C4S 1994-97
- Porsche 944 2.5L 8V 1982-87
- Porsche 944 2.7L 8V 1988-89
- Porsche 944S 2.5L 16V 1987-88
- Porsche 944S2 3.0L 16V 1989-91
Size: 18mm anti-roll bar diameter
Quantity: 2 (2 per car)
Porsche Reference to: 477411313B

Fits:
Porsche 911 1978-85 Rear axle
Porsche 911 TURBO 1978-85 Rear axle
Porsche 911 TURBO 1989 Rear axle
Porsche 944 1985-91 Rear axle Please choose by size
Porsche 964 RS Rear axle
Porsche 964 C4 Rear axle Please choose by size
Porsche 968 Rear axle Cars with Sport Suspension & tiptronic transmission
Porsche 993 C2/C4 Rear axle Cars with standard suspension
Porsche 993 C2S/C4S Rear axle Cars with Sport Suspension - Please choose by size
Click 'Zoom in' for large parts diagram.
Diagram Ref No 11.
Pack of 2. Two bushes per car
Powerflex Heritage Collection. For Modern Day Classics.
A range of bushes engineered for the road to compliment your classic car.
POWERFLEX Heritage Collection bushes are manufactured using modern day materials with properties biased for the road. These dark grey coloured bushes will improve any collector's car, whilst retaining the same standard appearance of a rubber bush.
Related reference numbers
Related, superseded, cross reference or alternative numbers for comparison.
PFF57-209-18H
The product you are viewing cross references to these numbers
- Porsche 911 1974-1977 2.7L / 1976-77 3.0 Carrera
- Porsche 911 1978-1983 3.0L / SC
- Porsche 911 1978-1989 3.3L Turbo (930)
- Porsche 964 (911) C2 1989-93
- Porsche 964 (911) C4 1989-93
- Porsche 993 (911) RS 1994-97
- Porsche 993 (911) C2S 1994-97
- Porsche 993 (911) C4S 1994-97
- Porsche 924 2.0L 1976-79
- Porsche 924S 2.5L 1986-87
- Porsche 924S 2.5L 1988
- Porsche 944 2.5L 8V 1982-87
- Porsche 944 2.7L 8V 1988-89
- Porsche 944S 2.5L 16V 1987-88
Size: 20mm anti-roll bar diameter
Quantity: 2 (2 per car)
Porsche Reference to: 477411313C

Fits:
Porsche 911 SC 1974-83 Front axle
Porsche 911 TURBO 1985-88 Rear axle
Porsche 924 1976-77 Front axle
Porsche 924S 1986-88 Rear axle Cars with Sport Suspension
Porsche 944 1982-85 Front axle
Porsche 944 1985-88 Rear axle - Please choose by size
Porsche 964 1991-94 C2/C4 Rear axle Cars with manual transmission - Please choose by size
Porsche 993 C2S/C4S/RS Rear axle Cars with Sport Suspension - Please choose by size
Click 'Zoom in' to see pats diagram.
Diagram Ref No 17.
Pack of 2. Two bushes per car.
Powerflex Heritage Collection. For Modern Day Classics.
A range of bushes engineered for the road to compliment your classic car.
POWERFLEX Heritage Collection bushes are manufactured using modern day materials with properties biased for the road. These dark grey coloured bushes will improve any collector's car, whilst retaining the same standard appearance of a rubber bush.
Related reference numbers
Related, superseded, cross reference or alternative numbers for comparison.
PFF57-209-20H
The product you are viewing cross references to these numbers
- Porsche 911 1974-1977 2.7L / 1976-77 3.0 Carrera
- Porsche 911 1978-1983 3.0L / SC
- Porsche 911 1984-1986 3.2L
- Porsche 911 1987-1989 3.2L G50
- Porsche 911 1975-1977 3.0L Turbo (930)
- Porsche 911 1978-1989 3.3L Turbo (930)
SET OF 4 for TWO Arms.
OEM Part Number: 90133105900

Fits:
Porsche 911 1970-89
Click 'Zoom in' for large parts diagram.
Diagram Ref No 3
Powerflex Heritage Collection. For Modern Day Classics.
A range of bushes engineered for the road to compliment your classic car.
POWERFLEX Heritage Collection bushes are manufactured using modern day materials with properties biased for the road. These dark grey coloured bushes will improve any collector's car, whilst retaining the same standard appearance of a rubber bush.
Related reference numbers
Related, superseded, cross reference or alternative numbers for comparison.
PFR57-410H
The product you are viewing cross references to these numbers
-
front axle stabiliser 911 1978-83 401-00
-
shock absorber strut 911 1978-83 402-00
-
rear axle 911 1978-83 501-00
-
vibration damper stabiliser 911 1978-83 502-00
-
front axle stabiliser 911 1987-89 401-00
-
shock absorber strut 911 1987-89 402-00
-
rear axle 911 1987-89 501-00
-
vibration damper stabiliser 911 1987-89 502-00
-
front axle stabiliser 911 1984-86 401-00
-
shock absorber strut 911 1984-86 402-00
-
rear axle 911 1984-86 501-00
-
vibration damper stabiliser 911 1984-86 502-00
Porsche Powerflex Heritage Collection
The Powerflex Heritage Collection is designed for modern classic Porsche models and older favourites where you want the subtle look of factory rubber but with the consistency and durability of modern polyurethane. At Design911, we offer the full range of Heritage Collection suspension bushes and associated mounts for Porsche models, so you can refresh tired suspension with a discreet, OEM-style appearance.
These dark grey Powerflex Heritage bushes are engineered for road use and everyday enjoyment, giving classic and modern-classic Porsche models a more controlled, precise feel compared with aged rubber components, while keeping the car looking period-correct under the arches.
Why do Powerflex Heritage Collection bushes matter?
As Porsche suspension bushes age, the original rubber softens, cracks and deforms, which can lead to vague steering, imprecise geometry and a generally loose feel from the chassis. The Powerflex Heritage Collection uses modern polyurethane compounds tailored for road use, helping to maintain more consistent suspension location over time than tired rubber, yet still aiming to preserve a civilised ride. The dark, understated finish helps your Porsche look original from the outside, which is particularly appealing on collector cars and well-presented road cars.
- Helps keep suspension geometry more consistent than old, worn rubber bushes
- Offers improved durability and resistance to ageing compared with standard rubber
- Retains an OEM-style, subtle appearance suitable for classic and modern-classic Porsche models
- Supports a tighter, more controlled feel without looking like a visually obvious upgrade
- Well suited to restorations, sympathetic upgrades and regular road use
Common options & kits
Individual replacement bushes
Specific bushes for locations such as wishbones, trailing arms, anti-roll bars and mounts. These allow you to address a particular worn area without changing the entire suspension at once.
- Ideal when you have identified one or two problem bushes
- Lets you tackle the car progressively as time and budget allow
- Useful where only certain positions are known wear points on your Porsche
Matched axle sets or pairs
Bushes supplied as pairs or axle sets so both sides are renewed together. This is a sensible approach on Porsches where symmetrical wear and balanced behaviour are important.
- Helps maintain consistent feel and response from left to right
- Reduces the chance of uneven wear or mixed behaviour across an axle
- Convenient when carrying out routine suspension refresh work
Complete suspension bush kits
Full vehicle kits or larger combinations that group together many of the key suspension bushes in Powerflex Heritage material. These are popular for restoration projects or when you want to refresh most of the suspension in one go.
- Brings the suspension of your Porsche back to a more controlled, cohesive condition
- Can save time versus sourcing individual positions separately
- Well suited to bare-shell builds, major overhauls or long-term keeper cars
Brands available in this category
For this category we stock a wide choice of trusted brands for Porsche models. You can also browse and filter by brand on this page to focus on your preferred manufacturers.
- Powerflex – The Heritage Collection from Powerflex uses polyurethane formulations developed specifically for road use on modern classics and older Porsche models. The dark grey finish helps them blend in like original equipment, while the material is designed to offer stable characteristics and good longevity compared with ageing rubber bushes.
When should you review or replace your Powerflex Heritage Collection bushes?
Many Porsche models that now count as modern classics are still running on their original rubber bushes, which may be several decades old. Even if they look intact, rubber can harden, crack or take a permanent set, allowing unwanted movement in the suspension. Choosing Powerflex Heritage bushes is often about gently tightening up a car that feels loose or imprecise, while keeping a subtle, factory-style appearance.
- You notice clunks, wandering, vague steering or imprecise response from your Porsche
- There is visible cracking, splitting or deformation in original rubber bushes
- Tyre wear patterns suggest geometry is no longer being held consistently
- You are carrying out a restoration or major suspension refresh on a classic or modern-classic Porsche
- You want the longer-term stability of polyurethane bushes but prefer a discreet, OEM-style look
If any of these apply, it is a good time to consider Powerflex Heritage Collection bushes so your Porsche continues to feel tight, controlled and enjoyable to drive, while still looking period-correct.
Explore Powerflex Heritage Collection bushes with Design911
Browse the Powerflex Heritage Collection for Porsche at Design911 – from individual position bushes to more comprehensive kits – and find options that suit sympathetic upgrades, restorations and long-term ownership. Our range is tailored to help you refresh suspension components with modern materials while preserving the classic character of your Porsche.