Enter your VAT number here and click Verify:
Your details have been verified. VAT number registered to:
,
.
Your order will now be zero rated for VAT purposes. We reserve the right to verify these details after your order request has been made and reinstate VAT if required.
Your VAT details were not recognised or were invalid. Your VAT number must be matched to your Billing Country as specified above. This is currently specified as . You do not need to enter the country code part of your VAT number as this has already been selected in your billing address details above.
The VAT number checking service is currently offline. Please supply your VAT details within the comments or special instructions field below and we will apply a VAT discount after placing your order request.
Engine Block Hoses
- Porsche 944S2 3.0L 16V 1989-91
Fits:
Porsche 944 S2 3.0L 1989-91
Click 'Zoom in' for large parts diagram.
Diagram ref no 17, 20, 23, 25, 27, 28, 30, 34, 37 and 39.
Related reference numbers
Related, superseded, cross reference or alternative numbers for comparison.
WATERPIPEKIT04
The product you are viewing cross references to these numbers
This kit is comprised of the following items:
- Porsche 944 Turbo 2.5L 8V 1985-88

Fits:
Porsche 944 Turbo 2.5L 1986-87
** only with engine type M44.50 and M44.51
Click 'Zoom in' for large parts diagram.
Diagram ref no 36
Related reference numbers
Related, superseded, cross reference or alternative numbers for comparison.
95110624706
The product you are viewing cross references to these numbers
- Porsche 944 Turbo S 2.5L 8V 1988

Fits:
Porsche 944 Turbo S 1988-91 Engine 44.52
Click 'Zoom in' for large parts diagram.
Diagram ref no 36A
Related reference numbers
Related, superseded, cross reference or alternative numbers for comparison.
95110624704
The product you are viewing cross references to these numbers
- Porsche 944 2.5L 8V 1982-87
- Porsche 944 2.7L 8V 1988-89
- Porsche 944S 2.5L 16V 1987-88
- Porsche 944S2 3.0L 16V 1989-91
- Porsche 944 Turbo 2.5L 8V 1985-88
- Porsche 944 Turbo 2.5L 8V 1989-91
- Porsche 944 Turbo S 2.5L 8V 1988
Fits:
Porsche 944 1985-91
Diagram ref no 12
Related reference numbers
Related, superseded, cross reference or alternative numbers for comparison.
94410624303
The product you are viewing cross references to these numbers
- Porsche 924S 2.5L 1986-87
- Porsche 924S 2.5L 1988
- Porsche 944 2.5L 8V 1982-87
- Porsche 944 2.7L 8V 1988-89
- Porsche 944S 2.5L 16V 1987-88
- Porsche 944S2 3.0L 16V 1989-91
- Porsche 944 Turbo 2.5L 8V 1985-88
- Porsche 944 Turbo 2.5L 8V 1989-91
- Porsche 944 Turbo S 2.5L 8V 1988
Fits:
Porsche 924S 1986-88
Porsche 944 1982-91 AUTO.
Diagram ref no 13
Related reference numbers
Related, superseded, cross reference or alternative numbers for comparison.
94410624700
The product you are viewing cross references to these numbers
- Porsche 944S 2.5L 16V 1987-88
Fits:
Porsche 944S 2.5L 1987-88
Diagram ref. 35.
Related reference numbers
Related, superseded, cross reference or alternative numbers for comparison.
94410430203
The product you are viewing cross references to these numbers
- Porsche 944S 2.5L 16V 1987-88
Fits:
Porsche 944S 2.5L 1987-88
Diagram ref. 33.
Related reference numbers
Related, superseded, cross reference or alternative numbers for comparison.
94410430503
The product you are viewing cross references to these numbers
- Porsche 944S 2.5L 16V 1987-88
- Porsche 944S2 3.0L 16V 1989-91
Fits:
Porsche 944 S 1987-88
Porsche 944 S2 1989-91
Diagram ref. 26.
Related reference numbers
Related, superseded, cross reference or alternative numbers for comparison.
94410609101
The product you are viewing cross references to these numbers
- Porsche 924S 2.5L 1986-87
- Porsche 924S 2.5L 1988
- Porsche 944S2 3.0L 16V 1989-91
Fits:
Porsche 944 S2 3.0L 1989-91
Diagram Ref No 34.
Related reference numbers
Related, superseded, cross reference or alternative numbers for comparison.
95110605608
The product you are viewing cross references to these numbers
- Porsche 944 Turbo 2.5L 8V 1985-88
- Porsche 944 Turbo 2.5L 8V 1989-91
- Porsche 944 Turbo S 2.5L 8V 1988
Fits:
Porsche 944 Turbo 1986-91
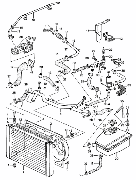
Diagram ref no 15.
Related reference numbers
Related, superseded, cross reference or alternative numbers for comparison.
95110609100
The product you are viewing cross references to these numbers
- Porsche 944 Turbo 2.5L 8V 1985-88
- Porsche 944 Turbo 2.5L 8V 1989-91
- Porsche 944 Turbo S 2.5L 8V 1988
Fits:
Porsche 944 Turbo 1986-9
Diagram ref no 15
Related reference numbers
Related, superseded, cross reference or alternative numbers for comparison.
95110609100
The product you are viewing cross references to these numbers
- Porsche 944S 2.5L 16V 1987-88
- Porsche 944S2 3.0L 16V 1989-91
- Porsche 968 3.0L 1992-94
- Porsche 968 Sport 3.0L 1994-95
- Porsche 968 CS 3.0L 1993-95
- Porsche 968 Turbo S 3.0L 1993-94

Fits:
Porsche 944 S 2.5L 1987-88 M44.40
Porsche 944 S2 3.0L 1989-91 M44.41
Porsche 968 92-95 M44.43/44
Click 'Zoom in' for large parts diagram.
Diagram ref no 30
Related reference numbers
Related, superseded, cross reference or alternative numbers for comparison.
94410625301
The product you are viewing cross references to these numbers
- Porsche 944 Turbo 2.5L 8V 1985-88
- Porsche 944 Turbo 2.5L 8V 1989-91
- Porsche 944 Turbo S 2.5L 8V 1988

Fits:
Porsche 944 Turbo / Turbo S 1985-91
Click 'Zoom in' for large parts diagram.
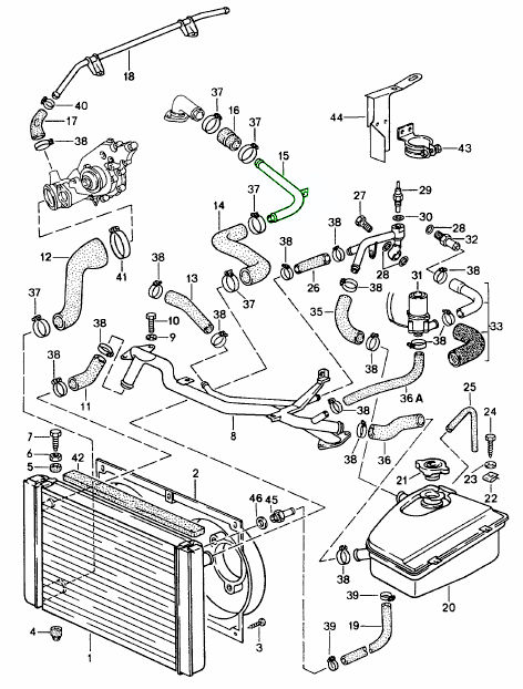
Diagram ref no 16.
Related reference numbers
Related, superseded, cross reference or alternative numbers for comparison.
95110623901
The product you are viewing cross references to these numbers
- Porsche 944 Turbo 2.5L 8V 1985-88
- Porsche 944 Turbo 2.5L 8V 1989-91
- Porsche 944 Turbo S 2.5L 8V 1988
This hose is a high-quality replacement for the factory coolant hose 95110623901. It delivers reliable coolant flow, resists heat and pressure, and restores proper sealing in the engine’s cooling circuit.
Fits:
Porsche 944 Turbo / Turbo S 1985 - 1991
Diagram ref no 16.
Keep your Porsche 944 running cool and reliable with this replacement coolant hose. Built to original specifications, this high-quality replacement ensures perfect fitment, optimal coolant flow, and leak-free performance. Made from heat-resistant, reinforced rubber for long service life — the dependable solution to replace aged or cracked factory hoses.
Related reference numbers
Related, superseded, cross reference or alternative numbers for comparison.
95110623901
The product you are viewing cross references to these numbers
- Porsche 924S 2.5L 1986-87
- Porsche 924S 2.5L 1988
- Porsche 944 2.5L 8V 1982-87
Fits:
Porsche 924S - 1986 to 1988
Porsche 944 - 1982 to 1985
Diagram ref no 12
Related reference numbers
Related, superseded, cross reference or alternative numbers for comparison.
94410624302
The product you are viewing cross references to these numbers
- Porsche 944S2 3.0L 16V 1989-91

Fits:
Porsche 944 S2 3.0L 1989-91
Click 'Zoom in' for large parts diagram.
Diagram ref no 39.
Related reference numbers
Related, superseded, cross reference or alternative numbers for comparison.
94410623602
The product you are viewing cross references to these numbers
Engine Block Coolant Hoses – Front Engine Porsche Models | Reliable Cooling for Peak Performance
Engine block coolant hoses are critical to maintaining stable engine temperatures and preventing overheating in your Porsche’s front-engine cooling system. These hoses circulate coolant between the engine block, radiator, and heater core, ensuring consistent temperature regulation and efficient heat dissipation — essential for performance, reliability, and longevity.
At Design911, we supply a complete selection of genuine and manufacturer-quality engine block coolant hoses for front-engine Porsche models, including the transaxle models, Cayenne, Panamera, and Macan. Each hose is precisely engineered for a perfect fit and superior heat resistance, offering the same durability, flexibility, and performance as factory-installed components.
What Do Engine Block Coolant Hoses Do?
Coolant hoses in the engine block are responsible for
transferring coolant throughout the engine’s cooling circuit. Their main
functions include:
- Carrying coolant between the radiator, water pump, and engine block.
- Regulating engine temperature for efficient performance.
- Maintaining system pressure within the cooling system.
- Preventing heat build-up that can lead to overheating or gasket failure.
Properly functioning coolant hoses are essential for ensuring your Porsche’s front-mounted engine operates within optimal temperature ranges — especially during heavy use or long drives.
Why Do Engine Block Coolant Hoses Fail?
Due to constant exposure to heat, pressure, and coolant
chemicals, these hoses naturally degrade over time. Common causes of failure
include:
- Heat damage from prolonged exposure to high engine temperatures.
- Rubber deterioration or cracking from age and coolant corrosion.
- Leaks at joints or clamps due to pressure fluctuations.
- Swelling or soft spots from internal chemical breakdown.
- Mechanical abrasion from contact with nearby components.
Symptoms of failing hoses include visible coolant leaks, overheating, low coolant levels, or a strong coolant smell from the engine bay.
Why Replace Faulty Engine Block Coolant Hoses?
A leaking or weakened hose can cause serious cooling system failures, including overheating and engine damage. Replacing old or brittle hoses ensures reliable coolant circulation and safeguards your Porsche’s engine performance.
Benefits of replacement include:
- Restored cooling efficiency and pressure control.
- Prevention of leaks and overheating.
- Improved long-term reliability and system safety.
- Manufacturer-quality materials for perfect fit and heat resistance.
All replacement hoses in this range are constructed using reinforced, high-grade rubber compounds that meet or exceed factory standards, ensuring durability and dependability in all driving conditions.