Cylinder Head / Camshaft Carrier
                        
                    
            
            
                    
            
            
                    - Porsche 997 MK1 Carrera 2S 3.8L 2005-08
 - Porsche 997 MK1 Carrera 4S 3.8L 2005-08
 
Engine Cylinder Head Gasket Kit
The cylinder head gasket is a critical component that seals the cylinder head to the engine block. It serves several key functions, It seals the combustion chamber, ensuring proper compression for efficient engine performance. It prevents coolant and engine oil from mixing by sealing the fluid passages between the cylinder head and engine block.
Fits:
- Porsche 997 MK1 Carrera 2S 3.8L 2005-08
 - Porsche 997 MK1 Carrera 4S 3.8L 2005-08
 
Diagram ref no 19 & 20.
Signs of Cylinder Head Gasket Failure
A failing head gasket can lead to serious engine problems. Common symptoms include:
Engine overheating
- Low cylinder compression
 - External coolant or oil leaks
 - White smoke from the exhaust
 - Bubbles in the radiator or coolant reservoir
 - Milky or white-colored engine oil
 
Related reference numbers
Related, superseded, cross reference or alternative numbers for comparison.
99610418059
The product you are viewing cross references to these numbers
This kit is comprised of the following items:
                        
                    
            
            
                    
            
            
                    - Porsche Boxster 986 2.5L 1997-99
 - Porsche Boxster 986 2.7L 1999-02
 - Porsche Boxster S 986 3.2L 1999-02
 - Porsche Boxster 986 2.7L 2003-04
 - Porsche Boxster S 986 3.2L 2003-04
 - Porsche Boxster 987 2.7L 2005 -08/08
 - Porsche Boxster 987 S 3.2/3.4L 2005-08/08
 - Porsche 996 C2 3.4L 1997-08/01
 - Porsche 996 C4 3.4L 1997-08/01
 - Porsche 996 C2 3.6L 09/01-2005
 - Porsche 996 C4 3.6L 09/01-2005
 - Porsche 996 C4S 3.6L 09/01-2005
 - Porsche 996 GT2 2001-05
 - Porsche 996 GT3 MKI 1999-02
 - Porsche 996 GT3 MKII 2003>>
 - Porsche 996 GT3 RS 2003-04
 - Porsche 997 MK1 Carrera 2 3.6L 2005-08
 - Porsche 997 MK1 Carrera 2S 3.8L 2005-08
 - Porsche 997 MK1 Carrera 4 3.6L 2005-08
 - Porsche 997 MK1 Carrera 4S 3.8L 2005-08
 - Porsche Cayman 2.7L 987C 2006-08
 - Porsche Cayman S 3.4L 987C 2005-08
 
SET OF 12

Fits:
- Porsche Boxster 986 2.5L 1997-99
 - Porsche Boxster 986 2.7L 1999-02
 - Porsche Boxster S 986 3.2L 1999-02
 - Porsche Boxster 986 2.7L 2003-04
 - Porsche Boxster S 986 3.2L 2003-04
 - Porsche Boxster 987 2.7L 2005 -08/08
 - Porsche Boxster 987 S 3.2/3.4L 2005-08/08
 - Porsche 996 C2 3.4L 1997-08/01
 - Porsche 996 C4 3.4L 1997-08/01
 - Porsche 996 C2 3.6L 09/01-2005
 - Porsche 996 C4 3.6L 09/01-2005
 - Porsche 996 C4S 3.6L 09/01-2005
 - Porsche 996 GT2 2001-05
 - Porsche 996 GT3 MKI 1999-02
 - Porsche 996 GT3 MKII 2003>>
 - Porsche 996 GT3 RS 2003-04
 - Porsche 997 MK1 Carrera 2 3.6L 2005-08
 - Porsche 997 MK1 Carrera 2S 3.8L 2005-08
 - Porsche 997 MK1 Carrera 4 3.6L 2005-08
 - Porsche 997 MK1 Carrera 4S 3.8L 2005-08
 - Porsche Cayman 2.7L 987C 2006-08
 - Porsche Cayman S 3.4L 987C 2005-08
 
Click 'Zoom in' for large parts diagram
Diagram ref no 20.
Related reference numbers
Related, superseded, cross reference or alternative numbers for comparison.
99610418059
The product you are viewing cross references to these numbers
This kit is comprised of the following items:
                        
                    
            
            
                    
                    
            
            
                    - Porsche 997 MK1 TURBO 2007-09
 - Porsche 997 MK1 GT2 2007-09
 - Porsche 997 MKII Turbo 2010-13
 - Porsche 997 MKII GT2 RS 2011-13
 
Sold Each.
x2 Require Per Car.
Fits:
Porsche 997.1 Turbo / GT2 3.6L MKI 2007>>2009
Porsche 997.2 Turbo / GT2 RS 3.6L MKII 2010>>2011
Cars With Engine Codes:
9770
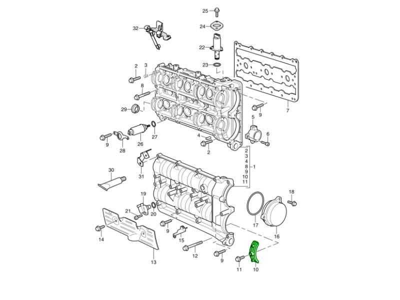
Diagram Ref No 10
Related reference numbers
Related, superseded, cross reference or alternative numbers for comparison.
99710531170
The product you are viewing cross references to these numbers
                                Shop Securely
                            
                            
                                12 Month Warranty
                            
                            
                                Worldwide Delivery
                            
                    
                        
                    
            
            
                    
            
            
                    - Porsche 997 MK1 Carrera 2S 3.8L 2005-08
 - Porsche 997 MK1 Carrera 4S 3.8L 2005-08
 
3.8L, 99.00mm Bore, flanged liner (No cutouts).
 Fits:
Porsche 997 3.8L Price is Each
Inside Diameter 99.00mm / 3.898inch
Outside Diameter 104.20mm / 4.103inch
Length 128.00mm / 4.992inch
Flange Diameter 107.40mm / 4.228inch
Flange Depth 5.00mm / 0.197inch
NEW Cast Iron cylinder liners suitable for repairing damaged Alusil bores in 997 engines.
These liners are becoming very popular, with increasing numbers of cars suffering from scoring in the bores.
The liners will need to be fitted by a professional machine shop. You will not need to get special pistons or rings, as the original spec ones can be used with these cast iron liners.
                                Shop Securely
                            
                            
                                12 Month Warranty
                            
                            
                                Worldwide Delivery
                            
                    
                        
                    
            
            
                    
                    
            
            
                    - Porsche 997 MK1 TURBO 2007-09
 - Porsche 997 MK1 GT3 2007-09
 - Porsche 997 MK1 GT2 2007-09
 - Porsche 997 MKII GT3 2010-11
 - Porsche 997 MKII Turbo 2010-13
 - Porsche 997 MKII GT2 RS 2011-13
 

Fits:
Porsche 997 Turbo / GT2 / GT2 RS 2009-11
Porsche 997 GT3 / GT3 RS / GT3 RS 4.0 2007-11
Click 'Zoom in' for large parts diagram.
Diagram ref no 8
Related reference numbers
Related, superseded, cross reference or alternative numbers for comparison.
99710119371
The product you are viewing cross references to these numbers
                                Shop Securely
                            
                            
                                12 Month Warranty
                            
                            
                                Worldwide Delivery
                            
                    
                        
                    
            
            
                    
            
            
                    - Porsche 997 MK1 TURBO 2007-09
 - Porsche 997 MK1 GT3 2007-09
 - Porsche 997 MK1 GT2 2007-09
 - Porsche 997 MKII GT3 2010-11
 - Porsche 997 MKII Turbo 2010-13
 - Porsche 997 MKII GT2 RS 2011-13
 

Fits:
Porsche 997 Turbo / GT2 / GT2 RS 2009-11
Porsche 997 GT3 / GT3 RS / GT3 RS 4.0 2007-11
Click 'Zoom in' for large parts diagram.
Diagram ref no 8
Related reference numbers
Related, superseded, cross reference or alternative numbers for comparison.
99710119371
The product you are viewing cross references to these numbers
                                Shop Securely
                            
                            
                                12 Month Warranty
                            
                            
                                Worldwide Delivery
                            
                    
                        
                    
            
            
                    
                    
            
            
                    - Porsche Boxster 986 2.5L 1997-99
 - Porsche Boxster 986 2.7L 1999-02
 - Porsche Boxster S 986 3.2L 1999-02
 - Porsche Boxster 986 2.7L 2003-04
 - Porsche Boxster S 986 3.2L 2003-04
 - Porsche Boxster 987 2.7L 2005 -08/08
 - Porsche Boxster 987 S 3.2/3.4L 2005-08/08
 - Porsche 996 C2 3.4L 1997-08/01
 - Porsche 996 C4 3.4L 1997-08/01
 - Porsche 996 C2 3.6L 09/01-2005
 - Porsche 996 C4 3.6L 09/01-2005
 - Porsche 996 C4S 3.6L 09/01-2005
 - Porsche 996 GT2 2001-05
 - Porsche 996 GT3 MKI 1999-02
 - Porsche 996 GT3 MKII 2003>>
 - Porsche 996 GT3 RS 2003-04
 - Porsche 997 MK1 Carrera 2 3.6L 2005-08
 - Porsche 997 MK1 Carrera 2S 3.8L 2005-08
 - Porsche 997 MK1 Carrera 4 3.6L 2005-08
 - Porsche 997 MK1 Carrera 4S 3.8L 2005-08
 - Porsche Cayman 2.7L 987C 2006-08
 - Porsche Cayman S 3.4L 987C 2005-08
 
24 Bolts Per Engine. Price is for EACH.

Fits:
Porsche 986 Boxster 2.7L / S 3.4L 2003-04
Porsche 987 Boxster 2005-08
Porsche 987C Cayman 2005-08
Porsche 996 C2 / C4 / C4S 2002-05
Porsche 997 Carrera 2005-08
Click 'Zoom in' for large parts diagram
Diagram ref no 20.
Related reference numbers
Related, superseded, cross reference or alternative numbers for comparison.
99610418059
The product you are viewing cross references to these numbers
                                Shop Securely
                            
                            
                                12 Month Warranty
                            
                            
                                Worldwide Delivery
                            
                    
                        
                    
            
            
                    
            
            
                    - Porsche Boxster 986 2.5L 1997-99
 - Porsche Boxster 986 2.7L 1999-02
 - Porsche Boxster S 986 3.2L 1999-02
 - Porsche Boxster 986 2.7L 2003-04
 - Porsche Boxster S 986 3.2L 2003-04
 - Porsche Boxster 987 2.7L 2005 -08/08
 - Porsche Boxster 987 S 3.2/3.4L 2005-08/08
 - Porsche 996 C2 3.4L 1997-08/01
 - Porsche 996 C4 3.4L 1997-08/01
 - Porsche 996 C2 3.6L 09/01-2005
 - Porsche 996 C4 3.6L 09/01-2005
 - Porsche 996 C4S 3.6L 09/01-2005
 - Porsche 996 GT2 2001-05
 - Porsche 996 GT3 MKI 1999-02
 - Porsche 996 GT3 MKII 2003>>
 - Porsche 996 GT3 RS 2003-04
 - Porsche 997 MK1 Carrera 2 3.6L 2005-08
 - Porsche 997 MK1 Carrera 2S 3.8L 2005-08
 - Porsche 997 MK1 Carrera 4 3.6L 2005-08
 - Porsche 997 MK1 Carrera 4S 3.8L 2005-08
 - Porsche Cayman 2.7L 987C 2006-08
 - Porsche Cayman S 3.4L 987C 2005-08
 
24 Bolts Per Engine. Price is for EACH.

Fits:
Porsche 986 Boxster 2.7L / S 3.4L 2003-04
Porsche 987 Boxster 2005-08
Porsche 987C Cayman 2005-08
Porsche 996 C2 / C4 / C4S 2002-05
Porsche 997 Carrera 2005-08
Click 'Zoom in' for large parts diagram
Diagram ref no 20.
Related reference numbers
Related, superseded, cross reference or alternative numbers for comparison.
99610418059
The product you are viewing cross references to these numbers
                                Shop Securely
                            
                            
                                12 Month Warranty
                            
                            
                                Worldwide Delivery
                            
                    
                        
                    
            
            
                    
                    
            
            
                    - Porsche Boxster 986 2.7L 2003-04
 - Porsche Boxster S 986 3.2L 2003-04
 - Porsche Boxster 987 2.7L 2005 -08/08
 - Porsche Boxster 987 S 3.2/3.4L 2005-08/08
 - Porsche 996 C2 3.6L 09/01-2005
 - Porsche 996 C4 3.6L 09/01-2005
 - Porsche 996 C4S 3.6L 09/01-2005
 - Porsche 997 MK1 Carrera 2 3.6L 2005-08
 - Porsche 997 MK1 Carrera 2S 3.8L 2005-08
 - Porsche 997 MK1 Carrera 4 3.6L 2005-08
 - Porsche 997 MK1 Carrera 4S 3.8L 2005-08
 - Porsche Cayman 2.7L 987C 2006-08
 - Porsche Cayman S 3.4L 987C 2005-08
 

Fits:
Porsche 987 Boxster 2005-08
Porsche 987C Cayman 2005-08
Porsche 996 C2 / C4 / C4S 2002-05
Porsche 997 Carrera 2005-08
Click 'zoom in' for large parts diagram
Diagram ref no 27.
Related reference numbers
Related, superseded, cross reference or alternative numbers for comparison.
99610420300
The product you are viewing cross references to these numbers
                                Shop Securely
                            
                            
                                12 Month Warranty
                            
                            
                                Worldwide Delivery
                            
                    
                        
                    
            
            
                    
                    
            
            
                    - Porsche Boxster 986 2.7L 2003-04
 - Porsche Boxster S 986 3.2L 2003-04
 - Porsche Boxster 987 2.7L 2005 -08/08
 - Porsche Boxster 987 S 3.2/3.4L 2005-08/08
 - Porsche 996 C2 3.6L 09/01-2005
 - Porsche 996 C4 3.6L 09/01-2005
 - Porsche 996 C4S 3.6L 09/01-2005
 - Porsche 997 MK1 Carrera 2 3.6L 2005-08
 - Porsche 997 MK1 Carrera 2S 3.8L 2005-08
 - Porsche 997 MK1 Carrera 4 3.6L 2005-08
 - Porsche 997 MK1 Carrera 4S 3.8L 2005-08
 - Porsche Cayman 2.7L 987C 2006-08
 - Porsche Cayman S 3.4L 987C 2005-08
 

Fits:
Porsche 987 Boxster 2005-08
Porsche 987C Cayman 2005-08
Porsche 996 C2 / C4 / C4S 2002-05
Porsche 997 Carrera 2005-08
Click 'zoom in' for large parts diagram
Diagram ref no 27.
Related reference numbers
Related, superseded, cross reference or alternative numbers for comparison.
99610420300
The product you are viewing cross references to these numbers
                                Shop Securely
                            
                            
                                12 Month Warranty
                            
                            
                                Worldwide Delivery
                            
                    
                        
                    
            
            
                    
                    
            
            
                    - Porsche Boxster 986 2.7L 2003-04
 - Porsche Boxster S 986 3.2L 2003-04
 - Porsche Boxster 987 2.7L 2005 -08/08
 - Porsche Boxster 987 S 3.2/3.4L 2005-08/08
 - Porsche 996 C2 3.4L 1997-08/01
 - Porsche 996 C4 3.4L 1997-08/01
 - Porsche 996 C2 3.6L 09/01-2005
 - Porsche 996 C4 3.6L 09/01-2005
 - Porsche 996 C4S 3.6L 09/01-2005
 - Porsche 997 MK1 Carrera 2 3.6L 2005-08
 - Porsche 997 MK1 Carrera 2S 3.8L 2005-08
 - Porsche 997 MK1 Carrera 4 3.6L 2005-08
 - Porsche 997 MK1 Carrera 4S 3.8L 2005-08
 - Porsche Cayman 2.7L 987C 2006-08
 - Porsche Cayman S 3.4L 987C 2005-08
 

Fits:
Porsche 986 Boxster 2.7L / S 3.4L 2003-04
Porsche 987 Boxster 2005-08
Porsche 987C Cayman 2005-08
Porsche 996 C2 / C4 / C4S 2002-05
Porsche 997 Carrera 2005-08
Click 'zoom in' for large parts diagram
Diagram ref no 41.
Related reference numbers
Related, superseded, cross reference or alternative numbers for comparison.
99610524403
The product you are viewing cross references to these numbers
                                Shop Securely
                            
                            
                                12 Month Warranty
                            
                            
                                Worldwide Delivery
                            
                    
                        
                    
            
            
                    
            
            
                    - Porsche Boxster 986 2.7L 2003-04
 - Porsche Boxster S 986 3.2L 2003-04
 - Porsche Boxster 987 2.7L 2005 -08/08
 - Porsche Boxster 987 S 3.2/3.4L 2005-08/08
 - Porsche 996 C2 3.4L 1997-08/01
 - Porsche 996 C4 3.4L 1997-08/01
 - Porsche 996 C2 3.6L 09/01-2005
 - Porsche 996 C4 3.6L 09/01-2005
 - Porsche 996 C4S 3.6L 09/01-2005
 - Porsche 997 MK1 Carrera 2 3.6L 2005-08
 - Porsche 997 MK1 Carrera 2S 3.8L 2005-08
 - Porsche 997 MK1 Carrera 4 3.6L 2005-08
 - Porsche 997 MK1 Carrera 4S 3.8L 2005-08
 - Porsche Cayman 2.7L 987C 2006-08
 - Porsche Cayman S 3.4L 987C 2005-08
 
Fits:
Porsche 986 Boxster 2.7L / S 3.4L 2003-04
Porsche 987 Boxster 2005-08
Porsche 987C Cayman 2005-08
Porsche 996 C2 / C4 / C4S 2002-05
Porsche 997 Carrera 2005-08
Click 'zoom in' for large parts diagram
Diagram ref no 41.
Related reference numbers
Related, superseded, cross reference or alternative numbers for comparison.
99610524403
The product you are viewing cross references to these numbers
                                Shop Securely
                            
                            
                                12 Month Warranty
                            
                            
                                Worldwide Delivery
                            
                    
                        
                    
            
            
                    
                    
            
            
                    - Porsche Boxster 986 2.5L 1997-99
 - Porsche Boxster 986 2.7L 1999-02
 - Porsche Boxster S 986 3.2L 1999-02
 - Porsche Boxster 986 2.7L 2003-04
 - Porsche Boxster S 986 3.2L 2003-04
 - Porsche Boxster 987 2.7L 2005 -08/08
 - Porsche Boxster 987 S 3.2/3.4L 2005-08/08
 - Porsche 996 C2 3.4L 1997-08/01
 - Porsche 996 C4 3.4L 1997-08/01
 - Porsche 996 C2 3.6L 09/01-2005
 - Porsche 996 C4 3.6L 09/01-2005
 - Porsche 996 C4S 3.6L 09/01-2005
 - Porsche 997 MK1 Carrera 2 3.6L 2005-08
 - Porsche 997 MK1 Carrera 2S 3.8L 2005-08
 - Porsche 997 MK1 Carrera 4 3.6L 2005-08
 - Porsche 997 MK1 Carrera 4S 3.8L 2005-08
 - Porsche Cayman 2.7L 987C 2006-08
 - Porsche Cayman S 3.4L 987C 2005-08
 

Fits:
Porsche 986 Boxster 1997-04
Porsche 987 Boxster 2005-08
Porsche 987C Cayman 2005-08
Porsche 996 C2 / C4 / C4S 1997-05
Porsche 997 Carrera 2005-08
Click 'zoom in' for large parts diagram
Diagram ref no 28.
Related reference numbers
Related, superseded, cross reference or alternative numbers for comparison.
99610421554
The product you are viewing cross references to these numbers
                                Shop Securely
                            
                            
                                12 Month Warranty
                            
                            
                                Worldwide Delivery
                            
                    
                        
                    
            
            
                    
            
            
                    - Porsche Boxster 986 2.5L 1997-99
 - Porsche Boxster 986 2.7L 1999-02
 - Porsche Boxster S 986 3.2L 1999-02
 - Porsche Boxster 986 2.7L 2003-04
 - Porsche Boxster S 986 3.2L 2003-04
 - Porsche Boxster 987 2.7L 2005 -08/08
 - Porsche Boxster 987 S 3.2/3.4L 2005-08/08
 - Porsche 996 C2 3.4L 1997-08/01
 - Porsche 996 C4 3.4L 1997-08/01
 - Porsche 996 C2 3.6L 09/01-2005
 - Porsche 996 C4 3.6L 09/01-2005
 - Porsche 996 C4S 3.6L 09/01-2005
 - Porsche 997 MK1 Carrera 2 3.6L 2005-08
 - Porsche 997 MK1 Carrera 2S 3.8L 2005-08
 - Porsche 997 MK1 Carrera 4 3.6L 2005-08
 - Porsche 997 MK1 Carrera 4S 3.8L 2005-08
 - Porsche Cayman 2.7L 987C 2006-08
 - Porsche Cayman S 3.4L 987C 2005-08
 

Fits:
Porsche 986 Boxster 1997-04
Porsche 987 Boxster 2005-08
Porsche 987C Cayman 2005-08
Porsche 996 C2 / C4 / C4S 1997-05
Porsche 997 Carrera 2005-08
Click 'zoom in' for large parts diagram
Diagram ref no 28.
Related reference numbers
Related, superseded, cross reference or alternative numbers for comparison.
99610421554
The product you are viewing cross references to these numbers
                                Shop Securely
                            
                            
                                12 Month Warranty
                            
                            
                                Worldwide Delivery
                            
                    
                        
                    
            
            
                    
                    
            
            
                    - Porsche Boxster 986 2.7L 2003-04
 - Porsche Boxster S 986 3.2L 2003-04
 - Porsche Boxster 987 2.7L 2005 -08/08
 - Porsche Boxster 987 S 3.2/3.4L 2005-08/08
 - Porsche 996 C2 3.6L 09/01-2005
 - Porsche 996 C4 3.6L 09/01-2005
 - Porsche 996 C4S 3.6L 09/01-2005
 - Porsche 997 MK1 Carrera 2 3.6L 2005-08
 - Porsche 997 MK1 Carrera 2S 3.8L 2005-08
 - Porsche 997 MK1 Carrera 4 3.6L 2005-08
 - Porsche 997 MK1 Carrera 4S 3.8L 2005-08
 - Porsche Cayman 2.7L 987C 2006-08
 - Porsche Cayman S 3.4L 987C 2005-08
 
 Fits:
Porsche 986 Boxster 2.7L / 3.2L 2003-04
Porsche 987 Boxster 2005-08
Porsche 987C Cayman 2005-08
Porsche 996 C2 / C4 / C4S 2002-05
Porsche 997 Carrera 2005-08
Click 'zoom in' for large parts diagram
Diagram ref no 29.
Related reference numbers
Related, superseded, cross reference or alternative numbers for comparison.
99610421602
The product you are viewing cross references to these numbers
                                Shop Securely
                            
                            
                                12 Month Warranty
                            
                            
                                Worldwide Delivery
                            
                    
                        
                    
            
            
                    
                    
            
            
                    - Porsche 996 TURBO 2000-05
 - Porsche 996 GT2 2001-05
 - Porsche 996 GT3 MKI 1999-02
 - Porsche 996 GT3 MKII 2003>>
 - Porsche 996 GT3 RS 2003-04
 - Porsche 997 MK1 GT3 2007-09
 - Porsche 997 MKII GT3 2010-11
 - Porsche 997 MKII GT2 RS 2011-13
 
24Pc per Engine. Price is for each.

Fits:
Porsche 996 Turbo 2001-05
Porsche 997.1 Turbo / GT2 2007-09
Porsche 997.2 GT2 RS 2011
Porsche 996 GT3 2000-05
Porsche 997 GT3 2007-11
Click 'Zoom in' for large parts diagram
Diagram ref no 6
Related reference numbers
Related, superseded, cross reference or alternative numbers for comparison.
99610117270
The product you are viewing cross references to these numbers
                                Shop Securely
                            
                            
                                12 Month Warranty
                            
                            
                                Worldwide Delivery
                            
                    Precision Cylinder Head & Camshaft Covers – Engine Protection and Performance for Porsche Models
The cylinder head and camshaft covers play a vital role in protecting key engine components such as the valvetrain, camshafts, and cylinder head from dirt, debris, and oil contamination. Beyond protection, they ensure proper oil sealing and ventilation — maintaining consistent lubrication and pressure balance within the engine.
At Design911, we offer a wide selection of precision-engineered cylinder head and camshaft covers for both classic and modern Porsche engines. Crafted from high-grade aluminium, magnesium, and composite materials, these covers provide a perfect fit and long-lasting reliability while maintaining the clean, professional look expected from Porsche’s performance heritage.
Whether you’re restoring an air-cooled 911 or servicing a high-output 992, our manufacturer-quality components ensure leak-free operation and exceptional durability.
What Do Cylinder Head and Camshaft Covers Do?
These components serve as the protective shell for your engine’s valvetrain and upper oil channels. They keep contaminants out, manage internal pressure, and help maintain consistent lubrication.
Core Functions:
- Seal the upper engine area, preventing oil leaks and contamination.
 - Protect the camshafts and valve train from debris and moisture.
 - Regulate crankcase ventilation, supporting optimal engine breathing.
 - Maintain correct oil flow for cooling and lubrication efficiency.
 
They are essential not only for reliability but also for maintaining the visual and mechanical integrity of your Porsche’s engine bay.
Why Do Cylinder Head / Camshaft Covers Fail?
Over time, heat, pressure, and oil exposure can degrade materials, seals, and gaskets. These issues can lead to leaks, poor ventilation, and even oil starvation in extreme cases.
Common Causes of Failure Include:
- Cracked or warped covers from repeated heat cycles.
 - Degraded seals or gaskets, causing oil leaks.
 - Loose or fatigued fasteners, leading to uneven sealing pressure.
 - Blocked breather passages, increasing internal pressure.
 - Corrosion or contamination in older engines.
 
Replacing worn covers and seals restores oil control, prevents leaks, and preserves long-term engine health.
Why Replace with Precision-Engineered Covers?
Upgrading or replacing your covers ensures your Porsche engine operates as intended — leak-free, properly ventilated, and visually clean.
Key Benefits:
- Restores sealing performance and eliminates oil leaks.
 - Protects vital valvetrain components from dirt and debris.
 - Maintains proper crankcase pressure and oil control.
 - Crafted from premium materials for superior heat and corrosion resistance.
 - Perfect fitment and finish, ensuring long-term reliability.
 - Compatible with a wide range of Porsche models, from classics to modern GT cars.
 
Precision covers also contribute to the engine’s aesthetic, maintaining the refined look Porsche owners expect.
Highlights:
- High-strength cylinder head and camshaft covers for Porsche engines.
 - Precision-machined sealing surfaces for long-term oil-tight performance.
 - Manufacturer-quality materials – aluminium, magnesium, and composite options.
 - Improved oil control and internal ventilation. Ideal for engine rebuilds, upgrades, or restorations.
 - Compatible with air-cooled and water-cooled Porsche models.