Enter your VAT number here and click Verify:
Your details have been verified. VAT number registered to:
,
.
Your order will now be zero rated for VAT purposes. We reserve the right to verify these details after your order request has been made and reinstate VAT if required.
Your VAT details were not recognised or were invalid. Your VAT number must be matched to your Billing Country as specified above. This is currently specified as . You do not need to enter the country code part of your VAT number as this has already been selected in your billing address details above.
The VAT number checking service is currently offline. Please supply your VAT details within the comments or special instructions field below and we will apply a VAT discount after placing your order request.
Rocker Arms & Tappets
- Porsche 958 Cayenne S V6 3.0L Hybrid (380Hp) 2010-17
- Porsche 9YA Cayenne Turbo V8 4.0L Petrol (550Hp) 2020-23
- Porsche 9YA Cayenne Coupe Turbo V8 4.0L Petrol (550Hp) 2019-23
- Porsche 970.1 Panamera S Hybrid V6 3.0L 2011-13
- Porsche 970.2 Panamera Diesel V6 3.0L (250Hp) 2014-16
- Porsche 971.1 Panamera Turbo V8 4.0L 4WD (550 Hp) 2017-20
- Porsche 971.1 Panamera Turbo V8 4.0L 4WD Executive 2017-20
- Porsche 971.2 Panamera Turbo S 4.0L V8 2021-23
- Porsche 971.2 Panamera Turbo S Sport Turismo 4.0L V8 2021-23
- Porsche 95B.1 Macan Petrol 2.0L (237Bhp) 2014-18
- Porsche 95B.1 Macan S Petrol 3.0L V6 (340Bhp) 2014-18
- Porsche 95B.1 Macan GTS Petrol 3.0L V6 (360Bhp) 2014-18
- Porsche 95B.1 Macan Turbo 3.6L V6 (400Bhp) 2014-18
- Porsche 95B.2 Macan Petrol 2.0L (245Bhp) 2019-21

Fits:
Porsche 95B.1 Macan 2.0ltr - 2014 to 2018
Porsche 95B.1 Macan S 3.0lr - 2014 to 2018
Porsche 95B.1 Macan GTS 3.0ltr - 2014 to 2018
Porsche 95B.1 Macan turbo 3.6ltr - 2014 to 2018
Porsche 95B.2 Macan 2.0ltr - 2019 to 2021
Porsche 970 Panamera Hybrid 3.0ltr - 2009 to 2016
Porsche 971 Panamera turbo 4.0ltr - 2017 to 2023
Porsche 958 Cayenne Hybrid - 2010 to 2017
Porsche 9YA Cayenne turbo 4.0ltr - 2018 to 2023
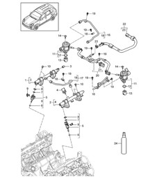
Click 'Zoom in' for large parts diagram.
Diagram ref no 4
Related reference numbers
Related, superseded, cross reference or alternative numbers for comparison.
9A710931100
The product you are viewing cross references to these numbers
- Porsche 957 Cayenne 3.0L Diesel 2007-10
- Porsche 958 Cayenne V6 3.0L Diesel (245Hp) 2010-17
- Porsche 958 Cayenne S V8 4.2L Diesel (382Hp) 2010-17
- Porsche 970.1 Panamera Diesel V6 3.0L 2011-13
- Porsche 970.2 Panamera Diesel V6 3.0L (250Hp) 2014-16
- Porsche 971.1 Panamera 4S Diesel V8 4.0L 4WD (422 Hp) 2017-18
- Porsche 971.1 Panamera 4S Diesel 4.0L Twin-Turbo V8 Sport Turismo 2017-18
- Porsche 95B.1 Macan S Diesel 3.0L V6 (258Bhp) 2014-18
Diesel Engine Hydraulic Tappet / Valve Lifter
This engine hydraulic tappet (also known as a hydraulic valve
lifter) is a precision component used in Porsche diesel engines to
maintain correct valve clearance automatically. By using engine oil pressure,
the tappet ensures smooth valve operation, quiet running and consistent
performance across all driving conditions.
Fits:
Diagram ref no 11
In modern Porsche diesel engines, hydraulic tappets play a crucial role in durability, refinement and emissions control—making them an essential service and repair component.
What Does an Engine Hydraulic Tappet Do?
Hydraulic tappets sit between the camshaft and valves, using oil
pressure to compensate for thermal expansion and component wear. This allows
the valve train to operate with:
- Correct valve timing and lift
- Reduced mechanical noise
- Improved combustion efficiency
- Lower internal engine wear
By automatically adjusting clearance, hydraulic tappets eliminate the need for manual valve adjustment and help maintain optimal engine performance throughout the rev range.
Why Do Hydraulic Tappets Fail on Porsche Diesel Engines?
Over time, hydraulic tappets are subject to heat, oil contamination
and mechanical stress, particularly in high-torque diesel engines.
Common
causes of failure include:
- Oil sludge or poor lubrication
- Wear to internal check valves
- Loss of hydraulic pressure retention
- Extended oil change intervals
- Contaminated or incorrect oil grades
Symptoms of worn or failing tappets may include:
Ticking or tapping noises from the cylinder head Rough idle or misfiring Reduced engine efficiency Increased valve train wearWhy Replace Worn Hydraulic Tappets?
Replacing worn hydraulic tappets restores:
- Quiet and smooth engine operation
- Correct valve timing and combustion
- Reduced wear on camshafts and valves
- Long-term engine reliability
Ignoring tappet wear can lead to accelerated damage to the camshaft and valve train, resulting in significantly higher repair costs.
Related reference numbers
Related, superseded, cross reference or alternative numbers for comparison.
958109521
The product you are viewing cross references to these numbers
- Porsche 957 Cayenne 3.0L Diesel 2007-10
- Porsche 958 Cayenne V6 3.0L Diesel (245Hp) 2010-17
- Porsche 958 Cayenne S V8 4.2L Diesel (382Hp) 2010-17
- Porsche 970.1 Panamera Diesel V6 3.0L 2011-13
- Porsche 970.2 Panamera Diesel V6 3.0L (250Hp) 2014-16
- Porsche 971.1 Panamera 4S Diesel V8 4.0L 4WD (422 Hp) 2017-18
- Porsche 971.1 Panamera 4S Diesel 4.0L Twin-Turbo V8 Sport Turismo 2017-18
- Porsche 95B.1 Macan S Diesel 3.0L V6 (258Bhp) 2014-18
Diesel Engine Hydraulic Tappet / Valve Lifter
Sold each
This engine hydraulic tappet (also known as a hydraulic valve
lifter) is a precision component used in Porsche diesel engines to
maintain correct valve clearance automatically. By using engine oil pressure,
the tappet ensures smooth valve operation, quiet running and consistent
performance across all driving conditions.
Fits:
- Porsche 957 Cayenne 3.0L Diesel 2007-10
- Porsche 958 Cayenne V6 3.0L Diesel 245HP 2010-17
- Porsche 958 Cayenne S V8 4.2L Diesel 382HP 2010-17
- Porsche 970.1 Panamera Diesel V6 3.0L 2011-13
- Porsche 970.2 Panamera Diesel V6 3.0L (250Hp) 2014-16
- Porsche 971.1 Panamera 4S Diesel V8 4.0L 4WD (422 Hp) 2017-18
- Porsche 971.1 Panamera 4S Diesel 4.0L Twin-Turbo V8 Sport Turismo 2017-18
- Porsche 95B.1 Macan S Diesel 3.0L V6 258Bhp 2014-18
Diagram ref no 11
In modern Porsche diesel engines, hydraulic tappets play a crucial role in durability, refinement and emissions control—making them an essential service and repair component.
What Does an Engine Hydraulic Tappet Do?
Hydraulic tappets sit between the camshaft and valves, using oil
pressure to compensate for thermal expansion and component wear. This allows
the valve train to operate with:
- Correct valve timing and lift
- Reduced mechanical noise
- Improved combustion efficiency
- Lower internal engine wear
By automatically adjusting clearance, hydraulic tappets eliminate the need for manual valve adjustment and help maintain optimal engine performance throughout the rev range.
Why Do Hydraulic Tappets Fail on Porsche Diesel Engines?
Over time, hydraulic tappets are subject to heat, oil contamination
and mechanical stress, particularly in high-torque diesel engines.
Common
causes of failure include:
- Oil sludge or poor lubrication
- Wear to internal check valves
- Loss of hydraulic pressure retention
- Extended oil change intervals
- Contaminated or incorrect oil grades
Symptoms of worn or failing tappets may include:
Ticking or tapping noises from the cylinder head Rough idle or misfiring Reduced engine efficiency Increased valve train wearWhy Replace Worn Hydraulic Tappets?
Replacing worn hydraulic tappets restores:
- Quiet and smooth engine operation
- Correct valve timing and combustion
- Reduced wear on camshafts and valves
- Long-term engine reliability
Ignoring tappet wear can lead to accelerated damage to the camshaft and valve train, resulting in significantly higher repair costs.
Related reference numbers
Related, superseded, cross reference or alternative numbers for comparison.
958109521
The product you are viewing cross references to these numbers
- Porsche 958 Cayenne S V6 3.0L Hybrid (380Hp) 2010-17
- Porsche 970.1 Panamera S Hybrid V6 3.0L 2011-13
- Porsche 970.2 Panamera S E-Hybrid V6 3.0L (416Hp) 2014-16
- Porsche 95B.1 Macan Petrol 2.0L (237Bhp) 2014-18
- Porsche 95B.2 Macan Petrol 2.0L (245Bhp) 2019-21
Hydraulic Tappet / Valve Lifter
Sold each
The hydraulic tappet / valve lifter is a precision
valvetrain component used in Porsche Macan 2.0ltr, Cayenne S Hybrid and
Panamera S Hybrid engines to automatically maintain correct valve clearance. By
using engine oil pressure, the tappet ensures smooth valve actuation, quiet
engine operation and consistent performance under all driving conditions.
Fits:
Diagram ref no 6
In advanced Porsche petrol and hybrid powertrains, accurate valve control is essential for efficiency, refinement and long-term engine durability—making hydraulic tappets a critical service component.
What Does a Hydraulic Tappet / Valve Lifter Do?
Hydraulic tappets sit between the camshaft and the valves,
using pressurised engine oil to compensate for thermal expansion and component
wear. This allows the valvetrain to operate with:
- Correct valve timing and lift
- Reduced mechanical noise
- Smooth idle and throttle response
- Improved combustion efficiency
By eliminating the need for manual valve clearance adjustment, hydraulic tappets help maintain optimal engine performance throughout the engine’s service life.
Why Do Hydraulic Tappets Fail?
Hydraulic tappets operate in high-temperature, high-load
environments and rely heavily on clean, correctly pressurised oil. Common
causes of failure include:
- Oil contamination or sludge build-up
- Extended oil change intervals
- Internal wear of the tappet mechanism
- Loss of oil pressure retention
- Incorrect oil specification
Typical symptoms of failing tappets include:
- Ticking or tapping noises from the cylinder head
- Rough idle or hesitation
- Reduced engine efficiency
- Accelerated wear to camshafts and valves
Why Replace Worn Valve Lifters?
Replacing worn hydraulic tappets helps restore:
- Quiet, refined engine operation
- Accurate valve timing Improved drivability and efficiency
- Protection against further valvetrain damage
Ignoring tappet wear can result in costly repairs to camshafts, valves and cylinder heads—especially in hybrid engines where smooth operation is critical.
Related reference numbers
Related, superseded, cross reference or alternative numbers for comparison.
95810542320
The product you are viewing cross references to these numbers
- Porsche 958 Cayenne S V6 3.0L Hybrid (380Hp) 2010-17
- Porsche 970.1 Panamera S Hybrid V6 3.0L 2011-13
- Porsche 970.2 Panamera S E-Hybrid V6 3.0L (416Hp) 2014-16
- Porsche 95B.1 Macan Petrol 2.0L (237Bhp) 2014-18
- Porsche 95B.2 Macan Petrol 2.0L (245Bhp) 2019-21
Hydraulic Tappet / Valve Lifter
Sold each
The hydraulic tappet / valve lifter is a precision
valvetrain component used in Porsche Macan 2.0ltr, Cayenne S Hybrid and
Panamera S Hybrid engines to automatically maintain correct valve clearance. By
using engine oil pressure, the tappet ensures smooth valve actuation, quiet
engine operation and consistent performance under all driving conditions.
Fits:
Diagram ref no 6
In advanced Porsche petrol and hybrid powertrains, accurate valve control is essential for efficiency, refinement and long-term engine durability—making hydraulic tappets a critical service component.
What Does a Hydraulic Tappet / Valve Lifter Do?
Hydraulic tappets sit between the camshaft and the valves,
using pressurised engine oil to compensate for thermal expansion and component
wear. This allows the valvetrain to operate with:
- Correct valve timing and lift
- Reduced mechanical noise
- Smooth idle and throttle response
- Improved combustion efficiency
By eliminating the need for manual valve clearance adjustment, hydraulic tappets help maintain optimal engine performance throughout the engine’s service life.
Why Do Hydraulic Tappets Fail?
Hydraulic tappets operate in high-temperature, high-load
environments and rely heavily on clean, correctly pressurised oil. Common
causes of failure include:
- Oil contamination or sludge build-up
- Extended oil change intervals
- Internal wear of the tappet mechanism
- Loss of oil pressure retention
- Incorrect oil specification
Typical symptoms of failing tappets include:
- Ticking or tapping noises from the cylinder head
- Rough idle or hesitation
- Reduced engine efficiency
- Accelerated wear to camshafts and valves
Why Replace Worn Valve Lifters?
Replacing worn hydraulic tappets helps restore:
- Quiet, refined engine operation
- Accurate valve timing Improved drivability and efficiency
- Protection against further valvetrain damage
Ignoring tappet wear can result in costly repairs to camshafts, valves and cylinder heads—especially in hybrid engines where smooth operation is critical.
Related reference numbers
Related, superseded, cross reference or alternative numbers for comparison.
95810542320
The product you are viewing cross references to these numbers
- Porsche 957 Cayenne 3.0L Diesel 2007-10
- Porsche 958 Cayenne V6 3.0L Diesel (245Hp) 2010-17
- Porsche 958 Cayenne S V8 4.2L Diesel (382Hp) 2010-17
- Porsche 970.1 Panamera Diesel V6 3.0L 2011-13
- Porsche 970.2 Panamera Diesel V6 3.0L (250Hp) 2014-16
- Porsche 95B.1 Macan S Diesel 3.0L V6 (258Bhp) 2014-18
Price is for each.

Fits:
Porsche 957 Cayenne 3.0L DIESEL 2009-10
Porsche 958 Cayenne 3.0L DIESEL 2011>>
Porsche 958 Cayenne 4.2L V8 DIESEL 2013>>
Porsche Macan 3.0L V6 TDI 2014>>
Porsche 970 Panamera 3.0L DIESEL 2012>>
Click 'Zoom in' for large parts diagram.
Diagram Ref No 12
Related reference numbers
Related, superseded, cross reference or alternative numbers for comparison.
95510541720
The product you are viewing cross references to these numbers
- Porsche 957 Cayenne 3.0L Diesel 2007-10
- Porsche 958 Cayenne V6 3.0L Diesel (245Hp) 2010-17
- Porsche 958 Cayenne S V8 4.2L Diesel (382Hp) 2010-17
- Porsche 970.1 Panamera Diesel V6 3.0L 2011-13
- Porsche 970.2 Panamera Diesel V6 3.0L (250Hp) 2014-16
- Porsche 95B.1 Macan S Diesel 3.0L V6 (258Bhp) 2014-18
Price is for each.

Fits:
Porsche 957 Cayenne 3.0L DIESEL 2009-10
Porsche 958 Cayenne 3.0L DIESEL 2011>>
Porsche 958 Cayenne 4.2L V8 DIESEL 2013>>
Porsche Macan 3.0L V6 TDI 2014>>
Porsche 970 Panamera 3.0L DIESEL 2012>>
Click 'Zoom in' for large parts diagram.
Diagram Ref No 12
Related reference numbers
Related, superseded, cross reference or alternative numbers for comparison.
95510541720
The product you are viewing cross references to these numbers
-
Camshaft / Valves / Vacuum pump (Model: 059E) Cayenne 92A (958) 3.0L Diesel >>05/2011 103-060
-
Camshaft / Valves (Model: CRCA,CRCB, CNRB,CVVA, CVVB,CVVC) Cayenne 92A (958) 3.0L Diesel 05/2011-18 103-062
-
Camshaft / Valves (Model: 06EC,CGEA, CGE,CGFA,CJT) Cayenne 92A (958) 3.0L HYBRID 2011-18 103-065
-
Camshaft / Valves (Model: CUDB,CUDC) Cayenne 92A (958) 4.2L Diesel 2011-18 103-067
-
Fuel collection pipe / high-pressure injector / high pressure pump (Model: CURA,CUR, CXZA,CXZ) Cayenne 92A (958) 3.6L 2011-18 107-027
-
Fuel collection pipe / high-pressure injector / high pressure pump (Model: 06EC,CGEA, CGE,CGFA,CJT) Cayenne 92A (958) 3.0L HYBRID 2011-18 107-040
Rocker Arms (Cam Followers) & Tappets – Precision Valve Train Components for Porsche Engines
The rocker arms (also known as cam followers) and tappets are crucial components within your Porsche’s valvetrain system. They convert the rotational movement of the camshaft into the vertical motion that opens and closes the engine’s valves, allowing precise control of air, fuel, and exhaust flow.
At Design911, we offer a complete range of rocker arms and tappets developed for Porsche engines across all generations. Manufactured from high-strength, wear-resistant alloys, these components ensure smooth operation, minimal friction, and long-lasting durability. Whether you’re restoring a classic air-cooled 911 or upgrading a modern GT engine, our quality valvetrain components deliver the accuracy and reliability your Porsche demands.
What Do Rocker Arms & Tappets Do?
Rocker arms and tappets form the mechanical link between the camshaft and the valves — controlling the timing and lift that determine engine breathing efficiency.
Core Functions:
- Transmit
camshaft movement to open and close the intake and exhaust valves.
- Maintain
precise valve timing for efficient combustion.
- Reduce
friction and wear through precise geometry and lubrication.
- Ensure
smooth, quiet operation across the rev range.
- Support consistent power delivery and optimal performance.
Well-functioning rocker arms and tappets are essential for maintaining engine efficiency, throttle response, and durability.
Why Do Rocker Arms & Tappets Fail?
Continuous exposure to high temperatures, pressure, and friction makes rocker arms and tappets susceptible to wear over time.
Common Causes of Failure Include:
- Oil
starvation due to blocked passages or poor lubrication.
- Surface
wear or pitting from high mileage or contamination.
- Excessive
valve clearance leading to noise and impact damage.
- Camshaft
wear causing uneven contact and mechanical stress.
- Material fatigue from prolonged high RPM use.
Symptoms of failure include ticking or knocking noises, loss of power, misfires, or excessive valve noise, all indicating the need for inspection and replacement.
Why Replace Valvetrain Components?
Replacing worn rocker arms or tappets restores accurate valve timing, reduces friction, and prevents camshaft or valve damage. Our high-performance, precision-engineered replacements are designed for exact fitment and long-term durability under extreme conditions.
Key Benefits:
- Restores proper valve timing and smooth operation.
- Reduces engine noise and friction losses.
- Prevents premature wear of the camshaft and valves.
- Manufactured from heat-treated, wear-resistant materials.
- Direct-fit
compatibility for a wide range of Porsche engines.
- Ideal for rebuilds, restorations, or performance upgrades.
A reliable valvetrain system ensures your Porsche runs smoother, quieter, and more efficiently — preserving both performance and longevity.
Highlights:
- High-strength rocker arms, cam followers, and tappets for Porsche engines.
- Precision-machined for durability and accurate valve control.
- Reduces noise, friction, and wear under extreme conditions.
- Perfect for rebuilds, tuning, and classic restoration projects.
- Direct-fit, manufacturer-quality parts for 911, Cayman, Boxster and other models.
- Essential for smooth, consistent engine performance.