Enter your VAT number here and click Verify:
Your details have been verified. VAT number registered to:
,
.
Your order will now be zero rated for VAT purposes. We reserve the right to verify these details after your order request has been made and reinstate VAT if required.
Your VAT details were not recognised or were invalid. Your VAT number must be matched to your Billing Country as specified above. This is currently specified as . You do not need to enter the country code part of your VAT number as this has already been selected in your billing address details above.
The VAT number checking service is currently offline. Please supply your VAT details within the comments or special instructions field below and we will apply a VAT discount after placing your order request.
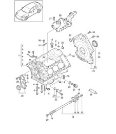
Crankshaft & Parts

Kit includes:
1 x Plastigauge PL-A box
1 x Plastiguage Mineral grease
1 x Plastiguage Silicone grease
PLASTIGAUGE PL-A is widely used in the measurement of clearance in plain automotive bearings. Measurement of clearance in big-end bearings can be achieved without dismantling the crankshaft.
3G Minerak Grease: To coat journal prior to use of Plastigauge
3G Silicone Grease: To apply to surface of shell
Related reference numbers
Related, superseded, cross reference or alternative numbers for comparison.
PLASKIT
The product you are viewing cross references to these numbers
This kit is comprised of the following items:
100 Plasigauge strips per box

PLASTIGAUGE PL-A is widely used in the measurement of clearance in plain automotive bearings. Measurement of clearance in big-end bearings can be achieved without dismantling the crankshaft.
For measurements of: 0.001″ to 0.007″ (0.025mm – 0.175mm)
Suitable for use at temperatures between 0°C and 35°C
Contents:
Related reference numbers
Related, superseded, cross reference or alternative numbers for comparison.
PLA007
The product you are viewing cross references to these numbers
- Porsche 958 Cayenne S V6 3.0L Hybrid (380Hp) 2010-17
- Porsche 970.1 Panamera S Hybrid V6 3.0L 2011-13
- Porsche 970.2 Panamera S E-Hybrid V6 3.0L (416Hp) 2014-16

Fits:
Porsche 958 Cayenne S Hybrid - 2010 to 2017
Porsche 970.1 Panamera S Hybrid - 2009 to 2013
Porsche 970.2 Panamera S E-Hybrid - 2014 to 2016
For engine codes
CGEA / CGE / CGFA / CJT / 06EC
Bearing Identification - BLACK
Click 'Zoom in' for large parts diagram.
Diagram ref no 10 and 11
Related reference numbers
Related, superseded, cross reference or alternative numbers for comparison.
95810124100
The product you are viewing cross references to these numbers
- Porsche 958 Cayenne S V6 3.0L Hybrid (380Hp) 2010-17
- Porsche 970.1 Panamera S Hybrid V6 3.0L 2011-13
- Porsche 970.2 Panamera S E-Hybrid V6 3.0L (416Hp) 2014-16

Fits:
Porsche 958 Cayenne Hybrid 3.0L 2011>>
Porsche 970 Panamera Hybrid 3.0L 2012>>
Old Porsche number:
- 95810224110
Audi numbers:
- 06E105251F
- 06E105251E
Also fits:
Audi A7 C7 3.0T
Audi B8 S4 Quattro 3.0T
Audi B8 S5 Quattro 3.0T Cabriolet
Audi B8 S5 Quattro 3.0T Coupe
Audi B8 SQ5 GTI 3.0T
Audi C6 A6 All V6 3.0T
Audi C7 A6 FWD V6 3.0T
Audi C7 A6 Quattro V6 3.0T
Audi Q5 GTI 3.0T
Audi Q7 GTI 3.0T
Click 'Zoom in' for large parts diagram.
Diagram ref no 4
Related reference numbers
Related, superseded, cross reference or alternative numbers for comparison.
95810224111
The product you are viewing cross references to these numbers
- Porsche 958 Cayenne S V6 3.0L Hybrid (380Hp) 2010-17
- Porsche 970.1 Panamera S Hybrid V6 3.0L 2011-13
- Porsche 970.2 Panamera S E-Hybrid V6 3.0L (416Hp) 2014-16

Fits:
Porsche 958 Cayenne Hybrid 3.0L 2011>>
Porsche 970 Panamera Hybrid 3.0L 2012>>
Old Porsche number:
- 95810224110
Audi numbers:
- 06E105251F
- 06E105251E
Also fits:
Audi A7 C7 3.0T
Audi B8 S4 Quattro 3.0T
Audi B8 S5 Quattro 3.0T Cabriolet
Audi B8 S5 Quattro 3.0T Coupe
Audi B8 SQ5 GTI 3.0T
Audi C6 A6 All V6 3.0T
Audi C7 A6 FWD V6 3.0T
Audi C7 A6 Quattro V6 3.0T
Audi Q5 GTI 3.0T
Audi Q7 GTI 3.0T
Click 'Zoom in' for large parts diagram.
Diagram ref no 4
Related reference numbers
Related, superseded, cross reference or alternative numbers for comparison.
95810224111
The product you are viewing cross references to these numbers
- Porsche 958 Cayenne S V6 3.0L Hybrid (380Hp) 2010-17
- Porsche 970.1 Panamera S Hybrid V6 3.0L 2011-13
- Porsche 970.2 Panamera S E-Hybrid V6 3.0L (416Hp) 2014-16

Fits:
Porsche 958 Cayenne 3.0L HYBRID 2012-18
Porsche 970 Panamera 3.0L HYBRID 2012-16
Click 'Zoom in' for large parts diagram.
Diagram ref no 25
Related reference numbers
Related, superseded, cross reference or alternative numbers for comparison.
95810115010
The product you are viewing cross references to these numbers
- Porsche 958 Cayenne S V6 3.0L Hybrid (380Hp) 2010-17
- Porsche 970.1 Panamera S Hybrid V6 3.0L 2011-13
- Porsche 970.2 Panamera S E-Hybrid V6 3.0L (416Hp) 2014-16
Fits:
Porsche 958 Cayenne 3.0L HYBRID 2012-18
Porsche 970 Panamera 3.0L HYBRID 2012-16
Diagram ref no 25
Related reference numbers
Related, superseded, cross reference or alternative numbers for comparison.
95810115010
The product you are viewing cross references to these numbers

3G Mineral Grease: To coat journal prior to use of Plastigauge
3G Silicone Grease: To apply to surface of shell
Lubricants to assist with the measurement of clearance in automotive bearings.
Plastigauge Precision Clearance Gauges
Precision Crankshafts & Components – Engine Balance, Power, and Reliability for Porsche Models
The crankshaft is the backbone of every Porsche engine, responsible for transforming the reciprocating motion of pistons into smooth, rotational power. It endures immense pressure, heat, and mechanical load — making precision, strength, and perfect balance essential for sustained performance.
At Design911, we stock a comprehensive range of high-precision crankshafts and related components, including main bearings, thrust washers, oil seals, dowels, bolts, and pulleys. Each component is engineered from motorsport-grade materials to deliver optimal strength, fatigue resistance, and rotational balance for both classic and modern Porsche engines.
Whether you’re carrying out a complete engine rebuild or restoring a vintage air-cooled flat-six, our manufacturer-quality crankshaft parts ensure durability, smooth operation, and maximum efficiency under all driving conditions.
What Do Crankshafts and Crankshaft Parts Do?
The crankshaft plays a central role in the internal combustion process, converting piston motion into rotational energy that powers the drivetrain. Supporting components like bearings, seals, and bolts keep it perfectly aligned and lubricated for friction-free motion.
Core Functions:
- Convert linear piston motion into rotational energy to drive the vehicle.
- Maintain engine balance and smoothness across the RPM range.
- Support precise oil flow and bearing lubrication for reduced friction.
- Ensure stable load distribution, protecting connecting rods and bearings.
High-precision crankshaft assemblies are fundamental to maintaining Porsche’s signature smoothness, responsiveness, and reliability.
Why Do Crankshafts Fail?
Even the strongest crankshaft components can wear or fail over time due to extreme forces, lubrication issues, or age-related fatigue. Left unaddressed, these issues can lead to major engine damage.
Common Causes of Failure Include:
- Oil starvation, leading to bearing wear and journal scoring.
- Excessive vibration from imbalance or worn dampers.
- Cracks or fatigue stress caused by high RPM or detonation.
- Bearing seizure due to contamination or low oil pressure.
- Improper torque or alignment during rebuilds.
Replacing worn or damaged components during an engine rebuild restores smooth rotation, lubrication integrity, and power delivery.
Why Replace with Precision-Engineered Crankshaft Components?
Using high-quality, precision-balanced crankshaft parts is vital to maintaining your Porsche’s performance and reliability. Upgrading or replacing aged components improves both powertrain smoothness and long-term engine life.
Key Benefits:
- Restores rotational balance and smooth power delivery.
- Prevents bearing failure and vibration from worn journals or misalignment.
- Improves oil control and lubrication efficiency.
- Enhances reliability and engine lifespan under load or high-RPM conditions.
- Crafted from forged or billet materials for strength and durability.
- Precision-fit design for both air-cooled and water-cooled Porsche engines.
Engine rebuilders and performance specialists trust these components to achieve race-grade precision with road-going reliability.
Highlights:
- Comprehensive range of crankshafts, bearings, bolts, and seals for Porsche engines.
- Precision-balanced components for smooth and efficient rotation.
- Motorsport-grade materials ensure exceptional fatigue resistance.
- Ideal for classic rebuilds, performance upgrades, and preventive maintenance.
- Perfect fitment across air-cooled and modern Porsche models.
- Restores original power delivery, efficiency, and reliability.