在此输入您的增值税号,然后单击验证:
您的详细信息已经过验证。增值税号注册至:
,
。
现在,您的订单的增值税税率为零。我们保留在您提出订单请求后验证这些详细信息的权利,并在需要时恢复增值税。
您的增值税详细信息无法识别或无效。您的增值税号必须与上面指定的帐单国家/地区相匹配。当前指定为 。您无需输入增值税号的国家/地区代码部分,因为已在上面的帐单地址详细信息中选择了该部分。
增值税号查询服务目前已离线。请在下面的评论或特殊说明字段中提供您的增值税详细信息,我们将在您提出订单请求后应用增值税折扣。
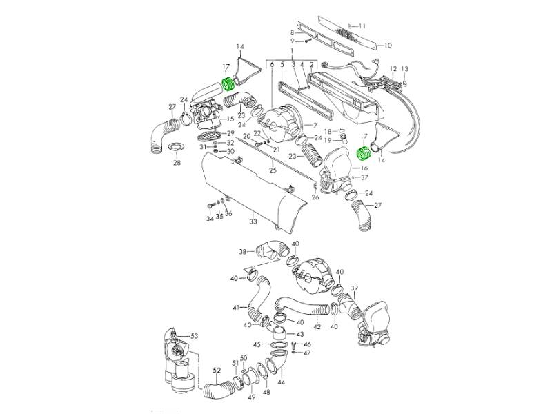
加热器软管和管道
- Porsche 911 1965-1968 2.0L / 912 SWB (F)
- Porsche 911 1968-1973 2.2L / 2.4L / 2.7L RS LWB (F)
- Porsche 911 1974-1977 2.7L / 1976-77 3.0 Carrera
- Porsche 911 1978-1983 3.0L / SC
- Porsche 911 1984-1986 3.2L
- Porsche 911 1987-1989 3.2L G50
- Porsche 911 1975-1977 3.0L Turbo (930)
- Porsche 911 1978-1989 3.3L Turbo (930)
- Porsche 914 (1970-1976)
适合:
保时捷 911 卡雷拉 3.2L 08/83-07/89
保时捷 911 S(机械喷射)2.4L 08/71-07/73
保时捷 911 SC 涡轮增压 3.3L 08/78-07/89
保时捷 911 SC/911 卡雷拉 2.7-3.0L 08/75-07/83
保时捷 911 T/E/S(非机械喷射)2.0-2.4L 01/63-07/73
保时捷 911/911 S/911 卡雷拉 2.7L 08/73-07/75
保时捷 914 1.7-2.0L 01/69-02/76
相关参考编号
相关编号、被取代编号、交叉引用编号或替代编号,供比较之用。
93021162201
您正在查看的产品与这些编号存在交叉引用关系
- Porsche 911 1965-1968 2.0L / 912 SWB (F)
- Porsche 911 1968-1973 2.2L / 2.4L / 2.7L RS LWB (F)
- Porsche 911 1974-1977 2.7L / 1976-77 3.0 Carrera
- Porsche 911 1978-1983 3.0L / SC
- Porsche 911 1984-1986 3.2L
- Porsche 911 1987-1989 3.2L G50
- Porsche 911 1975-1977 3.0L Turbo (930)
- Porsche 911 1978-1989 3.3L Turbo (930)
这款位于门槛内侧的暖风管是保时捷原厂正品部件,设计用于将热空气输送到 1969 年至 1989 年款经典风冷保时捷 911 车型的门槛内侧。暖风管将发动机热交换器产生的暖空气通过门槛腔输送到车厢通风系统。
适用:
保时捷 911 1969 - 1989
图示编号 15
功能:该管道安装在车辆的门槛结构内,是经典911加热系统的重要组成部分。它将加热后的空气向前输送到车厢管道,从而有效加热车内空间、去除挡风玻璃雾气,并在较冷的环境下提供整体舒适性。
随着时间的推移,原装暖风管会因热循环、老化和腐蚀而性能下降,导致气流减少或热量在到达车厢前流失。严重时,损坏的管道甚至可能让有害气体或杂物进入暖风系统。更换保时捷原厂配件可以恢复原厂的暖风效率,保持车辆的原装性,并确保暖风系统的长期可靠性。
如果发现以下情况,请更换此加热管:
•加热器输出弱或不均匀
•管道破裂、变脆或坍塌
•空气到达舱室前的热量损失
•供暖系统散发出难闻的气味
•在修复或翻新窗台或供暖系统期间
相关参考编号
相关编号、被取代编号、交叉引用编号或替代编号,供比较之用。
91157202502
您正在查看的产品与这些编号存在交叉引用关系
- Porsche 911 1965-1968 2.0L / 912 SWB (F)
- Porsche 911 1968-1973 2.2L / 2.4L / 2.7L RS LWB (F)
- Porsche 911 1974-1977 2.7L / 1976-77 3.0 Carrera
- Porsche 911 1978-1983 3.0L / SC
- Porsche 911 1984-1986 3.2L
- Porsche 911 1987-1989 3.2L G50
- Porsche 911 1975-1977 3.0L Turbo (930)
- Porsche 911 1978-1989 3.3L Turbo (930)
这款位于车门槛内的加热管是一款高品质的替换式导风管,专为1969年至1989年生产的经典保时捷911车型和356 B/C车型设计,用于将排气加热系统中的暖空气输送到车门槛区域。它与原装部件的尺寸和性能完全匹配,可确保车厢内暖风流通顺畅。
适用:
保时捷 356 B/C 1.6 01/1959 - 12/1965
保时捷 911 2.0-3.3 08/1968 - 07/1989
保时捷 912 1.6 01/1965 - 02/1970
保时捷 914 1.7-2.0 1969年1月 - 1974年7月
图示编号 15
加热管将发动机废气加热的热交换器产生的热空气通过门槛管道导入车厢。这确保您的经典保时捷的加热系统能够有效地分配热量,从而改善除雾、除霜效果,并在寒冷天气下提升乘客的舒适度。
功能:该加热管安装在内侧门槛处,负责收集暖风系统的热量,并通过风管网络将其输送到脚部空间或车厢空气分配点。正常工作的加热管有助于保持车厢温度稳定,并防止因原有风管损坏或老化而造成的热量损失。
经过数十年的使用,原装暖气管可能会出现裂纹、脆化或塌陷,导致气流不畅、热量损失,甚至废气渗入车厢空气系统。更换老化的暖气管,使用原厂匹配的部件,可以恢复有效的暖气分配,提高车厢舒适度和暖气效率,并确保老式暖气系统正常运转。
当您发现以下情况时,请更换此加热管:
•加热器送出的暖风量弱或不稳定。
•老化、开裂或塌陷的加热管
•到达舱室前热量损失过多
•暖气管道散发异味(可能存在泄漏)
•在进行完整的供暖系统或窗台修复工作期间
相关参考编号
相关编号、被取代编号、交叉引用编号或替代编号,供比较之用。
91157202502
您正在查看的产品与这些编号存在交叉引用关系
- Porsche 911 1965-1968 2.0L / 912 SWB (F)
- Porsche 911 1968-1973 2.2L / 2.4L / 2.7L RS LWB (F)
- Porsche 911 1974-1977 2.7L / 1976-77 3.0 Carrera
- Porsche 911 1978-1983 3.0L / SC
- Porsche 911 1984-1986 3.2L
- Porsche 911 1987-1989 3.2L G50
- Porsche 911 1975-1977 3.0L Turbo (930)
- Porsche 911 1978-1989 3.3L Turbo (930)
每件均已售出。
每辆车需要 x2。
适合:
保时捷 911 / 912 1970>>1989
图表参考编号 17
相关参考编号
相关编号、被取代编号、交叉引用编号或替代编号,供比较之用。
90157134532
您正在查看的产品与这些编号存在交叉引用关系
- Porsche 911 1974-1977 2.7L / 1976-77 3.0 Carrera
- Porsche 911 1978-1983 3.0L / SC
- Porsche 911 1984-1986 3.2L
- Porsche 911 1987-1989 3.2L G50
- Porsche 911 1975-1977 3.0L Turbo (930)
- Porsche 911 1978-1989 3.3L Turbo (930)
适合:
适用于右舵车
保时捷911 1977-89
1977年保时捷911 Turbo
图表参考编号 15
相关参考编号
相关编号、被取代编号、交叉引用编号或替代编号,供比较之用。
91157108601
您正在查看的产品与这些编号存在交叉引用关系
- Porsche 911 1968-1973 2.2L / 2.4L / 2.7L RS LWB (F)
- Porsche 911 1974-1977 2.7L / 1976-77 3.0 Carrera
- Porsche 911 1978-1983 3.0L / SC
- Porsche 911 1975-1977 3.0L Turbo (930)
- Porsche 911 1978-1989 3.3L Turbo (930)
- Porsche 964 (911) TURBO 3.3L 1991-93
- Porsche 964 (911) TURBO 3.6L 1991-93
- Porsche 914 (1970-1976)

Fits:
Porsche 911 1970-76
Porsche 911 Turbo 1975-89
Porsche 914-6 1970-76
Porsche 964 Turbo 1991-94
Click 'Zoom in' for large parts diagram.
Diagram ref no 7.
相关参考编号
相关编号、被取代编号、交叉引用编号或替代编号,供比较之用。
91110682700
您正在查看的产品与这些编号存在交叉引用关系
- Porsche 911 1965-1968 2.0L / 912 SWB (F)
- Porsche 911 1968-1973 2.2L / 2.4L / 2.7L RS LWB (F)
- Porsche 911 1974-1977 2.7L / 1976-77 3.0 Carrera
- Porsche 911 1978-1983 3.0L / SC
- Porsche 911 1984-1986 3.2L
- Porsche 911 1987-1989 3.2L G50
- Porsche 911 1975-1977 3.0L Turbo (930)
- Porsche 911 1978-1989 3.3L Turbo (930)
- Porsche 914 (1970-1976)

Fits:
Porsche 911 1969-89
Porsche 914-6 1970-76
Click 'Zoom in' for large parts diagram.
Diagram ref no 8
相关参考编号
相关编号、被取代编号、交叉引用编号或替代编号,供比较之用。
91110633100
您正在查看的产品与这些编号存在交叉引用关系
- Porsche 911 1965-1968 2.0L / 912 SWB (F)
- Porsche 911 1968-1973 2.2L / 2.4L / 2.7L RS LWB (F)
- Porsche 911 1975-1977 3.0L Turbo (930)
- Porsche 911 1978-1989 3.3L Turbo (930)
- Porsche 914 (1970-1976)
适合:
保时捷911(1968-73年)
保时捷 911 TURBO 3.0L / 3.3L 1975-89
保时捷914-6 1970-76
图表参考编号 4
相关参考编号
相关编号、被取代编号、交叉引用编号或替代编号,供比较之用。
93010632102
您正在查看的产品与这些编号存在交叉引用关系
- Porsche 911 1965-1968 2.0L / 912 SWB (F)
- Porsche 911 1968-1973 2.2L / 2.4L / 2.7L RS LWB (F)
- Porsche 911 1975-1977 3.0L Turbo (930)
- Porsche 911 1978-1989 3.3L Turbo (930)
- Porsche 914 (1970-1976)
适合:
保时捷911(1968-73年)
保时捷 911 TURBO 3.0L / 3.3L 1975-89
保时捷914-6 1970-76
图表参考编号 4
相关参考编号
相关编号、被取代编号、交叉引用编号或替代编号,供比较之用。
93010632102
您正在查看的产品与这些编号存在交叉引用关系
- Porsche 911 1968-1973 2.2L / 2.4L / 2.7L RS LWB (F)
- Porsche 911 1974-1977 2.7L / 1976-77 3.0 Carrera
- Porsche 911 1978-1983 3.0L / SC
- Porsche 911 1975-1977 3.0L Turbo (930)
- Porsche 911 1978-1989 3.3L Turbo (930)
- Porsche 964 (911) TURBO 3.3L 1991-93
- Porsche 964 (911) TURBO 3.6L 1991-93
- Porsche 914 (1970-1976)

Fits:
Porsche 911 1970-77
Porsche 911 TURBO 3.0L / 3.3L 1975-89
Porsche 964 TURBO 3.3L / 3.6L 1991-94
Porsche 914-6 1970-76
Click 'Zoom in' for large parts diagram.
Diagram ref no 5
相关参考编号
相关编号、被取代编号、交叉引用编号或替代编号,供比较之用。
91110632700
您正在查看的产品与这些编号存在交叉引用关系
- Porsche 911 1965-1968 2.0L / 912 SWB (F)
- Porsche 911 1968-1973 2.2L / 2.4L / 2.7L RS LWB (F)
- Porsche 911 1974-1977 2.7L / 1976-77 3.0 Carrera
- Porsche 911 1978-1983 3.0L / SC
- Porsche 911 1984-1986 3.2L
- Porsche 911 1987-1989 3.2L G50
- Porsche 911 1975-1977 3.0L Turbo (930)
- Porsche 911 1978-1989 3.3L Turbo (930)
- Porsche 914 (1970-1976)

Fits:
Porsche 911 / 912 1965-89
Porsche 930 1975-89
Porsche 914 1970-76
Click 'Zoom in' for large parts diagram.
Diagram ref no 14
相关参考编号
相关编号、被取代编号、交叉引用编号或替代编号,供比较之用。
91457212310
您正在查看的产品与这些编号存在交叉引用关系
- Porsche 911 1974-1977 2.7L / 1976-77 3.0 Carrera
- Porsche 911 1978-1983 3.0L / SC
- Porsche 911 1984-1986 3.2L
- Porsche 911 1987-1989 3.2L G50
- Porsche 911 1975-1977 3.0L Turbo (930)
- Porsche 911 1978-1989 3.3L Turbo (930)

Fits:
Porsche 911 (1974 - 1983)
Porsche 911 Carrera (1984 - 1989)
Porsche 911 Turbo (1975 - 1989)
Click 'Zoom in' for large parts diagram.
Diagram ref no 16
相关参考编号
相关编号、被取代编号、交叉引用编号或替代编号,供比较之用。
91157118900
您正在查看的产品与这些编号存在交叉引用关系
- Porsche Boxster 986 2.5L 1997-99
- Porsche Boxster 986 2.7L 1999-02
- Porsche Boxster S 986 3.2L 1999-02
- Porsche Boxster 986 2.7L 2003-04
- Porsche Boxster S 986 3.2L 2003-04
- Porsche Boxster 987 2.7L 2005 -08/08
- Porsche Boxster 987 S 3.2/3.4L 2005-08/08
- Porsche Boxster 987 MKII 2.9L 2009-2012
- Porsche Boxster S 987 MKII 3.4L 2009-2012
- Porsche 911 1984-1986 3.2L
- Porsche 911 1987-1989 3.2L G50
- Porsche 911 1978-1989 3.3L Turbo (930)
- Porsche 964 (911) C2 1989-93
- Porsche 964 (911) C4 1989-93
- Porsche 964 (911) RS 3.6L 1991-93
- Porsche 964 (911) RS 3.8L 1991-93
- Porsche 964 (911) TURBO 3.3L 1991-93
- Porsche 964 (911) TURBO 3.6L 1991-93
- Porsche 993 (911) C2 1994-97
- Porsche 993 (911) C4 1994-97
- Porsche 993 (911) RS 1994-97
- Porsche 993 (911) C2S 1994-97
- Porsche 993 (911) C4S 1994-97
- Porsche 993 (911) TURBO 1994-96
- Porsche 993 (911) GT2 1994-97
- Porsche 993 (911) TURBO S 1994-97
- Porsche 996 C2 3.4L 1997-08/01
- Porsche 996 C4 3.4L 1997-08/01
- Porsche 996 C2 3.6L 09/01-2005
- Porsche 996 C4 3.6L 09/01-2005
- Porsche 996 C4S 3.6L 09/01-2005
- Porsche 996 TURBO 2000-05
- Porsche 996 GT2 2001-05
- Porsche 996 GT3 MKI 1999-02
- Porsche 996 GT3 MKII 2003>>
- Porsche 996 GT3 RS 2003-04
- Porsche 997 MK1 Carrera 2 3.6L 2005-08
- Porsche 997 MK1 Carrera 2S 3.8L 2005-08
- Porsche 997 MK1 Carrera 4 3.6L 2005-08
- Porsche 997 MK1 Carrera 4S 3.8L 2005-08
- Porsche 997 MK1 TURBO 2007-09
- Porsche 997 MK1 GT3 2007-09
- Porsche 997 MK1 GT2 2007-09
- Porsche 997 MKII Carrera C2 3.6L 2009-12
- Porsche 997 MKII Carrera C4 3.6L 2009-12
- Porsche 997 MKII Carrera C2S 3.8L 2009-12
- Porsche 997 MKII Carrera C4S 3.8L 2009-12
- Porsche 997 MKII GT3 2010-11
- Porsche 997 MKII Turbo 2010-13
- Porsche 997 MKII GT2 RS 2011-13
- Porsche 991.1 Carrera C2 3.4L (350Bhp) 2012-16
- Porsche 991.1 Carrera C2S / GTS 3.8L (400/430 Bhp) 2012-16
- Porsche 991.1 Carrera C4 3.4L (350Bhp) 2012-16
- Porsche 991.1 Carrera C4S / GTS 3.8L (400/430 Bhp) 2012-16
- Porsche 991.1 Turbo 3.8L (520bhp) 2014-16
- Porsche 991.1 Turbo S 3.8L (560Bhp) 2014-16
- Porsche 991.1 GT3 3.8L (475Bhp) 2014-16
- Porsche 991.1 GT3 RS 4.0L (500Bhp) 2015-16

Fits:
Porsche 911 3.2 Carrera - 1984 to 1989
Porsche 964 - 1989 to 1994
Porsche 993 - 1994 to 1998
Porsche 996 - 1997 to 2005
Porsche 997 - 2005 to 2012
Porsche 991.1 - 2012 to 2016
Porsche 986 Boxster - 1997 to 2004
Porsche 987 Boxster / Cayman - 2005 to 2012
Click 'Zoom in' for large parts diagram.
Diagram ref no 2 and 13
相关参考编号
相关编号、被取代编号、交叉引用编号或替代编号,供比较之用。
9P1129487
您正在查看的产品与这些编号存在交叉引用关系
- Porsche Boxster 986 2.5L 1997-99
- Porsche Boxster 986 2.7L 1999-02
- Porsche Boxster S 986 3.2L 1999-02
- Porsche Boxster 986 2.7L 2003-04
- Porsche Boxster S 986 3.2L 2003-04
- Porsche Boxster 987 2.7L 2005 -08/08
- Porsche Boxster 987 S 3.2/3.4L 2005-08/08
- Porsche Boxster 987 MKII 2.9L 2009-2012
- Porsche Boxster S 987 MKII 3.4L 2009-2012
- Porsche 911 1984-1986 3.2L
- Porsche 911 1987-1989 3.2L G50
- Porsche 911 1978-1989 3.3L Turbo (930)
- Porsche 964 (911) C2 1989-93
- Porsche 964 (911) C4 1989-93
- Porsche 964 (911) RS 3.6L 1991-93
- Porsche 964 (911) RS 3.8L 1991-93
- Porsche 964 (911) TURBO 3.3L 1991-93
- Porsche 964 (911) TURBO 3.6L 1991-93
- Porsche 993 (911) C2 1994-97
- Porsche 993 (911) C4 1994-97
- Porsche 993 (911) RS 1994-97
- Porsche 993 (911) C2S 1994-97
- Porsche 993 (911) C4S 1994-97
- Porsche 993 (911) TURBO 1994-96
- Porsche 993 (911) GT2 1994-97
- Porsche 993 (911) TURBO S 1994-97
- Porsche 996 C2 3.4L 1997-08/01
- Porsche 996 C4 3.4L 1997-08/01
- Porsche 996 C2 3.6L 09/01-2005
- Porsche 996 C4 3.6L 09/01-2005
- Porsche 996 C4S 3.6L 09/01-2005
- Porsche 996 TURBO 2000-05
- Porsche 996 GT2 2001-05
- Porsche 996 GT3 MKI 1999-02
- Porsche 996 GT3 MKII 2003>>
- Porsche 996 GT3 RS 2003-04
- Porsche 997 MK1 Carrera 2 3.6L 2005-08
- Porsche 997 MK1 Carrera 2S 3.8L 2005-08
- Porsche 997 MK1 Carrera 4 3.6L 2005-08
- Porsche 997 MK1 Carrera 4S 3.8L 2005-08
- Porsche 997 MK1 TURBO 2007-09
- Porsche 997 MK1 GT3 2007-09
- Porsche 997 MK1 GT2 2007-09
- Porsche 997 MKII Carrera C2 3.6L 2009-12
- Porsche 997 MKII Carrera C4 3.6L 2009-12
- Porsche 997 MKII Carrera C2S 3.8L 2009-12
- Porsche 997 MKII Carrera C4S 3.8L 2009-12
- Porsche 997 MKII GT3 2010-11
- Porsche 997 MKII Turbo 2010-13
- Porsche 997 MKII GT2 RS 2011-13
- Porsche 991.1 Carrera C2 3.4L (350Bhp) 2012-16
- Porsche 991.1 Carrera C2S / GTS 3.8L (400/430 Bhp) 2012-16
- Porsche 991.1 Carrera C4 3.4L (350Bhp) 2012-16
- Porsche 991.1 Carrera C4S / GTS 3.8L (400/430 Bhp) 2012-16
- Porsche 991.1 Turbo 3.8L (520bhp) 2014-16
- Porsche 991.1 Turbo S 3.8L (560Bhp) 2014-16
- Porsche 991.1 GT3 3.8L (475Bhp) 2014-16
- Porsche 991.1 GT3 RS 4.0L (500Bhp) 2015-16

適用於:
保时捷 911 3.2 Carrera - 1984 年至 1989 年
保时捷 964 - 1989 年至 1994 年
保时捷 993 - 1994 年至 1998 年
保时捷 996 - 1997 年至 2005 年
保时捷 997 - 2005 年至 2012 年
保时捷 991.1 - 2012 年至 2016 年
保时捷 986 Boxster - 1997 年至 2004 年
保时捷 987 Boxster / Cayman - 2005 年至 2012 年
单击“放大”可查看大部件图。
图表参考编号 2 和 13
相关参考编号
相关编号、被取代编号、交叉引用编号或替代编号,供比较之用。
9P1129487
您正在查看的产品与这些编号存在交叉引用关系
-
air duct 911 1978-83 105-05
-
heating air supply 911 1978-83 202-20
-
frame centre 911 1978-83 801-10
-
ventilation heating system - 1 - 911 1978-83 813-00
-
air duct 911 1987-89 105-05
-
heating air supply 911 1987-89 202-20
-
frame centre 911 1987-89 801-10
-
Air duct 911 1984-86 105-05
-
heating air supply 911 1984-86 202-20
-
ventilation heating system - 2 - 911 1987-89 813-01
-
ventilation heating system - 2 - 911 1984-86 813-01
-
additional blower 911 1984-86 813-02
-
frame centre 911 1984-86 801-10
-
additional blower 911 TURBO 1983 onwards 813-02
保时捷加热器软管和管道 | 可靠的冷却液流量和座舱加热效率
加热器软管和管路是保时捷加热和冷却系统的重要组成部分。它们将加热后的冷却液从发动机输送到加热器芯,使暖空气在整个车厢内循环。如果软管和管路无法正常工作,加热系统就无法提供稳定的温度控制或维持高效的发动机冷却。
Design911 提供符合甚至超越原厂工程标准的优质加热器软管和冷却液管。这些组件采用优质橡胶、铝或增强复合材料制成,确保无泄漏性能、卓越的耐热性和长期耐用性。
无论您是修复经典的 911 还是维护具有先进气候控制系统的现代保时捷,我们的加热器软管和管道都能提供可靠加热和冷却所需的精度、配合度和性能。
加热器软管和管道起什么作用?
加热器软管和管道形成循环路径,将热冷却剂从发动机输送到加热器芯,从而使 HVAC 系统能够为车厢内提供暖空气。
核心功能:
- 将加热的冷却液输送至加热器芯,以加热车厢。
- 保持发动机和加热系统之间适当的冷却液流动。
- 调节温度并防止系统中出现气穴。
- 确保高效的热交换,确保乘客舒适。
- 防止冷却剂损失和过热。
一套正常运转的软管和管道对于发动机冷却性能和内部加热效率都至关重要。
为什么加热器软管和管道会出现故障或老化?
这些部件承受着持续的高温、高压和振动。随着时间的推移,材料疲劳和腐蚀会导致泄漏或堵塞。
常见的失败原因包括:
- 橡胶软管因老化而出现开裂、膨胀或脆化。
- 金属管道腐蚀或针孔泄漏。
- 冷却剂污染或化学降解。
- 软管夹松动或损坏导致泄漏。
- 水垢或碎屑造成的堵塞限制了冷却液的流动。
当加热器软管或管道出现故障时,症状包括冷却剂泄漏、车厢内热量不足、过热或车厢内有防冻剂的甜味。
为什么要更换保时捷加热器软管和管道?
更换磨损或损坏的加热器软管和管道可恢复正常的冷却液循环,防止泄漏,并确保稳定的加热和发动机温度控制。
主要优点:
- 恢复高效的冷却液流动和车厢加热性能。
- 防止泄漏、过热和发动机损坏。
- 提高可靠性和系统压力完整性。
- 耐热、耐压、耐腐蚀,使用寿命长。
- 适用于保时捷 911、Cayman、Boxster、Panamera、Macan 和 Cayenne 车型的直接替换件。
- 非常适合维护、修复或性能升级。
建议在冷却剂维修间隔期间更换加热器软管和夹具,以保持最大的系统可靠性。
亮点
- 精密设计的保时捷加热器软管和冷却液管。
- 由高品质、耐热材料制成。
- 直接适用于新旧保时捷车型的替换件。
- 设计用于长期抵抗压力和腐蚀。
- 确保可靠的加热和发动机冷却性能。
- 非常适合修复、维修和预防性维护。