Geben Sie hier Ihre MwSt.-Nummer ein und klicken Sie auf Überprüfen:
Sie brauchen den Ländercode Ihrer MwSt.-Nummer nicht einzugeben, da dieser bereits oben in Ihrer Rechnungsadresse ausgewählt wurde.
Ihre Angaben wurden überprüft. MwSt.-Nummer registriert auf:
,
.
Ihre Bestellung ist nun mehrwertsteuerfrei. Wir behalten uns das Recht vor, diese Angaben nach Ihrer Bestellung zu überprüfen und gegebenenfalls die Mehrwertsteuer wieder einzuführen.
Ihre MwSt.-Angaben wurden nicht erkannt oder waren ungültig. Ihre MwSt.-Nummer muss mit Ihrem Rechnungsland übereinstimmen, wie oben angegeben. Dies ist derzeit als angegeben. Sie brauchen den Ländercode Ihrer MwSt.-Nummer nicht einzugeben, da Sie diesen bereits in den Angaben zu Ihrer Rechnungsadresse oben ausgewählt haben.
Der Dienst zur Überprüfung von MwSt.-Nummern ist derzeit offline. Bitte geben Sie Ihre MwSt.-Daten im Feld „Kommentare“ oder „Besondere Hinweise“ unten an, und wir werden nach Ihrer Bestellung einen MwSt.-Rabatt gewähren.
Ölkühler/Kühler/Wärmetauscher
- Porsche 996 C2 3.4L 1997-08/01
- Porsche 996 C4 3.4L 1997-08/01
- Porsche 996 C2 3.6L 09/01-2005
- Porsche 996 C4 3.6L 09/01-2005
- Porsche 996 C4S 3.6L 09/01-2005
- Porsche 997 MK1 Carrera 2 3.6L 2005-08
- Porsche 997 MK1 Carrera 2S 3.8L 2005-08
- Porsche 997 MK1 Carrera 4 3.6L 2005-08
- Porsche 997 MK1 Carrera 4S 3.8L 2005-08
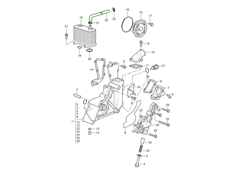
Stellen Sie die Motorentlüftung Ihres Porsche 911 (Baureihe 996/997) mit diesem Original-Entlüftungsschlauch wieder her. Dieser Schlauch befindet sich oben am Ölkühler und verbindet den Entlüftungs- bzw. Belüftungskreislauf, wodurch ein ordnungsgemäßer Luft-/Öldampfstrom und die Systemintegrität gewährleistet werden.
Passform:
- Porsche 996 C2 3.4L 1997-08/01
- Porsche 996 C4 3.4L 1997-08/01
- Porsche 996 C2 3.6L 09/01-2005
- Porsche 996 C4 3.6L 09/01-2005
- Porsche 996 C4S 3.6L 09/01-2005
- Porsche 997 MK1 Carrera 2 3.6L 2005-08
- Porsche 997 MK1 Carrera 2S 3.8L 2005-08
- Porsche 997 MK1 Carrera 4 3.6L 2005-08
- Porsche 997 MK1 Carrera 4S 3.8L 2005-08
Diagramm Ref Nr. 30
Was dieses Produkt leistet:
- Der Entlüftungsschlauch ist Teil der Motorentlüftung bzw. des Kurbelgehäuse-/Luft-Öl-Managementsystems. In diesem Fall befindet er sich oben am Ölkühler. Dies kann bedeuten, dass er die Kurbelgehäuseentlüftung bzw. den Motorentlüftungsausgang wieder mit dem Ansaugsystem oder einem anderen System verbindet.
- Seine Hauptfunktion: Bereitstellung eines Pfads für Gase (Blow-by, Dampf, Druck) vom Motor- oder Ölkühlerbereich zurück in das Ansaugsystem oder einen sicheren Abflusspfad.
- Der Schlauch muss der Motorhitze, Druck-/Vakuumzyklen, Vibrationen und der Einwirkung von Öl oder Dampf standhalten und eine leckagefreie Verbindung gewährleisten.
- Eine ordnungsgemäße Funktion trägt dazu bei, den richtigen Kurbelgehäusedruck aufrechtzuerhalten, einen übermäßigen Druckaufbau oder Unterdruck zu verhindern, die Emissionen zu kontrollieren, den Ölkühlerkreislauf ordnungsgemäß funktionieren zu lassen und sicherzustellen, dass das Belüftungssystem des Motors nicht unbeabsichtigt Luft oder Öldämpfe entweichen oder auf falsche Weise eindringen lässt.
Symptome von Verschleiß oder Ausfall:
- Öldämpfe oder -geruch im Motorraum, insbesondere in der Nähe des Ölkühlers oder der Schlauchführung, weisen auf ein Austreten von Kurbelgehäusegasen hin.
- Sichtbare Risse, Brüche, Sprödigkeit oder Schlauchkollaps – alte Schläuche können innen aushärten, reißen oder kollabieren, was zu Verstopfungen oder Lecks führen kann.
- Ungewöhnliches Motorverhalten : zB erhöhter Ölverbrauch, leichtes Rauchen des Motors oder ungewöhnliches Ansaug-/Vakuumverhalten – wenn die Belüftung beeinträchtigt ist.
- Motor- oder Emissionswarnungen prüfen : Ein beschädigter Entlüftungsschlauch kann zur Ansaugung von nicht dosierter Luft oder Dämpfen führen und so die Motorsteuerung beeinträchtigen.
- Verschmutzung des Ölkühlerbereichs : Da sich der Schlauch der Beschreibung nach oben am Ölkühler befindet, kann es sein, dass der Schlauch defekt ist, wenn dort öl- oder dampfverunreinigte Ablagerungen sichtbar sind.
- Sorgt für eine ordnungsgemäße Motorbelüftung : Ein guter Entlüftungsschlauch gewährleistet einen ordnungsgemäßen Kurbelgehäuse-/Belüftungsstrom und verhindert Druckaufbau oder Vakuumzustände, die zu Lecks oder Teileausfällen (Dichtungen, Dichtungsringe) führen können.
- Schützt den Ölkühlerkreislauf und die Motorkomponenten : Da sich dieser Schlauch oben am Ölkühler befindet, trägt sein Austausch dazu bei, dass der Ölkühler und die zugehörigen Schläuche nicht durch Dampf oder Ölnebel verunreinigt werden, der aus beschädigten Schläuchen austritt.
- Verbessert die Zuverlässigkeit : Da diese Schläuche Hitze, Druck und Alterung ausgesetzt sind, verhindert ein proaktiver Austausch einen plötzlichen Ausfall, der dazu führen könnte, dass das Auto liegen bleibt oder Motorprobleme auftreten.
Zugehörige Referenznummern
Verwandte, ersetzte, Querverweisoder Alternativnummern zum Vergleich.
99610623053
Das von Ihnen angezeigte Produkt verweist auf diese Nummern
- Porsche 996 C2 3.4L 1997-08/01
- Porsche 996 C4 3.4L 1997-08/01
- Porsche 996 C2 3.6L 09/01-2005
- Porsche 996 C4 3.6L 09/01-2005
- Porsche 996 C4S 3.6L 09/01-2005
- Porsche 997 MK1 Carrera 2 3.6L 2005-08
- Porsche 997 MK1 Carrera 2S 3.8L 2005-08
- Porsche 997 MK1 Carrera 4 3.6L 2005-08
- Porsche 997 MK1 Carrera 4S 3.8L 2005-08
- Porsche 997 MKII Carrera C2 3.6L 2009-12
- Porsche 997 MKII Carrera C4 3.6L 2009-12
- Porsche 997 MKII Carrera C2S 3.8L 2009-12
- Porsche 997 MKII Carrera C4S 3.8L 2009-12

Bei einigen M96/M97-Motoren kommt es zu einer Vermischung von Öl und Kühlmittel. Während es potenziell mehrere Vermischungsquellen gibt, sind defekte, am Motor montierte Öl-Kühlmittel-Wärmetauscher eine Hauptquelle. Mit dem Wärmetauscher-Tester M96 von STOMSKI RACING können Sie jetzt feststellen, ob Ihr Wärmetauscher defekt ist und ausgetauscht werden muss oder ob die Quelle der Verunreinigung woanders liegt. Dieses hochwertige Werkzeug ist aus 6061 Aluminium CNC-gefräst, für jahrelangen Einsatz eloxiert und wird komplett mit allen Manometern, Dichtungen und Befestigungsteilen geliefert.
- Porsche 996 C2 3.4L 1997-08/01
- Porsche 996 C4 3.4L 1997-08/01
- Porsche 996 C2 3.6L 09/01-2005
- Porsche 996 C4 3.6L 09/01-2005
- Porsche 996 C4S 3.6L 09/01-2005
- Porsche 997 MK1 Carrera 2 3.6L 2005-08
- Porsche 997 MK1 Carrera 2S 3.8L 2005-08
- Porsche 997 MK1 Carrera 4 3.6L 2005-08
- Porsche 997 MK1 Carrera 4S 3.8L 2005-08
- Porsche 997 MKII Carrera C2 3.6L 2009-12
- Porsche 997 MKII Carrera C4 3.6L 2009-12
- Porsche 997 MKII Carrera C2S 3.8L 2009-12
- Porsche 997 MKII Carrera C4S 3.8L 2009-12

Das kompakte, effiziente Design der Öl-Kühlmittel-Wärmetauscher M96/M97 hat sich auch für andere Zwecke als die Motorkühlung bewährt. Durch die Fernmontage von M96/M97-Wärmetauschern können die Getriebe- und/oder Zahnstangentemperaturen gesenkt und die Lebensdauer dieser Komponenten erheblich verlängert werden.
Der M96-Wärmetauscheradapter von STOMSKI RACING ermöglicht eine bequeme Fernmontage und umfasst wahlweise -6 oder -8 AN-Anschlüsse. Diese hochwertige Adapterplatte ist aus 6061er Aluminium CNC-gefräst, für jahrelangen Einsatz eloxiert und enthält Dichtungen und Hardware.
- Porsche Boxster S 986 3.2L 1999-02
- Porsche Boxster S 986 3.2L 2003-04
- Porsche Boxster 987 S 3.2/3.4L 2005-08/08
- Porsche 996 C2 3.4L 1997-08/01
- Porsche 996 C4 3.4L 1997-08/01
- Porsche 996 C2 3.6L 09/01-2005
- Porsche 996 C4 3.6L 09/01-2005
- Porsche 996 C4S 3.6L 09/01-2005
- Porsche 996 TURBO 2000-05
- Porsche 996 GT2 2001-05
- Porsche 996 GT3 MKI 1999-02
- Porsche 996 GT3 MKII 2003>>
- Porsche 996 GT3 RS 2003-04
- Porsche 997 MK1 Carrera 2 3.6L 2005-08
- Porsche 997 MK1 Carrera 4 3.6L 2005-08

Passt:
Porsche 996 1998-05
Porsche 997 3.6L
Porsche 986 Boxster S 3.2L
Porsche 987 Boxster S 3.4L
Klicken Sie auf „Vergrößern“, um ein großes Teilediagramm anzuzeigen.
Diagramm Nr. 18.
Zugehörige Referenznummern
Verwandte, ersetzte, Querverweisoder Alternativnummern zum Vergleich.
99610702559
Das von Ihnen angezeigte Produkt verweist auf diese Nummern
- Porsche Boxster S 986 3.2L 1999-02
- Porsche Boxster S 986 3.2L 2003-04
- Porsche Boxster 987 S 3.2/3.4L 2005-08/08
- Porsche 996 C2 3.4L 1997-08/01
- Porsche 996 C4 3.4L 1997-08/01
- Porsche 996 C2 3.6L 09/01-2005
- Porsche 996 C4 3.6L 09/01-2005
- Porsche 996 C4S 3.6L 09/01-2005
- Porsche 996 TURBO 2000-05
- Porsche 996 GT2 2001-05
- Porsche 996 GT3 MKI 1999-02
- Porsche 996 GT3 MKII 2003>>
- Porsche 996 GT3 RS 2003-04
- Porsche 997 MK1 Carrera 2 3.6L 2005-08
- Porsche 997 MK1 Carrera 4 3.6L 2005-08

Passt:
Porsche 996 1998-05
Porsche 997 3.6L
Porsche 986 Boxster S 3.2L
Porsche 987 Boxster S 3.4L
Klicken Sie auf „Vergrößern“, um ein großes Teilediagramm anzuzeigen.
Diagramm Nr. 18.
Zugehörige Referenznummern
Verwandte, ersetzte, Querverweisoder Alternativnummern zum Vergleich.
99610702559
Das von Ihnen angezeigte Produkt verweist auf diese Nummern
- Porsche Boxster S 986 3.2L 1999-02
- Porsche Boxster S 986 3.2L 2003-04
- Porsche Boxster 987 S 3.2/3.4L 2005-08/08
- Porsche 996 C2 3.4L 1997-08/01
- Porsche 996 C4 3.4L 1997-08/01
- Porsche 996 C2 3.6L 09/01-2005
- Porsche 996 C4 3.6L 09/01-2005
- Porsche 996 C4S 3.6L 09/01-2005
- Porsche 996 TURBO 2000-05
- Porsche 996 GT2 2001-05
- Porsche 996 GT3 MKI 1999-02
- Porsche 996 GT3 MKII 2003>>
- Porsche 996 GT3 RS 2003-04
- Porsche 997 MK1 Carrera 2 3.6L 2005-08
- Porsche 997 MK1 Carrera 4 3.6L 2005-08

Passt:
Porsche 996 1998-05
Porsche 997 3.6L
Porsche 986 Boxster S 3.2L
Porsche 987 Boxster S 3.4L
Klicken Sie auf „Vergrößern“, um ein großes Teilediagramm anzuzeigen.
Diagramm Nr. 18.
Zugehörige Referenznummern
Verwandte, ersetzte, Querverweisoder Alternativnummern zum Vergleich.
99610702559
Das von Ihnen angezeigte Produkt verweist auf diese Nummern
Motorölkühler, Kühler und Wärmetauscher – Präzisionskühlung für die Leistung von Porsche
Der Motorölkühler und das Wärmetauschersystem spielen eine entscheidende Rolle bei der Temperaturregelung im Motor Ihres Porsche. Durch die Ableitung überschüssiger Wärme vom Öl und anderen Flüssigkeiten sorgen diese Komponenten für stabile Betriebstemperaturen, gleichmäßige Schmierung und maximale Motorlebensdauer – insbesondere unter anspruchsvollen Leistungsbedingungen.
Bei Design911 bieten wir ein umfassendes Sortiment an Motorölkühlern, Kühlern und Wärmetauschern für alte und neue Porsche-Modelle. Diese Komponenten aus hocheffizientem Aluminium oder verstärkten Verbundwerkstoffen bieten überlegene Kühlleistung, Langlebigkeit und perfekte Passform – damit Ihr Porsche auf der Straße und der Rennstrecke seine beste Leistung bringt.
Ob Sie eine abgenutzte Einheit ersetzen oder für eine verbesserte thermische Effizienz aufrüsten, unsere Ölkühlungskomponenten bieten eine zuverlässige Temperaturregelung und verbesserte Leistung.
Was machen Motorölkühler, Kühler und Wärmetauscher?
Diese Komponenten regulieren die Öl- und Motortemperatur, um eine optimale Leistung aufrechtzuerhalten und eine Überhitzung zu verhindern.
Kernfunktionen:
- Leitet überschüssige Wärme aus dem Motoröl, Kühlmittel oder Getriebeöl ab.
- Sorgen Sie für eine konstante Ölviskosität und verhindern Sie Ausfälle unter Last.
- Schützen Sie interne Motorkomponenten vor hitzebedingtem Verschleiß und Ausfall.
- Verbessern Sie die Gesamtleistungseffizienz bei längeren Fahrten oder Streckensitzungen.
Ölkühler, Kühler und Wärmetauscher bilden zusammen ein wichtiges Wärmemanagementsystem, das Ihrem Porsche hilft, Höchstleistungen zu erbringen und gleichzeitig wichtige Komponenten zu schützen.
Warum fallen Ölkühler und Wärmetauscher aus?
Mit der Zeit kann die Einwirkung von Wärmezyklen, Vibrationen und Verunreinigungen zu einem Effizienzverlust oder einem vollständigen Ausfall führen.
Zu den häufigsten Fehlerursachen zählen:
- Korrosion oder Rissbildung durch Alter oder Einwirkung von Straßenschmutz.
- Interne Verstopfung durch Schlamm oder verunreinigtes Öl.
- Undichte Dichtungen oder Armaturen , die den Druck und die Flüssigkeitseffizienz verringern.
- Thermische Ermüdung , die zu einer verringerten Kühlleistung führt.
- Mangelhafte Wartung oder Vernachlässigung des Kühlmittels beschleunigen den Verschleiß.
Zu den Symptomen eines Ausfalls können hohe Öltemperaturen, Öllecks, Kühlmittelverunreinigungen oder eine verringerte Motorleistung gehören, die alle darauf hinweisen, dass eine Inspektion oder ein Austausch erforderlich ist.
Warum Ölkühlungskomponenten austauschen?
Der Austausch eines verschlissenen oder undichten Ölkühlers, Heizkörpers oder Wärmetauschers ist unerlässlich, um die Schmierqualität zu erhalten und kostspielige Überhitzungsschäden zu vermeiden. Unsere passgenauen, langlebigen Komponenten stellen die richtige Kühlbalance und Zuverlässigkeit unter allen Bedingungen wieder her.
Hauptvorteile:
- Stellt die effiziente Öl- und Flüssigkeitstemperaturregulierung wieder her.
- Verhindert Überhitzung und Motorverschleiß.
- Verbessert die Zuverlässigkeit bei hoher Belastung oder beim Einsatz auf der Rennstrecke.
- Hergestellt aus korrosionsbeständigen Hochleistungsmaterialien.
- Direkte Kompatibilität für klassische und moderne Porsche-Motoren.
- Ideal für Umbauten, Wartungen und Leistungssteigerungen.
Durch die Aufrüstung oder den Austausch der Komponenten Ihres Kühlsystems stellen Sie sicher, dass der Motor Ihres Porsche effizient, langlebig und bereit für temperamentvolles Fahren bleibt.
Highlights:
- Umfangreiches Sortiment an Porsche Ölkühlern, Kühlern und Wärmetauschern.
- Präzisionsgefertigt für eine konstante Temperaturregelung.
- Hergestellt aus leichten, korrosionsbeständigen Materialien.
- Entwickelt für Zuverlässigkeit sowohl auf der Straße als auch im Motorsport.
- Verbessert die Schmierung und schützt die Motorleistung.
- Perfekt für Wartung, Umbau oder Leistungssteigerung.