Inserisci il tuo numero di partiva IVA qui e fai clic su Verifica:
Nessuna necessità di inserire la parte del numero di partita IVA relativa al codice del paese poiché questa è già stato selezionata nel predetto indirizzo di fatturazione.
I tuoi dati sono stati verificati. Numero di partita IVA registrato a:
,
.
Al tuo ordine sarà applicata un’aliquota pari a zero ai fini dell’IVA. Ci riserviamo il diritto di verificare questi dettagli dopo che la tua richiesta d’ordine è stata fatta e di reintegrare l’IVA se necessario.
I tuoi dati IVA non sono stati riconosciuti o non erano validi. Il tuo numero di partita IVA deve corrispondere al tuo paese di fatturazione come specificato sopra. Attualmente è specificato come . Non occorre inserire inserire la parte del numero di partita IVA relativa al codice del paese poiché questa è già stato selezionata nei dettagli del predetto indirizzo di fatturazione.
Il servizio di verifica della partita IVA è attualmente offline. Per favore fornisci i tuoi dati IVA all’interno dei commenti o nel campo delle istruzioni speciali sotto e noi applicheremo uno sconto IVA dopo aver fatto la richiesta d’ordine.
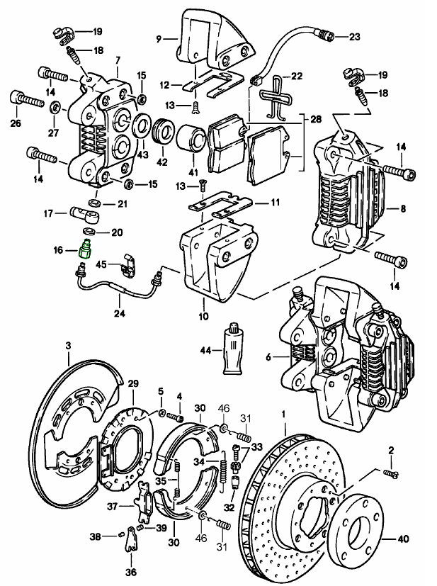
Pinza e condotti del freno
- Porsche 911 1965-1968 2.0L / 912 SWB (F)
- Porsche 911 1968-1973 2.2L / 2.4L / 2.7L RS LWB (F)
- Porsche 911 1974-1977 2.7L / 1976-77 3.0 Carrera
- Porsche 911 1975-1977 3.0L Turbo (930)
- Porsche 914 (1970-1976)
Per auto senza servofreno e cilindro maestro del freno CON interruttore luce freno
Adatto a:
Per auto con guida a sinistra (LHD)
Porsche 911 2.0ltr-3.0ltr - dal 1964 al 1977
Porsche 911 turbo 3.0ltr - dal 1975 al 1977
Porsche 912 - dal 1967 al 1970
Porsche 914 / 914-6 - dal 1970 al 1976
Il kit contiene
1 x cilindro principale del freno di grandi dimensioni con interruttore del freno montato
2 x Linea di collegamento (alimentazione e ritorno)
Diagramma rif. n. 11, 12 e 22
Numeri di riferimento correlati
Numeri correlati, sostituiti, riferimenti incrociati o alternativi per il confronto.
PCG35506100
Il prodotto che stai visualizzando fa riferimento a questi numeri
Questo kit è composto dai seguenti elementi:
- Porsche 911 1965-1968 2.0L / 912 SWB (F)
- Porsche 911 1968-1973 2.2L / 2.4L / 2.7L RS LWB (F)
- Porsche 911 1974-1977 2.7L / 1976-77 3.0 Carrera
- Porsche 911 1975-1977 3.0L Turbo (930)
- Porsche 914 (1970-1976)
Per auto senza servofreno e cilindro maestro del freno CON interruttore luce freno
Adatto a:
Per auto con guida a sinistra (LHD)
Porsche 911 2.0ltr-3.0ltr - dal 1964 al 1977
Porsche 911 turbo 3.0ltr - dal 1975 al 1977
Porsche 912 - dal 1967 al 1970
Porsche 914 / 914-6 - dal 1970 al 1976
Il kit contiene
1 x cilindro maestro del freno
2 x Linea di collegamento (alimentazione e ritorno)
1 x Interruttore luce freno
Diagramma rif. n. 11, 12 e 22
Numeri di riferimento correlati
Numeri correlati, sostituiti, riferimenti incrociati o alternativi per il confronto.
PCG35506100
Il prodotto che stai visualizzando fa riferimento a questi numeri
Questo kit è composto dai seguenti elementi:
- Porsche 911 1965-1968 2.0L / 912 SWB (F)
- Porsche 911 1968-1973 2.2L / 2.4L / 2.7L RS LWB (F)
- Porsche 911 1974-1977 2.7L / 1976-77 3.0 Carrera
- Porsche 911 1975-1977 3.0L Turbo (930)
- Porsche 914 (1970-1976)
Per auto senza servofreno
Adatto a:
Per auto con guida a sinistra (LHD)
Porsche 911 2.0ltr-3.0ltr - dal 1964 al 1977
Porsche 911 turbo 3.0ltr - dal 1975 al 1977
Porsche 912 - dal 1967 al 1970
Porsche 914 / 914-6 - dal 1970 al 1976
Il kit contiene entrambe le linee di collegamento dal cilindro principale al serbatoio del liquido dei freni.
Diagramma rif. n. 11 e 12
Numeri di riferimento correlati
Numeri correlati, sostituiti, riferimenti incrociati o alternativi per il confronto.
PCG35506100
Il prodotto che stai visualizzando fa riferimento a questi numeri
Questo kit è composto dai seguenti elementi:
- Porsche 911 1965-1968 2.0L / 912 SWB (F)
- Porsche 911 1968-1973 2.2L / 2.4L / 2.7L RS LWB (F)
- Porsche 911 1974-1977 2.7L / 1976-77 3.0 Carrera
- Porsche 911 1978-1983 3.0L / SC
- Porsche 911 1984-1986 3.2L
- Porsche 911 1987-1989 3.2L G50
- Porsche 911 1975-1977 3.0L Turbo (930)
- Porsche 911 1978-1989 3.3L Turbo (930)
- Porsche 964 (911) C2 1989-93
- Porsche 964 (911) C4 1989-93
- Porsche 964 (911) RS 3.6L 1991-93
- Porsche 964 (911) TURBO 3.3L 1991-93
- Porsche 964 (911) TURBO 3.6L 1991-93
- Porsche 968 3.0L 1992-94
- Porsche 968 Sport 3.0L 1994-95
- Porsche 968 CS 3.0L 1993-95
- Porsche 968 Turbo S 3.0L 1993-94
- Porsche 356B 1959-63
- Porsche 356C 1963-65
- Porsche 914 (1970-1976)

Adatto:
Porsche 356 B/C 1.6 01/59-12/65
Porsche 911 2.0-3.3 01/63-07/89
Porsche 912 1.6 01/65-02/70
Porsche 914 1.7-2.0 01/69-02/76
Porsche 964 3.3-3.6 12/88-06/94
Porsche 968 3.0 06/91-11/95
Numeri di riferimento correlati
Numeri correlati, sostituiti, riferimenti incrociati o alternativi per il confronto.
803611715
Il prodotto che stai visualizzando fa riferimento a questi numeri
Questo kit è composto dai seguenti elementi:
- Porsche 911 1975-1977 3.0L Turbo (930)
- Porsche 911 1978-1989 3.3L Turbo (930)
- Porsche 356 1950-55
- Porsche 356A 1955-59
- Porsche 356B 1959-63
- Porsche 914 (1970-1976)

Si adatta:
Porsche 356/A/B 1.1-1.6 01/50-12/63
Porsche 911 Turbo 3.0-3.3 01/75-07/89
Porsche 914 1.7-2.0 01/69-02/76
Fai clic su "Ingrandisci" per il diagramma delle parti di grandi dimensioni.
Diagramma rif. n. 16
Numeri di riferimento correlati
Numeri correlati, sostituiti, riferimenti incrociati o alternativi per il confronto.
99913500202
Il prodotto che stai visualizzando fa riferimento a questi numeri
- Porsche 911 1975-1977 3.0L Turbo (930)
- Porsche 911 1978-1989 3.3L Turbo (930)
- Porsche 356 1950-55
- Porsche 356A 1955-59
- Porsche 356B 1959-63
- Porsche 914 (1970-1976)

Adatto a:
Porsche 356/A/B 1.1-1.6 01/50-12/63
Porsche 911 Turbo 3.0-3.3 01/75-07/89
Porsche 914 1.7-2.0 01/69-02/76
Fare clic su "Ingrandisci" per visualizzare lo schema delle parti più grandi.
Diagramma rif. n. 16
Numeri di riferimento correlati
Numeri correlati, sostituiti, riferimenti incrociati o alternativi per il confronto.
99913500202
Il prodotto che stai visualizzando fa riferimento a questi numeri
- Porsche 911 1965-1968 2.0L / 912 SWB (F)
- Porsche 911 1968-1973 2.2L / 2.4L / 2.7L RS LWB (F)
- Porsche 911 1974-1977 2.7L / 1976-77 3.0 Carrera
- Porsche 911 1978-1983 3.0L / SC
- Porsche 911 1984-1986 3.2L
- Porsche 911 1987-1989 3.2L G50
- Porsche 911 1975-1977 3.0L Turbo (930)
- Porsche 911 1978-1989 3.3L Turbo (930)
- Porsche 924 Turbo 2.0L 1979-81
- Porsche 924 Turbo 2.0L 1982-84
- Porsche 924 Carrera GT 2.0L 1981
- Porsche 924 Carrera GTS 2.0L 1982
- Porsche 924S 2.5L 1986-87
- Porsche 924S 2.5L 1988
- Porsche 944 2.5L 8V 1982-87
- Porsche 944 2.7L 8V 1988-89
- Porsche 944S 2.5L 16V 1987-88
- Porsche 928 4.5L 1978-82
- Porsche 928S 4.7L 1981-83
- Porsche 928S2 4.7L 1984-86
- Porsche 914 (1970-1976)
FRONTE RETRO


Porsche 911 / 912 1965-68 ANTERIORE
Porsche 911T/912 1969 ANTERIORE
Porsche 911T / 911T-V / 911 TE / 911 E 1970-73 ANTERIORE
Porsche 911 / 911S pinza m 1974-77 ANTERIORE
#parte posteriore#
Porsche 911 1969-77 POSTERIORE
Porsche 911 SC 1978-83 POSTERIORE
Porsche 911 Carrera 1984-89 POSTERIORE
Porsche 911 Turbo 1975-77 POSTERIORE

Porsche 914-6 1970-76 ANTERIORE
#parte posteriore#
Porsche 914-6/4 SB 1970-76 POSTERIORE
Porsche 924 TURBO/GT 1976-85 POSTERIORE
Porsche 924 S 1986-88 POSTERIORE
Porsche 928 1978-86 POSTERIORE
Porsche 944 1982-89 POSTERIORE
Fai clic su "Ingrandisci" per il diagramma delle parti di grandi dimensioni.
Diagramma rif. n. 12.
Numeri di riferimento correlati
Numeri correlati, sostituiti, riferimenti incrociati o alternativi per il confronto.
90135297710
Il prodotto che stai visualizzando fa riferimento a questi numeri
- Porsche 911 1987-1989 3.2L G50
- Porsche 911 1975-1977 3.0L Turbo (930)
- Porsche 911 1978-1989 3.3L Turbo (930)


Porsche 911 Carrera 1987-89
Porsche 930 Turbo 3.0L 1975-77
Porsche 930 Turbo 3.3L 1978-89
Fare clic su "Zoom avanti" per il diagramma delle parti di grandi dimensioni.
Rif. diagramma n. 10
Numeri di riferimento correlati
Numeri correlati, sostituiti, riferimenti incrociati o alternativi per il confronto.
91135565306
Il prodotto che stai visualizzando fa riferimento a questi numeri
- Porsche 911 1965-1968 2.0L / 912 SWB (F)
- Porsche 911 1968-1973 2.2L / 2.4L / 2.7L RS LWB (F)
- Porsche 911 1974-1977 2.7L / 1976-77 3.0 Carrera
- Porsche 911 1978-1983 3.0L / SC
- Porsche 911 1984-1986 3.2L
- Porsche 911 1987-1989 3.2L G50
- Porsche 911 1975-1977 3.0L Turbo (930)
- Porsche 911 1978-1989 3.3L Turbo (930)
- Porsche 356A 1955-59
- Porsche 356B 1959-63
- Porsche 356C 1963-65
- Porsche 914 (1970-1976)

Adatto a:
Porsche 356 B/C 1950-65
Porsche 911 1965-89
Porsche 912 1965-70
Porsche 914 1970-76
Fare clic su "Ingrandisci" per visualizzare lo schema delle parti più grandi.
Diagramma rif. n. 11
Numeri di riferimento correlati
Numeri correlati, sostituiti, riferimenti incrociati o alternativi per il confronto.
91435566100
Il prodotto che stai visualizzando fa riferimento a questi numeri
- Porsche 911 1965-1968 2.0L / 912 SWB (F)
- Porsche 911 1968-1973 2.2L / 2.4L / 2.7L RS LWB (F)
- Porsche 911 1974-1977 2.7L / 1976-77 3.0 Carrera
- Porsche 911 1978-1983 3.0L / SC
- Porsche 911 1984-1986 3.2L
- Porsche 911 1987-1989 3.2L G50
- Porsche 911 1975-1977 3.0L Turbo (930)
- Porsche 911 1978-1989 3.3L Turbo (930)
- Porsche 356A 1955-59
- Porsche 356B 1959-63
- Porsche 356C 1963-65
- Porsche 914 (1970-1976)

Adatto a:
Porsche 356 B/C 1.6-2.0 01/59-12/65
Porsche 911 2.0-3.3 01/63-07/89
Porsche 912 1.6 01/65-02/70
Porsche 914 1.7-2.0 01/69-02/76
Fare clic su "Ingrandisci" per visualizzare lo schema delle parti più grandi.
Riferimento diagramma n. 11
Numeri di riferimento correlati
Numeri correlati, sostituiti, riferimenti incrociati o alternativi per il confronto.
91435566100
Il prodotto che stai visualizzando fa riferimento a questi numeri
- Porsche 911 1965-1968 2.0L / 912 SWB (F)
- Porsche 911 1968-1973 2.2L / 2.4L / 2.7L RS LWB (F)
- Porsche 911 1974-1977 2.7L / 1976-77 3.0 Carrera
- Porsche 911 1978-1983 3.0L / SC
- Porsche 911 1984-1986 3.2L
- Porsche 911 1987-1989 3.2L G50
- Porsche 911 1975-1977 3.0L Turbo (930)
- Porsche 911 1978-1989 3.3L Turbo (930)
- Porsche 964 (911) C2 1989-93
- Porsche 964 (911) C4 1989-93
- Porsche 964 (911) RS 3.6L 1991-93
- Porsche 964 (911) RS 3.8L 1991-93
- Porsche 964 (911) TURBO 3.3L 1991-93
- Porsche 964 (911) TURBO 3.6L 1991-93
- Porsche 924 Carrera GT 2.0L 1981
- Porsche 924S 2.5L 1986-87
- Porsche 924S 2.5L 1988
- Porsche 944 2.5L 8V 1982-87
- Porsche 914 (1970-1976)

Si adatta:
Porsche 911 1965-89
Porsche 964 1989-94
Porsche 924GT 1980-85
Porsche 924S 1986-88
Porsche 944 1982-85
Porsche 914-6/4/1,7 1970-76
Fai clic su "Ingrandisci" per il diagramma delle parti di grandi dimensioni.
Diagramma rif. n. 23
Numeri di riferimento correlati
Numeri correlati, sostituiti, riferimenti incrociati o alternativi per il confronto.
90135561501
Il prodotto che stai visualizzando fa riferimento a questi numeri
- Porsche 911 1965-1968 2.0L / 912 SWB (F)
- Porsche 911 1968-1973 2.2L / 2.4L / 2.7L RS LWB (F)
- Porsche 911 1974-1977 2.7L / 1976-77 3.0 Carrera
- Porsche 911 1978-1983 3.0L / SC
- Porsche 911 1984-1986 3.2L
- Porsche 911 1987-1989 3.2L G50
- Porsche 911 1975-1977 3.0L Turbo (930)
- Porsche 911 1978-1989 3.3L Turbo (930)
- Porsche 964 (911) C2 1989-93
- Porsche 964 (911) C4 1989-93
- Porsche 964 (911) RS 3.6L 1991-93
- Porsche 964 (911) RS 3.8L 1991-93
- Porsche 964 (911) TURBO 3.3L 1991-93
- Porsche 964 (911) TURBO 3.6L 1991-93
- Porsche 924 Carrera GT 2.0L 1981
- Porsche 924S 2.5L 1986-87
- Porsche 924S 2.5L 1988
- Porsche 944 2.5L 8V 1982-87
- Porsche 914 (1970-1976)

Adatto a:
Porsche 911 1965-89
Porsche 964 1989-94
Porsche 924 GT 1980-85
Porsche 924S 1986-88
Porsche 944 1982-85
Porsche 914-6/4/1,7 1970-76
Fare clic su "Ingrandisci" per visualizzare lo schema delle parti più grandi.
Riferimento diagramma n. 23
Numeri di riferimento correlati
Numeri correlati, sostituiti, riferimenti incrociati o alternativi per il confronto.
90135561501
Il prodotto che stai visualizzando fa riferimento a questi numeri
- Porsche 911 1965-1968 2.0L / 912 SWB (F)
- Porsche 911 1968-1973 2.2L / 2.4L / 2.7L RS LWB (F)
- Porsche 911 1974-1977 2.7L / 1976-77 3.0 Carrera
- Porsche 911 1978-1983 3.0L / SC
- Porsche 911 1984-1986 3.2L
- Porsche 911 1987-1989 3.2L G50
- Porsche 911 1975-1977 3.0L Turbo (930)
- Porsche 911 1978-1989 3.3L Turbo (930)
- Porsche 964 (911) C2 1989-93
- Porsche 964 (911) C4 1989-93
- Porsche 964 (911) RS 3.6L 1991-93
- Porsche 964 (911) RS 3.8L 1991-93
- Porsche 964 (911) TURBO 3.3L 1991-93
- Porsche 964 (911) TURBO 3.6L 1991-93
- Porsche 924S 2.5L 1986-87
- Porsche 924S 2.5L 1988
- Porsche 944 2.5L 8V 1982-87
- Porsche 944 2.7L 8V 1988-89
- Porsche 944S 2.5L 16V 1987-88
- Porsche 944S2 3.0L 16V 1989-91
- Porsche 944 Turbo 2.5L 8V 1985-88
- Porsche 944 Turbo 2.5L 8V 1989-91
- Porsche 944 Turbo S 2.5L 8V 1988
- Porsche 968 3.0L 1992-94
- Porsche 968 Sport 3.0L 1994-95
- Porsche 968 CS 3.0L 1993-95
- Porsche 968 Turbo S 3.0L 1993-94
- Porsche 928 4.5L 1978-82
- Porsche 928S 4.7L 1981-83
- Porsche 928S2 4.7L 1984-86
- Porsche 928S4 5.0L 1987-92
- Porsche 928GT 5.0L 1989-91
- Porsche 928GTS 5.4L 1992-95
- Porsche 356 1950-55
- Porsche 356A 1955-59
- Porsche 356B 1959-63
- Porsche 356C 1963-65

Si adatta:
Porsche 356 1950-65
Porsche 911 1965-89
Porsche 924S 1986-88
Porsche 928 1978-95
Porsche 944 1982-91
Porsche 964 1989-94
Porsche 968 1992-95
Fai clic su "Ingrandisci" per il diagramma delle parti di grandi dimensioni.
Diagramma rif. 5
Numeri di riferimento correlati
Numeri correlati, sostituiti, riferimenti incrociati o alternativi per il confronto.
91435566701
Il prodotto che stai visualizzando fa riferimento a questi numeri
- Porsche 911 1965-1968 2.0L / 912 SWB (F)
- Porsche 911 1968-1973 2.2L / 2.4L / 2.7L RS LWB (F)
- Porsche 911 1974-1977 2.7L / 1976-77 3.0 Carrera
- Porsche 911 1978-1983 3.0L / SC
- Porsche 911 1984-1986 3.2L
- Porsche 911 1987-1989 3.2L G50
- Porsche 911 1975-1977 3.0L Turbo (930)
- Porsche 911 1978-1989 3.3L Turbo (930)
- Porsche 964 (911) C2 1989-93
- Porsche 964 (911) C4 1989-93
- Porsche 964 (911) RS 3.6L 1991-93
- Porsche 964 (911) RS 3.8L 1991-93
- Porsche 964 (911) TURBO 3.3L 1991-93
- Porsche 964 (911) TURBO 3.6L 1991-93
- Porsche 924S 2.5L 1986-87
- Porsche 924S 2.5L 1988
- Porsche 944 2.5L 8V 1982-87
- Porsche 944 2.7L 8V 1988-89
- Porsche 944S 2.5L 16V 1987-88
- Porsche 944S2 3.0L 16V 1989-91
- Porsche 944 Turbo 2.5L 8V 1985-88
- Porsche 944 Turbo 2.5L 8V 1989-91
- Porsche 944 Turbo S 2.5L 8V 1988
- Porsche 968 3.0L 1992-94
- Porsche 968 Sport 3.0L 1994-95
- Porsche 968 CS 3.0L 1993-95
- Porsche 968 Turbo S 3.0L 1993-94
- Porsche 928 4.5L 1978-82
- Porsche 928S 4.7L 1981-83
- Porsche 928S2 4.7L 1984-86
- Porsche 928S4 5.0L 1987-92
- Porsche 928GT 5.0L 1989-91
- Porsche 928GTS 5.4L 1992-95
- Porsche 356 1950-55
- Porsche 356A 1955-59
- Porsche 356B 1959-63
- Porsche 356C 1963-65

Adatto a:
Porsche 356 1950-65
Porsche 911 1965-89
Porsche 924S 1986-88
Porsche 928 1978-95
Porsche 944 1982-91
Porsche 964 1989-94
Porsche 968 1992-95
Fare clic su "Ingrandisci" per visualizzare lo schema delle parti più grandi.
Diagramma rif. n. 5
Numeri di riferimento correlati
Numeri correlati, sostituiti, riferimenti incrociati o alternativi per il confronto.
91435566701
Il prodotto che stai visualizzando fa riferimento a questi numeri
- Porsche 911 1974-1977 2.7L / 1976-77 3.0 Carrera
- Porsche 911 1978-1983 3.0L / SC
- Porsche 911 1975-1977 3.0L Turbo (930)

#parte posteriore#
Porsche 911 1974-77
Porsche 911 SC 1978-83
Porsche 911 (930) Turbo 1975-77 (per vetture con servofreno)
Fai clic su "Ingrandisci" per il diagramma delle parti di grandi dimensioni.
Diagramma rif. n. 21
Numeri di riferimento correlati
Numeri correlati, sostituiti, riferimenti incrociati o alternativi per il confronto.
91135562105
Il prodotto che stai visualizzando fa riferimento a questi numeri
- Porsche 911 1974-1977 2.7L / 1976-77 3.0 Carrera
- Porsche 911 1978-1983 3.0L / SC
- Porsche 911 1975-1977 3.0L Turbo (930)

#parte posteriore#
Porsche 911 1974-77
Porsche 911 SC 1978-83
Porsche 911 (930) Turbo 1975-77 (per vetture con servofreno)
Fai clic su "Ingrandisci" per il diagramma delle parti di grandi dimensioni.
Diagramma rif. n. 21
Numeri di riferimento correlati
Numeri correlati, sostituiti, riferimenti incrociati o alternativi per il confronto.
91135562105
Il prodotto che stai visualizzando fa riferimento a questi numeri
-
freno a disco posteriore, freno a mano 911 TURBO 1975-77 603-00
-
brake master cylinder for cars without brake booster 911 TURBO 1975-77 604-00
-
brake lines for cars without brake booster 911 TURBO 1975-77 604-05
-
brake lines for cars with brake booster 911 TURBO 1975-77 604-15
-
pedals for cars with brake booster 911 TURBO 1975-77 702-10
Pinze e tubi freno Porsche | Componenti di precisione Design911 per pressione idraulica, controllo e prestazioni
Pinze e tubi freno sono elementi essenziali dell'impianto frenante della tua Porsche, poiché lavorano insieme per fornire una pressione idraulica e una potenza frenante costanti. La pinza converte la pressione del fluido in forza meccanica, premendo le pastiglie dei freni contro il disco, mentre i tubi freno garantiscono un trasferimento preciso del fluido in tutto il sistema. Mantenere questi componenti in condizioni ottimali è essenziale per la sicurezza, l'equilibrio della frenata e la sensibilità del pedale, soprattutto in condizioni di guida impegnative o ad alte prestazioni.
Da Design911 offriamo una gamma premium di pinze e tubi freno, progettati per garantire precisione, resistenza e affidabilità. Ogni componente è realizzato con materiali resistenti alla corrosione e tecnologie avanzate per garantire una risposta idraulica costante, resistenza al calore e durata a lungo termine. Che si tratti di uso stradale, restauro o applicazioni motorsport, i nostri prodotti garantiscono che l'impianto frenante della tua Porsche funzioni al meglio.
A cosa servono le pinze e i tubi dei freni?
Le pinze e le tubazioni dei freni costituiscono la spina dorsale idraulica del sistema frenante, convertendo la forza esercitata sul pedale in una decelerazione controllata e potente.
Funzioni principali:
• Le pinze applicano una forza di serraggio alle pastiglie dei freni contro i dischi.
• Le tubazioni dei freni trasferiscono il fluido pressurizzato dal cilindro principale alle pinze.
• Garantire una pressione e un bilanciamento della frenata uniformi su tutte le ruote.
• Supporta la dissipazione del calore e il funzionamento idraulico regolare.
• Mantieni una sensibilità precisa del pedale per un controllo sicuro della frenata.
Insieme, questi componenti garantiscono che i freni della tua Porsche offrano la precisione, la potenza e la stabilità necessarie sia per l'uso su strada che in pista.
Perché le pinze e i tubi dei freni si guastano o si deteriorano?
Entrambi i componenti sono esposti a calore estremo, pressione ed elementi ambientali, condizioni che possono causare usura, corrosione e, infine, guasti.
Le cause più comuni di guasto includono:
• Corrosione o ruggine su pinze e raccordi.
• Perdite dalle guarnizioni idrauliche o pistoni danneggiati.
• Tubi dei freni in gomma rotti o rigonfi.
• Contaminazione da aria o umidità nel sistema idraulico.
• Degrado del liquido dei freni che provoca corrosione interna.
• Danni fisici dovuti a detriti, urti o installazione impropria.
Quando le pinze o i tubi dei freni si rompono, le prestazioni di frenata diventano incoerenti o pericolose, con sintomi quali pedali spugnosi, perdite di liquido o risposta di frenata irregolare.
Perché sostituire o aggiornare le pinze e i tubi dei freni della tua Porsche?
La sostituzione di componenti usurati o corrosi garantisce il funzionamento sicuro ed efficiente dell'impianto frenante. L'installazione di tubi freno ad alte prestazioni o in acciaio inossidabile migliora la costanza della pressione e la sensibilità del pedale, mentre pinze ricondizionate o di precisione ripristinano il perfetto controllo idraulico.
Vantaggi principali:
• Ripristina le prestazioni complete della frenata idraulica.
• Migliora la reattività e la sensazione del pedale.
• Elimina perdite, corrosione e perdite di pressione.
• Migliora la stabilità di frenata ad alte temperature.
• Disponibile nelle opzioni di sostituzione standard e performance.
• Adatto ai modelli Porsche classici e moderni.
Le pinze e i tubi freno Porsche di Design911 garantiscono affidabilità e precisione senza compromessi, garantendo che la tua Porsche si fermi con la stessa sicurezza con cui accelera.
Punti salienti
• Pinze freno e tubi idraulici Porsche di alta qualità.
• Progettato per garantire prestazioni, durata e montaggio preciso.
• Opzioni intrecciate in acciaio inossidabile per una migliore stabilità della pressione.
• Costruzione resistente alla corrosione e al calore.
• Perfetto per applicazioni su strada, in gara e per restauri.
• Compatibile con un'ampia gamma di modelli Porsche.