Enter your VAT number here and click Verify:
Your details have been verified. VAT number registered to:
,
.
Your order will now be zero rated for VAT purposes. We reserve the right to verify these details after your order request has been made and reinstate VAT if required.
Your VAT details were not recognised or were invalid. Your VAT number must be matched to your Billing Country as specified above. This is currently specified as . You do not need to enter the country code part of your VAT number as this has already been selected in your billing address details above.
The VAT number checking service is currently offline. Please supply your VAT details within the comments or special instructions field below and we will apply a VAT discount after placing your order request.
Radiators
- Porsche 911 1965-1968 2.0L / 912 SWB (F)
- Porsche 911 1968-1973 2.2L / 2.4L / 2.7L RS LWB (F)
- Porsche 911 1974-1977 2.7L / 1976-77 3.0 Carrera
- Porsche 911 1978-1983 3.0L / SC
- Porsche 911 1984-1986 3.2L
- Porsche 911 1987-1989 3.2L G50
- Porsche 911 1975-1977 3.0L Turbo (930)
- Porsche 911 1978-1989 3.3L Turbo (930)
- Porsche 911 1978-1983 3.0L / SC
- Porsche 911 1984-1986 3.2L
- Porsche 911 1987-1989 3.2L G50
- Porsche 911 1975-1977 3.0L Turbo (930)
- Porsche 911 1978-1989 3.3L Turbo (930)
High-Performance Core Technology
50mm Core vs. OEM 45mm
15 Rows of Turbulated Tubes, 16 Rows of Fins (Same as OEM Spec)
Innovative Square Fin Design (Stronger, Better Performance, Less Clogging)
~10% Better Performance (Wind Tunnel Tested)
No Increase in Pressure Drop
Fits:
Porsche 911 3.2L / 3.0L 1984-89 - Direct Fit
Porsche 930 3.3L - Direct Fit
Porsche 911 / 930 1965 - 1983 Retrofit Capable
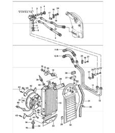
Diagram Ref No 13
Cross reference numbers
93020705302, 93020705304
CSF is proud to announce the release of its highly anticipated Porsche 911/930 Turbo right fender oil cooler. CSF's new release brings OEM tier-1 quality, innovative features, and value to the platform's replacement and performance aftermarket (directly replaces OEM part number 930 207 053 02 and 930 207 053 04).
A close-up of the high-performance CSF core vs. a 35+ year old oil cooler that it is replacing. CSF's core has an innovative square fin design which helps alleviate clogging. It also increases performance and strength due to more surface area contact with the tubes.
M30 x 1.5 High-Flow Fittings
OEM Style, Machined In-House
17.5mm ID "Widemouth" Design vs. 14.5mm ID of the OEM Fittings
Stainless Steel w/ Copper Crush Washer for Increased Strength and Durability vs. OEM Mild Steel
Deeper Plunge for More Volume
50% Greater Flow Capacity for Maximum Performance
Comparison between CSF's high-flow fittings w/ 17.5mm ID widemouth design vs. the OEM 14.5mm ID design
M22 x 1.5 Inlet/Outlet Connections
Internal Radius for Maximum Flow
Optimized to Also Accept AN-16 Connections for Increased Versatility and Setup Configurations
CSF's M22 x 1.5 inlet/outlet feature improved internal radius connections for maximum flow of oil into and out of the oil cooler.
Temperature Sender Combination Mounting Boss
Three Fittings Included
Threaded Plug (For Use With No Fan)
M14 x 1.5P Adapter (For Use With OEM Fan)
3/8-18 NPTF Adapter (For Use With SPAL/Modern Fan)
1/2-14 NPTF design to accommodate the included three fittings
Related reference numbers
Related, superseded, cross reference or alternative numbers for comparison.
93020705304
The product you are viewing cross references to these numbers
- Porsche 911 1965-1968 2.0L / 912 SWB (F)
- Porsche 911 1968-1973 2.2L / 2.4L / 2.7L RS LWB (F)
- Porsche 911 1974-1977 2.7L / 1976-77 3.0 Carrera
- Porsche 911 1978-1983 3.0L / SC
- Porsche 911 1984-1986 3.2L
- Porsche 911 1987-1989 3.2L G50
- Porsche 911 1975-1977 3.0L Turbo (930)
- Porsche 911 1978-1989 3.3L Turbo (930)
OEM+ / High-Performance recreation of the original Behr Oil Cooler
CNC Machined mounting plate with helix design for strength and pocketed for weight savings
Modern Tube & Fin core with lower pressure drop and higher heat dissipation than the original
Stainless Steel Fittings for late model slip-on style (72-89) and early threaded style (65-71) with upgraded M30 “Widemouth” Design for improved flow
All OEM Behr features replicated on the billet mounting plate and cooler case
Comes standard with modern Cerakote titanium finish (additional heat dissipation) – modern interpretation of the OEM Behr finish
Optimized ID and flow characteristics of oil pipe for maximum oil flow through the vehicle’s oil system
Complete drop-in fit, absolutely no modifications to install
- Porsche 911 1965-1968 2.0L / 912 SWB (F)
- Porsche 911 1968-1973 2.2L / 2.4L / 2.7L RS LWB (F)
- Porsche 911 1974-1977 2.7L / 1976-77 3.0 Carrera
- Porsche 911 1978-1983 3.0L / SC
- Porsche 911 1984-1986 3.2L
- Porsche 911 1987-1989 3.2L G50
- Porsche 911 1975-1977 3.0L Turbo (930)
- Porsche 911 1978-1989 3.3L Turbo (930)
Diagram Ref No 8
After 2+ years of development and 4 rounds of prototypes, the world debut of the CSF Porsche 911/930 Engine Oil Cooler at Rennsport Reunion 2023 was met with resounding enthusiasm. Air-cooled enthusiasts know the struggles associated with the oil cooler located on the engine block of the old flat six motor. CSF’s highly anticipated new release is arguably the most important modern engine upgrade to be released for the 911 in years.
While the original design was effective at the time, they have not aged well. On top of that, there have been no updates to the design and original replacement units can be hard to come by. When the CSF 911 was being built, CSF realized this was a much needed part for the air-cooled community and set out to design something special.
The old original coolers aren’t the only issue though. CSF has gotten many first hand reports of brand new OE coolers from Porsche’s revamped “Porsche Classic” Catalogue leaking within a few months of installation. Apparently the new items available from Porsche are not built as well as the original Behr coolers. CSF has now brought to market a modern OEM+ solution to this vintage design.
The high-performance core uses 7 cooling tubes with 8 rows of fins. Between the ultra efficient fin design and high flow tubes, the CSF cooler is ~10% more efficient than a brand new OE unit and up to 25% more efficient than a used unit.
Because the base plate of the cooler is also a common problem area, CSF sought to improve this area as much as possible. Instead of the original cast design, the CSF cooler uses a CNC machined billet aluminum plate. This offers a perfectly flat mounting surface which is both stronger and more resistant to warping over time. You’ll also notice a special helix design which adds strength while keeping weight at a minimum.
Each unit is Individually Leak and Pressure Tested with a 10 year warranty
New OEM coolers from Porsche are extremely scarce/hard to source and cost $1,300+
Related reference numbers
Related, superseded, cross reference or alternative numbers for comparison.
91110704102
The product you are viewing cross references to these numbers
- Porsche 911 1965-1968 2.0L / 912 SWB (F)
- Porsche 911 1968-1973 2.2L / 2.4L / 2.7L RS LWB (F)
- Porsche 911 1974-1977 2.7L / 1976-77 3.0 Carrera
- Porsche 911 1978-1983 3.0L / SC
- Porsche 911 1984-1986 3.2L
- Porsche 911 1987-1989 3.2L G50
- Porsche 911 1975-1977 3.0L Turbo (930)
- Porsche 911 1978-1989 3.3L Turbo (930)
M22 x 1.5 connections - 24'L X 5.75'H X 2.16'W
RS style bar and plate oil coolers for air-cooled Porsche 911/930 models (up to 1989). This oil cooler is a direct-fit performance replacement for the original Porsche items but they can also be used as heavy duty universal units!
Product Features
• Heavy duty bar/plate core
• New Aero-flow bar design for low mass, strength and maximum airflow through the core
• Satin Black finish for protection against corrosion and debris
• Triangular flush mounting bolts on both top & bottom (M8x1.25)
• Slight 15 degree angle for connections (M22x1.5 female) with tapered, cast end-tanks
• 609mm Length x 54.6mm Width x 146mm Height
Cross reference numbers
91110705101
Related reference numbers
Related, superseded, cross reference or alternative numbers for comparison.
8110
The product you are viewing cross references to these numbers
- Porsche 911 1965-1968 2.0L / 912 SWB (F)
- Porsche 911 1968-1973 2.2L / 2.4L / 2.7L RS LWB (F)
- Porsche 911 1974-1977 2.7L / 1976-77 3.0 Carrera
- Porsche 911 1978-1983 3.0L / SC
- Porsche 911 1984-1986 3.2L
- Porsche 911 1987-1989 3.2L G50
- Porsche 911 1975-1977 3.0L Turbo (930)
- Porsche 911 1978-1989 3.3L Turbo (930)
M22 x 1.5 connections - 24'L X 5.75'H X 2.16'W
RS style bar and plate oil coolers for air-cooled Porsche 911/930 models (up to 1989). This oil cooler is a direct-fit performance replacement for the original Porsche items but they can also be used as heavy duty universal units!
Product Features:
• Heavy duty bar/plate core
• New Aero-flow bar design for low mass, strength and maximum airflow through the core
• Satin Black finish for protection against corrosion and debris
• Triangular flush mounting bolts on both top & bottom (M8x1.25)
• Slight 15 degree angle for connections (M22x1.5 female) with tapered, cast end-tanks
• 609mm Length x 54.6mm Width x 146mm Height
Cross reference numbers
91110705101
Related reference numbers
Related, superseded, cross reference or alternative numbers for comparison.
8111
The product you are viewing cross references to these numbers
-
engine lubrication 911 UPTO 1971 104-00
-
engine lubrication 911 T-E/E/S and 911 T-V 1972 104-15
-
engine lubrication 911 1973 ONWARDS 104-25
-
engine lubrication oil pump 911 1978-83 104-00
-
engine lubrication radiator coil 911 1978-83 104-05
-
engine lubrication oil pump lines 911 1987-89 104-00
-
engine lubrication oil cooler 911 1987-89 104-05
-
special model flatnose design oil cooler centre 911 TURBO M506 1988 ONWARDS 180-10
-
Engine lubrication oil pump lines 911 1984-86 104-00
-
engine lubrication oil cooler 911 1984-86 104-05
-
Engine lubrication 911 1974-77 104-00
-
engine lubrication 911 1965-69 104-00
-
engine lubrication 911 TURBO 1975-77 104-00
Porsche Performance Radiators - Engine Cooling & Thermal Control Upgrades
Radiators are a critical part of the engine cooling system, responsible for dissipating heat and maintaining optimal operating temperatures. In performance-driven, tuned, or high-mileage Porsche engines, upgraded radiators play a vital role in preventing overheating, reducing thermal stress, and protecting engine components under sustained load.
Available from Design911, Porsche performance radiators are engineered to deliver increased cooling efficiency, improved airflow, and enhanced durability—making them essential upgrades for road, track, and high-performance applications.
What Do Radiators Do?
Radiators regulate engine temperature by transferring heat away from the coolant.
Core Functions:
- Dissipate engine heat efficiently.
- Maintain stable operating temperatures.
- Prevent overheating under load.
- Support consistent engine performance.
- Protect internal engine components from heat damage.
Effective cooling is essential for engine reliability and longevity.
Why Do Radiators Fail?
Standard radiators can degrade over time due to age,
contamination, and increased thermal demand. Common failure causes include:
- Internal blockage from debris or sediment.
- External fin corrosion or damage.
- Coolant leaks from plastic end tanks or seals.
- Reduced efficiency due to age and contamination.
- Increased heat load from tuned or track-driven engines.
A failing radiator can lead to overheating, coolant loss, and serious engine damage if left unresolved.
Why Upgrade to a Performance Radiator?
Performance radiators are designed to handle higher thermal loads more effectively.
Upgrade Benefits:
- Increased cooling capacity and heat dissipation.
- Improved airflow and coolant flow efficiency.
- Stronger materials for enhanced durability.
- Reduced risk of overheating during spirited or track driving.
- Ideal upgrade for tuned and high-output engines.
Upgrading the radiator helps protect engine reliability while supporting performance enhancements.
Highlights
- Porsche performance radiator upgrades
- Improved cooling efficiency and heat management
- Designed for tuned and high-performance engines
- Enhanced durability and long service life
- Essential upgrade for track and performance use