Enter your VAT number here and click Verify:
Your details have been verified. VAT number registered to:
,
.
Your order will now be zero rated for VAT purposes. We reserve the right to verify these details after your order request has been made and reinstate VAT if required.
Your VAT details were not recognised or were invalid. Your VAT number must be matched to your Billing Country as specified above. This is currently specified as . You do not need to enter the country code part of your VAT number as this has already been selected in your billing address details above.
The VAT number checking service is currently offline. Please supply your VAT details within the comments or special instructions field below and we will apply a VAT discount after placing your order request.
Cylinder Head / Camshaft Carrier
- Porsche 911 1965-1968 2.0L / 912 SWB (F)
- Porsche 911 1968-1973 2.2L / 2.4L / 2.7L RS LWB (F)
- Porsche 911 1974-1977 2.7L / 1976-77 3.0 Carrera
- Porsche 911 1975-1977 3.0L Turbo (930)
- Porsche 914 (1970-1976)
24 x washers & 24 x cylinder head nuts

Fits:
Porsche 911 1965-77
Porsche 930 Turbo 1975-77
Porsche 914-6
Click 'Zoom in' for large parts diagram.
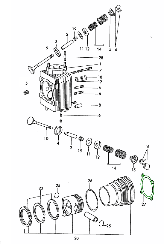
Diagram ref no 17
Related reference numbers
Related, superseded, cross reference or alternative numbers for comparison.
99903108302
The product you are viewing cross references to these numbers
This kit is comprised of the following items:
- Porsche 911 1965-1968 2.0L / 912 SWB (F)
- Porsche 911 1968-1973 2.2L / 2.4L / 2.7L RS LWB (F)
- Porsche 911 1974-1977 2.7L / 1976-77 3.0 Carrera
- Porsche 911 1978-1983 3.0L / SC
- Porsche 911 1984-1986 3.2L
- Porsche 911 1987-1989 3.2L G50
- Porsche 911 1975-1977 3.0L Turbo (930)
- Porsche 911 1978-1989 3.3L Turbo (930)
- Porsche 964 (911) C2 1989-93
- Porsche 964 (911) C4 1989-93
- Porsche 964 (911) RS 3.6L 1991-93
- Porsche 964 (911) RS 3.8L 1991-93
- Porsche 964 (911) TURBO 3.3L 1991-93
- Porsche 964 (911) TURBO 3.6L 1991-93
- Porsche 993 (911) C2 1994-97
- Porsche 993 (911) C4 1994-97
- Porsche 993 (911) RS 1994-97
- Porsche 993 (911) C2S 1994-97
- Porsche 993 (911) C4S 1994-97
- Porsche 993 (911) TURBO 1994-96
- Porsche 993 (911) GT2 1994-97
- Porsche 993 (911) TURBO S 1994-97
- Porsche 914 (1970-1976)

Fits:
Porsche 911 1965-89 (incl. Turbo)
Porsche 914 1970-76
Porsche 964 1989-94
Porsche 993 1995-98
Click 'Zoom in' for large parts diagram
Diagram ref no 2
Related reference numbers
Related, superseded, cross reference or alternative numbers for comparison.
93010519600
The product you are viewing cross references to these numbers
- Porsche 911 1965-1968 2.0L / 912 SWB (F)
- Porsche 911 1968-1973 2.2L / 2.4L / 2.7L RS LWB (F)
- Porsche 911 1974-1977 2.7L / 1976-77 3.0 Carrera
- Porsche 911 1978-1983 3.0L / SC
- Porsche 911 1984-1986 3.2L
- Porsche 911 1987-1989 3.2L G50
- Porsche 911 1975-1977 3.0L Turbo (930)
- Porsche 911 1978-1989 3.3L Turbo (930)
- Porsche 964 (911) C2 1989-93
- Porsche 964 (911) C4 1989-93
- Porsche 964 (911) RS 3.6L 1991-93
- Porsche 964 (911) RS 3.8L 1991-93
- Porsche 964 (911) TURBO 3.3L 1991-93
- Porsche 964 (911) TURBO 3.6L 1991-93
- Porsche 993 (911) C2 1994-97
- Porsche 993 (911) C4 1994-97
- Porsche 993 (911) RS 1994-97
- Porsche 993 (911) C2S 1994-97
- Porsche 993 (911) C4S 1994-97
- Porsche 993 (911) TURBO 1994-96
- Porsche 993 (911) GT2 1994-97
- Porsche 993 (911) TURBO S 1994-97
- Porsche 914 (1970-1976)

Fits:
Porsche 911 1965-89 (incl. Turbo)
Porsche 914 1970-76
Porsche 964 1989-94
Porsche 993 1995-98
Click 'Zoom in' for large parts diagram
Diagram ref no 2
Related reference numbers
Related, superseded, cross reference or alternative numbers for comparison.
93010519600
The product you are viewing cross references to these numbers
- Porsche 911 1974-1977 2.7L / 1976-77 3.0 Carrera
- Porsche 911 1978-1983 3.0L / SC
- Porsche 911 1984-1986 3.2L
- Porsche 911 1987-1989 3.2L G50
- Porsche 911 1975-1977 3.0L Turbo (930)
- Porsche 911 1978-1989 3.3L Turbo (930)
- Porsche 964 (911) C2 1989-93
- Porsche 964 (911) C4 1989-93
- Porsche 964 (911) RS 3.6L 1991-93
- Porsche 964 (911) RS 3.8L 1991-93
- Porsche 964 (911) TURBO 3.3L 1991-93
- Porsche 964 (911) TURBO 3.6L 1991-93
- Porsche 993 (911) C2 1994-97
- Porsche 993 (911) C4 1994-97
- Porsche 993 (911) RS 1994-97
- Porsche 993 (911) C2S 1994-97
- Porsche 993 (911) C4S 1994-97
- Porsche 993 (911) TURBO 1994-96
- Porsche 993 (911) GT2 1994-97
- Porsche 993 (911) TURBO S 1994-97
- Porsche 914 (1970-1976)
Fits:
Porsche 911 1974-89
Porsche 964 1989-94
Porsche 993 1994-98
Porsche 914-6 1970-76
Diagram ref no 14
Related reference numbers
Related, superseded, cross reference or alternative numbers for comparison.
93010519705
The product you are viewing cross references to these numbers
- Porsche 911 1965-1968 2.0L / 912 SWB (F)
- Porsche 911 1968-1973 2.2L / 2.4L / 2.7L RS LWB (F)
- Porsche 911 1974-1977 2.7L / 1976-77 3.0 Carrera
- Porsche 911 1978-1983 3.0L / SC
- Porsche 911 1984-1986 3.2L
- Porsche 911 1987-1989 3.2L G50
- Porsche 911 1975-1977 3.0L Turbo (930)
- Porsche 911 1978-1989 3.3L Turbo (930)
- Porsche 964 (911) TURBO 3.3L 1991-93
- Porsche 964 (911) TURBO 3.6L 1991-93
- Porsche 914 (1970-1976)

Fits:
Porsche 911 1965-89
Porsche 914 1970-76
Porsche 964 Turbo 1991-92
This product supersedes Porsche's old part numbers:
- 90110536101
- 90110536102
Click 'Zoom in' for large parts diagram.
Diagram ref no 34
Related reference numbers
Related, superseded, cross reference or alternative numbers for comparison.
90110536103
The product you are viewing cross references to these numbers
- Porsche 911 1965-1968 2.0L / 912 SWB (F)
- Porsche 911 1968-1973 2.2L / 2.4L / 2.7L RS LWB (F)
- Porsche 911 1974-1977 2.7L / 1976-77 3.0 Carrera
- Porsche 911 1978-1983 3.0L / SC
- Porsche 911 1984-1986 3.2L
- Porsche 911 1987-1989 3.2L G50
- Porsche 911 1975-1977 3.0L Turbo (930)
- Porsche 911 1978-1989 3.3L Turbo (930)
- Porsche 964 (911) TURBO 3.3L 1991-93
- Porsche 964 (911) TURBO 3.6L 1991-93
- Porsche 914 (1970-1976)
Fits:
Porsche 911/930 1965-89
Porsche 914-6 1970-76
Porsche 964 Turbo 1991-92
Click 'Zoom in' for large parts diagram.
Diagram ref no 33
Related reference numbers
Related, superseded, cross reference or alternative numbers for comparison.
90110537401
The product you are viewing cross references to these numbers
- Porsche 911 1968-1973 2.2L / 2.4L / 2.7L RS LWB (F)
- Porsche 911 1974-1977 2.7L / 1976-77 3.0 Carrera
- Porsche 911 1978-1983 3.0L / SC
- Porsche 911 1984-1986 3.2L
- Porsche 911 1987-1989 3.2L G50
- Porsche 911 1975-1977 3.0L Turbo (930)
- Porsche 911 1978-1989 3.3L Turbo (930)
- Porsche 964 (911) C2 1989-93
- Porsche 964 (911) C4 1989-93
- Porsche 964 (911) RS 3.6L 1991-93
- Porsche 964 (911) RS 3.8L 1991-93
- Porsche 964 (911) TURBO 3.3L 1991-93
- Porsche 964 (911) TURBO 3.6L 1991-93
- Porsche 914 (1970-1976)

Fits:
Porsche 911 1972-89
Porsche 930 1975-89
Porsche 914 1970-76
Porsche 964 1989-94
Click 'Zoom in' for large parts diagram.
Diagram ref no 22
Related reference numbers
Related, superseded, cross reference or alternative numbers for comparison.
90110537900
The product you are viewing cross references to these numbers
- Porsche 356 1950-55
- Porsche 356A 1955-59
- Porsche 356B 1959-63
- Porsche 356C 1963-65
- Porsche 914 (1970-1976)

Fits:
Porsche 356
Porsche 912
Price is for 1 but there are 8 per engine
Click 'Zoom in' for large parts diagram.
Diagram ref no 25
Related reference numbers
Related, superseded, cross reference or alternative numbers for comparison.
61610523101
The product you are viewing cross references to these numbers
- Porsche 911 1965-1968 2.0L / 912 SWB (F)
- Porsche 911 1968-1973 2.2L / 2.4L / 2.7L RS LWB (F)
- Porsche 914 (1970-1976)
Sold each - 6 required per car
Fits:
Porsche 911 - 1965 to 1973
Porsche 914-6
Diagram ref no 27
Related reference numbers
Related, superseded, cross reference or alternative numbers for comparison.
90110439104
The product you are viewing cross references to these numbers
- Porsche 911 1965-1968 2.0L / 912 SWB (F)
- Porsche 911 1968-1973 2.2L / 2.4L / 2.7L RS LWB (F)
- Porsche 914 (1970-1976)
Fits:
Porsche 911 1965-73
Porsche 914-6
Diagram ref no 27
Related reference numbers
Related, superseded, cross reference or alternative numbers for comparison.
90110439104
The product you are viewing cross references to these numbers
- Porsche 911 1965-1968 2.0L / 912 SWB (F)
- Porsche 911 1968-1973 2.2L / 2.4L / 2.7L RS LWB (F)
- Porsche 914 (1970-1976)
Fits:
Porsche 911 1965-73
Porsche 914-6
Diagram ref no 27
Related reference numbers
Related, superseded, cross reference or alternative numbers for comparison.
90110439104
The product you are viewing cross references to these numbers
- Porsche 914 (1970-1976)
Thickness: 1 mm, Steel

Fits:
Porsche 914-1,8V/1,8 1970-76
Click 'Zoom in' for large parts diagram.
Diagram ref no 3
Related reference numbers
Related, superseded, cross reference or alternative numbers for comparison.
021101343A
The product you are viewing cross references to these numbers
- Porsche 914 (1970-1976)

Fits:
Porsche 914 2.0 1970-76
Click 'Zoom in' for large parts diagram.
Diagram ref no 3
Related reference numbers
Related, superseded, cross reference or alternative numbers for comparison.
039101343B
The product you are viewing cross references to these numbers
- Porsche 914 (1970-1976)
- Porsche 912E 4CYL 1976
Sold as a pair
Fits:
Porsche 912E - 1976
Porsche 914 - 1970 to 1976
High-Performance Cylinder Heads are an EMPI Tradition and the New Super Vee Type 4 Cylinder Heads Continue the EMPI Legacy of Quality, Speed and Innovation.
Starting with high quality European sourced castings, EMPI’s engineers went to work in EMPI’s state of the art machine shop in Anaheim, CA and fitted these Type 4 heads with Manley valves, bronze silicon valve guides, hardened valve seats, heavy duty valve springs and retainers.
All of the valve seat work is performed on our Rottler SG7MTS cylinder head machine.
Whether you’re rebuilding your VW or Hot Rodding your Porsche, you can be assured that these cylinder heads will deliver the performance you’ve been looking for.
EMPI Super Vee Stock Cylinder Heads Feature:
- EMPI Exclusive European sourced castings
- Manley valves – 42mm intake / 36mm exhaust
- Bronze silicon valve guides
- Hardened valve seats
- Heavy duty single valve springs – Made in the USA with Japanese steel
Please Note:
Super Vee Heads Require a 94-96mm Bore
Also fits
VW Type 411/412
( May Require Minor Modification to Engine Tin )
Related reference numbers
Related, superseded, cross reference or alternative numbers for comparison.
039101351E
The product you are viewing cross references to these numbers
- Porsche 914 (1970-1976)
- Porsche 912E 4CYL 1976

This is a brand new, ready to install replacement VW Type 4 cylinder head for Porsche 914 and 912E 2.0L models. These 100% new 2.0L 914 cylinder head castings come fitted with provision for breather and include stainless steel 42mm intake and stainless steel 36mm exhaust valves. Heads feature hardened keepers, chromoly retainers, and single high rev valve springs. These cylinder heads accept standard 94mm or 96mm cylinders but can be opened to accept 100-105mm machine-in big bore cylinders.
Sold as each; quantity two (2) required per engine.
Engine: Porsche 914 2.0L
Year: 1970-1976
Springs: Single High Rev Valve Springs
Valves: 42mm Intake by 36mm Exhaust (Stainless; 8mm Valve Stems)
Casting: AA 2.0L 914 3-Stud/3-Bolt
Plug Size: 14mm (Replacement Bosch Number is W8CC or NGK is B5ES)
Port: Round Cylinder Head Chamber
Volume: 60cc
Bore: STD 2.0L
Related reference numbers
Related, superseded, cross reference or alternative numbers for comparison.
039101351E
The product you are viewing cross references to these numbers
- Porsche 911 1968-1973 2.2L / 2.4L / 2.7L RS LWB (F)
- Porsche 911 1974-1977 2.7L / 1976-77 3.0 Carrera
- Porsche 914 (1970-1976)

Fits:
Porsche 911/911S Carrera 2.7 1974-1977
Porsche 914/6 1970-1972
Made in Germany: the aluminium oil splash tube
in the camshaft housing for lubricating the
camshaft and the rocker arms. The the oil splash tube should be renewed each time the engine is overhauled to prevent the soiling and sludge produced after many years of operation getting into the engine compartment.
Related reference numbers
Related, superseded, cross reference or alternative numbers for comparison.
90110536203
The product you are viewing cross references to these numbers
-
Tool Jack 914 1970-76 001-000
-
Cylinder head / Cylinder with piston 914-6 1970-76 103-000
-
Chain case / Camshaft housing 914-6 1970-76 103-005
-
Valve control - LEFT - 914-6 1970-76 103-010
-
Valve control - RIGHT - 914-6 1970-76 103-015
-
Oil supply for Converter 914-6:SPM >>1971 104-005
-
Cylinder head 914 1970-76 113-000
-
Gasket set / Repair kits 914 1970-76 198-000
Precision Cylinder Head & Camshaft Covers – Engine Protection and Performance for Porsche Models
The cylinder head and camshaft covers play a vital role in protecting key engine components such as the valvetrain, camshafts, and cylinder head from dirt, debris, and oil contamination. Beyond protection, they ensure proper oil sealing and ventilation — maintaining consistent lubrication and pressure balance within the engine.
At Design911, we offer a wide selection of precision-engineered cylinder head and camshaft covers for both classic and modern Porsche engines. Crafted from high-grade aluminium, magnesium, and composite materials, these covers provide a perfect fit and long-lasting reliability while maintaining the clean, professional look expected from Porsche’s performance heritage.
Whether you’re restoring an air-cooled 911 or servicing a high-output 992, our manufacturer-quality components ensure leak-free operation and exceptional durability.
What Do Cylinder Head and Camshaft Covers Do?
These components serve as the protective shell for your engine’s valvetrain and upper oil channels. They keep contaminants out, manage internal pressure, and help maintain consistent lubrication.
Core Functions:
- Seal the upper engine area, preventing oil leaks and contamination.
- Protect the camshafts and valve train from debris and moisture.
- Regulate crankcase ventilation, supporting optimal engine breathing.
- Maintain correct oil flow for cooling and lubrication efficiency.
They are essential not only for reliability but also for maintaining the visual and mechanical integrity of your Porsche’s engine bay.
Why Do Cylinder Head / Camshaft Covers Fail?
Over time, heat, pressure, and oil exposure can degrade materials, seals, and gaskets. These issues can lead to leaks, poor ventilation, and even oil starvation in extreme cases.
Common Causes of Failure Include:
- Cracked or warped covers from repeated heat cycles.
- Degraded seals or gaskets, causing oil leaks.
- Loose or fatigued fasteners, leading to uneven sealing pressure.
- Blocked breather passages, increasing internal pressure.
- Corrosion or contamination in older engines.
Replacing worn covers and seals restores oil control, prevents leaks, and preserves long-term engine health.
Why Replace with Precision-Engineered Covers?
Upgrading or replacing your covers ensures your Porsche engine operates as intended — leak-free, properly ventilated, and visually clean.
Key Benefits:
- Restores sealing performance and eliminates oil leaks.
- Protects vital valvetrain components from dirt and debris.
- Maintains proper crankcase pressure and oil control.
- Crafted from premium materials for superior heat and corrosion resistance.
- Perfect fitment and finish, ensuring long-term reliability.
- Compatible with a wide range of Porsche models, from classics to modern GT cars.
Precision covers also contribute to the engine’s aesthetic, maintaining the refined look Porsche owners expect.
Highlights:
- High-strength cylinder head and camshaft covers for Porsche engines.
- Precision-machined sealing surfaces for long-term oil-tight performance.
- Manufacturer-quality materials – aluminium, magnesium, and composite options.
- Improved oil control and internal ventilation. Ideal for engine rebuilds, upgrades, or restorations.
- Compatible with air-cooled and water-cooled Porsche models.