在此输入您的增值税号,然后单击验证:
您的详细信息已经过验证。增值税号注册至:
,
。
现在,您的订单的增值税税率为零。我们保留在您提出订单请求后验证这些详细信息的权利,并在需要时恢复增值税。
您的增值税详细信息无法识别或无效。您的增值税号必须与上面指定的帐单国家/地区相匹配。当前指定为 。您无需输入增值税号的国家/地区代码部分,因为已在上面的帐单地址详细信息中选择了该部分。
增值税号查询服务目前已离线。请在下面的评论或特殊说明字段中提供您的增值税详细信息,我们将在您提出订单请求后应用增值税折扣。
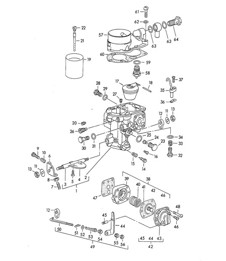
化油器及零件
- Porsche 911 1965-1968 2.0L / 912 SWB (F)
- Porsche 356 1950-55
- Porsche 356A 1955-59
- Porsche 356B 1959-63
- Porsche 356C 1963-65
歧管组允许用 2 个 Weber 40IDF 化油器替换原装 Zenith 化油器。
要更换 Solex 化油器,请参阅MW4050 。
还需要以下附加部件:
2 x AFB 320 空气过滤器
1 x 9900531400 杠杆
1 x 9900531500 杠杆
1 x 5555503800 垫圈
2 x 4043179900 油门止动件
- Porsche 911 1965-1968 2.0L / 912 SWB (F)
- Porsche 356A 1955-59
- Porsche 356B 1959-63
- Porsche 356C 1963-65
该工厂提供的混合管槽位于安装在保时捷 356 和 912 上的 Solex 40 PII/44 PII 化油器内。该管(保时捷图中的“25 号”)保持校准的内孔和喷射路径,控制计量的燃料/空气流入化油器喉管。
单个出售,每辆车需要 2 个。
适合:
保时捷 356 / 356A 1959 - 1959 年,发动机代码:6922
保时捷 356B / 356C(型号:1600 S90/SC、CARRERA、587/1 692/3A)1960-1965 年
保时捷 912 1.6L 1965 - 1969 年(发动机代码:616/36/37)
保时捷 912 1.6L 1965 - 1969 年(发动机代码:616/39/40)
图表参考编号 37
该 OEM 部件按照保时捷的精确规格制造,具有精密的孔径、正确的配合和表面处理,可确保正确的混合输送、一致的怠速行为并恢复经典保时捷燃油系统的原始设备性能。
•零件编号:61610090703(替代 61610090702)
•功能:控制化油器体内计量的燃料/空气流量
•位置:化油器体内,“管号 25”
随着时间的推移,原厂混合管可能会出现磨损、腐蚀或内孔变形。即使是轻微的磨损也会导致燃油/空气混合不均匀,从而导致怠速不稳、迟滞或驾驶性能下降。
在以下情况下更换此部件:
•您正在执行完整的化油器重建或燃油系统维修
•原件已磨损、腐蚀或缺失
•发动机出现混合不平衡或怠速不稳定的症状
•您的目标是将车辆恢复到出厂规格和最佳性能
安装原装保时捷可恢复原始的进气几何形状、精确的混合控制并确保您的经典保时捷按照保时捷的预期方式运行。
相关参考编号
相关编号、被取代编号、交叉引用编号或替代编号,供比较之用。
61610090703
您正在查看的产品与这些编号存在交叉引用关系
- Porsche 911 1965-1968 2.0L / 912 SWB (F)
- Porsche 356A 1955-59
- Porsche 356B 1959-63
- Porsche 356C 1963-65
化油器混合管(图中通常标记为“管道 - 编号 25”)用于配备 Solex 化油器的经典保时捷 356/912 车型。该管用于在化油器体内输送计量的燃油或空气,确保正确的混合气分配、稳定的流量和可靠的性能。其制造工艺完全复制了原厂的形状、直径和材料规格,因此无需改装即可直接更换。
单个出售,每辆车需要 2 个。
适合:
保时捷 356 / 356A 1959 - 1959 年,发动机代码:6922
保时捷 356B / 356C(型号:1600 S90/SC、CARRERA、587/1 692/3A)1960-1965 年
保时捷 912 1.6L 1965 - 1969 年(发动机代码:616/36/37)
保时捷 912 1.6L 1965 - 1969 年(发动机代码:616/39/40)
图表参考编号 37
•零件编号:61610090703(替代 61610090702)
•功能:在化油器体内输送计量的燃料/空气;确保正确的混合物输送
•位置:发动机感应系统 - 化油器体内/燃油管组件
•优点:OE 几何孔径、直接配合、恢复正确的燃油流动路径、升级取代的部件
随着时间的推移,化油器混合管会持续暴露于燃油蒸汽、振动和温度循环之中。这些情况会逐渐导致内部通道磨损、腐蚀或轻微变形,从而导致燃油雾化不良以及气缸间混合气输送不一致。即使管内径或对准度发生微小变化,也会影响油门响应和怠速平顺性。
在以下情况下更换此管:
•对保时捷 356、912 或早期 911 进行化油器重建或修复
•现有管道腐蚀、堵塞、破裂或孔内出现凹坑
•您在发动机运转过程中观察到燃料混合不均匀、迟滞或怠速不稳
•升级或更换其他感应部件(喷嘴、浮子、轴)以恢复 OEM 精度。
用新的管子更换磨损的管子可确保一致的燃油计量、适当的混合平衡和可靠的化油器性能——这对于保持经典保时捷发动机的平稳驾驶性能和真实的响应至关重要。
相关参考编号
相关编号、被取代编号、交叉引用编号或替代编号,供比较之用。
61610090703
您正在查看的产品与这些编号存在交叉引用关系
- Porsche 911 1965-1968 2.0L / 912 SWB (F)
- Porsche 356 1950-55
- Porsche 356A 1955-59
- Porsche 356B 1959-63
适合:
保时捷 356 1.5L 1600 S 1950-59 带 SOLEX 40 PBIC 带底盘 M >> 81 200
保时捷 356 A / B Carrera GS 1.6L 1959 配备 SOLEX 40 P II-4/WEBER
保时捷 911 >> 1968 年款,配备 SOLEX 40 PI-1
图表参考编号 80
相关参考编号
相关编号、被取代编号、交叉引用编号或替代编号,供比较之用。
61610090501
您正在查看的产品与这些编号存在交叉引用关系
- Porsche 911 1965-1968 2.0L / 912 SWB (F)
- Porsche 356 1950-55
- Porsche 356A 1955-59
- Porsche 356B 1959-63
适合:
保时捷 356 1.5L 1600 S 1950-59 带 SOLEX 40 PBIC 带底盘 M >> 81 200
保时捷 356 A / B Carrera GS 1.6L 1959 配备 SOLEX 40 P II-4/WEBER
保时捷 911 >> 1968 年款,配备 SOLEX 40 PI-1
图表参考编号 80
相关参考编号
相关编号、被取代编号、交叉引用编号或替代编号,供比较之用。
61610090501
您正在查看的产品与这些编号存在交叉引用关系
- Porsche 911 1965-1968 2.0L / 912 SWB (F)
- Porsche 356B 1959-63
- Porsche 356C 1963-65
该泵止回阀用于替换保时捷零件号为 616-100-943-01 的原装阀门。该阀用于配备 Solex 化油器系统的早期保时捷车型(356、912、早期 911)的化油器体内。
适合:
保时捷 356 B/C - 1600 S90/SC - 1960 - 1965 年
保时捷 912 1.6L 1965 - 1968(发动机代码:616/36/37)
图表参考编号 24
该阀门可确保化油器回路内燃料或空气的正确单向流动,防止回流,并有助于保持正确的混合比和怠速特性。它非常适合化油器改造、调校项目或原装进气系统的修复。
•功能:确保化油器系统内的单向流动;防止回流
•位置:化油器体内
•优点:OE 几何形状、可靠密封、恢复适当的混合控制、长寿命
止回阀/球阀是化油器内部一个虽小却至关重要的部件,它反复运动,与燃油和蒸汽接触,并持续处于温度循环之中。随着时间的推移,阀座或球阀可能会磨损,密封件可能会失效或腐蚀,从而导致燃油或空气泄漏、怠速不良、混合气不均匀,甚至溢流。
在以下情况下更换此阀门:
•重建或维修化油器单元
•注意到怠速不稳定、混合问题或化油器回流
•原装阀门出现磨损、腐蚀或粘连的迹象
•您正在将感应系统恢复到原始规格
安装新阀门可确保正确的流量控制、可靠的化油器功能,并有助于您的经典保时捷实现平稳、周期正确的性能。
相关参考编号
相关编号、被取代编号、交叉引用编号或替代编号,供比较之用。
61610094301
您正在查看的产品与这些编号存在交叉引用关系
- Porsche 356A 1955-59
- Porsche 356B 1959-63
- Porsche 356C 1963-65
Fits:
Zenith 32 NDIX Carbs
Porsche 356A (1956-1959)
Porsche 356B (1960-1963)
Porsche 356C (1964-1965)
Click 'Zoom in' for large parts diagram.
Diagram ref no 56
相关参考编号
相关编号、被取代编号、交叉引用编号或替代编号,供比较之用。
61610080900
您正在查看的产品与这些编号存在交叉引用关系
- Porsche 911 1965-1968 2.0L / 912 SWB (F)
- Porsche 356 1950-55
- Porsche 356A 1955-59
- Porsche 356B 1959-63
- Porsche 356C 1963-65
该喷嘴控制泵或过渡回路输送的燃油量,确保在加速或发动机高负荷工况下保持正确的混合气浓度。该替换部件与原厂尺寸、流道孔径和材料特性一致,可保持原厂校准,并有助于确保始终如一的驾驶性能和燃油计量。
单个出售,每辆车需要 4 个。
适合:
保时捷 356(型号:CARRERA 1600 GS/GT,6922)1950 - 1959 年
保时捷 356(型号:CARRERA 1500 GS/GT,40 PII-4)1950 - 1959
保时捷 356B / 356C(型号:1600 S90/SC、CARRERA、587/1 692/3A)1960-1965 年
保时捷 912 1.6L 1965 - 1968(发动机代码:616/36/37)
图表参考编号 16
•功能:调节通过化油器中的泵/过渡电路的燃油流量
•位置:化油器体内、泵/高需求燃油回路内
随着时间的推移,计量喷嘴(例如泵喷嘴)可能会受到侵蚀、腐蚀或变形,尤其是在燃油添加剂或长期使用的情况下。磨损或尺寸不合适的喷嘴会导致浓/稀混合气状态、迟滞、加速时出现平点或混合气过渡不稳定。
在以下情况下更换此喷嘴:
•您正在对化油器进行全面改造或大修
•您的发动机出现迟滞、加速不良或油门平点
•原装喷嘴缺失、损坏或有内部磨损迹象。
•您想恢复工厂正确的燃油计量以获得可靠的经典保时捷性能。
安装新的泵喷射器可确保准确的燃油输送、一致的混合行为,并有助于保持经典保时捷的真实感觉和平稳加速。
相关参考编号
相关编号、被取代编号、交叉引用编号或替代编号,供比较之用。
61610093600
您正在查看的产品与这些编号存在交叉引用关系
- Porsche 356 1950-55
- Porsche 356A 1955-59
- Porsche 356B 1959-63
- Porsche 356C 1963-65

Fits:
Porsche 356 1950-65 cars with Carburettor Zenith 32NDIX
Click 'Zoom in' for large parts diagram.
Diagram ref no 33
相关参考编号
相关编号、被取代编号、交叉引用编号或替代编号,供比较之用。
61610083800
您正在查看的产品与这些编号存在交叉引用关系
- Porsche 911 1965-1968 2.0L / 912 SWB (F)
- Porsche 356 1950-55
- Porsche 356A 1955-59
- Porsche 356B 1959-63
- Porsche 356C 1963-65
- Porsche 914 (1970-1976)
#网络会议#
32 PBI/PBIC/PICB 服务套件
适合 Solex 32 PBI / PICB / PICB 的维修套件
梅赛德斯 220B 1959-1965
保时捷
流浪者
路虎
维修套件包括垫圈、密封件、隔膜和针阀/阀座
请注意,服务套件不包括喷嘴,但如果需要,可以从 Webcon 单独获取。
相关参考编号
相关编号、被取代编号、交叉引用编号或替代编号,供比较之用。
9611736000
您正在查看的产品与这些编号存在交叉引用关系
- Porsche 911 1965-1968 2.0L / 912 SWB (F)
- Porsche 356 1950-55
- Porsche 356A 1955-59
- Porsche 356B 1959-63
- Porsche 356C 1963-65
价格为一套的价格,需要两套。
适合:
适用于 Solex 40 PII-4 和 44 PII-4
保时捷 356 B/C 1.6 01/59-12/65
保时捷912 1.6 01/65-07/68
图表参考编号 42 和 43。
该套件结合了保时捷 356 B/C 和早期 912 车型上使用的 Solex 化油器怠速回路的两个关键部件:
•怠速调节螺丝(616100927010)- 细螺纹钢螺丝,可精确调整怠速时的节气门板位置,控制气流和发动机转速。
•压力/压缩弹簧(61610081400)- 位于调节螺钉下方的匹配弹簧,可维持怠速节流板上正确的预紧力和回位力。
它们共同提供稳定、可重复的怠速设定和清晰的低速油门转换。其采用正确的尺寸、螺距、弹簧刚度和材质,确保怠速系统按照保时捷的预期运行。
相关参考编号
相关编号、被取代编号、交叉引用编号或替代编号,供比较之用。
61610092701
您正在查看的产品与这些编号存在交叉引用关系
- Porsche 911 1965-1968 2.0L / 912 SWB (F)
- Porsche 356 1950-55
- Porsche 356A 1955-59
- Porsche 356B 1959-63
- Porsche 356C 1963-65

FITS:
Fits Solex 40PII-4 with single shaft (idle screws not included).
Porsche 356, 356A, 356B, 356C and 912 models with a solid throttle shaft.
Price is for one kit.
相关参考编号
相关编号、被取代编号、交叉引用编号或替代编号,供比较之用。
61610890202
您正在查看的产品与这些编号存在交叉引用关系
- Porsche 911 1965-1968 2.0L / 912 SWB (F)
- Porsche 356 1950-55
- Porsche 356A 1955-59
- Porsche 356B 1959-63
- Porsche 356C 1963-65
价格为一套套件。

适合带分体轴的 Solex 40PII-4
配备分体式油门的保时捷 356、356A、356B、356C 车型
配备分体式油门的保时捷 912 车型
相关参考编号
相关编号、被取代编号、交叉引用编号或替代编号,供比较之用。
61610890203
您正在查看的产品与这些编号存在交叉引用关系
- Porsche 911 1965-1968 2.0L / 912 SWB (F)
- Porsche 356B 1959-63
- Porsche 356C 1963-65
文丘里导流漏斗/进气套管 - 零件编号 61610093000 - 是一款精密铸造的 32 毫米导流插件,专为安装在保时捷 356 和 912 发动机上的 Solex 化油器而设计。该文丘里元件可控制并加速通过化油器喉管的进气,从而优化压降并改善空燃比雾化,从而实现平稳、均衡的发动机性能。
单个出售,每辆车需要 2 个。
适合:
保时捷 356B/C 1600 S90/SC 1960 - 1965
保时捷 912 1965 - 1969
图表参考编号 36
OE Match 文丘里管完美复制了保时捷原厂部件的内部锥度、轮廓和表面光洁度。其精密加工的尺寸确保了精确的气流校准以及在所有发动机转速下的一致响应。
•直径:32 毫米
•功能:塑造并加速通过化油器文丘里管的气流
•配件:保时捷 356 / 912 发动机,配备 Solex 化油器
•位置:化油器进气喉管
•优点:恢复原始流动效率,增强雾化,改善油门响应
•安装:压入化油器主体;确保气流方向正确
该文丘里管非常适合化油器的重建、调整或周期性修复,可恢复经典风冷保时捷发动机的真实驾驶性能、油门平稳性和性能效率。
文丘里管对于维持化油器内适当的气流特性至关重要。随着时间的推移,原有的漏斗可能会腐蚀、变形,或积碳和燃油残留物堆积,导致混合气质量下降,性能下降。
在以下情况下请更换此部件:
•执行化油器重建或调整服务
•原有文丘里管出现磨损、点蚀或变形
•升级以恢复原始性能校准
•更换损坏或缺失的文丘里套管
安装新的 32 毫米文丘里漏斗可确保一致的气流、清晰的油门响应以及经典保时捷设计的精确化油器性能。
相关参考编号
相关编号、被取代编号、交叉引用编号或替代编号,供比较之用。
61610093000
您正在查看的产品与这些编号存在交叉引用关系
-
空气冷却 356, 356A 1950-1959 105-000
-
化油器零件 - SOLEX 32 PBIC - 356, 356A 1950-1959 107-020
-
化油器零件 - PALLAS - ZENITH 32 NDIX - 356, 356A 1950-1959 107-025
-
化油器零件 - SOLEX 40 PBIC - M >> 81 200 (型号:527/528, 1600 S) 356, 356A 1950-1959 107-030
-
化油器 / SOLEX 40 P II / SOLEX 40 P II-4 / 和燃油供应管线 M 90 501 >> 91 000(型号:CARRERA、1500 GS/GT)356、356A 1950-1959 107-040
-
化油器 SOLEX 40 P II-4/WEBER / 和燃油供应管路 (型号:CARRERA、1600 GS/GT) 356, 356A 1950-1959 107-042
-
化油器零件 - SOLEX 40 PII / SOLEX 40 PII-4 - M 90 501 >> 91 000(型号:CARRERA 1500 GS/GT)356、356A 1950-1959 107-050
-
空气冷却 / 加热 / 旧版本 356B / 356C 1960-1965 105-000
-
化油器和燃油供应管路(型号:1600、1600 S、1600 S90)356B / 356C 1960-1965 107-000
-
化油器和燃油供应管路(型号:CARRERA、587/1/2)356B / 356C 1960-1965 107-003
-
化油器 PALLAS - ZENITH 32 NDIX 的单个零件(型号:1600 /S/C)356B / 356C 1960-1965 107-010
-
化油器 SOLEX-40 PII-4/44 PII-4 的单个零件(型号:1600 S90/SC、CARRERA、587/1 692/3A)356B / 356C 1960-1965 107-015
精密化油器及部件——传承保时捷经典车的性能和可靠性
化油器是许多经典保时捷发动机的心脏,它提供完美的空气-燃料混合比,实现平稳、灵敏的燃烧。Design911 提供全面的高品质化油器和替换部件,旨在维护或提升复古和风冷保时捷车型的真实驾驶体验。
从完整的化油器组件到喷嘴、隔膜、垫圈、浮子和连杆,我们的产品均按照精确的制造商标准设计,确保一致的性能、易于调整和可靠的燃油输送——无论是用于修复还是赛车运动。
化油器和化油器零件起什么作用?
化油器的作用是在燃料进入发动机之前,将燃料和空气以正确的比例混合。这一过程确保高效燃烧、平稳的油门响应和最佳的动力输出。
核心功能:
- 根据不同的发动机转速和负载调节空气-燃料混合物。
- 提供稳定的燃油流量,实现平稳的怠速和加速。
- 在温度和高度变化时保持油门响应。
- 支持传统发动机的高效燃烧和改进的驾驶性能。
现代性能替换和重建套件使老款保时捷车型保留其时代正确的感觉,同时实现现代水平的可靠性。
化油器为何会失效?
随着时间的推移,化油器及其内部组件会因燃油清漆、污垢污染和机械磨损而性能下降。常见的故障症状包括:
- 由于喷嘴或通道堵塞而导致启动困难或失速。
- 由于漏气或垫圈磨损而导致怠速不均匀或失火。
- 浮子或针阀卡住导致加速性能差或燃油经济性差。
- 燃料从损坏的密封件或变形的外壳处泄漏或滴落。
定期检查和更换磨损的部件可防止性能不佳、燃油效率低下和潜在的发动机损坏。
为什么要用精密设计的化油器组件进行更换?
用精密设计的化油器零件更换磨损的部件可确保您的保时捷发动机保持其传奇般的油门感觉和动力输出。
主要优点:
- 恢复一致的空气-燃料混合和平稳的发动机运转。
- 改善冷启动和油门响应。
- 消除泄漏和不均匀怠速,提高驾驶性能。
- 通过正确加油和降低爆炸风险来延长发动机寿命。
- 采用制造商品质的材料和加工工艺来保持遗产的真实性。
- 与定期校正的保时捷化油器系统(例如 Weber、Solex、Zenith)完美兼容。
无论您是重建经典的 911、914 还是 356,我们精选的化油器和组件都能提供现代精度和符合时期的性能。
亮点:
- 适用于保时捷经典车型的全系列化油器和重建部件。
- 精密加工的部件确保可靠的燃料输送和响应。
- 制造商品质的配件,可实现无缝安装。
- 提高燃烧效率和性能一致性。
- 与 Weber、Solex 和 Zenith 系统兼容。
- 非常适合发动机修复、重建和调整项目。
