在此输入您的增值税号,然后单击验证:
您的详细信息已经过验证。增值税号注册至:
,
。
现在,您的订单的增值税税率为零。我们保留在您提出订单请求后验证这些详细信息的权利,并在需要时恢复增值税。
您的增值税详细信息无法识别或无效。您的增值税号必须与上面指定的帐单国家/地区相匹配。当前指定为 。您无需输入增值税号的国家/地区代码部分,因为已在上面的帐单地址详细信息中选择了该部分。
增值税号查询服务目前已离线。请在下面的评论或特殊说明字段中提供您的增值税详细信息,我们将在您提出订单请求后应用增值税折扣。
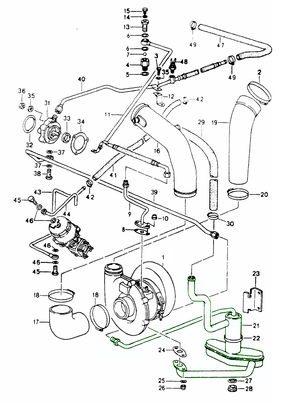
油箱及零件
- Porsche 964 (911) C2 1989-93
- Porsche 964 (911) C4 1989-93
- Porsche 964 (911) RS 3.6L 1991-93
- Porsche 964 (911) RS 3.8L 1991-93
- Porsche 964 (911) TURBO 3.3L 1991-93
- Porsche 964 (911) TURBO 3.6L 1991-93
随着时间的推移,原厂油管可能会出现泄漏或内部堵塞,导致冷却效率降低,并可能损坏发动机。用这款新套件更换原厂油管可恢复正常的油循环,并有助于保持稳定的工作温度,从而最大程度地延长发动机的使用寿命。
* 适用于配备机油恒温器零件号的汽车:
96420704705
96420704307
96420704308
保时捷 964 - 1989 年至 1994 年
图表参考编号 21、22 和 46
相关参考编号
相关编号、被取代编号、交叉引用编号或替代编号,供比较之用。
96420724107
您正在查看的产品与这些编号存在交叉引用关系
该套件包括以下商品:
- Porsche 964 (911) C2 1989-93
- Porsche 964 (911) C4 1989-93
- Porsche 964 (911) RS 3.6L 1991-93
- Porsche 964 (911) RS 3.8L 1991-93
- Porsche 964 (911) TURBO 3.3L 1991-93
- Porsche 964 (911) TURBO 3.6L 1991-93
*适用于配备油温调节器的汽车零件编号:
96420704703
96420704306
兼容:
保时捷 964 - 1989 年至 1994 年
图表参考编号 21、22 和 49
相关参考编号
相关编号、被取代编号、交叉引用编号或替代编号,供比较之用。
96420725102
您正在查看的产品与这些编号存在交叉引用关系
该套件包括以下商品:
- Porsche 911 1978-1983 3.0L / SC
- Porsche 911 1984-1986 3.2L
- Porsche 911 1987-1989 3.2L G50
- Porsche 911 1975-1977 3.0L Turbo (930)
- Porsche 911 1978-1989 3.3L Turbo (930)
- Porsche 964 (911) C2 1989-93
- Porsche 964 (911) C4 1989-93
- Porsche 964 (911) RS 3.6L 1991-93
- Porsche 964 (911) RS 3.8L 1991-93
- Porsche 964 (911) TURBO 3.3L 1991-93
- Porsche 964 (911) TURBO 3.6L 1991-93
- Porsche 944 2.5L 8V 1982-87
- Porsche 944 2.7L 8V 1988-89
- Porsche 944S 2.5L 16V 1987-88
- Porsche 944S2 3.0L 16V 1989-91
- Porsche 944 Turbo 2.5L 8V 1985-88
- Porsche 944 Turbo 2.5L 8V 1989-91
- Porsche 944 Turbo S 2.5L 8V 1988
- Porsche 928S2 4.7L 1984-86
适合:
废气
保时捷 911 1978>>1989
保时捷 964 1989>>1994
保时捷 924S 1986>>1988
保时捷 944 1985>>1991
保时捷 928 S2 1983>>1986
进气歧管
保时捷 955 卡宴 3.2L V6 2003>>2006
图表参考编号 22
相关参考编号
相关编号、被取代编号、交叉引用编号或替代编号,供比较之用。
034133335D
您正在查看的产品与这些编号存在交叉引用关系
- Porsche 911 1974-1977 2.7L / 1976-77 3.0 Carrera
- Porsche 911 1978-1983 3.0L / SC
- Porsche 911 1984-1986 3.2L
- Porsche 911 1987-1989 3.2L G50
- Porsche 911 1978-1989 3.3L Turbo (930)
- Porsche 964 (911) C2 1989-93
- Porsche 964 (911) C4 1989-93
- Porsche 964 (911) RS 3.6L 1991-93
- Porsche 964 (911) RS 3.8L 1991-93
- Porsche 964 (911) TURBO 3.3L 1991-93
- Porsche 964 (911) TURBO 3.6L 1991-93
- Porsche 924S 2.5L 1986-87
- Porsche 924S 2.5L 1988
- Porsche 944 2.7L 8V 1988-89
- Porsche 944S2 3.0L 16V 1989-91
- Porsche 944 Turbo 2.5L 8V 1985-88
- Porsche 944 Turbo 2.5L 8V 1989-91
- Porsche 944 Turbo S 2.5L 8V 1988
- Porsche 968 3.0L 1992-94
- Porsche 968 Sport 3.0L 1994-95
- Porsche 968 CS 3.0L 1993-95
- Porsche 968 Turbo S 3.0L 1993-94
- Porsche 928S4 5.0L 1987-92
- Porsche 928GT 5.0L 1989-91
- Porsche 928GTS 5.4L 1992-95
#保时捷#
适合:
保时捷911 1978-89
保时捷964 1989-94
保时捷968 1992-95
保时捷924S 1986-88
保时捷944 2.7L 1989年
保时捷 944 S2 3.0L 1989-91
保时捷 944 2.5L Turbo 1986-91
保时捷 944 2.5L Turbo S 1987-88
保时捷 928 S4 / GT / GTS 1987-95
单击“放大”可查看大部件图。
图表参考编号 11
相关参考编号
相关编号、被取代编号、交叉引用编号或替代编号,供比较之用。
94410709101
您正在查看的产品与这些编号存在交叉引用关系
- Porsche 911 1974-1977 2.7L / 1976-77 3.0 Carrera
- Porsche 911 1978-1983 3.0L / SC
- Porsche 911 1984-1986 3.2L
- Porsche 911 1987-1989 3.2L G50
- Porsche 911 1978-1989 3.3L Turbo (930)
- Porsche 964 (911) C2 1989-93
- Porsche 964 (911) C4 1989-93
- Porsche 964 (911) RS 3.6L 1991-93
- Porsche 964 (911) RS 3.8L 1991-93
- Porsche 964 (911) TURBO 3.3L 1991-93
- Porsche 964 (911) TURBO 3.6L 1991-93
- Porsche 924S 2.5L 1986-87
- Porsche 924S 2.5L 1988
- Porsche 944 2.7L 8V 1988-89
- Porsche 944S2 3.0L 16V 1989-91
- Porsche 944 Turbo 2.5L 8V 1985-88
- Porsche 944 Turbo 2.5L 8V 1989-91
- Porsche 944 Turbo S 2.5L 8V 1988
- Porsche 968 3.0L 1992-94
- Porsche 968 Sport 3.0L 1994-95
- Porsche 968 CS 3.0L 1993-95
- Porsche 968 Turbo S 3.0L 1993-94
- Porsche 928S4 5.0L 1987-92
- Porsche 928GT 5.0L 1989-91
- Porsche 928GTS 5.4L 1992-95

适合:
保时捷 911 SC 1974-83 SPORTMATIC 仅限
保时捷 911 Turbo(3.3L)1977/09-1989/07
保时捷 964 1989-94
保时捷 968 1992-95
保时捷 924S 1986-88
保时捷 944 2.7L 1989 年
保时捷 944 S2 3.0L 1989-91
保时捷 944 2.5L 涡轮增压 1986-91
保时捷 944 2.5L Turbo S 1987-88
保时捷 928 S4 / GT / GTS 1987-95
相关参考编号
相关编号、被取代编号、交叉引用编号或替代编号,供比较之用。
94410709101
您正在查看的产品与这些编号存在交叉引用关系
- Porsche 964 (911) C2 1989-93
- Porsche 964 (911) C4 1989-93
- Porsche 964 (911) RS 3.6L 1991-93
- Porsche 964 (911) RS 3.8L 1991-93
- Porsche 964 (911) TURBO 3.3L 1991-93
- Porsche 964 (911) TURBO 3.6L 1991-93
适合:
保时捷964 1989-94
* 适用于带有恒温器零件号的汽车:
96420704703
96420704706
图表参考编号 21
相关参考编号
相关编号、被取代编号、交叉引用编号或替代编号,供比较之用。
96420724104
您正在查看的产品与这些编号存在交叉引用关系
- Porsche 964 (911) C2 1989-93
- Porsche 964 (911) C4 1989-93
- Porsche 964 (911) RS 3.6L 1991-93
- Porsche 964 (911) RS 3.8L 1991-93
- Porsche 964 (911) TURBO 3.3L 1991-93
- Porsche 964 (911) TURBO 3.6L 1991-93
适合:
保时捷964 1989-94
* 适用于带有恒温器零件号的汽车:
96420704703
96420704706
图表参考编号 21
相关参考编号
相关编号、被取代编号、交叉引用编号或替代编号,供比较之用。
96420724104
您正在查看的产品与这些编号存在交叉引用关系
- Porsche 964 (911) C2 1989-93
- Porsche 964 (911) C4 1989-93
- Porsche 964 (911) RS 3.6L 1991-93
- Porsche 964 (911) RS 3.8L 1991-93
- Porsche 964 (911) TURBO 3.3L 1991-93
- Porsche 964 (911) TURBO 3.6L 1991-93
适合:
保时捷964 1989-94
* 适用于带有恒温器零件号的汽车:
96420704705
96420704307
96420704308
图表参考编号 21
相关参考编号
相关编号、被取代编号、交叉引用编号或替代编号,供比较之用。
96420724107
您正在查看的产品与这些编号存在交叉引用关系
- Porsche 964 (911) C2 1989-93
- Porsche 964 (911) C4 1989-93
- Porsche 964 (911) RS 3.6L 1991-93
- Porsche 964 (911) RS 3.8L 1991-93
- Porsche 964 (911) TURBO 3.3L 1991-93
- Porsche 964 (911) TURBO 3.6L 1991-93
适合:
保时捷964 1989-94
* 适用于带有恒温器零件号的汽车:
96420704705
96420704307
96420704308
图表参考编号 21
相关参考编号
相关编号、被取代编号、交叉引用编号或替代编号,供比较之用。
96420724107
您正在查看的产品与这些编号存在交叉引用关系
- Porsche 964 (911) C2 1989-93
- Porsche 964 (911) C4 1989-93
- Porsche 964 (911) RS 3.6L 1991-93
- Porsche 964 (911) RS 3.8L 1991-93
- Porsche 964 (911) TURBO 3.3L 1991-93
- Porsche 964 (911) TURBO 3.6L 1991-93
适合:
保时捷964 1989-94
*适用于带有恒温器零件号的汽车:
96420704703
96420704306
图表参考编号 22
相关参考编号
相关编号、被取代编号、交叉引用编号或替代编号,供比较之用。
96420725102
您正在查看的产品与这些编号存在交叉引用关系
- Porsche 964 (911) C2 1989-93
- Porsche 964 (911) C4 1989-93
- Porsche 964 (911) RS 3.6L 1991-93
- Porsche 964 (911) RS 3.8L 1991-93
- Porsche 964 (911) TURBO 3.3L 1991-93
- Porsche 964 (911) TURBO 3.6L 1991-93
适合:
保时捷964 1989-94
*适用于带有恒温器零件号的汽车:
96420704703
96420704306
图表参考编号 22
相关参考编号
相关编号、被取代编号、交叉引用编号或替代编号,供比较之用。
96420725102
您正在查看的产品与这些编号存在交叉引用关系
- Porsche 964 (911) C2 1989-93
- Porsche 964 (911) C4 1989-93
- Porsche 964 (911) RS 3.6L 1991-93
- Porsche 964 (911) RS 3.8L 1991-93
- Porsche 964 (911) TURBO 3.3L 1991-93
- Porsche 964 (911) TURBO 3.6L 1991-93

適用於:
保时捷 964 1989-94
图表参考编号 6。
相关参考编号
相关编号、被取代编号、交叉引用编号或替代编号,供比较之用。
96420705700
您正在查看的产品与这些编号存在交叉引用关系
- Porsche 964 (911) C2 1989-93
- Porsche 964 (911) C4 1989-93
- Porsche 964 (911) RS 3.6L 1991-93
- Porsche 964 (911) RS 3.8L 1991-93
- Porsche 964 (911) TURBO 3.3L 1991-93
- Porsche 964 (911) TURBO 3.6L 1991-93

Fits:
Porsche 964 1989-94
Click 'Zoom in' for large parts diagram.
Diagram Ref No 18.
相关参考编号
相关编号、被取代编号、交叉引用编号或替代编号,供比较之用。
96464156101
您正在查看的产品与这些编号存在交叉引用关系
- Porsche 964 (911) C2 1989-93
- Porsche 964 (911) C4 1989-93
- Porsche 964 (911) RS 3.6L 1991-93
- Porsche 964 (911) RS 3.8L 1991-93
- Porsche 964 (911) TURBO 3.3L 1991-93
- Porsche 964 (911) TURBO 3.6L 1991-93
#保时捷#
适合:
保时捷 964 1989-94
单击“放大”可查看大部件图。
图表参考编号 14。
相关参考编号
相关编号、被取代编号、交叉引用编号或替代编号,供比较之用。
96464105103
您正在查看的产品与这些编号存在交叉引用关系
- Porsche 964 (911) C2 1989-93
- Porsche 964 (911) C4 1989-93
- Porsche 964 (911) RS 3.6L 1991-93
- Porsche 964 (911) RS 3.8L 1991-93
- Porsche 964 (911) TURBO 3.3L 1991-93
- Porsche 964 (911) TURBO 3.6L 1991-93
#保时捷#
适合:
保时捷 964 1989-94
单击“放大”可查看大部件图。
图表参考编号 27。
相关参考编号
相关编号、被取代编号、交叉引用编号或替代编号,供比较之用。
99951235602
您正在查看的产品与这些编号存在交叉引用关系
油箱及零件——保时捷高性能精密润滑储存
发动机油箱是保时捷干式油底壳润滑系统的重要组成部分,该系统旨在独立于曲轴箱储存和管理机油。与传统的湿式油底壳系统不同,该系统可确保在所有驾驶条件下(从激烈的公路驾驶到高性能的赛道驾驶)保持恒定的油压、高效的冷却和卓越的润滑。
Design911 为保时捷经典和现代车型提供各种发动机油箱、配件及相关部件。我们的产品采用优质铝材、钢材和耐腐蚀材料制成,经久耐用,温度稳定性高,并具有最佳的油路管理性能。
无论您维护的是风冷式 911 还是维修现代 GT 车型,我们的油箱和零件都能保证您的发动机应有的可靠性和性能。
油箱和组件起什么作用?
油箱作为干式油底壳润滑系统的储油器,允许油持续流向发动机,同时防止在急加速、制动或转弯时出现充气或缺油。
核心功能:
- 独立于发动机缸体储存和循环油。
- 保持稳定的油压和温度,以实现持续润滑。
- 防止高性能驾驶过程中出现缺油现象。
- 有助于冷却,帮助调节工作温度。
- 分离空气和油,防止起泡和压力损失。
支撑部件(例如油箱配件、盖、软管和支架)确保整个润滑回路的安全流动、密封和性能完整性。
油箱和零件为何会出现故障?
随着时间的推移,暴露在热、压力和振动下会导致油箱及其相关部件退化或泄漏,从而损害润滑系统。
常见的失败原因包括:
- 因水分或污泥积聚而导致的腐蚀或内部污染。
- 因振动或冲击而导致的裂缝或穿孔。
- 密封件、盖子或连接处损坏,导致漏油。
- 通气管或供油管路堵塞,影响油循环。
- 热应力,导致材料疲劳或变形。
典型症状包括漏油、油压波动、过热或发动机异常噪音——所有这些都表明需要检查或更换。
为什么要更换油箱组件?
更换磨损或泄漏的油箱,确保您的保时捷润滑系统保持高效并受到保护。我们精心设计的油箱和配件,旨在提供卓越的耐用性、密封性和高负荷下的性能。
主要优点:
- 恢复稳定的油压和循环。
- 防止泄漏和污染。
- 提高油冷却效率和一致性。
- 由耐腐蚀、耐热材料制成。
- 与多种保时捷发动机直接兼容。
- 非常适合修复、重建和性能应用。
正确维护的油箱系统对于确保发动机的寿命和可靠性至关重要 - 特别是在性能和赛车运动中使用。
亮点:
- 精密设计的保时捷油箱及相关部件。
- 设计用于一致的油压和温度控制。
- 耐用材料,耐热、耐腐蚀。
- 适用于 911、Cayman、Boxster、GT 车型等的直接安装解决方案。
- 非常适合重建、修复和性能升级。
- 确保最佳润滑和发动机可靠性。