Enter your VAT number here and click Verify:
Your details have been verified. VAT number registered to:
,
.
Your order will now be zero rated for VAT purposes. We reserve the right to verify these details after your order request has been made and reinstate VAT if required.
Your VAT details were not recognised or were invalid. Your VAT number must be matched to your Billing Country as specified above. This is currently specified as . You do not need to enter the country code part of your VAT number as this has already been selected in your billing address details above.
The VAT number checking service is currently offline. Please supply your VAT details within the comments or special instructions field below and we will apply a VAT discount after placing your order request.
Porsche
Porsche for Porsche
Porsche genuine parts and lifestyle products for Porsche models from Design911
A Quick Look at Porsche
Porsche information on this page is based on details supplied by the manufacturer or distributor, plus any OE references provided with the parts.
Choosing the Right Fit for Your Porsche
Where Porsche is listed for Porsche, use the supplied model coverage and OE references to confirm suitability. Check details that commonly affect fitment such as model year, side/position, and connector type where relevant.
- Typical reasons people replace these parts include maintaining originality, keeping factory specification, and choosing the latest genuine revisions for peace of mind.
- Common real-world issues behind many Porsche repairs are age and mileage: oil leaks, cooling system fatigue, brake and suspension wear, corrosion and electrical faults from moisture or heat cycling.
- Before ordering, confirm part numbers against VIN or option/PR codes, especially for safety‑critical or complex components.
- When upgrading, decide whether you want pure originality or performance changes, as some aftermarket options may suit specific goals better than genuine.
- For bigger jobs, replace related seals, hardware and consumables at the same time to avoid repeat labour and compatibility issues.
- Where available, follow the manufacturer’s fitting and bedding‑in guidance to get the best performance and longevity.
Browse by Category
If you already know the area you are working on, start with the category and then filter by Porsche model. Where real-world symptoms and typical reasons to replace are provided, use them to keep the wording grounded.
Brakes — Brake components are renewed to restore stopping performance, address wear or upgrade a Porsche for fast road or track use. Common symptoms include: Common symptoms include vibration under braking, increased stopping distances, squealing, pulling to one side, warning lights and visible wear to discs and pads.
- Check whether the parts are OE-equivalent replacements or performance upgrades and match this to how the Porsche is used.
- Follow any recommended bedding-in procedure and consider replacing discs, pads, sensors and fitting hardware together where advised.
Clothing & Gifts — Porsche-themed clothing and gifts let owners and enthusiasts show their passion off the road, or make ideal presents for fans of the marque. Common symptoms include: Items may become worn, faded, damaged or go out of style, prompting replacement with newer designs.
- Review available size, colour and material details to help choose the right item and ensure it matches how it will be used.
- Check any care or washing guidance so garments and accessories keep their appearance for longer.
Lifestyle — To explore different Porsche-inspired lifestyle products or gift ideas. Common symptoms include: General wear from handling or display.
- Confirm whether items are official Porsche lifestyle products or from trusted partner brands where stated.
- Consider who the item is for and how it will be used day to day to select the most suitable style or product type.
Keyring — To choose a different design, material or model theme. Common symptoms include: Scratches, worn finishes or loose fittings.
- Keyrings make simple, practical Porsche-themed gifts and can be matched to specific models or heritage designs where available.
- If a keyring shows damage or looseness, replace it to avoid losing keys or further wear to finishes.
Size chart — The size chart acts as a practical reference tool for all apparel purchases. Common symptoms include:
Explore Porsche at Design911
View the current Porsche range for Porsche at Design911, then filter by model and category to narrow down to the right parts.
- Porsche 970.2 Panamera V6 3.6L 2WD (310Hp) 2014-16
- Porsche 970.2 Panamera 4 V6 3.6L 4WD (310Hp) 2014-16
- Porsche 970.2 Panamera S V6 Turbo 3.0L 2WD (420Hp) 2014-16
- Porsche 970.2 Panamera S V6 Turbo 3.0L 2WD Executive 2014-16
- Porsche 970.2 Panamera 4S V6 Turbo 3.0L 4WD (420Hp) 2014-16
- Porsche 970.2 Panamera 4S V6 Turbo 3.0L 4WD Executive 2014-16
- Porsche 970.2 Panamera GTS V8 4.8L 4WD (440Hp) 2014-16
- Porsche 970.2 Panamera Turbo V8 4.8L (520Hp) 2014-16
- Porsche 970.2 Panamera Turbo V8 Executive 2014-16
- Porsche 970.2 Panamera Turbo S V8 4.8L 2014-16
- Porsche 970.2 Panamera Diesel V6 3.0L (250Hp) 2014-16
- Porsche 970.2 Panamera S E-Hybrid V6 3.0L (416Hp) 2014-16
With or without PDCC and PASM.

Fits:
Porsche Panamera MKII 970 2014-16
This part number has been superseded from previous numbers:
- 97033316133,
Related reference numbers
Related, superseded, cross reference or alternative numbers for comparison.
97033316134
The product you are viewing cross references to these numbers
- Porsche 970.1 Panamera V6 3.6L 2WD 2009-13
- Porsche 970.1 Panamera 4 V6 3.6L 4WD 2009-13
- Porsche 970.1 Panamera S V8 4.8L 2009-13
- Porsche 970.1 Panamera 4S V8 4.8L 2009-13
- Porsche 970.1 Panamera GTS V8 4.8L 2011-13
- Porsche 970.1 Panamera Turbo V8 4.8L 2009-13
- Porsche 970.1 Panamera Turbo S V8 4.8L 2009-13
- Porsche 970.1 Panamera Diesel V6 3.0L 2011-13
- Porsche 970.1 Panamera S Hybrid V6 3.0L 2011-13
With or without PDCC and PASM.

Fits:
Porsche Panamera MKI 970 2010-13
This part number has been superseded from previous numbers:
- 97033316104,
- 97033316107,
Related reference numbers
Related, superseded, cross reference or alternative numbers for comparison.
97033316110
The product you are viewing cross references to these numbers
- Porsche 970.1 Panamera V6 3.6L 2WD 2009-13
- Porsche 970.1 Panamera 4 V6 3.6L 4WD 2009-13
- Porsche 970.1 Panamera S V8 4.8L 2009-13
- Porsche 970.1 Panamera 4S V8 4.8L 2009-13
- Porsche 970.1 Panamera GTS V8 4.8L 2011-13
- Porsche 970.1 Panamera Turbo V8 4.8L 2009-13
- Porsche 970.1 Panamera Turbo S V8 4.8L 2009-13
- Porsche 970.1 Panamera Diesel V6 3.0L 2011-13
- Porsche 970.1 Panamera S Hybrid V6 3.0L 2011-13
- Porsche 970.2 Panamera V6 3.6L 2WD (310Hp) 2014-16
- Porsche 970.2 Panamera 4 V6 3.6L 4WD (310Hp) 2014-16
- Porsche 970.2 Panamera S V6 Turbo 3.0L 2WD (420Hp) 2014-16
- Porsche 970.2 Panamera S V6 Turbo 3.0L 2WD Executive 2014-16
- Porsche 970.2 Panamera 4S V6 Turbo 3.0L 4WD (420Hp) 2014-16
- Porsche 970.2 Panamera 4S V6 Turbo 3.0L 4WD Executive 2014-16
- Porsche 970.2 Panamera GTS V8 4.8L 4WD (440Hp) 2014-16
- Porsche 970.2 Panamera Turbo V8 4.8L (520Hp) 2014-16
- Porsche 970.2 Panamera Turbo V8 Executive 2014-16
- Porsche 970.2 Panamera Turbo S V8 4.8L 2014-16
- Porsche 970.2 Panamera Diesel V6 3.0L (250Hp) 2014-16
- Porsche 970.2 Panamera S E-Hybrid V6 3.0L (416Hp) 2014-16

Fits:
Porsche Panamera 970 2010-16
This part number has been superseded from previous numbers:
- 97033353333,
- 97033353332,
- 97033353331,
- 97033353317,
- 97033353316,
- 97033353315,
- 97033353314,
- 97033353313,
- 97033353312,
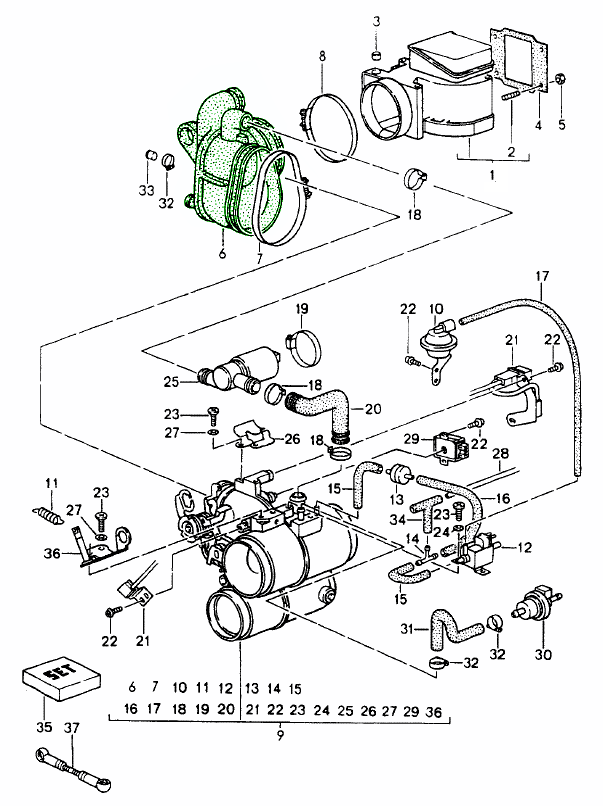
Click 'Zoom in' for large parts diagram.
Diagram ref no
Related reference numbers
Related, superseded, cross reference or alternative numbers for comparison.
97033353334
The product you are viewing cross references to these numbers
- Porsche 970.1 Panamera V6 3.6L 2WD 2009-13
- Porsche 970.1 Panamera 4 V6 3.6L 4WD 2009-13
- Porsche 970.1 Panamera S V8 4.8L 2009-13
- Porsche 970.1 Panamera 4S V8 4.8L 2009-13
- Porsche 970.1 Panamera GTS V8 4.8L 2011-13
- Porsche 970.1 Panamera Turbo V8 4.8L 2009-13
- Porsche 970.1 Panamera Turbo S V8 4.8L 2009-13
- Porsche 970.1 Panamera Diesel V6 3.0L 2011-13
- Porsche 970.1 Panamera S Hybrid V6 3.0L 2011-13
- Porsche 970.2 Panamera V6 3.6L 2WD (310Hp) 2014-16
- Porsche 970.2 Panamera 4 V6 3.6L 4WD (310Hp) 2014-16
- Porsche 970.2 Panamera S V6 Turbo 3.0L 2WD (420Hp) 2014-16
- Porsche 970.2 Panamera S V6 Turbo 3.0L 2WD Executive 2014-16
- Porsche 970.2 Panamera 4S V6 Turbo 3.0L 4WD (420Hp) 2014-16
- Porsche 970.2 Panamera 4S V6 Turbo 3.0L 4WD Executive 2014-16
- Porsche 970.2 Panamera GTS V8 4.8L 4WD (440Hp) 2014-16
- Porsche 970.2 Panamera Turbo V8 4.8L (520Hp) 2014-16
- Porsche 970.2 Panamera Turbo V8 Executive 2014-16
- Porsche 970.2 Panamera Turbo S V8 4.8L 2014-16
- Porsche 970.2 Panamera Diesel V6 3.0L (250Hp) 2014-16
- Porsche 970.2 Panamera S E-Hybrid V6 3.0L (416Hp) 2014-16

Fits:
Porsche 970 Panamera 2010-16 (not HYBRID)
I350 - For cars with Air suspension
I351 - For cars with Air suspension with PDCC
I354 - For cars with Air suspension and PASM Comfort
I355 - For cars with Air suspension and PASM, PDCC Comfort
Click 'Zoom in' for large parts diagram.
Diagram ref no 1
Related reference numbers
Related, superseded, cross reference or alternative numbers for comparison.
97035815113
The product you are viewing cross references to these numbers
- Porsche 911 1965-1968 2.0L / 912 SWB (F)
- Porsche 356B 1959-63
- Porsche 356C 1963-65
Fits:
Porsche 356B (60-63) / 356C (64-65)
Porsche 912
Click 'Zoom in' for large parts diagram.
Diagram ref no 3
Price is for each.
Related reference numbers
Related, superseded, cross reference or alternative numbers for comparison.
61610890102
The product you are viewing cross references to these numbers
- Porsche 911 1965-1968 2.0L / 912 SWB (F)
- Porsche 356 1950-55
- Porsche 356A 1955-59
- Porsche 356B 1959-63
- Porsche 356C 1963-65

Fits:
Porsche 912
Porsche 356
Click 'Zoom in' for large parts diagram.
Diagram ref no 14
Related reference numbers
Related, superseded, cross reference or alternative numbers for comparison.
54610211001
The product you are viewing cross references to these numbers
- Porsche 911 1968-1973 2.2L / 2.4L / 2.7L RS LWB (F)
- Porsche 911 1974-1977 2.7L / 1976-77 3.0 Carrera
- Porsche 911 1978-1983 3.0L / SC
- Porsche 911 1984-1986 3.2L

Fits:
Porsche 911 72-89 915 Gearbox
Manual transmission
Click 'Zoom in' for large parts diagram.
Diagram ref no 57
Related reference numbers
Related, superseded, cross reference or alternative numbers for comparison.
91530222709
The product you are viewing cross references to these numbers
- Porsche 964 (911) C2 1989-93
- Porsche 964 (911) C4 1989-93
Fits:
Porsche 964 C2 / C4 3.6L 1989-94
Click 'Zoom in' for large parts diagram.
Diagram ref no 6
Related reference numbers
Related, superseded, cross reference or alternative numbers for comparison.
96411036600
The product you are viewing cross references to these numbers
- Porsche Boxster 981 2.7L 2012-16
- Porsche Boxster 981 S / GTS 3.4L 2012-16
- Porsche Boxster 981 Spyder 3.8L 2016
- Porsche Cayman 2.7L 981 2013-16
- Porsche Cayman S / GTS 3.4L 981 2013-16

Fits:
For cars WITH Dynamic engine mount (PADM) - option code: I140
Porsche 981 Boxster 2012-16
Porsche 981 Boxster Spyder 2016
Porsche 981 Cayman 2014-16
Click 'Zoom in' for large parts diagram.
Diagram ref no 1
Related reference numbers
Related, superseded, cross reference or alternative numbers for comparison.
98137505909
The product you are viewing cross references to these numbers
- Porsche 911 1968-1973 2.2L / 2.4L / 2.7L RS LWB (F)
- Porsche 911 1974-1977 2.7L / 1976-77 3.0 Carrera
- Porsche 911 1978-1983 3.0L / SC
- Porsche 911 1984-1986 3.2L

Fits:
Porsche 911 1970-77 4- and 5-speed Manual Transmission
Porsche 911 1978-86 5-Speed Manual Transmission
Click 'Zoom in' for large parts diagram.
Diagram ref no 6
Related reference numbers
Related, superseded, cross reference or alternative numbers for comparison.
91530291205
The product you are viewing cross references to these numbers
- Porsche 958 Cayenne V6 3.6L Petrol (300Hp) 2010-17
- Porsche 958 Cayenne V6 3.0L Diesel (245Hp) 2010-17
- Porsche 958 Cayenne S V6 3.0L Hybrid (380Hp) 2010-17
- Porsche 958 Cayenne S V8 4.8L Petrol (400Hp) 2010-17
- Porsche 958 Cayenne S V8 4.2L Diesel (382Hp) 2010-17
- Porsche 958 Cayenne GTS V8 4.8L Petrol (400Hp) 2010-17
- Porsche 958 Cayenne Turbo V8 4.8L Petrol (500Hp) 2010-17
- Porsche 958 Cayenne Turbo S V8 4.8L Petrol (550Hp) 2010-17
- Porsche 95B.1 Macan Petrol 2.0L (237Bhp) 2014-18
- Porsche 95B.1 Macan S Petrol 3.0L V6 (340Bhp) 2014-18
- Porsche 95B.1 Macan S Diesel 3.0L V6 (258Bhp) 2014-18
- Porsche 95B.1 Macan GTS Petrol 3.0L V6 (360Bhp) 2014-18
- Porsche 95B.1 Macan Turbo 3.6L V6 (400Bhp) 2014-18

Fits:
Porsche 95B Macan 2014>>
Cars with Sport Chrono Package Plus (IQR5)
Cars with Sport Chrono /compass, Garnet Red (IUP5)
Porsche 958 Cayenne 2011-18
Cars with Sport Chrono Package Plus (IQR5)
Cars without alternative drive system (I0K0)
Cars with Sport Chrono /compass, Garnet Red (IUP5)
Related reference numbers
Related, superseded, cross reference or alternative numbers for comparison.
9A791920313
The product you are viewing cross references to these numbers
- Porsche 911 1965-1968 2.0L / 912 SWB (F)
- Porsche 911 1968-1973 2.2L / 2.4L / 2.7L RS LWB (F)
- Porsche 911 1974-1977 2.7L / 1976-77 3.0 Carrera
Fits:
Porsche 911 1965-69
Porsche 911 T-V / 911 T-K 1970-73
Porsche 911 / 911S / Carrera2.7 >>1974
Related reference numbers
Related, superseded, cross reference or alternative numbers for comparison.
91121102
The product you are viewing cross references to these numbers
- Porsche 964 (911) C2 1989-93
- Porsche 964 (911) C4 1989-93
- Porsche 964 (911) RS 3.6L 1991-93
- Porsche 964 (911) RS 3.8L 1991-93
- Porsche 964 (911) TURBO 3.3L 1991-93
- Porsche 964 (911) TURBO 3.6L 1991-93
- Porsche 993 (911) C2 1994-97
- Porsche 993 (911) C4 1994-97
- Porsche 993 (911) RS 1994-97
- Porsche 993 (911) C2S 1994-97
- Porsche 993 (911) C4S 1994-97
- Porsche 993 (911) TURBO 1994-96
- Porsche 993 (911) GT2 1994-97
- Porsche 993 (911) TURBO S 1994-97
Fits:
Porsche 964 1989-94
Porsche 993 1995-98
Click 'Zoom in' for large parts diagram.
Diagram ref no 17
Related reference numbers
Related, superseded, cross reference or alternative numbers for comparison.
96435528706
The product you are viewing cross references to these numbers
- Porsche 957 Cayenne 3.0L Diesel 2007-10
- Porsche 957 Cayenne 3.6L 2007-10
- Porsche 957 Cayenne S / GTS 4.8L 2007-10

Fits:
Porsche 957 Cayenne 3.6L / 4.8L 2007-10
Porsche 957 Cayenne 3.0L DIESEL 2001-10
Click 'Zoom in' for large parts diagram.
Diagram ref no 7
Related reference numbers
Related, superseded, cross reference or alternative numbers for comparison.
95535592410
The product you are viewing cross references to these numbers
- Porsche Boxster 987 MKII 2.9L 2009-12
- Porsche Boxster S 987 MKII 3.4L 2009-12
- Porsche 997 MKII Carrera C2 3.6L 2009-12
- Porsche 997 MKII Carrera C4 3.6L 2009-12
- Porsche 997 MKII Carrera C2S 3.8L 2009-12
- Porsche 997 MKII Carrera C4S 3.8L 2009-12
- Porsche 997 MKII GT3 2010-11
- Porsche 997 MKII Turbo 2010-13
- Porsche Cayman 2.9L 987C MKII 2009-12
- Porsche Cayman S / R 3.4L 987C MKII 2009-12

Fits:
Porsche 987.2 Boxster 2012-16
Porsche 987.2C Cayman 2014-16
Porsche 997.2 20012-16
Porsche 997.2 Turbo 2014-16
Porsche 997.2 R / GT3 / GT3 RS 2012-17
Click 'Zoom in' for large parts diagram.
Diagram ref no 2.
Price is for EACH.
Related reference numbers
Related, superseded, cross reference or alternative numbers for comparison.
9A110737000
The product you are viewing cross references to these numbers
- Porsche Boxster 987 MKII 2.9L 2009-12
- Porsche Boxster S 987 MKII 3.4L 2009-12
- Porsche Boxster 981 2.7L 2012-16
- Porsche Boxster 981 S / GTS 3.4L 2012-16
- Porsche 997 MKII Carrera C2 3.6L 2009-12
- Porsche 997 MKII Carrera C4 3.6L 2009-12
- Porsche 997 MKII Carrera C2S 3.8L 2009-12
- Porsche 997 MKII Carrera C4S 3.8L 2009-12
- Porsche 997 MKII Turbo 2010-13
- Porsche 991.1 Carrera C2 3.4L (350 Bhp) 2012-16
- Porsche 991.1 Carrera C2S / GTS 3.8L (400/430 Bhp) 2012-16
- Porsche 991.1 Carrera C4 3.4L (350 Bhp) 2012-16
- Porsche 991.1 Carrera C4S / GTS 3.8L (400/430 Bhp) 2012-16
- Porsche 991.1 Turbo 3.8L (520 Bhp) 2014-16
- Porsche 991.1 Turbo S 3.8L (560 Bhp) 2014-16
- Porsche Cayman 2.9L 987C MKII 2009-12
- Porsche Cayman S / R 3.4L 987C MKII 2009-12
- Porsche Cayman 2.7L 981 2013-16
- Porsche Cayman S / GTS 3.4L 981 2013-16
- Porsche Cayman GT4 3.8L 2015-16

Fits:
Porsche 987.2 Boxster / S 2009-12
Porsche 987C.2 Cayman / S 2009-12
Porsche 981 Boxster / S 2012-16
Porsche Boxster Spyder 201
Porsche 981 Cayman / S 2013-16
Porsche Cayman GT4 2016
Porsche 991.1 2012-16
Porsche 991.1 Turbo 2014-16
Porsche 997.2 2009-12
Porsche 997.2 TURBO / S 2010-13
Click 'Zoom in' for large parts diagram.
Diagram ref no 15
Related reference numbers
Related, superseded, cross reference or alternative numbers for comparison.
0PB115476E
The product you are viewing cross references to these numbers