Saisissez votre numéro de TVA ici et cliquez sur Vérifier :
Il n'est pas nécessaire de saisir la partie code pays de votre numéro de TVA car elle a déjà été sélectionnée dans votre adresse de facturation ci-dessus.
Vos coordonnées ont été vérifiées. Numéro de TVA enregistré au nom de:
,
.
Votre commande sera désormais détaxée au titre de la TVA. Nous nous réservons le droit de vérifier ces détails une fois votre commande passée et de rétablir la TVA si nécessaire.
Vos données de TVA n'ont pas été reconnues ou n'étaient pas valides. Votre numéro de TVA doit correspondre à votre pays de facturation tel que spécifié ci-dessus. Il est actuellement spécifié comme . Vous n'avez pas besoin de saisir la partie code pays de votre numéro de TVA car elle a déjà été sélectionnée dans les détails de votre adresse de facturation ci-dessus.
Le service de vérification du numéro de TVA est actuellement hors ligne. Veuillez indiquer votre numéro de TVA dans le champ « Commentaires ou instructions spéciales » ci-dessous et nous appliquerons une remise de TVA après avoir passé votre commande.
Bobines d'allumage
- Porsche Boxster 986 2.5L 1997-99
- Porsche Boxster 986 2.7L 1999-02
- Porsche Boxster S 986 3.2L 1999-02
- Porsche 996 C2 3.4L 1997-08/01
- Porsche 996 C4 3.4L 1997-08/01

Convient :
Porsche Boxster 986 2.5L 1997-99
Porsche Boxster 986 2.7L 1999-02
Porsche Boxster S 986 3.2L 1999-02
Porsche 996 C2 3.4L 1997-08/01
Porsche 996 C4 3.4L 1997-08/01
Numéros de référence associés
Numéros associés, remplacés, de référence croisée ou alternatifs à des fins de comparaison.
99760210405
Le produit que vous consultez fait référence à ces numéros
Ce kit est composé des éléments suivants:
- Porsche Boxster 986 2.7L 2003-04
- Porsche Boxster S 986 3.2L 2003-04
- Porsche Boxster 987 2.7L 2005 -08/08
- Porsche Boxster 987 S 3.2/3.4L 2005-08/08
- Porsche 996 C2 3.6L 09/01-2005
- Porsche 996 C4 3.6L 09/01-2005
- Porsche 996 C4S 3.6L 09/01-2005
- Porsche 996 TURBO 2000-05
- Porsche 996 GT2 2001-05
- Porsche 996 GT3 MKI 1999-02
- Porsche 996 GT3 MKII 2003>>
- Porsche 996 GT3 RS 2003-04
- Porsche 997 MK1 Carrera 2 3.6L 2005-08
- Porsche 997 MK1 Carrera 2S 3.8L 2005-08
- Porsche 997 MK1 Carrera 4 3.6L 2005-08
- Porsche 997 MK1 Carrera 4S 3.8L 2005-08
- Porsche 997 MK1 TURBO 2007-09
- Porsche 997 MK1 GT3 2007-09
- Porsche 997 MK1 GT2 2007-09
- Porsche Cayman 2.7L 987C 2006-08
- Porsche Cayman S 3.4L 987C 2005-08
Porsche 996 / Boxster 986 / Boxster 987 / 996 GT3 MKII

identique à 99760210404/1
PAQUET DE 6
Convient :
Porsche 996 3.6L Inc C2 / C4 / C4S
Porsche 986 Boxster 2,7L / 3,2L 3,4L 2003>>
Porsche 996 GT3 MKI
Porsche 996 GT3 MKII
Porsche 996 Turbo
Porsche 987 Boxster 2,7 L / 3,2 L
Porsche 987C Cayman 2,7L / 3,4L
Porsche 997 3,6 L, 3,8 L / 997 GT3
Numéros de référence associés
Numéros associés, remplacés, de référence croisée ou alternatifs à des fins de comparaison.
99760210405
Le produit que vous consultez fait référence à ces numéros
Ce kit est composé des éléments suivants:
- Porsche Boxster 986 2.5L 1997-99
- Porsche Boxster 986 2.7L 1999-02
- Porsche Boxster S 986 3.2L 1999-02
- Porsche 996 C2 3.4L 1997-08/01
- Porsche 996 C4 3.4L 1997-08/01
Le remplacement des bobines d'allumage augmente l'ampérage de l'étincelle de 100 %, augmentant ainsi son énergie pour un allumage et une combustion améliorés. Ceci est particulièrement avantageux pour les moteurs à induction forcée, mais améliore également les performances des moteurs atmosphériques.
Conçu pour augmenter la puissance et le couple sur toute la plage de régime, tout en réduisant la consommation de carburant. Une bobine d'allumage par cylindre est nécessaire, soit six bobines pour le moteur.

Convient à :
Porsche Boxster 986 2.5L 1997-99
Porsche Boxster 986 2.7L 1999-02
Porsche Boxster S 986 3.2L 1999-02
Porsche 996 C2 3.4L 1997-08/01
Porsche 996 C4 3.4L 1997-08/01
Numéros de référence associés
Numéros associés, remplacés, de référence croisée ou alternatifs à des fins de comparaison.
SERVICEPACK996
Le produit que vous consultez fait référence à ces numéros
Ce kit est composé des éléments suivants:
- Porsche Boxster 986 2.7L 2003-04
- Porsche Boxster S 986 3.2L 2003-04
- Porsche Boxster 987 2.7L 2005 -08/08
- Porsche Boxster 987 S 3.2/3.4L 2005-08/08
- Porsche 996 C2 3.6L 09/01-2005
- Porsche 996 C4 3.6L 09/01-2005
- Porsche 996 C4S 3.6L 09/01-2005
- Porsche 996 TURBO 2000-05
- Porsche 996 GT2 2001-05
- Porsche 996 GT3 MKI 1999-02
- Porsche 996 GT3 MKII 2003>>
- Porsche 996 GT3 RS 2003-04
- Porsche 997 MK1 Carrera 2 3.6L 2005-08
- Porsche 997 MK1 Carrera 2S 3.8L 2005-08
- Porsche 997 MK1 Carrera 4 3.6L 2005-08
- Porsche 997 MK1 Carrera 4S 3.8L 2005-08
- Porsche 997 MK1 TURBO 2007-09
- Porsche 997 MK1 GT3 2007-09
- Porsche 997 MK1 GT2 2007-09
- Porsche Cayman 2.7L 987C 2006-08
- Porsche Cayman S 3.4L 987C 2005-08
Le module de bobine individuel 99760210405 est utilisé sur les moteurs Porsche M96 et M97 de la série M, équipant de nombreuses Porsche 986/996/987 et des premières Porsche 997. Il doit généralement être remplacé par jeu de six bobines (une par cylindre).
Pourquoi ces bobines doivent être remplacées
Âge / Rupture thermique : les bobines sont exposées aux cycles thermiques et peuvent développer une rupture de l'isolation interne ou des fissures microscopiques dans le boîtier. À la longue, cela entraîne une faible tension ou des fuites de haute tension, ainsi que des étincelles intermittentes.
Symptômes de ratés d'allumage : une bobine défectueuse peut entraîner des ratés d'allumage sur un seul cylindre (codes P030x), un ralenti irrégulier, une baisse de puissance, une augmentation de la consommation de carburant et un échauffement/endommagement du convertisseur catalytique si elle n'est pas respectée. Voici les raisons les plus courantes pour lesquelles les propriétaires remplacent les bobines.
Traces de carbone/fissuration : des fissures visibles ou des traces de carbone sur le soufflet de la bobine peuvent fournir un chemin de fuite pour l'étincelle, réduisant les performances et provoquant des défauts intermittents.
Problèmes de connecteur/câblage : des connecteurs de bobine corrodés ou desserrés peuvent imiter des pannes de bobine ; inspectez les connecteurs lors du remplacement des bobines.
Convient à :
Porsche 996 3.6L Inc C2 / C4 / C4S
Porsche 986 Boxster 2,7L / 3,2L 2003>>
Porsche 996 GT3 MKI
Porsche 996 GT3 MKII
Porsche 996 Turbo
Porsche 987 Boxster 2,7 L / 3,2 L
Porsche 987C Caïman 2,7L / 3,4L
Porsche 997 3,6 L, 3,8 L / 997 GT3
Ne vient pas avec des boulons de fixation.
2 requis par bobine, veuillez commander séparément (numéro de pièce 90006708901).
Problèmes courants signalés dans la pratique
Un ou plusieurs cylindres présentent des ratés d'allumage lorsque le moteur est chaud, mais se comportent normalement à froid (ce qui est typique d'une défaillance interne de la bobine ou de fissures thermosensibles). Sur les Boxster/996, les boîtiers de bobine fissurés obligent souvent les propriétaires à remplacer l'ensemble pour plus de fiabilité. Après un changement de bougie, des ratés d'allumage apparaissent car des bobines affaiblies peuvent tomber en panne après l'installation de bougies haute tension ; ce phénomène est fréquemment signalé.Comment diagnostiquer (étapes pratiques)
Lisez les codes : P0300 / P0301–P0306 indiquent des ratés d'allumage ; notez quel cylindre est affecté.Test d'échange : échangez la bobine suspecte avec la bobine d'un autre cylindre — si le raté d'allumage suit la bobine, la bobine est défectueuse. (Test de terrain rapide et courant utilisé par les propriétaires.)Mesurez la résistance : vérifiez les résistances des bobines primaire et secondaire à ~20°C et comparez-les aux plages ci-dessus.Inspection visuelle : recherchez des fissures, des traces de carbone, des infiltrations d'huile ou des bottes/connecteurs endommagés.Oscilloscope / sonde HT : pour un diagnostic plus approfondi, un oscilloscope ou une sonde HT peut afficher l'énergie d'étincelle, mais la plupart des diagnostics DIY utilisent des tests d'échange + de résistance.Numéros de référence associés
Numéros associés, remplacés, de référence croisée ou alternatifs à des fins de comparaison.
99760210405
Le produit que vous consultez fait référence à ces numéros
Ce kit est composé des éléments suivants:
- Porsche Boxster 986 2.5L 1997-99
- Porsche Boxster 986 2.7L 1999-02
- Porsche Boxster S 986 3.2L 1999-02
- Porsche Boxster 986 2.7L 2003-04
- Porsche Boxster S 986 3.2L 2003-04
- Porsche Boxster 987 2.7L 2005 -08/08
- Porsche Boxster 987 S 3.2/3.4L 2005-08/08
- Porsche 996 C2 3.4L 1997-08/01
- Porsche 996 C4 3.4L 1997-08/01
- Porsche 996 C2 3.6L 09/01-2005
- Porsche 996 C4 3.6L 09/01-2005
- Porsche 996 C4S 3.6L 09/01-2005
- Porsche 996 TURBO 2000-05
- Porsche 996 GT2 2001-05
- Porsche 996 GT3 MKI 1999-02
- Porsche 996 GT3 MKII 2003>>
- Porsche 996 GT3 RS 2003-04
- Porsche 997 MK1 Carrera 2 3.6L 2005-08
- Porsche 997 MK1 Carrera 2S 3.8L 2005-08
- Porsche 997 MK1 Carrera 4 3.6L 2005-08
- Porsche 997 MK1 Carrera 4S 3.8L 2005-08
- Porsche 997 MK1 TURBO 2007-09
- Porsche 997 MK1 GT3 2007-09
- Porsche 997 MK1 GT2 2007-09
- Porsche Cayman 2.7L 987C 2006-08
- Porsche Cayman S 3.4L 987C 2005-08
Compatible avec :
Porsche 911 (996)
Porsche 911 (997)
Porsche Boxster
Porsche Cayman
Le Plasma Direct est une bobine d'allumage avec un amplificateur haute puissance intégré. Les bobines Plasma Direct produisent 4 fois plus d'énergie d'étincelle que les bobines d'origine et génèrent une décharge multi-étincelles ultra-rapide de 10 étincelles jusqu'au régime le plus élevé.
L'intensité de l'étincelle est augmentée de 100 %, ce qui permet à l'étincelle d'atteindre beaucoup plus de molécules, ce qui accélère les processus d'allumage et de combustion. Ceci est extrêmement important dans les applications à induction forcée, mais améliore également les performances des moteurs à aspiration normale.
Le Plasma Direct augmente la puissance et le couple sur toute la plage de régime, tout en réduisant la consommation de carburant. Même les moteurs à la douceur légendaire seront encore plus perfectionnés avec la mise à niveau Plasma Direct. Les bobines Plasma Direct sont conformes à la norme OBD II.
- Augmentation de 100 % du courant secondaire (ampérage d'étincelle).
- Augmentation de l'énergie d'étincelle de 4 fois pour la décharge d'étincelle initiale.
- 8% d'économie de carburant
- Installation facile.
- Compatible avec tous les composants OEM.
- Compatible avec OBD-II (On-Board-Diagnostics).
Numéros de référence associés
Numéros associés, remplacés, de référence croisée ou alternatifs à des fins de comparaison.
4201Rx6
Le produit que vous consultez fait référence à ces numéros
Ce kit est composé des éléments suivants:
- Porsche 996 C2 3.6L 09/01-2005
- Porsche 996 C4 3.6L 09/01-2005
- Porsche 996 C4S 3.6L 09/01-2005
- Porsche 997 MK1 Carrera 2 3.6L 2005-08
- Porsche 997 MK1 Carrera 2S 3.8L 2005-08
- Porsche 997 MK1 Carrera 4 3.6L 2005-08
- Porsche 997 MK1 Carrera 4S 3.8L 2005-08

Convient :
Porsche 996 C2 / C4 / C4S 2002>>
Porsche 997 MKI C2 / C2S 2005-08 COUPE/CABRIO
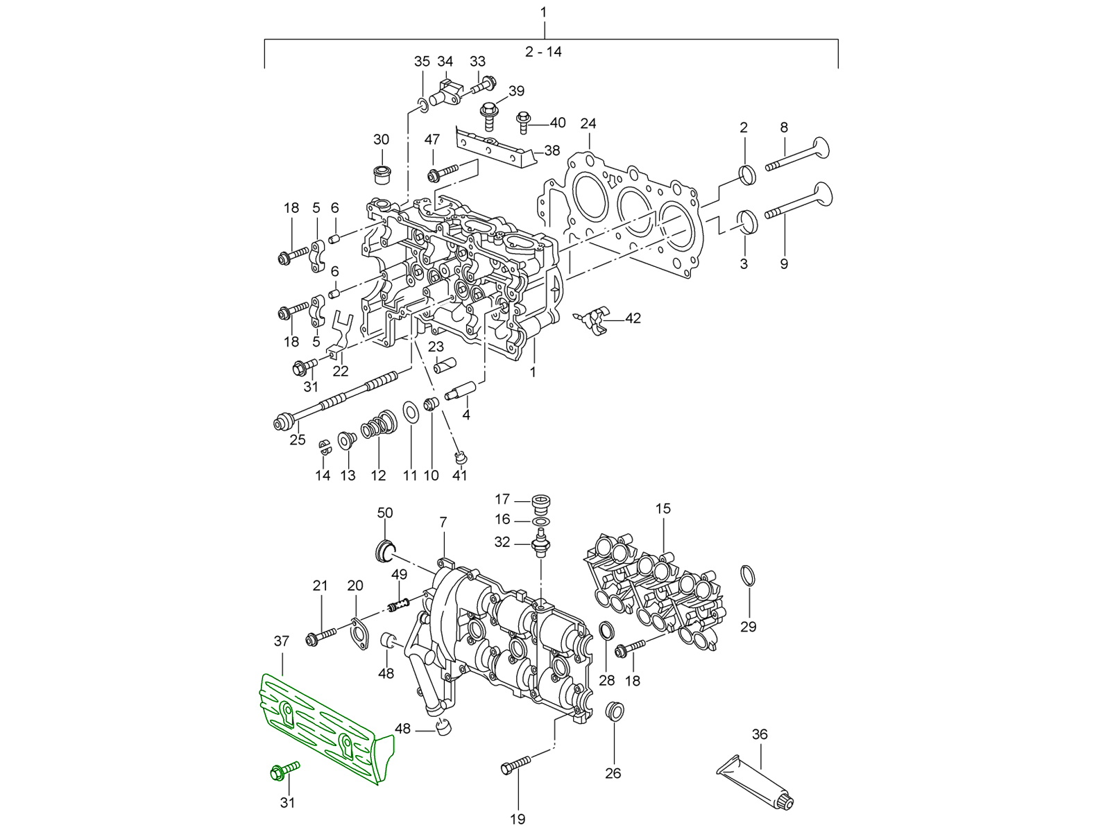
Schéma réf n°37.
Ce produit remplace l'ancien numéro de pièce de Porsche :
- 996 104 445 01.
Numéros de référence associés
Numéros associés, remplacés, de référence croisée ou alternatifs à des fins de comparaison.
99610444502
Le produit que vous consultez fait référence à ces numéros
- Porsche 996 C2 3.6L 09/01-2005
- Porsche 996 C4 3.6L 09/01-2005
- Porsche 996 C4S 3.6L 09/01-2005
- Porsche 997 MK1 Carrera 2 3.6L 2005-08
- Porsche 997 MK1 Carrera 2S 3.8L 2005-08
- Porsche 997 MK1 Carrera 4 3.6L 2005-08
- Porsche 997 MK1 Carrera 4S 3.8L 2005-08

Convient :
Porsche 996 C2 / C4 / C4S - 2002>>
Porsche 997 MKI C2 / C2S - 2005 à 2008
Cliquez sur « Zoomer » pour afficher le diagramme des grandes pièces.
Schéma réf n°37
Ce produit remplace l'ancien numéro de pièce de Porsche :
- 996 104 445 01
Numéros de référence associés
Numéros associés, remplacés, de référence croisée ou alternatifs à des fins de comparaison.
99610444502
Le produit que vous consultez fait référence à ces numéros
- Porsche 996 C2 3.4L 1997-08/01
- Porsche 996 C4 3.4L 1997-08/01

Convient :
996 Carrera C2/C4 3.4L 1997-01
avec code moteur M96.01/02 et 04
Cliquez sur "Zoom avant" pour le schéma des grandes pièces.
Schéma réf n°37.
Numéros de référence associés
Numéros associés, remplacés, de référence croisée ou alternatifs à des fins de comparaison.
99610442502
Le produit que vous consultez fait référence à ces numéros
- Porsche Boxster 986 2.5L 1997-99
- Porsche Boxster 986 2.7L 1999-02
- Porsche Boxster S 986 3.2L 1999-02
- Porsche Boxster 986 2.7L 2003-04
- Porsche Boxster S 986 3.2L 2003-04
- Porsche Boxster 987 2.7L 2005 -08/08
- Porsche Boxster 987 S 3.2/3.4L 2005-08/08
- Porsche 996 C2 3.4L 1997-08/01
- Porsche 996 C4 3.4L 1997-08/01
- Porsche 996 C2 3.6L 09/01-2005
- Porsche 996 C4 3.6L 09/01-2005
- Porsche 996 C4S 3.6L 09/01-2005
- Porsche 996 TURBO 2000-05
- Porsche 996 GT2 2001-05
- Porsche 996 GT3 MKI 1999-02
- Porsche 996 GT3 MKII 2003>>
- Porsche 996 GT3 RS 2003-04
- Porsche 997 MK1 Carrera 2 3.6L 2005-08
- Porsche 997 MK1 Carrera 2S 3.8L 2005-08
- Porsche 997 MK1 Carrera 4 3.6L 2005-08
- Porsche 997 MK1 Carrera 4S 3.8L 2005-08
- Porsche 997 MK1 TURBO 2007-09
- Porsche 997 MK1 GT3 2007-09
- Porsche 997 MK1 GT2 2007-09
- Porsche 997 MKII Carrera C2 3.6L 2009-12
- Porsche 997 MKII Carrera C4 3.6L 2009-12
- Porsche 997 MKII Carrera C2S 3.8L 2009-12
- Porsche 997 MKII Carrera C4S 3.8L 2009-12
- Porsche 997 MKII GT3 2010-11
- Porsche 997 MKII Turbo 2010-13
- Porsche Cayman 2.7L 987C 2006-08
- Porsche Cayman S 3.4L 987C 2005-08
- Porsche Cayman 2.9L 987C MKII 2009-12
- Porsche Cayman S / R 3.4L 987C MKII 2009-12

Vis du paquet de bobine d'allumage. M6X25
Remarque : celles-ci sont destinées à être utilisées avec les bobines d'allumage Porsche d'origine plus petites. En cas de doute, veuillez demander des éclaircissements avant l'achat/l'installation.
12 pièces requises par voiture
Convient :
Porsche996
Porsche 986 Boxster
Porsche 996 GT3 MKI
Porsche 996 GT3 MKII
Porsche 996 Turbo
Porsche987
Porsche 987C Caïman
Porsche 997 3,6 L, 3,8 L / 997 GT3
Cliquez sur « Zoomer » pour afficher le diagramme des grandes pièces.
Schéma réf n°3
Numéros de référence associés
Numéros associés, remplacés, de référence croisée ou alternatifs à des fins de comparaison.
90006708901
Le produit que vous consultez fait référence à ces numéros
- Porsche Boxster 987 2.7L 2005 -08/08
- Porsche Boxster 987 S 3.2/3.4L 2005-08/08
- Porsche 996 C2 3.4L 1997-08/01
- Porsche 996 C4 3.4L 1997-08/01
- Porsche 996 C2 3.6L 09/01-2005
- Porsche 996 C4 3.6L 09/01-2005
- Porsche 996 C4S 3.6L 09/01-2005
- Porsche 996 TURBO 2000-05
- Porsche 996 GT2 2001-05
- Porsche 996 GT3 MKI 1999-02
- Porsche 996 GT3 MKII 2003>>
- Porsche 996 GT3 RS 2003-04
- Porsche 997 MK1 Carrera 2 3.6L 2005-08
- Porsche 997 MK1 Carrera 2S 3.8L 2005-08
- Porsche 997 MK1 Carrera 4 3.6L 2005-08
- Porsche 997 MK1 Carrera 4S 3.8L 2005-08
- Porsche 997 MK1 TURBO 2007-09
- Porsche 997 MK1 GT3 2007-09
- Porsche 997 MK1 GT2 2007-09
- Porsche 997 MKII Carrera C2 3.6L 2009-12
- Porsche 997 MKII Carrera C4 3.6L 2009-12
- Porsche 997 MKII Carrera C2S 3.8L 2009-12
- Porsche 997 MKII Carrera C4S 3.8L 2009-12
- Porsche 997 MKII GT3 2010-11
- Porsche 997 MKII Turbo 2010-13
- Porsche Cayman 2.7L 987C 2006-08
- Porsche Cayman S 3.4L 987C 2005-08
- Porsche Cayman 2.9L 987C MKII 2009-12
- Porsche Cayman S / R 3.4L 987C MKII 2009-12

Vis Torx pour bobine d'allumage. M6X40
Remarque : ceux-ci sont destinés à être utilisés avec les packs de bobines Porsche modifiés de type plus grand, et non avec les packs de bobines plus petits installés à l'origine par Porsche. En cas de doute, veuillez demander des éclaircissements avant l'achat/l'installation.
12 pièces requises par voiture
Convient :
Porsche996
Porsche 986 Boxster
Porsche 996 GT3 MKI
Porsche 996 GT3 MKII
Porsche 996 Turbo
Porsche987
Porsche 987C Caïman
Porsche 997 3,6 L, 3,8 L / 997 GT3
Cliquez sur « Zoomer » pour afficher le diagramme des grandes pièces.
Schéma réf n°3
Numéros de référence associés
Numéros associés, remplacés, de référence croisée ou alternatifs à des fins de comparaison.
90038502501
Le produit que vous consultez fait référence à ces numéros
- Porsche Boxster 986 2.5L 1997-99
- Porsche Boxster 986 2.7L 1999-02
- Porsche Boxster S 986 3.2L 1999-02
- Porsche 996 C2 3.4L 1997-08/01
- Porsche 996 C4 3.4L 1997-08/01
6 Requis par moteur. Le prix est pour chacun.

Convient :
Porsche Boxster 986 2.5L 1997-99
Porsche Boxster 986 2.7L 1999-02
Porsche Boxster S 986 3.2L 1999-02
Porsche 996 C2 3.4L 1997-08/01
Porsche 996 C4 3.4L 1997-08/01
Numéros de référence associés
Numéros associés, remplacés, de référence croisée ou alternatifs à des fins de comparaison.
99760210703
Le produit que vous consultez fait référence à ces numéros
- Porsche Boxster 986 2.5L 1997-99
- Porsche Boxster 986 2.7L 1999-02
- Porsche Boxster S 986 3.2L 1999-02
- Porsche 996 C2 3.4L 1997-08/01
- Porsche 996 C4 3.4L 1997-08/01
6 vis nécessaires par moteur. Prix unitaire. (Pour les vis, commander le code 90006708901)
Le remplacement des bobines d'allumage augmente l'ampérage de l'étincelle de 100 %, augmentant ainsi son énergie pour un allumage et une combustion améliorés. Ceci est particulièrement avantageux pour les moteurs à induction forcée, mais améliore également les performances des moteurs atmosphériques.
Conçu pour augmenter la puissance et le couple sur toute la plage de régime, tout en réduisant la consommation de carburant. Une bobine d'allumage par cylindre est nécessaire, soit six bobines pour le moteur.

Convient à :
Porsche Boxster 986 2.5L 1997-99
Porsche Boxster 986 2.7L 1999-02
Porsche Boxster S 986 3.2L 1999-02
Porsche 996 C2 3.4L 1997-08/01
Porsche 996 C4 3.4L 1997-08/01
Numéros de référence associés
Numéros associés, remplacés, de référence croisée ou alternatifs à des fins de comparaison.
99760210703
Le produit que vous consultez fait référence à ces numéros
- Porsche Boxster 986 2.5L 1997-99
- Porsche Boxster 986 2.7L 1999-02
- Porsche Boxster S 986 3.2L 1999-02
- Porsche Boxster 986 2.7L 2003-04
- Porsche Boxster S 986 3.2L 2003-04
- Porsche Boxster 987 2.7L 2005 -08/08
- Porsche Boxster 987 S 3.2/3.4L 2005-08/08
- Porsche 996 C2 3.4L 1997-08/01
- Porsche 996 C4 3.4L 1997-08/01
- Porsche 996 C2 3.6L 09/01-2005
- Porsche 996 C4 3.6L 09/01-2005
- Porsche 996 C4S 3.6L 09/01-2005
- Porsche 996 TURBO 2000-05
- Porsche 996 GT2 2001-05
- Porsche 996 GT3 MKI 1999-02
- Porsche 996 GT3 MKII 2003>>
- Porsche 996 GT3 RS 2003-04
- Porsche 997 MK1 Carrera 2 3.6L 2005-08
- Porsche 997 MK1 Carrera 2S 3.8L 2005-08
- Porsche 997 MK1 Carrera 4 3.6L 2005-08
- Porsche 997 MK1 Carrera 4S 3.8L 2005-08
- Porsche 997 MK1 TURBO 2007-09
- Porsche 997 MK1 GT3 2007-09
- Porsche 997 MK1 GT2 2007-09
- Porsche Cayman 2.7L 987C 2006-08
- Porsche Cayman S 3.4L 987C 2005-08
6 Requis par moteur. Le prix est pour chacun.

Convient :
Porsche Boxster 986 2.5L 1997-99
Porsche Boxster 986 2.7L 2003-2004
Porsche Boxster S 986 3.2L 2003-2004
Porsche 996 C2 3.4L 1997-08/01
Porsche 996 C4 3.4L 1997-08/01
Porsche 996 3.6L Inc. C2 / C4 / C4S
Porsche 996 GT3 MKI
Porsche 996 GT3 MKII
Porsche 996 Turbo
Porsche 987 Boxster 2,7 L / 3,2 L
Porsche 987C Caïman 2,7L / 3,4L
Porsche 997 3,6 L, 3,8 L / 997 GT3
Numéros de référence associés
Numéros associés, remplacés, de référence croisée ou alternatifs à des fins de comparaison.
99760210405
Le produit que vous consultez fait référence à ces numéros
- Porsche Boxster 986 2.7L 2003-04
- Porsche Boxster S 986 3.2L 2003-04
- Porsche Boxster 987 2.7L 2005 -08/08
- Porsche Boxster 987 S 3.2/3.4L 2005-08/08
- Porsche 996 C2 3.6L 09/01-2005
- Porsche 996 C4 3.6L 09/01-2005
- Porsche 996 C4S 3.6L 09/01-2005
- Porsche 996 TURBO 2000-05
- Porsche 996 GT2 2001-05
- Porsche 996 GT3 MKI 1999-02
- Porsche 996 GT3 MKII 2003>>
- Porsche 996 GT3 RS 2003-04
- Porsche 997 MK1 Carrera 2 3.6L 2005-08
- Porsche 997 MK1 Carrera 2S 3.8L 2005-08
- Porsche 997 MK1 Carrera 4 3.6L 2005-08
- Porsche 997 MK1 Carrera 4S 3.8L 2005-08
- Porsche 997 MK1 TURBO 2007-09
- Porsche 997 MK1 GT3 2007-09
- Porsche 997 MK1 GT2 2007-09
- Porsche Cayman 2.7L 987C 2006-08
- Porsche Cayman S 3.4L 987C 2005-08
Le module de bobine individuel 99760210405 est utilisé sur les moteurs Porsche M96 et M97 de la série M, équipant de nombreuses Porsche 986/996/987 et des premières Porsche 997. Il doit généralement être remplacé par jeu de six bobines (une par cylindre).
Pourquoi ces bobines doivent être remplacées
Âge / Rupture thermique : les bobines sont exposées aux cycles thermiques et peuvent développer une rupture de l'isolation interne ou des fissures microscopiques dans le boîtier. À la longue, cela entraîne une faible tension ou des fuites de haute tension, ainsi que des étincelles intermittentes.
Symptômes de ratés d'allumage : une bobine défectueuse peut entraîner des ratés d'allumage sur un seul cylindre (codes P030x), un ralenti irrégulier, une baisse de puissance, une augmentation de la consommation de carburant et un échauffement/endommagement du convertisseur catalytique si elle n'est pas respectée. Voici les raisons les plus courantes pour lesquelles les propriétaires remplacent les bobines.
Traces de carbone/fissuration : des fissures visibles ou des traces de carbone sur le soufflet de la bobine peuvent fournir un chemin de fuite pour l'étincelle, réduisant les performances et provoquant des défauts intermittents.
Problèmes de connecteur/câblage : des connecteurs de bobine corrodés ou desserrés peuvent imiter des pannes de bobine ; inspectez les connecteurs lors du remplacement des bobines.
Convient à :
Porsche 996 3.6L Inc C2 / C4 / C4S
Porsche 986 Boxster 2,7L / 3,2L 2003>>
Porsche 996 GT3 MKI
Porsche 996 GT3 MKII
Porsche 996 Turbo
Porsche 987 Boxster 2,7 L / 3,2 L
Porsche 987C Caïman 2,7L / 3,4L
Porsche 997 3,6 L, 3,8 L / 997 GT3
Ne vient pas avec des boulons de fixation.
2 requis par bobine, veuillez commander séparément (numéro de pièce 90006708901).
Problèmes courants signalés dans la pratique
- Un ou plusieurs cylindres ont des ratés lorsque le moteur est chaud mais se comportent tout à fait normalement lorsqu'il est froid (typique d'une défaillance de la bobine interne ou de fissures sensibles à la chaleur).
- Boîtiers de bobine fissurés sur les voitures Boxster/996, les propriétaires remplacent souvent l'ensemble complet pour plus de fiabilité.
- Après un changement de bougie, des ratés d'allumage apparaissent car les bobines affaiblies peuvent tomber en panne une fois que des bougies à tension plus élevée sont installées ; il s'agit d'un modèle fréquemment signalé.
Comment diagnostiquer (étapes pratiques)
- Lisez les codes : P0300 / P0301–P0306 indiquent des ratés d'allumage ; notez quel cylindre est affecté.
- Test d'échange : remplacez la bobine suspecte par celle d'un autre cylindre. Si le raté d'allumage suit la bobine, celle-ci est défectueuse. (Test rapide et courant sur le terrain, utilisé par les propriétaires.)
- Mesurer la résistance : vérifier les résistances des bobines primaires et secondaires à ~20°C et comparer aux plages ci-dessus.
- Inspection visuelle : recherchez des fissures, des traces de carbone, des infiltrations d'huile ou des bottes/connecteurs endommagés.
- Oscilloscope / sonde HT : pour un diagnostic plus approfondi, un oscilloscope ou une sonde HT peut afficher l'énergie d'étincelle, mais la plupart des diagnostics DIY utilisent des contrôles d'échange + de résistance.
Numéros de référence associés
Numéros associés, remplacés, de référence croisée ou alternatifs à des fins de comparaison.
99760210405
Le produit que vous consultez fait référence à ces numéros
- Porsche Boxster 986 2.7L 2003-04
- Porsche Boxster S 986 3.2L 2003-04
- Porsche Boxster 987 2.7L 2005 -08/08
- Porsche Boxster 987 S 3.2/3.4L 2005-08/08
- Porsche 996 C2 3.6L 09/01-2005
- Porsche 996 C4 3.6L 09/01-2005
- Porsche 996 C4S 3.6L 09/01-2005
- Porsche 996 TURBO 2000-05
- Porsche 996 GT2 2001-05
- Porsche 996 GT3 MKI 1999-02
- Porsche 996 GT3 MKII 2003>>
- Porsche 996 GT3 RS 2003-04
- Porsche 997 MK1 Carrera 2 3.6L 2005-08
- Porsche 997 MK1 Carrera 2S 3.8L 2005-08
- Porsche 997 MK1 Carrera 4 3.6L 2005-08
- Porsche 997 MK1 Carrera 4S 3.8L 2005-08
- Porsche 997 MK1 TURBO 2007-09
- Porsche 997 MK1 GT3 2007-09
- Porsche 997 MK1 GT2 2007-09
- Porsche 997 MKII GT2 RS 2011-13
- Porsche Cayman 2.7L 987C 2006-08
- Porsche Cayman S 3.4L 987C 2005-08
x6 requis par moteur.
Le prix est pour chacun.
Porsche d'origine
Remarque : si votre véhicule est équipé d'anciennes bobines d'allumage Porsche d'origine (référence 99760210400), vous aurez besoin de boulons plus longs avec les nouvelles bobines d'allumage Porsche d'origine (référence 99760210402). La référence des boulons est 90038502501 (12 boulons sont nécessaires). Ceci ne s'applique pas aux bobines d'allumage Beru.
Convient à :
Porsche 996 C2 / C4 / C4S 3.6L 2002>>2005
Porsche 986 Boxster 2,7L / 3,2L 2003>>2004
Porsche 996 GT3 MKI & MKII 1999>>2005
Porsche 996 Turbo 2000>>2005
Porsche 987 Boxster 2,7L / 3,2L MKI 2005>>2008
Porsche 987C Cayman 2,7L / 3,4L MKI 2006>>2008
Porsche 997 Carrera / Carrera S / Carrera 4 / Carrera 4S 3,6L / 3,8L MKI 2005>>2008
Porsche 997 GT3 2007>>2008
Porsche 997.2 GT2RS 2007>>2009
Schéma de référence n° 1
Numéros de référence associés
Numéros associés, remplacés, de référence croisée ou alternatifs à des fins de comparaison.
99760210405
Le produit que vous consultez fait référence à ces numéros
- Porsche Boxster 986 2.5L 1997-99
- Porsche Boxster 986 2.7L 1999-02
- Porsche Boxster S 986 3.2L 1999-02
- Porsche 996 C2 3.4L 1997-08/01
- Porsche 996 C4 3.4L 1997-08/01
6 Requis par moteur. Le prix est pour chacun.

Convient :
Porsche 986 Boxster 2.5L 1997-99
Porsche 986 Boxster 2.7L 2000-02
Porsche 986 Boxster S 3.2L 2000-02
Porsche 996 Carrera 3.4L 1998-99
Cliquez sur "Zoom avant" pour le schéma des grandes pièces.
Schéma réf n° 2
Numéros de référence associés
Numéros associés, remplacés, de référence croisée ou alternatifs à des fins de comparaison.
99660210301
Le produit que vous consultez fait référence à ces numéros
Titre : Mise à niveau ou remplacement des bobines d'allumage du moteur pour votre Porsche : avantages et considérations
Performances accrues : la mise à niveau des bobines d'allumage du moteur de votre Porsche peut améliorer ses performances globales en fournissant une étincelle plus efficace, ce qui améliore l'accélération, le rendement énergétique et la réponse de l'accélérateur.
Fiabilité améliorée : les bobines d'allumage d'origine Porsche ou de haute qualité offrent une fiabilité accrue, assurant un allumage constant et réduisant le risque de ratés ou de calage du moteur.
Meilleure durabilité : les bobines d'allumage du moteur conçues spécifiquement pour les véhicules Porsche sont conçues pour résister aux conditions de fonctionnement exigeantes, offrant une durée de vie plus longue par rapport aux alternatives de qualité inférieure.
Compatibilité : les bobines d'allumage d'origine Porsche sont conçues pour s'intégrer parfaitement au système électrique existant de votre véhicule, garantissant un fonctionnement correct sans aucun problème de compatibilité.
Installation plus facile : les bobines d'allumage Porsche d'origine et les options de rechange réputées sont conçues pour une installation simple, permettant une mise à niveau ou un processus de remplacement sans tracas.
Chez Design911, nous comprenons l'importance de trouver la bonne pièce pour votre Porsche et de vous assurer de recevoir les meilleurs conseils professionnels. Grâce à notre expertise dans les pièces Porsche, nous pouvons vous aider à identifier la bobine d'allumage appropriée pour votre modèle spécifique et vous guider tout au long du processus de sélection. Notre vaste gamme de pièces d'origine Porsche et nos options de rechange de haute qualité garantissent que vous trouverez la bobine d'allumage parfaite pour répondre à vos besoins. Que vous cherchiez à mettre à niveau pour des performances améliorées ou à la recherche d'un remplacement standard, Design911 est là pour vous fournir des produits fiables et une assistance experte.