non premere il tasto di ritorno…
-
Parti del motore
-
- Raffreddamento del motore Tubi flessibili per acqua/refrigerante Tubi e tubi flessibili del refrigerante Radiatori per acqua / refrigerante Radiatori del refrigerante per pista e gara Pompe dell'acqua / del refrigerante Contenitori / serbatoi di espansione per refrigerante Termostato / sensore di temperatura Radiatori dell'olio / scambiatori di calore Sistema e tubi dell'olio Olio motore Refrigerante/antigelo
-
- Parti di ricostruzione del motore Componenti del sistema dell'olio Parti del sistema di alimentazione del carburante Guarnizioni e set Guarnizione radiale/RMS/albero a camme/albero di bilanciamento Cinghie/tenditori/rulli Catene e tenditori Coperchi distribuzione e guarnizioni Cuscinetti/calotte del motore Valvole/guide/molle del motore Viti prigioniere del motore Supporti del motore Cilindri/camicie/pistoni del motore Biella Testata Albero a camme e parti Ingranaggi/ruote dentate e fissaggi dell'albero a camme Parti del carter Albero a gomiti e parti Turbocompressori/Intercooler e parti Presa d'aria e iniezione Pompa a vuoto Strumenti specialistici
-
-
Freni
-
- Freni Pastiglie dei freni e pacchetto dischi Pacchetti pastiglie freno Disco del freno standard Pastiglie dei freni standard Disco del freno SPORT Freni standard Brembo Freni Brembo Racing Freni TEXTAR Freni da gara PAGID Freni Zimmermann Freni ad attrito ad alte prestazioni Disco per freno scanalato Giro Freni ad alte prestazioni SHW Freni EBC Dischi per freni O-Brake Linea grafite Rotinger Ricambio per disco in ceramica Sensori di usura delle pastiglie dei freni Spessori anti-vibrazioni per pastiglie dei freni Bulloni della pinza / viti del disco Kit perni e piastre guida Tubi flessibili per freni ad alte prestazioni tutte le categorie
-
-
Sospensioni e sterzo
-
- Sospensione e assale Barra antirollio Boccole della barra antirollio Staffa della barra antirollio Stabilizzatori e boccole ANTERIORI Stabilizzatori e boccole POSTERIORI Ammortizzatori ANTERIORI Parti degli ammortizzatori ANTERIORI Ammortizzatori POSTERIORI Parti degli ammortizzatori POSTERIORI Molle elicoidali ANTERIORI Molle elicoidali POSTERIORI tutte le categorie
-
Trasmissione
-
- Cambio / trasmissione Kit frizione Kit frizione - alte prestazioni Piastra di attrito frizione Spingidisco frizione Cuscinetti di rilascio della frizione Cavi e parti della frizione Tubo di guida della frizione Forcelle e leve della frizione Bulloni della frizione Parti del cambio Alberi di trasmissione e parti Serie di guarnizioni del cambio Supporti del cambio Parti di controllo del cambio Volano/coppia Kit giunti omocinetici Cuffie e kit giunto omocinetico Albero cardanico / albero di trasmissione Parti della trasmissione Olio del cambio Coppa del cambio / coppa dell'olio Differenziale tutte le categorie
-
-
Raffreddamento e riscaldamento
-
- Riscaldamento/climatizzazione Condensatori ed essiccatori per climatizzazione Tubi per climatizzazione Ventole e cappottature Relè/sensori/resistori Compressori Motori e ventole per soffianti Soffianti del riscaldatore Tubi flessibili e tubi del riscaldatore Scambiatore di calore Bocchette di ventilazione / griglie Controllo della climatizzazione Sensori/interruttori di temperatura Alloggiamenti riscaldamento/climatizzazione
-
-
Elettrico e illuminazione
-
- Componenti elettrici e relè Pompe del carburante Interruttore freno e frizione Interruttore di segnalazione pericolo Interruttore del freno a mano Interruttore della luce di retromarcia Interruttore dei fari Interruttore del finestrino Motori del finestrino Meccanismo del finestrino Clacson elettrico Unità di controllo SmartTop Interruttore di accensione Interruttore del sedile Interruttore freccia / leva tergicristallo Interruttore tetto / tettuccio apribile Relè / fusibili Pompe/contenitori/getti per lavavetri Allarmi/sicurezza/chiusura centralizzata Centraline elettroniche Parti e interruttori del cruscotto / della console Interruttore specchietto retrovisore esterno Kit telefono/Bluetooth/iPod tutte le categorie
-
- Illuminazione Fari per guida a destra Fari per guida a sinistra Parti e lenti dei fari Kit luci HID Indicatori di direzione anteriori Indicatori di direzione posteriori per guida a destra Indicatori di direzione posteriori per guida a sinistra Fari fendinebbia / di guida Ripetitori laterali 3a luce di frenata Luci della targa tutte le categorie
-
-
Corpo e scarico
-
- Telaio / Carrozzeria Restauro telaio / Riparazione pannelli Ammortizzatore del coperchio del cofano motore Ammortizzatore del portello del bagagliaio Cofani / serrature e chiavistelli Bagagliaio / portello posteriore / serrature e chiavistelli Portello posteriore / portellone Paraurti anteriori Paraurti posteriori Porte / serrature e chiavistelli Pannelli per porte | Cerniere | Piastre percussori Alzacristalli Parafanghi anteriori e parti Parafanghi posteriori e parti Pannelli sottoporta laterali Specchietti e parti Pellicole/adesivi parasassi Sottoscocche telaio e motore Spazzole/bracci dei tergicristalli Rivestimenti e coperture dei passaruota Tetto - Cabrio / Targa / Coupé Scocca di protezione Coperture in plastica tutte le categorie
-
- Scarichi Silenziatori / Marmitte Sportivi Silenziatori/silenziatori commutabili Silenziatori/marmitte Catalizzatore/bypass Collettore/collettori Terminali di scarico Scambiatori di calore Pacchetto di scarico Guarnizioni di scarico Dadi/bulloni/prigionieri di scarico Staffe/morsetti/cinghie tutte le categorie
-
-
Lubrificanti e fluidi
-
- Parti di ricambio Kit parti di ricambio originali Filtri dell'olio Filtri dell'aria Filtri antipolline/antiparticolato Cinghie di tutti i tipi Candele Candele IRIDIUM POWER Bobine di accensione Spazzole/bracci dei tergicristalli Bracci e spazzole tergicristallo posteriori Parti di ricambio della scatola del cambio Olio motore e lubrificanti - Mobil Olio motore e lubrificanti - Total Olio motore e lubrificanti - Castrol Olio Motore e Lubrificanti - Motul Olio motore e lubrificanti - Millers Oils NanoDrive Olio motore e lubrificanti - Millers Oils Additivi per carburanti Refrigerante/antigelo Olio per servosterzo DPI per autofficina
-
-
Tutte le parti
-
- Parti Accessori Telaio / Carrozzeria Freni Abbigliamento e regali Componenti elettrici e relè Raffreddamento del motore Componenti elettrici del motore Parti di ricostruzione del motore Parti per alte prestazioni Scarichi Linea esterni / spoiler Cambio / trasmissione Riscaldamento/climatizzazione Componenti idraulici Interni e accessori Incar / multimedia Illuminazione Tappetini e tappeti Motorsport e fuoristrada Pedaliera Guarnizioni di gomma Sedili e cinture di sicurezza tutte le categorie
-
- Back to main website
Inserisci il tuo numero di partiva IVA qui e fai clic su Verifica:
Nessuna necessità di inserire la parte del numero di partita IVA relativa al codice del paese poiché questa è già stato selezionata nel predetto indirizzo di fatturazione.
I tuoi dati sono stati verificati. Numero di partita IVA registrato a:
,
.
Al tuo ordine sarà applicata un’aliquota pari a zero ai fini dell’IVA. Ci riserviamo il diritto di verificare questi dettagli dopo che la tua richiesta d’ordine è stata fatta e di reintegrare l’IVA se necessario.
I tuoi dati IVA non sono stati riconosciuti o non erano validi. Il tuo numero di partita IVA deve corrispondere al tuo paese di fatturazione come specificato sopra. Attualmente è specificato come . Non occorre inserire inserire la parte del numero di partita IVA relativa al codice del paese poiché questa è già stato selezionata nei dettagli del predetto indirizzo di fatturazione.
Il servizio di verifica della partita IVA è attualmente offline. Per favore fornisci i tuoi dati IVA all’interno dei commenti o nel campo delle istruzioni speciali sotto e noi applicheremo uno sconto IVA dopo aver fatto la richiesta d’ordine.
Guarnizione servofreno. Porsche 996 / 997 / Boxster / Cayman / 970 Panamera ❭ 99635590101
- Porsche Boxster 986 2.5L 1997-99
- Porsche Boxster 986 2.7L 1999-02
- Porsche Boxster S 986 3.2L 1999-02
- Porsche Boxster 986 2.7L 2003-04
- Porsche Boxster S 986 3.2L 2003-04
- Porsche Boxster 987 2.7L 2005-08/08
- Porsche Boxster 987 S 3.2/3.4L 2005-08/08
- Porsche Boxster 987 MKII 2.9L 2009-12
- Porsche Boxster S 987 MKII 3.4L 2009-12
- Porsche 996 C2 3.4L 1997-08/01
- Porsche 996 C4 3.4L 1997-08/01
- Porsche 996 C2 3.6L 09/01-2005
- Porsche 996 C4 3.6L 09/01-2005
- Porsche 996 C4S 3.6L 09/01-2005
- Porsche 996 TURBO 2000-05
- Porsche 996 GT2 2001-05
- Porsche 996 GT3 MKI 1999-02
- Porsche 996 GT3 MKII 2003>>
- Porsche 996 GT3 RS 2003-04
- Porsche 997 MK1 Carrera 2 3.6L 2005-08
- Porsche 997 MK1 Carrera 2S 3.8L 2005-08
- Porsche 997 MK1 Carrera 4 3.6L 2005-08
- Porsche 997 MK1 Carrera 4S 3.8L 2005-08
- Porsche 997 MK1 TURBO 2007-09
- Porsche 997 MK1 GT3 2007-09
- Porsche 997 MK1 GT2 2007-09
- Porsche 997 MKII Carrera C2 3.6L 2009-12
- Porsche 997 MKII Carrera C4 3.6L 2009-12
- Porsche 997 MKII Carrera C2S 3.8L 2009-12
- Porsche 997 MKII Carrera C4S 3.8L 2009-12
- Porsche 997 MKII GT3 2010-11
- Porsche 997 MKII Turbo 2010-13
- Porsche 997 MKII GT2 RS 2011-13
- Porsche Cayman 2.7L 987C 2006-08
- Porsche Cayman S 3.4L 987C 2005-08
- Porsche Cayman 2.9L 987C MKII 2009-12
- Porsche Cayman S / R 3.4L 987C MKII 2009-12
- Porsche 970.1 Panamera V6 3.6L 2WD 2009-13
- Porsche 970.1 Panamera 4 V6 3.6L 4WD 2009-13
- Porsche 970.1 Panamera S V8 4.8L 2009-13
- Porsche 970.1 Panamera 4S V8 4.8L 2009-13
- Porsche 970.1 Panamera GTS V8 4.8L 2011-13
- Porsche 970.1 Panamera Turbo V8 4.8L 2009-13
- Porsche 970.1 Panamera Turbo S V8 4.8L 2009-13
- Porsche 970.1 Panamera Diesel V6 3.0L 2011-13
- Porsche 970.1 Panamera S Hybrid V6 3.0L 2011-13
- Porsche 970.2 Panamera V6 3.6L 2WD (310Hp) 2014-16
- Porsche 970.2 Panamera 4 V6 3.6L 4WD (310Hp) 2014-16
- Porsche 970.2 Panamera S V6 Turbo 3.0L 2WD (420Hp) 2014-16
- Porsche 970.2 Panamera S V6 Turbo 3.0L 2WD Executive 2014-16
- Porsche 970.2 Panamera 4S V6 Turbo 3.0L 4WD (420Hp) 2014-16
- Porsche 970.2 Panamera 4S V6 Turbo 3.0L 4WD Executive 2014-16
- Porsche 970.2 Panamera GTS V8 4.8L 4WD (440Hp) 2014-16
- Porsche 970.2 Panamera Turbo V8 4.8L (520Hp) 2014-16
- Porsche 970.2 Panamera Turbo V8 Executive 2014-16
- Porsche 970.2 Panamera Turbo S V8 4.8L 2014-16
- Porsche 970.2 Panamera Diesel V6 3.0L (250Hp) 2014-16
- Porsche 970.2 Panamera S E-Hybrid V6 3.0L (416Hp) 2014-16

Si adatta:
Porsche 996 1998-05
Porsche 997.1 2005-08
Porsche 997.2 2009-12
Porsche 986 Boxster 1997-04
Porsche 987.1 Boxster 2005-08
Porsche 987.2 Boxster 2009-12
Porsche 987C.1 Cayman 2005-08
Porsche 987C.2 Cayman 2009-12
Porsche 970 Panamera 2010-16
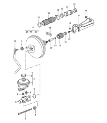
Fai clic su "Ingrandisci" per il diagramma delle parti di grandi dimensioni.
Diagramma rif. 10
Numeri di riferimento correlati
Numeri correlati, sostituiti, riferimenti incrociati o alternativi per il confronto.
99635590101
Il prodotto che stai visualizzando fa riferimento a questi numeri
- Porsche Boxster 986 2.5L 1997-99
- Porsche Boxster 986 2.7L 1999-02
- Porsche Boxster S 986 3.2L 1999-02
- Porsche Boxster 986 2.7L 2003-04
- Porsche Boxster S 986 3.2L 2003-04
- Porsche Boxster 987 2.7L 2005-08/08
- Porsche Boxster 987 S 3.2/3.4L 2005-08/08
- Porsche Boxster 987 MKII 2.9L 2009-12
- Porsche Boxster S 987 MKII 3.4L 2009-12
- Porsche 996 C2 3.4L 1997-08/01
- Porsche 996 C4 3.4L 1997-08/01
- Porsche 996 C2 3.6L 09/01-2005
- Porsche 996 C4 3.6L 09/01-2005
- Porsche 996 C4S 3.6L 09/01-2005
- Porsche 996 TURBO 2000-05
- Porsche 996 GT2 2001-05
- Porsche 996 GT3 MKI 1999-02
- Porsche 996 GT3 MKII 2003>>
- Porsche 997 MK1 Carrera 2 3.6L 2005-08
- Porsche 997 MK1 Carrera 2S 3.8L 2005-08
- Porsche 997 MK1 GT2 2007-09
- Porsche 997 MKII Carrera C2 3.6L 2009-12
- Porsche 997 MKII Carrera C4 3.6L 2009-12
- Porsche 997 MKII Carrera C2S 3.8L 2009-12
- Porsche Cayman 2.7L 987C 2006-08
- Porsche Cayman S 3.4L 987C 2005-08
- Porsche Cayman 2.9L 987C MKII 2009-12
- Porsche Cayman S / R 3.4L 987C MKII 2009-12
Il soffietto del servofreno è un componente piccolo ma essenziale del sistema frenante. Questo manicotto protettivo in gomma sigilla l'asta di spinta del servofreno nel punto in cui si collega al pedale del freno, mantenendolo ermetico e privo di contaminanti.
Con il tempo, il soffietto può rompersi o lacerarsi, causando perdite di vuoto, riduzione dell'assistenza alla frenata o persino un guasto prematuro del servofreno. Sostituendolo con questo ricambio originale Porsche OEM si ripristina la corretta tenuta, si proteggono i componenti interni del servofreno e si garantiscono prestazioni di frenata sicure e costanti.
Adatto a:
Cosa fa questo prodotto:
Il soffietto del servofreno è un manicotto protettivo in gomma che si adatta all'unità del servofreno. Il suo scopo è sigillare e proteggere l'asta di spinta del servofreno nel punto in cui si collega al gruppo pedale del freno.
Funzioni:
Sintomi di un soffietto difettoso o usurato:
- Sibili o perdite di vuoto vicino al pedale del freno.
- Sensazione del pedale del freno spugnosa o incoerente .
- Assistenza alla frenata ridotta , rendendo più difficile premere il pedale.
- Contaminazione da sporco o detriti attorno all'asta del booster.
- Crepe, spaccature o deterioramento visibili nella gomma.
Il soffietto è una parte piccola ma importante del sistema frenante. Una cuffia danneggiata o mancante consente l'ingresso di polvere e umidità nel servofreno, causando corrosione interna, perdite di vuoto e riduzione delle prestazioni di frenata.
Diagramma Rif. n. 22
Numeri di riferimento correlati
Numeri correlati, sostituiti, riferimenti incrociati o alternativi per il confronto.
99642326905
Il prodotto che stai visualizzando fa riferimento a questi numeri
Lunedì-venerdì: 8.30-17.30 (GMT) Sabato: chiuso Domenica: chiuso