Snodi sferici
- Porsche 911 1968-1973 2.2L / 2.4L / 2.7L RS LWB (F)
- Porsche 911 1974-1977 2.7L / 1976-77 3.0 Carrera
- Porsche 911 1978-1983 3.0L / SC
- Porsche 911 1984-1986 3.2L
- Porsche 911 1987-1989 3.2L G50
- Porsche 911 1975-1977 3.0L Turbo (930)
- Porsche 911 1978-1989 3.3L Turbo (930)
- Porsche 914 (1970-1976)
Migliora la precisione in curva e l'aderenza con il kit giunto sferico de-camberato, progettato per i modelli Porsche 911 e Porsche 914.
Questo giunto sferico FI16 di “nuovo tipo” include un offset di campanatura negativo integrato di circa 3 mm , che consente alla sospensione anteriore di mantenere un migliore contatto con gli pneumatici durante le curve aggressive.
Il risultato è una sterzata più precisa, una maggiore aderenza laterale e una geometria più uniforme sotto carico, il tutto senza la necessità di piastre di campanatura aggiuntive o di modifiche sostanziali alle sospensioni.
Venduto come kit.
Sono necessari 2 kit per auto.
Adatto a:
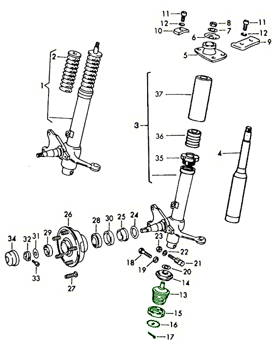
Diagramma Rif. n. 17, 19, 20, 21
Cosa fa questo prodotto:
Sintomi tipici / Indicatori dei casi d'uso:
- Perdite di camber in curva brusca (ad esempio sollevamento della spalla interna)
- Si esegue un allineamento aggressivo sulle configurazioni della pista e si desidera preservare la campanatura negativa sotto carico
- Vuoi un modo semplice per modificare leggermente la geometria senza grandi modifiche alle sospensioni
Perché scegliere un giunto de-camberato:
- Area di contatto migliorata del pneumatico : mantiene il pneumatico più piatto sulla strada a metà curva.
- Miglior bilanciamento in curva : riduce il sottosterzo ottimizzando l'aderenza anteriore.
- Mantiene la geometria OEM : non sono necessarie modifiche strutturali.
- Design durevole e collaudato in gara : la struttura forgiata sopporta carichi elevati.
- Precisione migliorata : ideale per auto da pista, restauri e guida su strada vivace.
Numeri di riferimento correlati
Numeri correlati, sostituiti, riferimenti incrociati o alternativi per il confronto.
91134104905
Il prodotto che stai visualizzando fa riferimento a questi numeri
Acquista in sicurezza
12 mesi di garanzia
Consegna in tutto il mondo
- Porsche 911 1974-1977 2.7L / 1976-77 3.0 Carrera
- Porsche 911 1978-1983 3.0L / SC
- Porsche 911 1984-1986 3.2L
- Porsche 911 1987-1989 3.2L G50
- Porsche 911 1975-1977 3.0L Turbo (930)
- Porsche 911 1978-1989 3.3L Turbo (930)
Migliora la geometria delle sospensioni anteriori con il set di giunti sferici de-camberati (FI-18). Questi giunti sferici de-camberati sono progettati per fornire un camber negativo aggiuntivo di 3 mm, migliorando l'aderenza dell'anteriore e la risposta in curva senza la necessità di modifiche sostanziali alle sospensioni.
Venduto in set.
x2 set richiesti per auto.
Adatto a:
- Porsche 911 1974-1977 2.7L / 1976-77 3.0 Carrera
- Porsche 911 1978-1983 3.0L/SC
- Porsche 911 1984-1986 3.2L
- Porsche 911 1987-1989 3.2L G50
- Porsche 911 1975-1977 3.0L Turbo (930)
- Porsche 911 1978-1989 3.3L Turbo (930)
Cosa fa questo prodotto:
- Aumenta la campanatura negativa "di default": poiché il perno è spostato verso l'esterno, la ruota ottiene una piccola quantità di campanatura negativa senza richiedere modifiche al supporto superiore del montante. Ciò aiuta a mantenere una migliore superficie di contatto sotto le forze in curva.
- Contrasta la perdita di campanatura sotto carico: in curva, il rollio della carrozzeria o la compressione delle sospensioni tendono a ridurre la campanatura negativa (ovvero a sgonfiare lo pneumatico). Il giunto decamberato aiuta a compensare questa perdita, in modo che lo pneumatico interno rimanga più piantato a terra.
- Migliora la maneggevolezza, la stabilità e l'ingresso in curva: con una maggiore campanatura negativa sotto carico, la parte anteriore ha una migliore aderenza, riducendo il sottosterzo e rendendo l'ingresso in curva più preciso.
- Regolazione leggera della pista/prestazioni senza modifiche importanti: anziché dover montare piastre di camber regolabili o cambiare le torri dei montanti, questo giunto fornisce un modesto "aumento" di camber in modo semplice e rapido.
- Mantiene la piena funzionalità del giunto sferico: consente comunque l'articolazione (sterzo, corsa delle sospensioni) come un normale giunto sferico: l'offset riguarda solo l'allineamento, non il movimento.
- Rumori di battito o di tonfo: un colpo sordo proveniente dalle sospensioni anteriori, in particolare su dossi o in curva, spesso indica gioco nel giunto sferico.
- Usura irregolare o eccessiva degli pneumatici: giunti usurati consentono variazioni incontrollate di campanatura e convergenza, usurando i bordi interni o esterni degli pneumatici anteriori.
- Sterzo lento o irregolare: quando il giunto sferico sviluppa gioco, lo sterzo risulta instabile o "fluttuante": l'auto non mantiene più una linea costante in curva.
- Vibrazioni o tremolio ad alta velocità: il gioco libero nel giunto può causare vibrazioni del volante, in particolare su superfici ruvide.
- Usura o danni visibili: soffietti antipolvere strappati, perdite di grasso o movimenti eccessivi durante l'ispezione durante la manutenzione sono chiari segnali che i giunti devono essere sostituiti.
- Maneggevolezza incoerente sotto carico: l'auto potrebbe risultare instabile a metà curva o reagire in modo imprevedibile alle asperità a causa di cambiamenti di geometria causati da giunti sferici usurati.
- Ripristina la sicurezza e l'integrità strutturale: il giunto sferico supporta il carico della sospensione anteriore. Un guasto può causare la perdita completa del controllo dello sterzo.
- Mantiene il corretto allineamento delle ruote: i giunti nuovi eliminano la deriva indesiderata di campanatura/convergenza e mantengono gli pneumatici correttamente allineati sotto tutti i carichi.
- Migliora la precisione dello sterzo: i nuovi giunti sferici stretti ripristinano la sensazione di sterzata precisa e la maneggevolezza prevedibile tipica delle Porsche
- Migliora l'aderenza in curva: il design de-cambered aggiunge una campanatura negativa integrata, migliorando il contatto degli pneumatici e l'aderenza anteriore in curva.
- Previene l'usura secondaria: i giunti usurati aumentano lo stress su pneumatici, bracci oscillanti e boccole delle sospensioni, con conseguenti costose riparazioni a valle.
- Perfetto per prestazioni e uso in pista: la geometria del camber offset aiuta a mantenere superfici di contatto ottimali durante carichi laterali elevati, riducendo il sottosterzo e migliorando la coerenza tra un giro e l'altro.
Numeri di riferimento correlati
Numeri correlati, sostituiti, riferimenti incrociati o alternativi per il confronto.
90134104704
Il prodotto che stai visualizzando fa riferimento a questi numeri
Acquista in sicurezza
12 mesi di garanzia
Consegna in tutto il mondo
- Porsche 911 1968-1973 2.2L / 2.4L / 2.7L RS LWB (F)
- Porsche 911 1974-1977 2.7L / 1976-77 3.0 Carrera
- Porsche 911 1978-1983 3.0L / SC
- Porsche 911 1984-1986 3.2L
- Porsche 911 1987-1989 3.2L G50
- Porsche 911 1975-1977 3.0L Turbo (930)
- Porsche 911 1978-1989 3.3L Turbo (930)
- Porsche 914 (1970-1976)
Incl. giunto sferico, dado mozzo, piastra di bloccaggio, coppiglia.
Fornisce una campanatura negativa aggiuntiva di 3 mm.
Il prezzo è per pezzo
Adatto a:
Porsche 911 1972-89
Numeri di riferimento correlati
Numeri correlati, sostituiti, riferimenti incrociati o alternativi per il confronto.
91134104905
Il prodotto che stai visualizzando fa riferimento a questi numeri
Acquista in sicurezza
12 mesi di garanzia
Consegna in tutto il mondo
- Porsche 911 1974-1977 2.7L / 1976-77 3.0 Carrera
- Porsche 911 1978-1983 3.0L / SC
- Porsche 911 1984-1986 3.2L
- Porsche 911 1987-1989 3.2L G50
- Porsche 911 1975-1977 3.0L Turbo (930)
- Porsche 911 1978-1989 3.3L Turbo (930)
- Porsche 914 (1970-1976)
incl. giunto sferico, dado del mozzo, piastra di bloccaggio, coppiglia.
Fornisce camber negativo aggiuntivo di 3 mm.
Il prezzo è ciascuno

Si adatta:
Porsche 911 RS 1974-89 (vetture dotate di sospensioni tipo RS)
Numeri di riferimento correlati
Numeri correlati, sostituiti, riferimenti incrociati o alternativi per il confronto.
90134104704
Il prodotto che stai visualizzando fa riferimento a questi numeri
Acquista in sicurezza
12 mesi di garanzia
Consegna in tutto il mondo
- Porsche 911 1974-1977 2.7L / 1976-77 3.0 Carrera
- Porsche 911 1978-1983 3.0L / SC
- Porsche 911 1984-1986 3.2L
- Porsche 911 1987-1989 3.2L G50
- Porsche 911 1975-1977 3.0L Turbo (930)
- Porsche 911 1978-1989 3.3L Turbo (930)
Ripristina la precisione delle sospensioni anteriori della tua Porsche 911 RS con questo set di giunti sferici sostitutivi progettato per i bracci trasversali FI 18. Fornito con la bulloneria di montaggio necessaria (dado del mozzo, piastra di bloccaggio, coppiglia), questo set si adatta alla serie 911 RS 1974-89 e garantisce prestazioni e montaggio con specifiche originali.
Venduto in set.
x2 set richiesti per auto.
Adatto a:
- Porsche 911 1974-1977 2.7L / 1976-77 3.0 Carrera
- Porsche 911 1978-1983 3.0L/SC
- Porsche 911 1984-1986 3.2L
- Porsche 911 1987-1989 3.2L G50
- Porsche 911 1975-1977 3.0L Turbo (930)
- Porsche 911 1978-1989 3.3L Turbo (930)
Cosa fa questo prodotto:
- Il giunto sferico si trova nella parte inferiore del braccio oscillante della sospensione anteriore e costituisce l'interfaccia fondamentale tra il braccio oscillante e il fuso a snodo/mozzo dello sterzo.
- Consente un'articolazione controllata (movimento su/giù del braccio oscillante, movimento dello sterzo) mantenendo corretta la geometria del mozzo e delle sospensioni (camber, convergenza, caster).
- Poiché sostituisce il giunto sferico del braccio oscillante RS, se usurato o allentato può compromettere la maneggevolezza, l'allineamento, l'usura degli pneumatici e la sensibilità dell'avantreno.
- In sostanza, garantisce che la sospensione anteriore rimanga rigida, precisa e reattiva.
Sintomi di usura o quando sostituirli:
- Rumori di colpi o colpi provenienti dalle sospensioni anteriori in curva, sui dossi o durante lo sterzo: possono essere causati da giunti sferici con gioco interno.
- Usura irregolare o eccessiva degli pneumatici anteriori, sia all'interno che all'esterno: i giunti sferici usurati consentono alla geometria di spostarsi sotto carico.
- Sterzo lento o poco preciso , avantreno che si muove o sterza in modo meno preciso: anche in questo caso, il problema è solitamente legato al gioco dei giunti delle sospensioni.
- Danni visibili al soffietto in gomma, perdite di grasso o ruggine attorno al giunto sferico: i componenti delle sospensioni della vecchia 911 RS potrebbero essere invecchiati.
- Ripristina la sicurezza e la precisione di guida : su un classico ad alte prestazioni come la Porsche 911 RS, le sospensioni anteriori devono essere rigide e precise: un giunto sferico usurato compromette questo aspetto.
- Mantiene la geometria corretta : i giunti nuovi aiutano a mantenere camber, convergenza e caster stabili sotto carico, fondamentali per l'equilibrio della maneggevolezza e la durata degli pneumatici.
- Previene ulteriori danni : un giunto sferico difettoso può causare un aumento delle sollecitazioni su pneumatici, bracci trasversali e cuscinetti e può comportare riparazioni più costose della parte anteriore.
Numeri di riferimento correlati
Numeri correlati, sostituiti, riferimenti incrociati o alternativi per il confronto.
90134104704
Il prodotto che stai visualizzando fa riferimento a questi numeri
Acquista in sicurezza
12 mesi di garanzia
Consegna in tutto il mondo
- Porsche 911 1965-1968 2.0L / 912 SWB (F)
- Porsche 911 1968-1973 2.2L / 2.4L / 2.7L RS LWB (F)
- Porsche 911 1974-1977 2.7L / 1976-77 3.0 Carrera
- Porsche 911 1978-1983 3.0L / SC
- Porsche 911 1984-1986 3.2L
- Porsche 911 1987-1989 3.2L G50
- Porsche 911 1975-1977 3.0L Turbo (930)
- Porsche 911 1978-1989 3.3L Turbo (930)
- Porsche 914 (1970-1976)
Adatto: sinistra e destra.
Adatto a:
Porsche 911 1969-89
Porsche 914 1972-76
Il prezzo è per cadauno.
Numeri di riferimento correlati
Numeri correlati, sostituiti, riferimenti incrociati o alternativi per il confronto.
90134142600
Il prodotto che stai visualizzando fa riferimento a questi numeri
Acquista in sicurezza
12 mesi di garanzia
Consegna in tutto il mondo
- Porsche 911 1965-1968 2.0L / 912 SWB (F)
- Porsche 911 1968-1973 2.2L / 2.4L / 2.7L RS LWB (F)
- Porsche 911 1974-1977 2.7L / 1976-77 3.0 Carrera
- Porsche 911 1978-1983 3.0L / SC
- Porsche 911 1984-1986 3.2L
- Porsche 911 1987-1989 3.2L G50
- Porsche 911 1975-1977 3.0L Turbo (930)
- Porsche 914 (1970-1976)
Ripristina la leggendaria sensibilità di sterzo della tua Porsche con il kit giunto sferico del braccio oscillante anteriore, il design aggiornato "New Type (FI16)" utilizzato sui modelli 911 e 914.
Il giunto sferico collega il braccio oscillante inferiore anteriore (braccio ad A) al fuso a snodo , consentendo un'oscillazione controllata durante il movimento delle sospensioni. Mantiene una geometria precisa delle ruote e garantisce una maneggevolezza reattiva.
Venduto singolarmente.
Sono necessari 2 kit per auto.
Adatto a:
Diagramma Rif. n. 13, 15, 16, 17
Cosa fa questo prodotto:
Sintomi di usura o guasto:
- Gioco/allentamento dello sterzo : lo sterzo potrebbe risultare poco preciso o "impreciso".
- Rumori di battito o di tonfo : un rumore distinto che si sente quando si superano dossi o durante la corsa delle sospensioni.
- Usura irregolare o rapida degli pneumatici , in particolare di quelli anteriori, dovuta a disallineamenti o movimenti sotto carico.
- Vibrazioni o tremori , soprattutto in curva o quando si guida su superfici irregolari.
- Cambiamenti geometrici limite : l'allineamento può cambiare leggermente quando viene applicato un carico o in curva.
- Sensazione/controllo della strada ridotti : la parte anteriore potrebbe risultare meno precisa o meno reattiva.
- Ripristina la precisione e il controllo dello sterzo: i giunti usurati causano gioco e movimento. Sostituendoli, si ottiene una risposta precisa e diretta dello sterzo.
- Mantiene l'allineamento sotto carico: un giunto sferico sano mantiene costante la geometria della ruota anche in curva o sotto carico.
- Previene ulteriori danni alle sospensioni: lasciare del gioco in un giunto sferico trasferisce le forze ad altri componenti, come bracci di controllo, boccole, fusi a snodo, ecc. Sostituendolo si protegge il resto delle sospensioni.
- Elimina rumori e ruvidità: i nuovi giunti funzionano in modo pulito, senza rumori o vibrazioni indesiderati.
- Sicurezza e affidabilità - Poiché il giunto sferico è un elemento fondamentale dello sterzo, un giunto difettoso può compromettere o compromettere la sicurezza del controllo del veicolo. È essenziale disporre di giunti robusti e funzionanti correttamente.
Numeri di riferimento correlati
Numeri correlati, sostituiti, riferimenti incrociati o alternativi per il confronto.
91134104905
Il prodotto che stai visualizzando fa riferimento a questi numeri
Acquista in sicurezza
12 mesi di garanzia
Consegna in tutto il mondo
- Porsche 911 1968-1973 2.2L / 2.4L / 2.7L RS LWB (F)
- Porsche 911 1974-1977 2.7L / 1976-77 3.0 Carrera
- Porsche 911 1978-1983 3.0L / SC
- Porsche 911 1984-1986 3.2L
- Porsche 911 1987-1989 3.2L G50
- Porsche 911 1975-1977 3.0L Turbo (930)
- Porsche 911 1978-1989 3.3L Turbo (930)
- Porsche 914 (1970-1976)
Questo dado scanalato viene utilizzato per fissare il giunto sferico del braccio oscillante inferiore anteriore (braccio oscillante) sui sistemi di sospensione Porsche classici. Realizzato secondo le dimensioni e le specifiche di filettatura esatte del componente Porsche originale, garantisce una forza di serraggio affidabile e un posizionamento preciso del giunto sferico all'interno del braccio di controllo.
Venduti singolarmente, adatti sia a destra che a sinistra
Adatto a:
Porsche 911 1969 - 1989
Porsche 914 1972 - 1976
Schema rif. n. 17
Questo dado scanalato blocca saldamente il giunto sferico nel braccio oscillante anteriore, mantenendo il corretto allineamento e impedendo il movimento sotto carichi in curva e forze frenanti. Il suo design scanalato consente il corretto innesto con un anello o un perno di bloccaggio, garantendo stabilità e sicurezza a lungo termine.
Con il passare del tempo, il dado scanalato originale potrebbe corrodersi, perdere l'integrità della filettatura o deformarsi durante la rimozione. L'utilizzo di un dado usurato o non conforme alle specifiche può comportare una coppia di serraggio errata, un potenziale allentamento o un gioco delle sospensioni.
Sostituire quando:
• Sostituzione dei giunti sferici anteriori o dei gruppi bracci oscillanti
• I fili sono danneggiati, corrosi o arrotondati
• Esecuzione di una ricostruzione della sospensione anteriore o di una correzione dell'allineamento
L'installazione di un nuovo dado scanalato garantisce un corretto mantenimento della coppia, un allineamento preciso e prestazioni affidabili delle sospensioni.
Numeri di riferimento correlati
Numeri correlati, sostituiti, riferimenti incrociati o alternativi per il confronto.
90134142501
Il prodotto che stai visualizzando fa riferimento a questi numeri
Acquista in sicurezza
12 mesi di garanzia
Consegna in tutto il mondo
- Porsche 911 1968-1973 2.2L / 2.4L / 2.7L RS LWB (F)
- Porsche 911 1974-1977 2.7L / 1976-77 3.0 Carrera
- Porsche 911 1978-1983 3.0L / SC
- Porsche 911 1984-1986 3.2L
- Porsche 911 1987-1989 3.2L G50
- Porsche 911 1975-1977 3.0L Turbo (930)
- Porsche 911 1978-1989 3.3L Turbo (930)
- Porsche 914 (1970-1976)
Venduto in kit - Incl.: giunto sferico, dado mozzo, piastra di bloccaggio, coppiglia - Sono necessari 2 kit per auto.
Adatto a:
Porsche 911 08/1972-1989
Porsche 914 08/1971-02/1976
Diagramma rif. n. 13, 15, 16 e 17
Posizione e funzione di montaggio:
• Questo giunto sferico collega il braccio oscillante inferiore al fuso a snodo nella sospensione anteriore dell'auto.
• Consente un movimento e una rotazione controllati mentre la ruota attraversa dossi e durante la sterzata, mantenendo al contempo un allineamento stabile e preciso sotto carico.
Prodotto in Europa secondo le specifiche OE, questo kit ripristina una sterzata sicura e precisa collegando il braccio di controllo al fuso a snodo, consentendo un movimento controllato degli pneumatici. Con il tempo, i giunti sferici si usurano o si danneggiano, causando gioco dello sterzo, usura irregolare degli pneumatici o rumori di battito. La loro sostituzione con ricambi OE Match garantisce durata, affidabilità e prestazioni ottimali delle sospensioni.
Numeri di riferimento correlati
Numeri correlati, sostituiti, riferimenti incrociati o alternativi per il confronto.
91134104905
Il prodotto che stai visualizzando fa riferimento a questi numeri
Acquista in sicurezza
12 mesi di garanzia
Consegna in tutto il mondo
Aggiorna la tua sospensione Porsche con i giunti sferici delle sospensioni ad alte prestazioni: specifiche tecniche e vantaggi
Specifiche tecniche dei giunti sferici Performance Suspension:
- I giunti sferici delle sospensioni ad alte prestazioni sono componenti fondamentali nel sistema di sospensione di una Porsche.
- Si trovano nei punti di connessione tra i bracci di controllo e le articolazioni dello sterzo.
- I giunti sferici Performance sono progettati per migliorare le prestazioni delle sospensioni, la precisione dello sterzo e la maneggevolezza complessiva.
- Sono tipicamente realizzati con materiali di alta qualità come acciaio forgiato o alluminio, offrendo maggiore resistenza e durata.
- I giunti sferici delle sospensioni ad alte prestazioni sono disponibili come aggiornamenti aftermarket o sostituzioni standard per i modelli Porsche.
Vantaggi dell'aggiornamento o della sostituzione dei giunti sferici delle sospensioni Performance per la tua Porsche:
Maggiore reattività dello sterzo: i giunti sferici ad alte prestazioni riducono il gioco o l'allentamento del sistema di sterzo, fornendo una connessione più diretta e reattiva tra i bracci di controllo e le articolazioni dello sterzo.
Prestazioni delle sospensioni migliorate: l'aggiornamento ai giunti sferici ad alte prestazioni aiuta a mantenere il corretto allineamento e la geometria delle sospensioni, con conseguente miglioramento della maneggevolezza, stabilità in curva e qualità di guida complessiva.
Maggiore durata: i giunti sferici Performance sono costruiti per resistere a carichi più elevati e fornire una maggiore durata rispetto ai giunti sferici standard, garantendo prestazioni di lunga durata anche in condizioni di guida impegnative.
Potenziale per design regolabili: alcuni giunti sferici ad alte prestazioni offrono regolabilità, consentendo la messa a punto delle impostazioni delle sospensioni e l'ottimizzazione dell'allineamento per migliorare l'usura degli pneumatici e le caratteristiche di manovrabilità.
In Design911, siamo specializzati nella fornitura delle parti corrette e della consulenza professionale per la tua Porsche. Offriamo una vasta gamma di giunti sferici per sospensioni ad alte prestazioni appositamente progettati per i modelli Porsche, inclusi aggiornamenti aftermarket e sostituzioni OEM. Il nostro team di esperti può assisterti nella selezione dei giunti sferici appropriati in base al modello della tua Porsche, all'anno e ai requisiti specifici delle sospensioni. Comprendiamo l'importanza di ottenere prestazioni di sospensione e precisione di sterzata ottimali e possiamo guidarti nella scelta dei migliori giunti sferici adatti alle tue esigenze. Con la nostra esperienza e il nostro impegno per la soddisfazione del cliente, possiamo aiutarvi a migliorare le prestazioni delle sospensioni e dello sterzo della vostra Porsche. Contattateci oggi per beneficiare del nostro supporto completo e accedere a parti di alta qualità su misura per le vostre esigenze.