Voer hier uw btw-nummer in en klik op Verifiëren:
U hoeft het landcode-deel van uw btw-nummer niet in te voeren, omdat dit al is geselecteerd in uw factuuradres hierboven.
Uw gegevens zijn geverifieerd. Btw-nummer geregistreerd bij:
,
.
Uw bestelling wordt nu voor BTW-doeleinden op een nultarief gezet. Wij behouden ons het recht voor deze gegevens na uw bestelaanvraag te controleren en indien nodig opnieuw btw aan te rekenen.
Uw btw-gegevens werden niet herkend of waren ongeldig. Uw btw-nummer moet overeenkomen met het land van facturering zoals hierboven aangegeven. Dit wordt momenteel gespecificeerd als . U hoeft het landcode-deel van uw btw-nummer niet in te voeren, omdat dit al is geselecteerd in uw factuuradres hierboven.
De dienst voor het controleren van btw-nummers is momenteel offline. Geef uw btw-gegevens op in het veld opmerkingen of speciale instructies hieronder en wij passen een btw-korting toe na het plaatsen van uw bestelaanvraag.
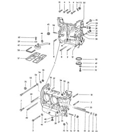
Carteronderdelen
- Porsche 911 1965-1968 2.0L / 912 SWB (F)
- Porsche 911 1968-1973 2.2L / 2.4L / 2.7L RS LWB (F)
- Porsche 911 1974-1977 2.7L / 1976-77 3.0 Carrera
- Porsche 911 1978-1983 3.0L / SC
- Porsche 911 1984-1986 3.2L
- Porsche 911 1987-1989 3.2L G50
- Porsche 911 1975-1977 3.0L Turbo (930)
- Porsche 911 1978-1989 3.3L Turbo (930)
- Porsche 964 (911) TURBO 3.3L 1991-93
- Porsche 964 (911) TURBO 3.6L 1991-93
- Porsche 914 (1970-1976)
Verpakking van 100 ringen

Past op:
Porsche 911 - 1965 tot 1989
Porsche 964 turbo - 1991 tot 1993
Porsche 914-6 - 1970 tot 1976
Wasmachine gebruikt op talloze locaties van
Nokkenasdeksels
Distributieketting afdekkingen
Gasklephuizen
Klik op 'Inzoomen' voor een diagram met grotere onderdelen.
Diagram ref nr. 28
Gerelateerde referentienummers
Gerelateerde, vervangen, kruisverwijzingen of alternatieve nummers ter vergelijking.
WASHERKIT01
Het product dat u bekijkt, verwijst naar deze nummers
Deze kit bestaat uit de volgende items:
- Porsche 911 1965-1968 2.0L / 912 SWB (F)
- Porsche 911 1968-1973 2.2L / 2.4L / 2.7L RS LWB (F)
- Porsche 911 1974-1977 2.7L / 1976-77 3.0 Carrera
- Porsche 911 1978-1983 3.0L / SC
- Porsche 911 1984-1986 3.2L
- Porsche 911 1987-1989 3.2L G50
- Porsche 911 1975-1977 3.0L Turbo (930)
- Porsche 911 1978-1989 3.3L Turbo (930)
- Porsche 964 (911) TURBO 3.3L 1991-93
- Porsche 964 (911) TURBO 3.6L 1991-93
- Porsche 914 (1970-1976)
Verpakking van 100 ringen

Past op:
Porsche 911 - 1965 tot 1989
Porsche 964 turbo - 1991 tot 1993
Porsche 914-6 - 1970 tot 1976
Wasmachine gebruikt op talloze locaties van
Nokkenasdeksels
Distributieketting afdekkingen
Gasklephuizen
Klik op 'Inzoomen' voor een diagram met grotere onderdelen.
Diagram ref nr. 28
Gerelateerde referentienummers
Gerelateerde, vervangen, kruisverwijzingen of alternatieve nummers ter vergelijking.
WASHERKIT02
Het product dat u bekijkt, verwijst naar deze nummers
Deze kit bestaat uit de volgende items:
- Porsche 911 1965-1968 2.0L / 912 SWB (F)
- Porsche 911 1968-1973 2.2L / 2.4L / 2.7L RS LWB (F)
- Porsche 911 1975-1977 3.0L Turbo (930)
- Porsche 356 1950-55
- Porsche 356A 1955-59
- Porsche 356B 1959-63
- Porsche 356C 1963-65
- Porsche 914 (1970-1976)

Past bij:
Porsche 914/6 (1970 - 1972)
Porsche 356 Pre A (1948 - 1955)
Porsche 356 A (1955 - 1959)
Porsche 356 B (1959 - 1963)
Porsche 356 C (1963 - 1965)
Porsche 911 (1965 - 1977)
Porsche 911 Turbo (1975 - 1977)
Klik op 'Inzoomen' voor een groot onderdelenschema.
Schema ref. nr. 28
Gerelateerde referentienummers
Gerelateerde, vervangen, kruisverwijzingen of alternatieve nummers ter vergelijking.
99907000403
Het product dat u bekijkt, verwijst naar deze nummers
- Porsche 914 (1970-1976)
Past op:
Porsche 914 - 1970 tot 1976
Afdekking voor temperatuursensor voor olie, M10x1mm
Diagram ref. nr. 49
Gerelateerde referentienummers
Gerelateerde, vervangen, kruisverwijzingen of alternatieve nummers ter vergelijking.
021101267
Het product dat u bekijkt, verwijst naar deze nummers
- Porsche 911 1965-1968 2.0L / 912 SWB (F)
- Porsche 911 1968-1973 2.2L / 2.4L / 2.7L RS LWB (F)
- Porsche 911 1974-1977 2.7L / 1976-77 3.0 Carrera
- Porsche 911 1978-1983 3.0L / SC
- Porsche 911 1984-1986 3.2L
- Porsche 911 1987-1989 3.2L G50
- Porsche 911 1975-1977 3.0L Turbo (930)
- Porsche 911 1978-1989 3.3L Turbo (930)
- Porsche 964 (911) C2 1989-93
- Porsche 964 (911) C4 1989-93
- Porsche 914 (1970-1976)
Carterschroefdop.
Past op:
Porsche 911 1965>>1973 Links & Rechts
Porsche 911 1974>>1989 Alleen links
Porsche 911 Turbo 1975>>1989 Alleen links
Porsche 964 Carrera 2 / 4 1989>>1994 Links & Rechts
Porsche 914 1970>>1976 Links & Rechts
Diagram Ref.nr. 54
Gerelateerde referentienummers
Gerelateerde, vervangen, kruisverwijzingen of alternatieve nummers ter vergelijking.
90110737502
Het product dat u bekijkt, verwijst naar deze nummers
- Porsche 911 1965-1968 2.0L / 912 SWB (F)
- Porsche 911 1968-1973 2.2L / 2.4L / 2.7L RS LWB (F)
- Porsche 911 1974-1977 2.7L / 1976-77 3.0 Carrera
- Porsche 911 1978-1983 3.0L / SC
- Porsche 911 1984-1986 3.2L
- Porsche 911 1987-1989 3.2L G50
- Porsche 911 1978-1989 3.3L Turbo (930)
- Porsche 964 (911) C2 1989-93
- Porsche 964 (911) C4 1989-93
- Porsche 964 (911) RS 3.6L 1991-93
- Porsche 964 (911) RS 3.8L 1991-93
- Porsche 964 (911) TURBO 3.3L 1991-93
- Porsche 964 (911) TURBO 3.6L 1991-93
- Porsche 993 (911) C2 1994-97
- Porsche 993 (911) C4 1994-97
- Porsche 993 (911) RS 1994-97
- Porsche 993 (911) C2S 1994-97
- Porsche 993 (911) C4S 1994-97
- Porsche 993 (911) TURBO 1994-96
- Porsche 993 (911) GT2 1994-97
- Porsche 993 (911) TURBO S 1994-97
- Porsche 996 TURBO 2000-05
- Porsche 996 GT3 MKI 1999-02
- Porsche 996 GT3 MKII 2003>>
- Porsche 996 GT3 RS 2003-04
- Porsche 997 MK1 TURBO 2007-09
- Porsche 997 MK1 GT3 2007-09
- Porsche 997 MKII GT3 2010-11
- Porsche 997 MKII Turbo 2010-13
- Porsche 914 (1970-1976)

Past bij:
Porsche 911 1965-77 SPM
Porsche 911 Carrera 3.2L 1984-89
Porsche 911 Turbo 1978-83
Porsche 914-6 1970-76 SPM
Porsche 964 1989-94
Porsche 993 1995-98
Porsche 996 Turbo/GT3
Porsche 997 Turbo / GT3 2007-13
Klik op 'Inzoomen' voor het grote onderdelenschema.
Schema ref nr. 3.
Gerelateerde referentienummers
Gerelateerde, vervangen, kruisverwijzingen of alternatieve nummers ter vergelijking.
90006009601
Het product dat u bekijkt, verwijst naar deze nummers
- Porsche 911 1965-1968 2.0L / 912 SWB (F)
- Porsche 911 1968-1973 2.2L / 2.4L / 2.7L RS LWB (F)
- Porsche 911 1974-1977 2.7L / 1976-77 3.0 Carrera
- Porsche 911 1978-1983 3.0L / SC
- Porsche 911 1984-1986 3.2L
- Porsche 911 1987-1989 3.2L G50
- Porsche 911 1975-1977 3.0L Turbo (930)
- Porsche 911 1978-1989 3.3L Turbo (930)
- Porsche 964 (911) C2 1989-93
- Porsche 964 (911) C4 1989-93
- Porsche 964 (911) RS 3.6L 1991-93
- Porsche 964 (911) RS 3.8L 1991-93
- Porsche 964 (911) TURBO 3.3L 1991-93
- Porsche 964 (911) TURBO 3.6L 1991-93
- Porsche 993 (911) C2 1994-97
- Porsche 993 (911) C4 1994-97
- Porsche 993 (911) RS 1994-97
- Porsche 993 (911) C2S 1994-97
- Porsche 993 (911) C4S 1994-97
- Porsche 993 (911) TURBO 1994-96
- Porsche 993 (911) GT2 1994-97
- Porsche 993 (911) TURBO S 1994-97
- Porsche 914 (1970-1976)

Past bij:
Porsche 911 1965-89
Porsche 964 1990-94
Porsche 993 1995-98
Porsche 914-6 1970-76
Klik op 'Inzoomen' voor het grote onderdelenschema.
Schema ref. nr. 7.
Gerelateerde referentienummers
Gerelateerde, vervangen, kruisverwijzingen of alternatieve nummers ter vergelijking.
99906205103
Het product dat u bekijkt, verwijst naar deze nummers
- Porsche 914 (1970-1976)

Past op:
Porsche 914 1970-76
Gerelateerde referentienummers
Gerelateerde, vervangen, kruisverwijzingen of alternatieve nummers ter vergelijking.
021115487
Het product dat u bekijkt, verwijst naar deze nummers
- Porsche 911 1965-1968 2.0L / 912 SWB (F)
- Porsche 911 1968-1973 2.2L / 2.4L / 2.7L RS LWB (F)
- Porsche 911 1974-1977 2.7L / 1976-77 3.0 Carrera
- Porsche 911 1978-1983 3.0L / SC
- Porsche 911 1984-1986 3.2L
- Porsche 911 1987-1989 3.2L G50
- Porsche 911 1975-1977 3.0L Turbo (930)
- Porsche 911 1978-1989 3.3L Turbo (930)
- Porsche 964 (911) C2 1989-93
- Porsche 964 (911) C4 1989-93
- Porsche 964 (911) RS 3.6L 1991-93
- Porsche 964 (911) RS 3.8L 1991-93
- Porsche 964 (911) TURBO 3.3L 1991-93
- Porsche 964 (911) TURBO 3.6L 1991-93
- Porsche 993 (911) C2 1994-97
- Porsche 993 (911) C4 1994-97
- Porsche 993 (911) RS 1994-97
- Porsche 993 (911) C2S 1994-97
- Porsche 993 (911) C4S 1994-97
- Porsche 993 (911) TURBO 1994-96
- Porsche 993 (911) GT2 1994-97
- Porsche 993 (911) TURBO S 1994-97
- Porsche 996 TURBO 2000-05
- Porsche 996 GT2 2001-05
- Porsche 996 GT3 MKI 1999-02
- Porsche 996 GT3 MKII 2003>>
- Porsche 997 MK1 TURBO 2007-09
- Porsche 997 MK1 GT3 2007-09
- Porsche 997 MK1 GT2 2007-09
- Porsche 914 (1970-1976)
Per stuk verkocht.

Past bij:
Porsche 911 1965-89
Porsche 964 1989-94
Porsche 993 1995-98
Porsche 996 Turbo 2001-05
Porsche 996 GT3 3.6L 1999-05
Porsche 997.1 Turbo 2007-09
Porsche 997 GT3 3.6L 2006-09
Porsche 914-6 1970-76
Klik op 'Inzoomen' voor een groot onderdelendiagram.
Diagramreferentienr. 4
Gerelateerde referentienummers
Gerelateerde, vervangen, kruisverwijzingen of alternatieve nummers ter vergelijking.
90006010601
Het product dat u bekijkt, verwijst naar deze nummers
- Porsche 911 1965-1968 2.0L / 912 SWB (F)
- Porsche 911 1968-1973 2.2L / 2.4L / 2.7L RS LWB (F)
- Porsche 911 1974-1977 2.7L / 1976-77 3.0 Carrera
- Porsche 911 1978-1983 3.0L / SC
- Porsche 911 1984-1986 3.2L
- Porsche 911 1987-1989 3.2L G50
- Porsche 911 1975-1977 3.0L Turbo (930)
- Porsche 911 1978-1989 3.3L Turbo (930)
- Porsche 964 (911) C2 1989-93
- Porsche 964 (911) C4 1989-93
- Porsche 964 (911) RS 3.6L 1991-93
- Porsche 964 (911) RS 3.8L 1991-93
- Porsche 964 (911) TURBO 3.3L 1991-93
- Porsche 964 (911) TURBO 3.6L 1991-93
- Porsche 993 (911) C2 1994-97
- Porsche 993 (911) C4 1994-97
- Porsche 993 (911) RS 1994-97
- Porsche 993 (911) C2S 1994-97
- Porsche 993 (911) C4S 1994-97
- Porsche 993 (911) TURBO 1994-96
- Porsche 993 (911) GT2 1994-97
- Porsche 993 (911) TURBO S 1994-97
- Porsche 996 TURBO 2000-05
- Porsche 996 GT2 2001-05
- Porsche 996 GT3 MKI 1999-02
- Porsche 996 GT3 MKII 2003>>
- Porsche 997 MK1 TURBO 2007-09
- Porsche 997 MK1 GT3 2007-09
- Porsche 997 MK1 GT2 2007-09
- Porsche 914 (1970-1976)
Per stuk verkocht.

Past bij:
Porsche 911 1965-89
Porsche 964 1989-94
Porsche 993 1995-98
Porsche 996 Turbo 2001-05
Porsche 996 GT3 3.6L 1999-05
Porsche 997.1 Turbo 2007-09
Porsche 997 GT3 3.6L 2006-09
Porsche 914-6 1970-76
Klik op 'Inzoomen' voor een groot onderdelenschema.
Schema ref. nr. 11
Gerelateerde referentienummers
Gerelateerde, vervangen, kruisverwijzingen of alternatieve nummers ter vergelijking.
90006010601
Het product dat u bekijkt, verwijst naar deze nummers
- Porsche 911 1965-1968 2.0L / 912 SWB (F)
- Porsche 911 1968-1973 2.2L / 2.4L / 2.7L RS LWB (F)
- Porsche 911 1974-1977 2.7L / 1976-77 3.0 Carrera
- Porsche 911 1978-1983 3.0L / SC
- Porsche 911 1984-1986 3.2L
- Porsche 911 1987-1989 3.2L G50
- Porsche 911 1975-1977 3.0L Turbo (930)
- Porsche 911 1978-1989 3.3L Turbo (930)
- Porsche 964 (911) C2 1989-93
- Porsche 964 (911) C4 1989-93
- Porsche 964 (911) RS 3.6L 1991-93
- Porsche 964 (911) RS 3.8L 1991-93
- Porsche 964 (911) TURBO 3.3L 1991-93
- Porsche 964 (911) TURBO 3.6L 1991-93
- Porsche 993 (911) C2 1994-97
- Porsche 993 (911) C4 1994-97
- Porsche 993 (911) RS 1994-97
- Porsche 993 (911) C2S 1994-97
- Porsche 993 (911) C4S 1994-97
- Porsche 993 (911) TURBO 1994-96
- Porsche 993 (911) GT2 1994-97
- Porsche 993 (911) TURBO S 1994-97
- Porsche 996 TURBO 2000-05
- Porsche 996 GT2 2001-05
- Porsche 996 GT3 MKI 1999-02
- Porsche 996 GT3 MKII 2003>>
- Porsche 997 MK1 TURBO 2007-09
- Porsche 997 MK1 GT3 2007-09
- Porsche 997 MK1 GT2 2007-09
- Porsche 914 (1970-1976)
Per stuk verkocht.

Past bij:
Porsche 911 1965-89
Porsche 964 1989-94
Porsche 993 1995-98
Porsche 996 Turbo 2001-05
Porsche 996 GT3 3.6L 1999-05
Porsche 997.1 Turbo 2007-09
Porsche 997 GT3 3.6L 2006-09
Porsche 914-6 1970-76
Klik op 'Inzoomen' voor een groot onderdelenschema.
Schema ref. nr. 11
Gerelateerde referentienummers
Gerelateerde, vervangen, kruisverwijzingen of alternatieve nummers ter vergelijking.
90006010201
Het product dat u bekijkt, verwijst naar deze nummers
- Porsche 914 (1970-1976)

Past bij:
Porsche 914-4
Porsche 912E
Klik op 'Inzoomen' voor een groot onderdelenschema.
Schema ref nr. 10
Gerelateerde referentienummers
Gerelateerde, vervangen, kruisverwijzingen of alternatieve nummers ter vergelijking.
021115175
Het product dat u bekijkt, verwijst naar deze nummers
- Porsche 914 (1970-1976)

Past op:
Porsche 914-4
Porsche 912E
Klik op 'Inzoomen' voor een diagram met grotere onderdelen.
Diagram ref nr. 10
Gerelateerde referentienummers
Gerelateerde, vervangen, kruisverwijzingen of alternatieve nummers ter vergelijking.
021115175
Het product dat u bekijkt, verwijst naar deze nummers
- Porsche 911 1965-1968 2.0L / 912 SWB (F)
- Porsche 911 1968-1973 2.2L / 2.4L / 2.7L RS LWB (F)
- Porsche 911 1974-1977 2.7L / 1976-77 3.0 Carrera
- Porsche 911 1978-1983 3.0L / SC
- Porsche 911 1984-1986 3.2L
- Porsche 911 1987-1989 3.2L G50
- Porsche 911 1975-1977 3.0L Turbo (930)
- Porsche 911 1978-1989 3.3L Turbo (930)
- Porsche 914 (1970-1976)

Past op:
Porsche 911 1965-89
Gerelateerde referentienummers
Gerelateerde, vervangen, kruisverwijzingen of alternatieve nummers ter vergelijking.
90012301130
Het product dat u bekijkt, verwijst naar deze nummers
- Porsche 911 1965-1968 2.0L / 912 SWB (F)
- Porsche 911 1968-1973 2.2L / 2.4L / 2.7L RS LWB (F)
- Porsche 911 1974-1977 2.7L / 1976-77 3.0 Carrera
- Porsche 911 1978-1983 3.0L / SC
- Porsche 911 1975-1977 3.0L Turbo (930)
- Porsche 914 (1970-1976)

Past bij:
Porsche 911 1969-83
Porsche 914 1970-76
Klik op 'Inzoomen' voor een groot onderdelenschema.
Schema ref. nr. 36
Gerelateerde referentienummers
Gerelateerde, vervangen, kruisverwijzingen of alternatieve nummers ter vergelijking.
93010190200
Het product dat u bekijkt, verwijst naar deze nummers
- Porsche 911 1965-1968 2.0L / 912 SWB (F)
- Porsche 911 1968-1973 2.2L / 2.4L / 2.7L RS LWB (F)
- Porsche 911 1974-1977 2.7L / 1976-77 3.0 Carrera
- Porsche 911 1978-1983 3.0L / SC
- Porsche 911 1975-1977 3.0L Turbo (930)
- Porsche 914 (1970-1976)

Past bij:
Porsche 911 1969-83
Porsche 914 1970-76
Klik op 'Inzoomen' voor een groot onderdelenschema.
Schema ref. nr. 36
Gerelateerde referentienummers
Gerelateerde, vervangen, kruisverwijzingen of alternatieve nummers ter vergelijking.
93010190200
Het product dat u bekijkt, verwijst naar deze nummers
-
Gereedschapskrik 914 1970-76 001-000
-
Carter - LINKS - 914-6 1970-76 101-005
-
Carter - RECHTS - 914-6 1970-76 101-010
-
Kettingkast / Nokkenasbehuizing 914-6 1970-76 103-005
-
Carburateur 914-6 1970-76 107-000
-
Carter 914 1970-76 111-005
-
Motorsmering / Oliepomp / Oliefilter / Oliezeef 914 1970-76 114-000
-
Motorsmering / Vulhals / Ontluchten 914 1970-76 114-005
-
Pakkingset / Reparatiesets 914 1970-76 198-000
-
Vervangende transmissie / Transmissiebehuizing 914 1970-76 302-000
-
Converter / Converterbehuizing 914-6:SPM 1970-76 307-005
-
Transmissiekast 914-6:SPM 1970-76 308-000
Precisiecarteronderdelen – Sterkte, balans en betrouwbaarheid voor Porsche-motoren
Het carter vormt de kern van elke Porsche-motor en huisvest belangrijke roterende componenten zoals de krukas, lagers en drijfstangen. Het zorgt voor structurele stijfheid, olieopvang en nauwkeurige uitlijning van de bewegende onderdelen van de motor – cruciaal voor zowel de prestaties als de levensduur.
Bij Design911 bieden we een breed scala aan nauwkeurig ontworpen cartercomponenten, waaronder lagerschalen, afdichtingen, ontluchtingsventielen, deuvels, pluggen en bevestigingsmiddelen, allemaal vervaardigd volgens strikte toleranties. Elk onderdeel is vervaardigd van zeer sterke, hittebestendige materialen om duurzaamheid en prestaties onder de meest veeleisende rijomstandigheden te garanderen.
Of u nu een luchtgekoelde 911 restaureert of een moderne 992 onderhoudt, onze hoogwaardige carteronderdelen garanderen een perfecte pasvorm, oliedichte afdichting en betrouwbare prestaties voor de komende jaren.
Wat doen carteronderdelen?
Carteronderdelen vervullen een belangrijke structurele en smerende rol in de motor. Ze beschermen interne onderdelen en zorgen voor een evenwichtige druk.
Kernfuncties:
- Vormen de behuizing en ondersteunen de krukas, drijfstangen en lagers.
- Vangt olie op en verdeelt deze om bewegende onderdelen te smeren.
- Zorg voor structurele stijfheid om trillingen en verkeerde uitlijning te voorkomen.
- Controleer de carterventilatie om olieverontreiniging en druk opbouw te verminderen.
Zowel bij prestatiegerichte als bij klassieke Porsche-motoren zorgt het carter voor stabiliteit, soepele rotatie en betrouwbaar oliebeheer: essentieel voor consistent vermogen en minder slijtage.
Waarom gaan carteronderdelen kapot?
Na verloop van tijd kunnen cartercomponenten verslechteren door hittecycli, trillingen, olievervuiling en mechanische vermoeidheid. Wanneer deze defecten niet worden verholpen, kunnen ze leiden tot olielekkage, drukverschillen en zelfs catastrofale motorschade.
Veelvoorkomende oorzaken van storingen zijn onder meer:
- Slijtage van de oliekeerring veroorzaakt lekkages en drukverlies.
- Lagervermoeidheid door langdurige hoge belasting of lage oliedruk.
- Vervormde oppervlakken door oververhitting of corrosie.
- Verstopte ontluchtingsventielen zorgen voor drukverhoging en olielekkage.
- Vermoeidheid van de bevestigingsmiddelen die leidt tot losraken van de constructie of trillingen.
Het vervangen van versleten carteronderdelen tijdens een motorrevisie of onderhoudsbeurt is essentieel om de olieregeling, uitlijning en integriteit van de krukas te behouden.
Waarom vervangen door nauwkeurig ontworpen carteronderdelen?
Cartercomponenten van hoge kwaliteit zorgen ervoor dat uw Porsche-motor zijn sterkte, afdichtingsvermogen en nauwkeurige uitlijning behoudt. Dit is essentieel voor prestaties, betrouwbaarheid en levensduur.
Belangrijkste voordelen:
- Herstelt de interne uitlijning voor een soepele krukasrotatie.
- Voorkomt olielekken en drukverlies , waardoor de motorprestaties behouden blijven.
- Verbetert de smeerregeling en de levensduur van het lager.
- Vermindert trillingen en lawaai veroorzaakt door versleten of losse onderdelen.
- Gemaakt van corrosie- en hittebestendige materialen voor duurzame sterkte.
- Perfecte pasvorm en tolerantie voor luchtgekoelde en watergekoelde Porsche-motoren .
Ingenieurs en restaurateurs vertrouwen op nauwkeurige carteronderdelen om de legendarische betrouwbaarheid en mechanische balans van Porsche te behouden, zowel op de weg als op het circuit.
Hoogtepunten:
- Uitgebreid assortiment carterafdichtingen, lagers, bouten en ontluchtingscomponenten.
- Precisiegefreesde onderdelen die ontworpen zijn voor hoge belasting en hoge temperaturen.
- Materialen en toleranties van fabriekskwaliteit.
- Ideaal voor klassieke motorrestauraties en hoogwaardige revisies.
- Verbetert het oliebeheer, de structurele stijfheid en de betrouwbaarheid.
- Compatibel met luchtgekoelde en moderne Porsche-motorarchitecturen.