Enter your VAT number here and click Verify:
Your details have been verified. VAT number registered to:
,
.
Your order will now be zero rated for VAT purposes. We reserve the right to verify these details after your order request has been made and reinstate VAT if required.
Your VAT details were not recognised or were invalid. Your VAT number must be matched to your Billing Country as specified above. This is currently specified as . You do not need to enter the country code part of your VAT number as this has already been selected in your billing address details above.
The VAT number checking service is currently offline. Please supply your VAT details within the comments or special instructions field below and we will apply a VAT discount after placing your order request.
Spring plates
- Porsche 911 1965-1968 2.0L / 912 SWB (F)
- Porsche 911 1968-1973 2.2L / 2.4L / 2.7L RS LWB (F)
- Porsche 911 1974-1977 2.7L / 1976-77 3.0 Carrera
- Porsche 911 1978-1983 3.0L / SC
- Porsche 911 1984-1986 3.2L
- Porsche 911 1987-1989 3.2L G50
- Porsche 911 1975-1977 3.0L Turbo (930)
- Porsche 911 1978-1989 3.3L Turbo (930)
Replacement for Porsche parts No. 91133300900
SET OF 4

Fits:
Porsche 911 1974-89
Replacing your car rubber suspension bushes with Polyurethane Suspension Bushes will give you:
- Better road holding
- Constant steering geometry
- Increased tyre life
- More responsive steering
- Longer service life of suspension components.
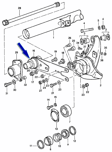
Click 'Zoom in' for large parts diagram.
Fits to No. 16 on the diagram.
Related reference numbers
Related, superseded, cross reference or alternative numbers for comparison.
SPF0242K
The product you are viewing cross references to these numbers
- Porsche 911 1965-1968 2.0L / 912 SWB (F)
SET OF 4

Fits:
Porsche 911 1965-67
Fits to No. 16 on the diagram.
Powerflex. Replacing your car rubber suspension bushes with Polyurethane Suspension Bushes will give you:
- Better road holding
- Constant steering geometry
- Increased tyre life
- More responsive steering
- Longer service life of suspension components.
Related reference numbers
Related, superseded, cross reference or alternative numbers for comparison.
PFR57-411
The product you are viewing cross references to these numbers
- Porsche 911 1965-1968 2.0L / 912 SWB (F)
SET OF 4

Fits:
Porsche 911 1965-67
Fits to No. 16 on the diagram.
Powerflex Black Series - Designed for the Track - Ready to Race - Engineered to be the best.
Powerflex Black Series bushes are manufactured using a 95 Shore A compound to provide maximum control of chassis geometry. This compound can be up to 80% more resistant to load than standard rubber and 25% stiffer than our purple performance material.
If your requirements are purely for the ultimate in handling and chassis performance then Powerflex Black Series are unique, offering the most precise and accurate alignment for your chassis.
Replacing your car rubber suspension bushes with Polyurethane Suspension Bushes will give you:
- Better road holding
- Constant steering geometry
- Increased tyre life
- More responsitive steering
- Longer service life of suspension components.
Related reference numbers
Related, superseded, cross reference or alternative numbers for comparison.
PFR57-411BLK
The product you are viewing cross references to these numbers
- Porsche 911 1965-1968 2.0L / 912 SWB (F)
SET OF 4

Fits:
Porsche 911 1965-67
Fits to No. 16 on the diagram.
Powerflex Heritage Collection. For Modern Day Classics.
A range of bushes engineered for the road to compliment your classic car.
POWERFLEX Heritage Collection bushes are manufactured using modern day materials with properties biased for the road. These dark grey coloured bushes will improve any collector's car, whilst retaining the same standard appearance of a rubber bush.
Related reference numbers
Related, superseded, cross reference or alternative numbers for comparison.
PFR57-411H
The product you are viewing cross references to these numbers
- Porsche 911 1965-1968 2.0L / 912 SWB (F)
- Porsche 911 1968-1973 2.2L / 2.4L / 2.7L RS LWB (F)
- Porsche 911 1974-1977 2.7L / 1976-77 3.0 Carrera
- Porsche 911 1978-1983 3.0L / SC
- Porsche 911 1984-1986 3.2L
- Porsche 911 1987-1989 3.2L G50
- Porsche 911 1975-1977 3.0L Turbo (930)
- Porsche 911 1978-1989 3.3L Turbo (930)
Fits to spring plate OEM part number 90133300309
/ 90133300301.
SET OF 4

Fits:
Porsche 911 Classic (1968 - 1969)
Porsche 911 Classic (1969 - 1973)
Porsche 911 Classic (1974-1977)
Porsche 911 Classic (1974-1977) Turbo
Porsche 911 Classic (1977 - 1986)
Porsche 911 Classic (1978 - 1989) Turbo
Porsche 911 Classic (1987 - 1989)
Fits to No. 16 on the diagram.
Powerflex. Replacing your car rubber suspension bushes with Polyurethane Suspension Bushes will give you:
- Better road holding
- Constant steering geometry
- Increased tyre life
- More responsive steering
- Longer service life of suspension components.
Related reference numbers
Related, superseded, cross reference or alternative numbers for comparison.
PFR57-409
The product you are viewing cross references to these numbers
- Porsche 911 1965-1968 2.0L / 912 SWB (F)
- Porsche 911 1968-1973 2.2L / 2.4L / 2.7L RS LWB (F)
- Porsche 911 1974-1977 2.7L / 1976-77 3.0 Carrera
- Porsche 911 1978-1983 3.0L / SC
- Porsche 911 1984-1986 3.2L
- Porsche 911 1987-1989 3.2L G50
- Porsche 911 1975-1977 3.0L Turbo (930)
- Porsche 911 1978-1989 3.3L Turbo (930)
Fits to spring plate OEM part number 90133300309
/ 90133300301.
SET OF 4

Fits:
Porsche 911 Classic (1968 - 1969)
Porsche 911 Classic (1969 - 1973)
Porsche 911 Classic (1974-1977)
Porsche 911 Classic (1974-1977) Turbo
Porsche 911 Classic (1977 - 1986)
Porsche 911 Classic (1978 - 1989) Turbo
Porsche 911 Classic (1987 - 1989)
Fits to No. 16 on the diagram.
Powerflex Black Series - Designed for the Track - Ready to Race - Engineered to be the best.
Powerflex Black Series bushes are manufactured using a 95 Shore A compound to provide maximum control of chassis geometry. This compound can be up to 80% more resistant to load than standard rubber and 25% stiffer than our purple performance material.
If your requirements are purely for the ultimate in handling and chassis performance then Powerflex Black Series are unique, offering the most precise and accurate alignment for your chassis.
Replacing your car rubber suspension bushes with Polyurethane Suspension Bushes will give you:
- Better road holding
- Constant steering geometry
- Increased tyre life
- More responsitive steering
- Longer service life of suspension components.
Related reference numbers
Related, superseded, cross reference or alternative numbers for comparison.
PFR57-409BLK
The product you are viewing cross references to these numbers
- Porsche 911 1965-1968 2.0L / 912 SWB (F)
- Porsche 911 1968-1973 2.2L / 2.4L / 2.7L RS LWB (F)
- Porsche 911 1974-1977 2.7L / 1976-77 3.0 Carrera
- Porsche 911 1978-1983 3.0L / SC
- Porsche 911 1984-1986 3.2L
- Porsche 911 1987-1989 3.2L G50
- Porsche 911 1975-1977 3.0L Turbo (930)
- Porsche 911 1978-1989 3.3L Turbo (930)
Fits to spring plate OEM part number 90133300309
/ 90133300301.
SET OF 4

Fits:
Porsche 911 Classic (1968 - 1969)
Porsche 911 Classic (1969 - 1973)
Porsche 911 Classic (1974-1977)
Porsche 911 Classic (1974-1977) Turbo
Porsche 911 Classic (1977 - 1986)
Porsche 911 Classic (1978 - 1989) Turbo
Porsche 911 Classic (1987 - 1989)
Fits to No. 16 on the diagram.
Powerflex Heritage Collection. For Modern Day Classics.
A range of bushes engineered for the road to compliment your classic car.
POWERFLEX Heritage Collection bushes are manufactured using modern day materials with properties biased for the road. These dark grey coloured bushes will improve any collector's car, whilst retaining the same standard appearance of a rubber bush.
Related reference numbers
Related, superseded, cross reference or alternative numbers for comparison.
PFR57-409H
The product you are viewing cross references to these numbers
- Porsche 911 1965-1968 2.0L / 912 SWB (F)
- Porsche 911 1968-1973 2.2L / 2.4L / 2.7L RS LWB (F)
- Porsche 911 1974-1977 2.7L / 1976-77 3.0 Carrera
- Porsche 911 1978-1983 3.0L / SC
- Porsche 911 1984-1986 3.2L
- Porsche 911 1987-1989 3.2L G50
- Porsche 911 1975-1977 3.0L Turbo (930)
- Porsche 911 1978-1989 3.3L Turbo (930)
Replacement for Porsche parts No. 91133300900
SET OF 4

Fits:
Porsche 911 1965-89
Replacing your car rubber suspension bushes with Polyurethane Suspension Bushes will give you:
- Better road holding
- Constant steering geometry
- Increased tyre life
- More responsive steering
- Longer service life of suspension components.
Click 'Zoom in' for large parts diagram.
Fits to No. 16 on the diagram.
Related reference numbers
Related, superseded, cross reference or alternative numbers for comparison.
SPF0236K
The product you are viewing cross references to these numbers
- Porsche 911 1965-1968 2.0L / 912 SWB (F)
- Porsche 911 1968-1973 2.2L / 2.4L / 2.7L RS LWB (F)
- Porsche 911 1974-1977 2.7L / 1976-77 3.0 Carrera
- Porsche 911 1978-1983 3.0L / SC
- Porsche 911 1984-1986 3.2L
- Porsche 911 1987-1989 3.2L G50
- Porsche 911 1975-1977 3.0L Turbo (930)
- Porsche 911 1978-1989 3.3L Turbo (930)
- Porsche 914 (1970-1976)

Fits:
Porsche 911 / 930 / 912 / 914 1965-89
Give those rear spring plates a much needed refresh and upgrade with our new bushing kit. Complete with machined billed aluminium housings and designed to reduce drag, improve handling of your street or track driven 911, and built with longevity and durability in mind. Replacing the rubber bushings with Delrin will retain optimal suspension geometry throughout the full range of motion while reducing compliance for a more direct feel.
Bushing housings CNC machined from 6061-T6 Aluminium
Close tolerance design for added rigidity
Durable anodized finish resists corrosion
Low friction Delrin bushing inserts
Stainless steel bushing race & hardware
Bushing race installation tool included
Direct replacement of the OEM bushings & housings
Outlasts factory components
Engraved Rennline logo
- Porsche 911 1965-1968 2.0L / 912 SWB (F)
- Porsche 911 1968-1973 2.2L / 2.4L / 2.7L RS LWB (F)
- Porsche 911 1974-1977 2.7L / 1976-77 3.0 Carrera
- Porsche 911 1978-1983 3.0L / SC
- Porsche 911 1984-1986 3.2L
- Porsche 911 1987-1989 3.2L G50
- Porsche 911 1975-1977 3.0L Turbo (930)
- Porsche 911 1978-1989 3.3L Turbo (930)
- Porsche 944 2.5L 8V 1982-87
- Porsche 944 2.7L 8V 1988-89
- Porsche 944S 2.5L 16V 1987-88
- Porsche 944S2 3.0L 16V 1989-91
- Porsche 944 Turbo 2.5L 8V 1985-88
- Porsche 944 Turbo 2.5L 8V 1989-91
- Porsche 944 Turbo S 2.5L 8V 1988
- Porsche 968 3.0L 1992-94
- Porsche 968 Sport 3.0L 1994-95
- Porsche 968 CS 3.0L 1993-95
- Porsche 968 Turbo S 3.0L 1993-94
1 required per lifetime.

Fits:
Porsche 911 - 1965 to 1989
Porsche 930 turbo - 1975 to 1989
Porsche 912 - 1966 to 1976
Porsche 944 - 1982 to 1991
Porsche 968 - 1995 to 1995
We've developed this tool to simplify removal of spring plate bushings. The bushings are bonded to the spring plate, and removal is not easy.
This convenient cutting tool shaves the bushings off, removing nearly all the rubber thereby greatly simplifying the bushing removal process.
Related reference numbers
Related, superseded, cross reference or alternative numbers for comparison.
2061002
The product you are viewing cross references to these numbers
- Porsche 911 1965-1968 2.0L / 912 SWB (F)
- Porsche 911 1968-1973 2.2L / 2.4L / 2.7L RS LWB (F)
- Porsche 911 1974-1977 2.7L / 1976-77 3.0 Carrera
- Porsche 911 1978-1983 3.0L / SC
- Porsche 911 1984-1986 3.2L
- Porsche 911 1987-1989 3.2L G50
- Porsche 911 1975-1977 3.0L Turbo (930)
Enhance your Porsche’s handling and ride precision with this Heavy-Duty Spring Plate Bushing Set.
Designed for rear torsion bar suspension systems on air-cooled Porsche 911 and 912 models, these upgraded bushings replace the factory rubber mounts that support the spring plate.
Sold As A Set Of 4.
Fits:
- Porsche 911 1965-1969 2.0L / 912 SWB (F)
- Porsche 911 1970-1973 2.2L / 2.4L / 2.7L RS LWB (F)
- Porsche 911 1974-1977 2.7L / 1976-77 3.0 Carrera
- Porsche 911 1978-1983 3.0L / SC
- Porsche 911 1984-1986 3.2L
- Porsche 911 1987-1989 3.2L G50
- Porsche 911 1975-1977 3.0L Turbo (930)
Fits On To Diagram Ref No 25
What This Product Does:
- The spring plate is part of the torsion bar suspension system: as the rear suspension moves, the torsion bar twists, and the spring plate (with its bushings) transmits those torsional loads to the chassis.
- The bushings isolate vibration and reduce noise, and they allow some controlled movement, while preventing excessive play.
- A correctly functioning spring plate + bushing assembly helps maintain rear ride height, alignment consistency, and smooth articulation of the rear suspension under dynamic load.
- Clunking / knocking noise at the rear when driving over bumps or under load.
- Sagging or uneven ride height at the rear (one side lower)
- Excessive rear vibration or harshness under acceleration or load
- Contact / rubbing noise — the worn bushings may allow the spring plate to contact its cover or adjacent metal surfaces.
- Degraded handling / instability in the rear under cornering
- Loss of the “tight” feel in the rear suspension; more play in the rear suspension response
Why Replacement Matters:
- Restores Rear End Stability & Ride Quality: The upgraded, stiffer bushings reduce unwanted movement and maintain better control under load.
- Preserves Correct Geometry & Height: Keeps torsion bar and spring plate alignment tight, preventing sag or misalignment over time.
- Reduces Noise & Harshness: Eliminates metal-to-metal contact and vibration that results from deteriorated rubber.
- Better Durability: Heavy-duty rubber compound resists deformation, aging, heat, and oil.
- Protects Other Components: Reduces stress on torsion bars, suspension arms, and adjoining parts that might be damaged by excessive play.
- Essential for Restoration / Rebuilds: When rebuilding rear suspension or restoring a classic 911, these bushings are part of a full refresh to return the car to factory (or better) behavior.
Related reference numbers
Related, superseded, cross reference or alternative numbers for comparison.
90133300309
The product you are viewing cross references to these numbers
- Porsche 911 1965-1968 2.0L / 912 SWB (F)
- Porsche 911 1968-1973 2.2L / 2.4L / 2.7L RS LWB (F)
- Porsche 911 1974-1977 2.7L / 1976-77 3.0 Carrera
- Porsche 911 1978-1983 3.0L / SC
- Porsche 911 1984-1986 3.2L
- Porsche 911 1987-1989 3.2L G50
- Porsche 911 1975-1977 3.0L Turbo (930)
- Porsche 911 1978-1989 3.3L Turbo (930)
Sold in sets of (4), enough for both sides of one car.

Fits:
Porsche 911/912/930 ALL 1965-89
Gain back ride quality and rear end stability with High Density Rear Spring Plate Bushings for your 911. Under prolonged use, especially when driven hard, the OEM bushings can break down allowing more slop in the rear suspension. If neglected long enough or driven under heavy load enough, these bushings will eventually deform allowing the spring plate to contact the cover plate. Replacing your factory bushings with our 25% stiffer units will allow full and smooth articulation of the spring plate, thus improving the ride quality and performance of the legendary rear end in your classic 911. Featuring a higher, "sport" durometer these rubber mounts are a great compromise between soft factory mounts and solid/spherical bearings often used to replace them.
Related reference numbers
Related, superseded, cross reference or alternative numbers for comparison.
90133300309
The product you are viewing cross references to these numbers
- Porsche 911 1965-1968 2.0L / 912 SWB (F)
- Porsche 911 1968-1973 2.2L / 2.4L / 2.7L RS LWB (F)
- Porsche 911 1974-1977 2.7L / 1976-77 3.0 Carrera
- Porsche 911 1978-1983 3.0L / SC
- Porsche 911 1984-1986 3.2L
- Porsche 911 1987-1989 3.2L G50
- Porsche 911 1975-1977 3.0L Turbo (930)
- Porsche 911 1978-1989 3.3L Turbo (930)
Sold per kit, 1 kit req'd per car.

Fits:
Porsche 911/912/930 1965-89
AL trailing arms only
Rear CamberMax kit simplifies 911 rear camber adjustment, making it easy to achieve aggressive negative camber settings of 3+ degrees. Instead of using the troublesome factory eccentric bolt, Rear CamberMax allows adjustment with a simple and precise screw.
Unlike the stock eccentric adjuster, Rear CamberMax allows adjustment with vehicle weight resting on the tires making it easy to read a camber gauge while turning the adjuster.
By making equal adjuster turns on both driver and passenger sides, quick changes can be made trackside even if a camber gauge is not available – try that with the factory eccentric adjuster!
Note – Fits factory spring plates and AL trailing arms only. Does not fit Sway-a-way plates or steel trailing arms.
Related reference numbers
Related, superseded, cross reference or alternative numbers for comparison.
2130900
The product you are viewing cross references to these numbers
- Porsche 911 1965-1968 2.0L / 912 SWB (F)
- Porsche 911 1968-1973 2.2L / 2.4L / 2.7L RS LWB (F)
- Porsche 911 1974-1977 2.7L / 1976-77 3.0 Carrera
- Porsche 911 1978-1983 3.0L / SC
- Porsche 911 1984-1986 3.2L
- Porsche 911 1987-1989 3.2L G50
- Porsche 911 1975-1977 3.0L Turbo (930)
- Porsche 911 1978-1989 3.3L Turbo (930)

Fits:
Porsche 911 / 912 / 930 1969-89
with Aluminium trailing arms
Complete your Spring Plate Installation
While replacing spring plates, you'll often find that the hardware is worn and ready for replacement. We've assembled this kit as per factory specifications so you don't have to hunt and source the parts yourself.
Related reference numbers
Related, superseded, cross reference or alternative numbers for comparison.
2200000
The product you are viewing cross references to these numbers
- Porsche 911 1965-1968 2.0L / 912 SWB (F)
- Porsche 911 1968-1973 2.2L / 2.4L / 2.7L RS LWB (F)
- Porsche 911 1974-1977 2.7L / 1976-77 3.0 Carrera
- Porsche 911 1978-1983 3.0L / SC
- Porsche 911 1984-1986 3.2L
- Porsche 911 1987-1989 3.2L G50
- Porsche 911 1975-1977 3.0L Turbo (930)
- Porsche 911 1978-1989 3.3L Turbo (930)

Fits:
Porsche 911 / 912 / 930 1969-89
with Steel trailing arms
Complete your Spring Plate Installation
While replacing spring plates, you'll often find that the hardware is worn and ready for replacement. We've assembled this kit as per factory specifications so you don't have to hunt and source the parts yourself.
Related reference numbers
Related, superseded, cross reference or alternative numbers for comparison.
2200001
The product you are viewing cross references to these numbers
- Porsche 911 1965-1968 2.0L / 912 SWB (F)
- Porsche 911 1968-1973 2.2L / 2.4L / 2.7L RS LWB (F)
- Porsche 911 1974-1977 2.7L / 1976-77 3.0 Carrera
- Porsche 911 1978-1983 3.0L / SC
- Porsche 911 1984-1986 3.2L
- Porsche 911 1987-1989 3.2L G50
- Porsche 911 1975-1977 3.0L Turbo (930)
- Porsche 911 1978-1989 3.3L Turbo (930)
Sold per kit, 1 kit req'd per car.
Fits:
Porsche 911/912/930 1965-89
Repair or prevent spring plate mounts from cracking.
Repair or prevent spring plate mounts from cracking
Spring Plate Mount Reinforcement Panels will help prevent or repair the common problem of cracked spring plate cover mounts resulting from worn, deformed, or stuck bushings in the cover.
Elephant Racing Rear Spring Plate Mount Reinforcement Panels are precision laser-cut and formed panels from 18 gauge steel. These panels distribute the torsion bar and spring plate loads into the torsion tube housing and multi-layer sheet metal just beyond the original mounting boss locations.
Excess heat during the welding process will tend to distort the sheet metal moving the mounting studs out of alignment. The included Mounting Stud Alignment Panel will help maintain their original spacing allowing for much easier reassembly.
At this time, you may also be interested in replacing your bushings or upgrade to Elephant Racing's PolyBronze spring plate bushings.
Please note: Welding is required to install properly
Related reference numbers
Related, superseded, cross reference or alternative numbers for comparison.
2061003
The product you are viewing cross references to these numbers
-
engine suspension rear 911 1965-69 109-00
-
engine suspension rear not for (S) + (D) F >> 074 6699, for (S) + (D) F >> 083 2813. For 912 UPTO 1961 109-05
-
engine suspension rear not for (S) + (D) F 074 6700 >>, for (S) + (D) F 083 2814 >>. FOR 912 1966 onwards 109-10
-
rear axle 911 UPTO 1968 501-00
-
rear axle 911 1969 501-05
Porsche Spring plates
At Design911, we supply a wide range of spring plates for Porsche models, from OE-type replacements to performance-adjustable setups for classic and later cars.
Our product range includes
Why do Porsche Spring plates matter?
Spring plates sit between the torsion bars or springs and the rear suspension on many Porsche models, and play a key role in how the rear of the car moves, feels and can be adjusted. Over time the plates and especially their bushes can wear or corrode, which affects how smoothly the suspension articulates and how accurately ride height and geometry can be set. Renewing tired components helps the rear suspension work freely again and supports precise setup for road or track use.
- Keep the rear of your Porsche feeling consistent and controlled
- Support accurate ride height and geometry adjustment during setup
- Reduce unwanted noises from worn bushes and sticking movement
- Help maintain long-term enjoyment and potential resale appeal of classic Porsche models
Common options & kits
Individual replacement parts Specific items to address a particular area or issue without changing everything at once.
- Ideal for targeted repairs
- Lets you replace only what is needed
- Helps keep initial costs under control
Matched sets or pairs Components supplied together so both sides or related items are renewed at the same time.
- Consistent feel and behaviour from left to right
- Helps avoid uneven wear or response
- A sensible choice for routine suspension refurbishment
Complete kits Grouped parts designed to refresh a whole area of the suspension in one go, useful for upgrades and restorations.
- Everything specified in a single package
- Saves time compared with sourcing parts individually
- Ideal when upgrading or restoring your Porsche
Brands available in this category
For this category we stock a wide choice of trusted brands for Porsche models. You can also browse and filter by brand on this page to focus on your preferred manufacturers.
When should you review or replace your Porsche spring plates?
Checking spring plates and their bushes during suspension work helps you spot wear, damage or age-related deterioration before it affects comfort, refinement or leads to more expensive repairs later on.
- Existing parts are worn, cracked, noisy, corroded or seized
- You notice knocking, squeaking, binding, inconsistent ride height or harshness over bumps
- Rear alignment or ride-height adjustment has become difficult or unstable
- You are carrying out a wider suspension refresh, geometry setup or restoration
If any of these apply, it is a good time to review your spring plates and replace anything that is past its best so your Porsche stays dependable and enjoyable to drive.
Explore Porsche spring plates with Design911
Browse spring plates for Porsche at Design911 — from individual components to complete kits — and find options to suit everyday maintenance, performance upgrades and full classic restorations.