Enter your VAT number here and click Verify:
Your details have been verified. VAT number registered to:
,
.
Your order will now be zero rated for VAT purposes. We reserve the right to verify these details after your order request has been made and reinstate VAT if required.
Your VAT details were not recognised or were invalid. Your VAT number must be matched to your Billing Country as specified above. This is currently specified as . You do not need to enter the country code part of your VAT number as this has already been selected in your billing address details above.
The VAT number checking service is currently offline. Please supply your VAT details within the comments or special instructions field below and we will apply a VAT discount after placing your order request.
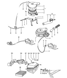
Boots / Rear Lid / Locks and Latches
- Porsche 914 (1970-1976)

Fits:
Porsche 914 1970-1976
Click 'Zoom in' for large parts diagram.
Diagram ref no 41
Related reference numbers
Related, superseded, cross reference or alternative numbers for comparison.
99951216502
The product you are viewing cross references to these numbers
- Porsche 914 (1970-1976)
Used for all 914 model years, 2 required per car, 1 on each side of the engine compartment.
Fits:
Porsche 914 1970-1976
Click 'Zoom in' for large parts diagram.
Diagram ref no 37
Related reference numbers
Related, superseded, cross reference or alternative numbers for comparison.
91455923110
The product you are viewing cross references to these numbers
- Porsche 914 (1970-1976)
Available in either early or late versions.

Fits:
Porsche 914 (1970-1976)
Click 'Zoom in' for large parts diagram.
Diagram ref no 34
Related reference numbers
Related, superseded, cross reference or alternative numbers for comparison.
91451218910
The product you are viewing cross references to these numbers
- Porsche 914 (1970-1976)

Fits:
Porsche 914 1970-76
Kit w/Hardware Includes:
(1) 91451215510 Hook
(1) 90007606402 M8 nut
(1) 90002500703 Flat washer
(1) N0122411 Spring washer
Click 'Zoom in' for large parts diagram.
Diagram ref no 24, 25, 26 and 27.
Related reference numbers
Related, superseded, cross reference or alternative numbers for comparison.
91451215510K
The product you are viewing cross references to these numbers
- Porsche 914 (1970-1976)

Fits:
Porsche 914 1970-76
Click 'Zoom in' for large parts diagram.
Diagram ref no 19
Related reference numbers
Related, superseded, cross reference or alternative numbers for comparison.
91451202910
The product you are viewing cross references to these numbers
- Porsche 914 (1970-1976)

New reproduction of the funnel tube grommet that holds the rain tray drip tubes in place. This is made from silicone to last longer than the factory part. This also helps to seal out hot air from the upper engine compartment, improving engine performance.
Used for all 914 model years, 2 required per car, 1 per side.
Fits:
Porsche 914 1970-1976
Click 'Zoom in' for large parts diagram.
Diagram ref no 42
Related reference numbers
Related, superseded, cross reference or alternative numbers for comparison.
99970209150
The product you are viewing cross references to these numbers
- Porsche 914 (1970-1976)

Fits:
Porsche 914
Please note: This part is on special order terms. It will be made to order that could take 6-8+ weeks. It is not a subject to cancellation or return if not required.
Related reference numbers
Related, superseded, cross reference or alternative numbers for comparison.
TK161A
The product you are viewing cross references to these numbers
- Porsche 914 (1970-1976)
Including thread inserts for hinges and bonnet lock.

Fits:
Porsche 914 GT
Please note: This part is on special order terms. It will be made to order that could take 6-8+ weeks. It is not a subject to cancellation or return if not required.
- Porsche 914 (1970-1976)

Fits:
Porsche 914 1970-76
Click 'Zoom in' for large parts diagram.
Diagram ref no 13.
Related reference numbers
Related, superseded, cross reference or alternative numbers for comparison.
91451219310
The product you are viewing cross references to these numbers
- Porsche 914 (1970-1976)
Fits:
Porsche 914 1970-76
Diagram ref no 4
Related reference numbers
Related, superseded, cross reference or alternative numbers for comparison.
91451204111
The product you are viewing cross references to these numbers
- Porsche 914 (1970-1976)
Fits:
Porsche 914 1970-76
Diagram ref no 4
Related reference numbers
Related, superseded, cross reference or alternative numbers for comparison.
91451204111
The product you are viewing cross references to these numbers
- Porsche 911 1965-1968 2.0L / 912 SWB (F)
- Porsche 911 1968-1973 2.2L / 2.4L / 2.7L RS LWB (F)
- Porsche 911 1974-1977 2.7L / 1976-77 3.0 Carrera
- Porsche 911 1978-1983 3.0L / SC
- Porsche 911 1984-1986 3.2L
- Porsche 911 1987-1989 3.2L G50
- Porsche 911 1975-1977 3.0L Turbo (930)
- Porsche 911 1978-1989 3.3L Turbo (930)
- Porsche 914 (1970-1976)
Porsche 911 2.0-3.3 1965-89
Porsche 912 1.6 01/65-02/70
Porsche 914 1.7-2.0 01/69-02/76

Porsche 911 2.0-3.3 1965-73
Porsche 912 1.6 01/65-02/70
Porsche 914 1.7-2.0 01/69-02/76
Diagram ref no 22
Related reference numbers
Related, superseded, cross reference or alternative numbers for comparison.
99970303650
The product you are viewing cross references to these numbers
- Porsche 914 (1970-1976)
(1) Chrome Lock Housing
(1) Chrome Lock Cylinder Barrel
(1) Trunk lock seal

Fits:
Porsche 914 1970-76
Click 'Zoom in' for large parts diagram.
Diagram ref no 12, 13.
Related reference numbers
Related, superseded, cross reference or alternative numbers for comparison.
914512913K
The product you are viewing cross references to these numbers
- Porsche 914 (1970-1976)

Fits:
Porsche 914 1970-1976
Click 'Zoom in' for large parts diagram.
Diagram ref no 40
Related reference numbers
Related, superseded, cross reference or alternative numbers for comparison.
PCG57190000
The product you are viewing cross references to these numbers
-
Chain case / Camshaft housing 914-6 1970-76 103-005
-
Valve control - LEFT - 914-6 1970-76 103-010
-
Valve control - RIGHT - 914-6 1970-76 103-015
-
Engine lubrication 914-6 1970-76 104-000
-
Carburettor 914-6 1970-76 107-000
-
Engine lubrication / Oil cooler 914 1970-76 114-010
-
Air cleaner 914-4/1,7 and 914-1,8/2,0 1970-76 116-005
-
Injection system 914-4/1,7 and 914-1,8/2,0 1970-76 117-010
-
Engine carrier 914 1970-76 119-000
-
Exhaust system / Heating air supply / Engine suspension 914-6 1970-76 202-000
-
Exhaust system / Exhaust silencer 914-4/1,7 and 914-1,8V/1,8 1970-76 202-005
-
Exhaust system / Heat exchanger 914 1970-76 202-015
-
Replacement transmission / Transmission case 914 1970-76 302-000
-
Transmission cover / Transmission suspension 914 1970-76 302-005
-
Shift rods shift forks for 5-speed Transmission (Model: 914.300/01, 914.300/11) 914 >>1972 304-000
-
Shift rods shift forks for 5-speed Transmission (Model: 914.300/12) 914 1973>> 304-005
-
Clutch release 914-6:SPM 1970-76 307-000
-
Transmission case 914-6:SPM 1970-76 308-000
-
Shift rods / shift forks / Differential 914-6:SPM 1970-76 310-000
-
Front axle / Stabiliser 914 1970-76 401-000
-
Shock absorber strut / Lubricants 914 1970-76 402-000
-
Steering gear / Steering linkage 914 1970-76 403-000
-
Steering gear / Repair material 914 1970-76 403-015
-
Disc brake - Front - 914 1970-76 602-000
-
Brake fluid reservoir / Brake master cylinder 914 1970-76 604-000
-
Brake lines 914 1970-76 604-005
-
Transmission control 914 >>1972 701-000
-
Transmission control 914 1973>> 701-005
-
Pedals for cars with Manual transmission 914 1970-76 702-000
-
Pedals 914-6:SPM 1970-76 702-005
-
Bumper - Front and rear - 914 >>1974 802-000
-
FRONT Lid 914 1970-76 803-000
-
Lid / Engine compartment 914 1970-76 803-005
-
REAR Lid 914 1970-76 803-010
-
Door with installation parts 914 1973>> 804-000
-
Door glass frame 914 1970-76 804-010
-
Dashboard / Door mirror 914 1970-76 809-000
-
Ventilation / Heating 914 1972>> 813-000
-
Engine electrics 914-6 1970-76 901-010
-
Battery / Fuse box 914 1970-76 902-000
-
Wiring harnesses 914 1970-76 902-010
-
Wiring harnesses 914-6 1970-76 902-015
-
Switch / Relay / Horn 914 1970-71 / 914 1972-76 903-005
-
Headlamp 914 1970-76 905-000
Restore the perfect fit and finish with Porsche boot lids, rear lids, locks, and latches from Design911. Our range includes OEM and precision-engineered replacement panels, hinges, catches, and release mechanisms for both classic and modern Porsche models. Whether you’re working on a 911, Cayman, or Taycan, each component is designed for accurate alignment, smooth operation, and factory-level performance. From full rear lid replacements to small locking components, Design911 provides high-quality solutions trusted by Porsche specialists and restoration experts worldwide.
Boot Lid & Rear Lid Panels
OEM and replacement Porsche boot and rear lid panels built
for perfect fitment and durability. Maintain factory lines and structural
integrity during restoration or repair.
Locks & Latch Assemblies
Reliable Porsche boot and rear latch mechanisms ensuring
secure closure and easy release. Available for engine lids, tailgates, and rear
compartments.
Hinges & Mounting Components
Precision-engineered hinges and brackets providing smooth
opening motion and long-lasting strength. Ideal for classic and modern Porsche
models alike.
Release Cables & Handles
OEM-style release cables and interior handles allowing
smooth and reliable boot lid operation. Perfect for replacements or retrofits.
Classic Porsche Boot & Rear Latch Parts
Authentic reproduction rear lid locks, catches, and fittings
for classic Porsche models including the 356, 911 Classic, and 912. Maintain
originality and heritage quality.