在此输入您的增值税号,然后单击验证:
您的详细信息已经过验证。增值税号注册至:
,
。
现在,您的订单的增值税税率为零。我们保留在您提出订单请求后验证这些详细信息的权利,并在需要时恢复增值税。
您的增值税详细信息无法识别或无效。您的增值税号必须与上面指定的帐单国家/地区相匹配。当前指定为 。您无需输入增值税号的国家/地区代码部分,因为已在上面的帐单地址详细信息中选择了该部分。
增值税号查询服务目前已离线。请在下面的评论或特殊说明字段中提供您的增值税详细信息,我们将在您提出订单请求后应用增值税折扣。
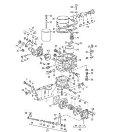
化油器及零件
- Porsche 911 1965-1968 2.0L / 912 SWB (F)
- Porsche 356B 1959-63
- Porsche 356C 1963-65
这款精密浮阀是保时捷原装部件,用于经典保时捷 356 B/C 和 912 车型的 Solex 40 PII-4 化油器。它由精密加工的针阀、阀座和弹簧组成,并根据 1.75 毫米的流量进行了校准,确保浮子室内的油位保持稳定准确。合适的浮阀对于保持合适的混合比、平稳的怠速和均衡的性能至关重要。
适合:
保时捷 356B / 356C(型号:1600 S90/SC、CARRERA、587/1 692/3A)1960-1965 年
保时捷 912 1.6L 1965 - 1969 年(发动机代码:616/36/37)
保时捷 912 1.6L 1965 - 1969 年(发动机代码:616/39/40)
图表参考编号 46
该部件由保时捷按照高 OEM 标准制造,确保精确的配合、密封和计量几何形状 - 保留发动机原始的燃油输送行为。
•功能:调节化油器浮子室的燃油进入
•适用车型:保时捷 356 B/C;保时捷 912(带 Solex 40 PII-4)
•位置:化油器主体浮子室内
•优点:工厂精确的计量几何形状,正确的配合/密封安装
•更换:在化油器重建期间,检查阀座和浮子液位
为何以及何时更换:
随着时间的推移,原厂浮子阀可能会受到燃油污染、腐蚀或针尖或阀座磨损的影响。这些问题可能导致溢流、混合气不平衡、怠速不稳或油门响应不良。当原厂浮子阀出现磨损、泄漏、浮子高度不合适,或您正在进行化油器全面检修时,请更换浮子阀。使用保时捷原厂零件可以恢复正确的油位控制,并确保发动机按照原厂规格运行。
相关参考编号
相关编号、被取代编号、交叉引用编号或替代编号,供比较之用。
61610097101
您正在查看的产品与这些编号存在交叉引用关系
- Porsche 911 1965-1968 2.0L / 912 SWB (F)
- Porsche 356B 1959-63
- Porsche 356C 1963-65
浮子阀可精确调节 Solex 40 PII-4 系统化油器浮子室中的燃油液位,该系统用于保时捷 356 B/C 和 912 发动机。它通过锥形针阀和阀座机构进行操作,该机构根据浮子的运动来打开和关闭燃油入口,从而保持正确的 1.75 毫米流量孔径和一致的浮子室高度。
适合:
保时捷 356B / 356C(型号:1600 S90/SC、CARRERA、587/1 692/3A)1960-1965 年
保时捷 912 1.6L 1965 - 1969 年(发动机代码:616/36/37)
保时捷 912 1.6L 1965 - 1969 年(发动机代码:616/39/40)
图表参考编号 46
制造时完全复制了保时捷原厂的几何形状和密封质量。它是化油器改造、调校或更换磨损阀门(导致油位过高、稀薄或混合气不平衡)的理想选择。
•功能:当浮子上升时,通过关闭入口来调节燃料进入浮子室
•配件:保时捷 356 B/C 和 912,配备 Solex 40 PII-4 化油器
•位置:浮子室盖内(燃油入口)
•流量大小:1.75 毫米 – OE 规格校准
•优点:OE 式几何形状、精确的燃油控制、无泄漏密封、可靠的怠速和加速
•安装:在化油器重建期间更换阀门;验证浮子高度和密封紧密度
浮子阀会因持续的燃油压力、振动以及乙醇暴露而自然磨损。随着阀尖或阀座的磨损,可能会导致燃油溢出、启动困难或稀薄运转。
在以下情况下更换此部件:
•重建化油器或调整浮子液位
•您注意到燃油泄漏、溢出或怠速不一致
•针头出现凹槽或腐蚀
•将化油器恢复到出厂规格,以实现平衡混合控制
安装新的浮子阀可确保碗状液位准确、燃油流量稳定以及经典保时捷 356 或 912 的 Solex 化油器可靠运行。
相关参考编号
相关编号、被取代编号、交叉引用编号或替代编号,供比较之用。
61610097101
您正在查看的产品与这些编号存在交叉引用关系
- Porsche 911 1965-1968 2.0L / 912 SWB (F)
- Porsche 356 1950-55
- Porsche 356A 1955-59
- Porsche 356B 1959-63
- Porsche 356C 1963-65

适合:
保时捷 356 - 1950 年至 1955 年
保时捷 356A - 1955 年至 1959 年
保时捷 356B - 1959 年至 1963 年
保时捷 356C - 1963 年至 1965 年
保时捷 912 - 1966 年至 1968 年
适用于 Solex 化油器
32 PBI / 32PBIC / 40 PBIC / 40 PII / 40 PII-4 / 40PII-4/44
单击“放大”查看大零件图。
图参考号 37
相关参考编号
相关编号、被取代编号、交叉引用编号或替代编号,供比较之用。
61610094400
您正在查看的产品与这些编号存在交叉引用关系
- Porsche 356 1950-55
- Porsche 356A 1955-59

Fits:
Porsche 356 Pre A (1948 - 1955)
Porsche 356 A (1955 - 1959)
only for 32 PBJ or PBJC Solex carburetor
Click 'Zoom in' for large parts diagram.
Diagram ref no 3
相关参考编号
相关编号、被取代编号、交叉引用编号或替代编号,供比较之用。
36908280
您正在查看的产品与这些编号存在交叉引用关系
- Porsche 911 1965-1968 2.0L / 912 SWB (F)
- Porsche 356 1950-55
- Porsche 356A 1955-59
- Porsche 356B 1959-63
- Porsche 356C 1963-65
每件均已售出。
适合:
保时捷 356 / 356A 1955 - 1959 配备 Solex 32 PBI / PBIC
保时捷 356B / 356C(型号:1600 S90/SC、CARRERA、587/1 692/3A)1960-1965 年
配备 SOLEX-40 PII-4/44 PII-4
保时捷 912 1.6L 1965 - 1969
发动机代码:616/36/37、616/39/40
使用 SOLEX-40 PII-4
图表参考编号 66
•功能:将隔膜泵盖密封到化油器主体上,保持正确的加速器泵燃料输送。
•位置:化油器 – 加速器/燃油泵部分。
•优点:确保无泄漏密封、一致的节流阀尖端浓缩以及完美的 OE 配合以实现直接安装。
随着时间的推移,原装垫圈可能会变硬、收缩或破裂,导致燃油渗漏和化油器性能不稳定。在维修期间更换垫圈可确保可靠的燃油计量和平稳的响应。
相关参考编号
相关编号、被取代编号、交叉引用编号或替代编号,供比较之用。
61610095700
您正在查看的产品与这些编号存在交叉引用关系
- Porsche 911 1965-1968 2.0L / 912 SWB (F)
- Porsche 356 1950-55
- Porsche 356A 1955-59
- Porsche 356B 1959-63
- Porsche 356C 1963-65
适用于搭载 Solex 发动机的经典保时捷化油器隔膜泵密封件。该密封件按照原厂几何形状制造,可恢复泵盖与化油器主体之间的紧密密封,稳定喷射量,并防止渗漏,避免出现油斑、启动困难或燃油异味。它可直接用于上述应用,是化油器翻新或任何泵维修的理想选择。
每件均已售出。
适合:
保时捷 356 / 356A 1955 - 1959 配备 Solex 32 PBI / PBIC
保时捷 356B / 356C(型号:1600 S90/SC、CARRERA、587/1 692/3A)1960-1965 年
配备 SOLEX-40 PII-4/44 PII-4
保时捷 912 1.6L 1965 - 1969
发动机代码:616/36/37、616/39/40
使用 SOLEX-40 PII-4
图表参考编号 66
•功能:将隔膜泵盖密封到化油器主体上;保持正确的泵射流量
•位置:化油器——加速器/燃油泵部分
•优点:无泄漏密封、一致的进气口加注、易于安装的 OE 几何形状
随着时间的推移,隔膜泵垫圈会变硬、撕裂或变形,导致少量燃油泄漏或化油器性能不一致。
出现以下情况时,请更换垫圈:
•旧垫圈看起来易碎、有裂纹或浸有燃料。
•您注意到加速器泵输送不一致或踩下油门时犹豫不决。
•重建化油器或更换泵隔膜。
•作为对长期存放的车辆或接触现代乙醇混合燃料的发动机的预防性维护。
安装新的垫圈可确保密封牢固、燃油压力稳定以及油门泵平稳运行,从而保持您的保时捷 356 或 912 的正常驾驶性能和性能。
相关参考编号
相关编号、被取代编号、交叉引用编号或替代编号,供比较之用。
61610095700
您正在查看的产品与这些编号存在交叉引用关系
- Porsche 356 1950-55
- Porsche 356A 1955-59
- Porsche 356B 1959-63
- Porsche 356C 1963-65

Fits:
Porsche 356 1950-65 cars with Zenith 32 NDIX carburettor
Click 'Zoom in' for large parts diagram.
Diagram ref no 45
相关参考编号
相关编号、被取代编号、交叉引用编号或替代编号,供比较之用。
61610086200
您正在查看的产品与这些编号存在交叉引用关系
- Porsche 911 1965-1968 2.0L / 912 SWB (F)
- Porsche 356 1950-55
- Porsche 356A 1955-59
- Porsche 356B 1959-63
- Porsche 356C 1963-65
单独出售 - 每个化油器需要 1 个
适合:
保时捷 356 / 356A - 1950 年至 1959 年
保时捷 356B / 356C - 1959 年至 1965 年
保时捷 911 - 1965 年至 1968 年
保时捷 912 - 1965 年至 1968 年
对于 Curburettors
356 / 356A
Solex 32 PBI
Solex 32 PBIC
Solex 40 PBIC
Solex 40PII / 40 PII-4
911/912
Solex 40 PI-1
Solex 40 PII-4
图表参考编号 23
相关参考编号
相关编号、被取代编号、交叉引用编号或替代编号,供比较之用。
61610095600
您正在查看的产品与这些编号存在交叉引用关系
- Porsche 911 1965-1968 2.0L / 912 SWB (F)
- Porsche 356B 1959-63
- Porsche 356C 1963-65
单个出售,每个发动机需要 2 个。
适合:
保时捷 912 1965 - 1968(发动机代码:616/36/37)
* 适用于化油器 SOLEX-40 PII-4
保时捷 356B 1600 S90 1960 - 1962 年
保时捷 356C SC 1964 - 1965
* 适用于化油器 SOLEX-40 PII-4/44 PII-4
图表参考编号 34
• 位置:化油器——怠速燃油回路
• 功能:控制怠速燃油流量,确保发动机低速稳定运行
•经过精密校准,符合工厂规格(“U 1.8”),可实现稳定的怠速燃油输送。
• 直接安装的 OE 几何形状确保无需调整即可正确安装在 Solex 40 PII-4 化油器中。
• 优化性能,实现经典保时捷发动机的可靠启动、平稳怠速和精确的油门响应。
• 非常适合修复、调整或日常维护,其中驾驶性能和周期性正确操作是关键。
随着时间的推移,怠速喷嘴可能会被堵塞、磨损或腐蚀,从而影响化油器在低速时正确计量燃油的能力。
怠速喷射器故障或堵塞的常见症状包括:
•怠速不平稳或不均匀,冷启动困难
• 踩油门时犹豫或出现平点
• 燃油气味过大或燃油经济性差
出现以下情况时,请更换怠速喷嘴:
• 执行化油器重建或调整服务
• 您检测到怠速不均匀或混合问题
• 旧喷气式飞机出现明显的损坏、腐蚀或沉积物
•车辆长期存放或暴露于乙醇混合燃料
安装新的怠速喷射器可恢复准确的燃油计量,确保您的经典保时捷平稳运行并保持其原有的性能特征。
相关参考编号
相关编号、被取代编号、交叉引用编号或替代编号,供比较之用。
61610090202
您正在查看的产品与这些编号存在交叉引用关系
- Porsche 911 1965-1968 2.0L / 912 SWB (F)
- Porsche 356B 1959-63
- Porsche 356C 1963-65
每件售出
适合:
保时捷 911 - 1965 年至 1968 年
保时捷 356B S90 - 1960 年至 1962 年
保时捷 356C SC - 1964 年至 1965 年
对于化油器
911
Solex 40 PI-1
356
Solex 40 PII-4
Solex 44 PII-4
图表参考编号 18
相关参考编号
相关编号、被取代编号、交叉引用编号或替代编号,供比较之用。
61610090103
您正在查看的产品与这些编号存在交叉引用关系
- Porsche 911 1965-1968 2.0L / 912 SWB (F)
- Porsche 356B 1959-63
- Porsche 356C 1963-65
这款进气歧管接头的设计旨在复制经典保时捷 356 和 912 发动机上 Solex 化油器使用的原装进气歧管连接法兰。包含法兰、垫片和销钉——专为 Solex 化油器精密制造,可恢复原厂密封性和性能。
2 件套。
适合:
保时捷 356 1600 S90/SC 1960 - 1965
保时捷912 1965-1969年
图表参考编号 2、3、4、5。
该配件构成了进气歧管流道和气缸盖之间的基本连接,确保了气密、稳定的连接,为每个燃烧室提供平衡的气流和燃料混合物。
该进气歧管采用高级铸铝合金制成,与保时捷的原装尺寸和进气口几何形状相符,确保精准的装配和顺畅的进气流动。其经过机械加工的密封表面确保垫片可靠压缩,并防止可能导致怠速不良或失火的漏气。
当成对安装(两套)时,这些配件为双化油器配置提供完整支持,恢复真实的发动机响应和驾驶性能。
经典保时捷发动机上的进气配件经过多年的热循环、振动和燃油蒸汽的侵蚀,可能导致密封表面变形、腐蚀或泄漏。
在以下情况下更换此配件:
•执行化油器或歧管重建
•您检测到真空泄漏或怠速质量差
•原装配件出现裂纹、腐蚀或变形
•将发动机恢复到工厂进气规格
安装新产品可确保精确的气流分配、正确的化油器安装和可靠的进气密封 - 恢复平稳的怠速、平衡的性能和经典的保时捷驾驶性能。
相关参考编号
相关编号、被取代编号、交叉引用编号或替代编号,供比较之用。
61610803301
您正在查看的产品与这些编号存在交叉引用关系
- Porsche 356B 1959-63
- Porsche 356C 1963-65
Jet(115 型)——专为保时捷 356B/C 车型的 Solex 40 PII / 44 PII 化油器设计。该化油器设计符合原厂规格,易于安装,确保精准的燃油流量和油门响应。非常适合改装或维护,以保持原有的性能和驾驶体验。
单个出售,每个发动机需要 2 个。
适合:
保时捷 356 B 1600 S90 1960 - 1963
保时捷 356 C SC 1964 - 1965
图表参考编号 23
喷嘴控制化油器部分中的燃料计量 - 通过提供校准的燃料流动孔径,它有助于在给定的油门或负载下维持正确的空气-燃料混合物。
它确保在中高负荷范围内持续输送燃料(具体取决于“115”喷射器所属的电路),从而支持在不同条件下平稳的油门响应、适当的加速、一致的怠速行为和正确的混合。
正确规格的喷射装置有助于避免稀薄或浓稠的状况,这些状况可能会导致犹豫、平坦点、怠速不稳定、油门踩踏不良或燃料消耗过多。
在修复或重建的情况下:更换磨损、损坏或不正确的喷嘴可确保化油器按照原始设计运行,这对于符合时期要求的经典车辆尤为重要。
相关参考编号
相关编号、被取代编号、交叉引用编号或替代编号,供比较之用。
61610093500
您正在查看的产品与这些编号存在交叉引用关系
- Porsche 911 1965-1968 2.0L / 912 SWB (F)
- Porsche 356 1950-55
- Porsche 356A 1955-59
- Porsche 356B 1959-63
- Porsche 356C 1963-65
Solex 40 PII-4 化油器内用于固定主喷嘴的支架。它确定喷嘴在乳化液槽中的位置和燃油拾取高度,确保从中速到高转速的稳定混合气输送。该支架按照原厂尺寸和螺纹形状制造,可正确密封在化油器主体内,并根据您选择的喷嘴尺寸保持精确的燃油计量。
单个出售,每辆车需要 2 个。
适合:
保时捷 356 / 356A CARRERA 1500 GS/GT (M 90 501 >> 91 000) 1950 - 1959
保时捷 356B / 356C(型号:1600 S90/SC、CARRERA、587/1 692/3A)1960-1965 年
保时捷 912 1.6L 1965 - 1969 年(发动机代码:616/36/37)
保时捷 912 1.6L 1965 - 1969 年(发动机代码:616/39/40)
图表参考编号 21
•使用案例:非常适合化油器重建、恢复卡住/损坏的载体或将不匹配的化油器内部标准化为工厂规格。
•功能:定位并密封主喷嘴;保持正确的乳化液井高度和燃料流路
•安装:安装正确的主喷嘴尺寸;确保阀座清洁,螺纹上涂少许油,并轻轻拧紧以避免损坏化油器主体
随着时间的推移,主喷嘴支架会因反复更换喷嘴和暴露在燃油中而出现螺纹磨损、腐蚀或变形。损坏或松动的支架可能会导致燃油泄漏、喷嘴密封不良或混合气流量不稳定。当螺纹磨损、六角变圆或出现可见腐蚀时,请更换主喷嘴支架。此外,在进行任何化油器重建或调校服务时,也建议更换主喷嘴支架,以确保您的保时捷 356 或 912 的燃油计量准确且性能稳定。
相关参考编号
相关编号、被取代编号、交叉引用编号或替代编号,供比较之用。
61610091401
您正在查看的产品与这些编号存在交叉引用关系
- Porsche 911 1965-1968 2.0L / 912 SWB (F)
- Porsche 356 1950-55
- Porsche 356A 1955-59
- Porsche 356B 1959-63
- Porsche 356C 1963-65
保时捷 356/912 2 x Weber 40IDF代表Solex
英国制造的顶级品质 WEBCON 进气歧管和配件。
歧管组允许用 2 个 Weber 40IDF 化油器替换原装 Solex 化油器。
要更换 Zenith 化油器,请参阅MW4051 。
还需要以下附加部件:
2 x AFB 320 空气过滤器
1 x 9900531400 杠杆
1 x 9900531500 杠杆
1 x 5555503800 垫圈
2 x 4043179900 油门止动件
-
化油器 / SOLEX 32PBJ / SOLEX 40PJCB / 及燃油供给管路 / 燃油泵 356 1950-55 107-000
-
化油器 / SOLEX 32PBJ / SOLEX 40PJCB / 和燃油供应管路 356A 1955-1959 107-005
-
化油器 / PALLAS-ZENIT 32NDIX / 及燃油供给管路 (型号:1600, 1600 S) 356A 1955-1959 107-010
-
化油器零件 - SOLEX 32 PBI - 356、356A 1950-1959 107-015
-
化油器零件 - SOLEX 32 PBIC - 356, 356A 1950-1959 107-020
-
化油器零件 - PALLAS - ZENITH 32 NDIX - 356, 356A 1950-1959 107-025
-
化油器零件 - SOLEX 40 PBIC - M >> 81 200 (型号:527/528, 1600 S) 356, 356A 1950-1959 107-030
-
化油器零件 - SOLEX 40 PII / SOLEX 40 PII-4 - M 90 501 >> 91 000(型号:CARRERA 1500 GS/GT)356、356A 1950-1959 107-050
-
垫圈套件 356, 356A 1950-1959 198-000
-
化油器和燃油供应管路(型号:1600、1600 S、1600 S90)356B / 356C 1960-1965 107-000
-
化油器 PALLAS - ZENITH 32 NDIX 的单个零件(型号:1600 /S/C)356B / 356C 1960-1965 107-010
-
化油器 SOLEX-40 PII-4/44 PII-4 的单个零件(型号:1600 S90/SC、CARRERA、587/1 692/3A)356B / 356C 1960-1965 107-015
精密化油器及部件——传承保时捷经典车的性能和可靠性
化油器是许多经典保时捷发动机的心脏,它提供完美的空气-燃料混合比,实现平稳、灵敏的燃烧。Design911 提供全面的高品质化油器和替换部件,旨在维护或提升复古和风冷保时捷车型的真实驾驶体验。
从完整的化油器组件到喷嘴、隔膜、垫圈、浮子和连杆,我们的产品均按照精确的制造商标准设计,确保一致的性能、易于调整和可靠的燃油输送——无论是用于修复还是赛车运动。
化油器和化油器零件起什么作用?
化油器的作用是在燃料进入发动机之前,将燃料和空气以正确的比例混合。这一过程确保高效燃烧、平稳的油门响应和最佳的动力输出。
核心功能:
- 根据不同的发动机转速和负载调节空气-燃料混合物。
- 提供稳定的燃油流量,实现平稳的怠速和加速。
- 在温度和高度变化时保持油门响应。
- 支持传统发动机的高效燃烧和改进的驾驶性能。
现代性能替换和重建套件使老款保时捷车型保留其时代正确的感觉,同时实现现代水平的可靠性。
化油器为何会失效?
随着时间的推移,化油器及其内部组件会因燃油清漆、污垢污染和机械磨损而性能下降。常见的故障症状包括:
- 由于喷嘴或通道堵塞而导致启动困难或失速。
- 由于漏气或垫圈磨损而导致怠速不均匀或失火。
- 浮子或针阀卡住导致加速性能差或燃油经济性差。
- 燃料从损坏的密封件或变形的外壳处泄漏或滴落。
定期检查和更换磨损的部件可防止性能不佳、燃油效率低下和潜在的发动机损坏。
为什么要用精密设计的化油器组件进行更换?
用精密设计的化油器零件更换磨损的部件可确保您的保时捷发动机保持其传奇般的油门感觉和动力输出。
主要优点:
- 恢复一致的空气-燃料混合和平稳的发动机运转。
- 改善冷启动和油门响应。
- 消除泄漏和不均匀怠速,提高驾驶性能。
- 通过正确加油和降低爆炸风险来延长发动机寿命。
- 采用制造商品质的材料和加工工艺来保持遗产的真实性。
- 与定期校正的保时捷化油器系统(例如 Weber、Solex、Zenith)完美兼容。
无论您是重建经典的 911、914 还是 356,我们精选的化油器和组件都能提供现代精度和符合时期的性能。
亮点:
- 适用于保时捷经典车型的全系列化油器和重建部件。
- 精密加工的部件确保可靠的燃料输送和响应。
- 制造商品质的配件,可实现无缝安装。
- 提高燃烧效率和性能一致性。
- 与 Weber、Solex 和 Zenith 系统兼容。
- 非常适合发动机修复、重建和调整项目。
