在此输入您的增值税号,然后单击验证:
您的详细信息已经过验证。增值税号注册至:
,
。
现在,您的订单的增值税税率为零。我们保留在您提出订单请求后验证这些详细信息的权利,并在需要时恢复增值税。
您的增值税详细信息无法识别或无效。您的增值税号必须与上面指定的帐单国家/地区相匹配。当前指定为 。您无需输入增值税号的国家/地区代码部分,因为已在上面的帐单地址详细信息中选择了该部分。
增值税号查询服务目前已离线。请在下面的评论或特殊说明字段中提供您的增值税详细信息,我们将在您提出订单请求后应用增值税折扣。
进气歧管
- Porsche 911 1965-1968 2.0L / 912 SWB (F)
- Porsche 356B 1959-63
- Porsche 356C 1963-65
垫片设计用于位于经典保时捷车型(356 B/356 C 和 912)的化油器底座(通常为 SOLEX 40 PII-4)和进气歧管之间,制造符合保时捷 OE 规格。
一套 4 件
适合:
保时捷 912 1965 - 1969
保时捷 356 B/C 1600/S90/SC 1960 - 1965
图表参考编号 2(适用于 912)或 4(适用于 356)
该垫片提供正确的隔离和密封接口,确保化油器正确对准、端口匹配均匀,并防止热量从歧管渗入化油器。它采用耐高温材料制成,可复制原始设计并保持正确的绝缘性能。
该垫片非常适合发动机重建、进气维修或性能恢复,可恢复经典保时捷发动机可靠进气性能所需的预期间隙、端口几何形状和密封完整性。
随着时间的推移,原装垫片会因热循环、振动和燃油蒸汽的影响而老化、变形或破裂。受损的垫片可能会导致真空泄漏、燃油/空气混合比计量不准、怠速不均匀或性能下降。
在以下情况下更换此垫片:
•执行化油器或进气歧管维修或重建
•原有垫片破裂、脱层或缺失
•真空泄漏或怠速不稳表明感应密封存在问题
•将经典保时捷发动机恢复到出厂规格
安装新的垫片可确保正确的间距、适当的密封和真实的气流行为,从而确保发动机的持久性能和可靠性。
相关参考编号
相关编号、被取代编号、交叉引用编号或替代编号,供比较之用。
61610839000
您正在查看的产品与这些编号存在交叉引用关系
该套件包括以下商品:
- Porsche 911 1965-1968 2.0L / 912 SWB (F)
- Porsche 911 1968-1973 2.2L / 2.4L / 2.7L RS LWB (F)
- Porsche 914 (1970-1976)
The set includes 12 intake manifold gasket pieces - enough to replace all applicable intake sealing locations when performing major engine or intake work on early Porsche. Intake manifold gaskets form the seal between the cylinder head and intake manifold. They prevent unmetered air leaks, maintain engine vacuum, and help ensure that the correct air-fuel mixture enters each cylinder.
SET OF 12
Fits:
Porsche 911 / L / TU / T
Porsche 911 T / 911 T-V
Porsche 914-6 1970 - 1976
Diagram ref no 10
Function When installed correctly, these gaskets:
• Seal the intake manifold to the cylinder head to prevent air and vacuum leaks
• Maintain consistent airflow into the intake ports
• Support stable idle and throttle response
• Reduce risk of detonation, poor fuel economy, and rough running.
Over time, intake gaskets may become brittle or compressed from heat cycles and age. Replacing them - especially in sets during rebuild or service - helps restore proper sealing and engine efficiency.
Intake manifold gaskets are critical for proper engine breathing and vacuum integrity. Worn, hardened, or leaking gaskets can cause:
• Vacuum leaks and unstable idle
• Hesitation or stumbling under acceleration
• Poor fuel economy
• Increased exhaust emissions
• Difficulty tuning carbureted or fuel-injected systems.
Replacing these gaskets in a complete set ensures all surfaces are sealed correctly, improves engine smoothness, and reduces the risk of running issues often misdiagnosed as other mechanical problems.
When to Replace. It’s recommended to replace intake manifold gaskets when:
• Performing major engine service or a cylinder head rebuild
• Intake manifold has been removed or loosened
• You notice hissing sounds or rough idle
• Vacuum gauge shows unstable readings
• Rubber/composite gasket surfaces show cracks, compression set, or distortion
• Engine has high mileage or long service life
相关参考编号
相关编号、被取代编号、交叉引用编号或替代编号,供比较之用。
90110839104
您正在查看的产品与这些编号存在交叉引用关系
该套件包括以下商品:
- Porsche 911 1965-1968 2.0L / 912 SWB (F)
- Porsche 911 1968-1973 2.2L / 2.4L / 2.7L RS LWB (F)
- Porsche 914 (1970-1976)
#保时捷#
適用於:
保时捷 911 1965-69 L / T / TU / S WEBER 化油器汽车
保时捷 911 1970-73 T / TV ZENITH 化油器汽车
保时捷 914-6 1970-76
单击“放大”可查看大部件图。
图表参考编号 3
相关参考编号
相关编号、被取代编号、交叉引用编号或替代编号,供比较之用。
90110839801
您正在查看的产品与这些编号存在交叉引用关系
- Porsche 911 1965-1968 2.0L / 912 SWB (F)
- Porsche 911 1968-1973 2.2L / 2.4L / 2.7L RS LWB (F)
- Porsche 914 (1970-1976)
適用於:
保时捷 911 1965-69 L / T / TU / S WEBER 化油器汽车
保时捷 911 1970-73 T / TV ZENITH 化油器汽车
保时捷 914-6 1970-76
图表参考编号 3
相关参考编号
相关编号、被取代编号、交叉引用编号或替代编号,供比较之用。
90110839801
您正在查看的产品与这些编号存在交叉引用关系
- Porsche 911 1965-1968 2.0L / 912 SWB (F)
- Porsche 356B 1959-63
- Porsche 356C 1963-65
适合:
保时捷 912 1965 - 1969
保时捷 356 B/C 1600/S90/SC 1960 - 1965
图表参考编号 2(适用于 912)或 4(适用于 356)
相关参考编号
相关编号、被取代编号、交叉引用编号或替代编号,供比较之用。
61610839000
您正在查看的产品与这些编号存在交叉引用关系
- Porsche 911 1965-1968 2.0L / 912 SWB (F)
- Porsche 356B 1959-63
- Porsche 356C 1963-65
垫片设计用于位于经典保时捷车型(356 B/356 C 和 912)的化油器底座(通常为 SOLEX 40 PII-4)和进气歧管之间,制造符合保时捷 OE 规格。
单个出售,每辆车需要 4 个。
适合:
保时捷 912 1965 - 1969
保时捷 356 B/C 1600/S90/SC 1960 - 1965
图表参考编号 2(适用于 912)或 4(适用于 356)
该垫片提供正确的隔离和密封接口,确保化油器正确对准、端口匹配均匀,并防止热量从歧管渗入化油器。它采用耐高温材料制成,可复制原始设计并保持正确的绝缘性能。
该垫片非常适合发动机重建、进气维修或性能恢复,可恢复经典保时捷发动机可靠进气性能所需的预期间隙、端口几何形状和密封完整性。
随着时间的推移,原装垫片会因热循环、振动和燃油蒸汽的影响而老化、变形或破裂。受损的垫片可能会导致真空泄漏、燃油/空气混合比计量不准、怠速不均匀或性能下降。
在以下情况下更换此垫片:
•执行化油器或进气歧管维修或重建
•原有垫片破裂、脱层或缺失
•真空泄漏或怠速不稳表明感应密封存在问题
•将经典保时捷发动机恢复到出厂规格
安装新的垫片可确保正确的间距、适当的密封和真实的气流行为,从而确保发动机的持久性能和可靠性。
相关参考编号
相关编号、被取代编号、交叉引用编号或替代编号,供比较之用。
61610839000
您正在查看的产品与这些编号存在交叉引用关系
- Porsche 911 1965-1968 2.0L / 912 SWB (F)
- Porsche 911 1968-1973 2.2L / 2.4L / 2.7L RS LWB (F)

適用於:
保时捷 911 2.0 升 - 1965 年至 1968 年
保时捷 911 2.2 升 - 1969 年至 1971 年
保时捷 911 进气歧管尺寸
化油器/博世 MFI Ø32mm 发动机侧 - Ø40mm ITB 侧。推荐用于早期的 2.0 升/2.2 升发动机
可使用的喷油器选项 - 260cc / 300cc / 380cc / 420cc / 480cc / 520cc
这是用于更换化油器的直接替换套件,同时保留发动机舱的 OEM 外观。
进气歧管和立管板由一块 6082 铝制成,有两种款式。由于气缸盖安装法兰的形状不同,它们在设计上有所不同。进气歧管损坏或需要更换时,可用作 OEM 部件的替换件*。
ITB 由铸铝制成,而燃油轨由 6060 铝挤压型材制成,并配有用于燃油管路的 AN6 ORB 连接。直接安装式燃油压力调节器直接安装在燃油轨上,因此在这种情况下,您无需在发动机舱内钻额外的孔来安装燃油压力调节器。
油门连杆和所有安装硬件均由不锈钢制成,油门连杆的枢轴点采用球窝设计,可实现平稳运行。杠杆可让您调整和微调 ITB 的机械运动
组件的尺寸与 OEM 化油器设置相同,立板带有与 OEM 化油器相同的安装孔,这样您就可以使用 OEM 空气滤清器盒和 OEM 气喇叭。立板还带有进气温度传感器的安装选项,该传感器很好地隐藏在 ITB 之间。立板中 ITB 的直径为 45 毫米。还有一个使用气喇叭的选项,在这种情况下您不需要立板。
曲轴传感器和触发轮套件是附加的,使用此类 ITB 时需要这种类型的套件。除了切换到 ITB 之外,您还需要一个独立的 ECU 来使燃油喷射工作。我们的套件仅适用于带有“大分电器”的 3.0 升发动机。您可以保留分电器,或者当您要使用盘式点火时可以移除此装置。曲轴传感器套件中包含一个适配器。滑轮有两种尺寸可供选择,一个 Ø116mm 滑轮和一个 Ø126,5mm 滑轮。
该套件不包含燃油喷射器、燃油管路、独立 ECU 和线束。
*如果用作替换部件,化油器或 ITB 的 3 个安装孔需要用螺纹塞或螺旋线圈重新攻丝。否则无法安装螺纹螺柱。
套件包含
2 x 全钢坯、硬质阳极氧化进气歧管
6 x ITB 配有杠杆组件
6 x 气喇叭 45mmØx30mm
2 x 燃油导轨,带安装硬件
1 个油门连杆,带 2 个油门连接杆
1 x 直接安装燃油压力调节器
2 个立板,带 1 个空气温度传感器(用于 OEM 空气滤清器盒)
1 x 曲柄传感器和触发轮套件(可选)
所有需要的垫圈和安装硬件。
- Porsche 911 1965-1968 2.0L / 912 SWB (F)
- Porsche 911 1968-1973 2.2L / 2.4L / 2.7L RS LWB (F)
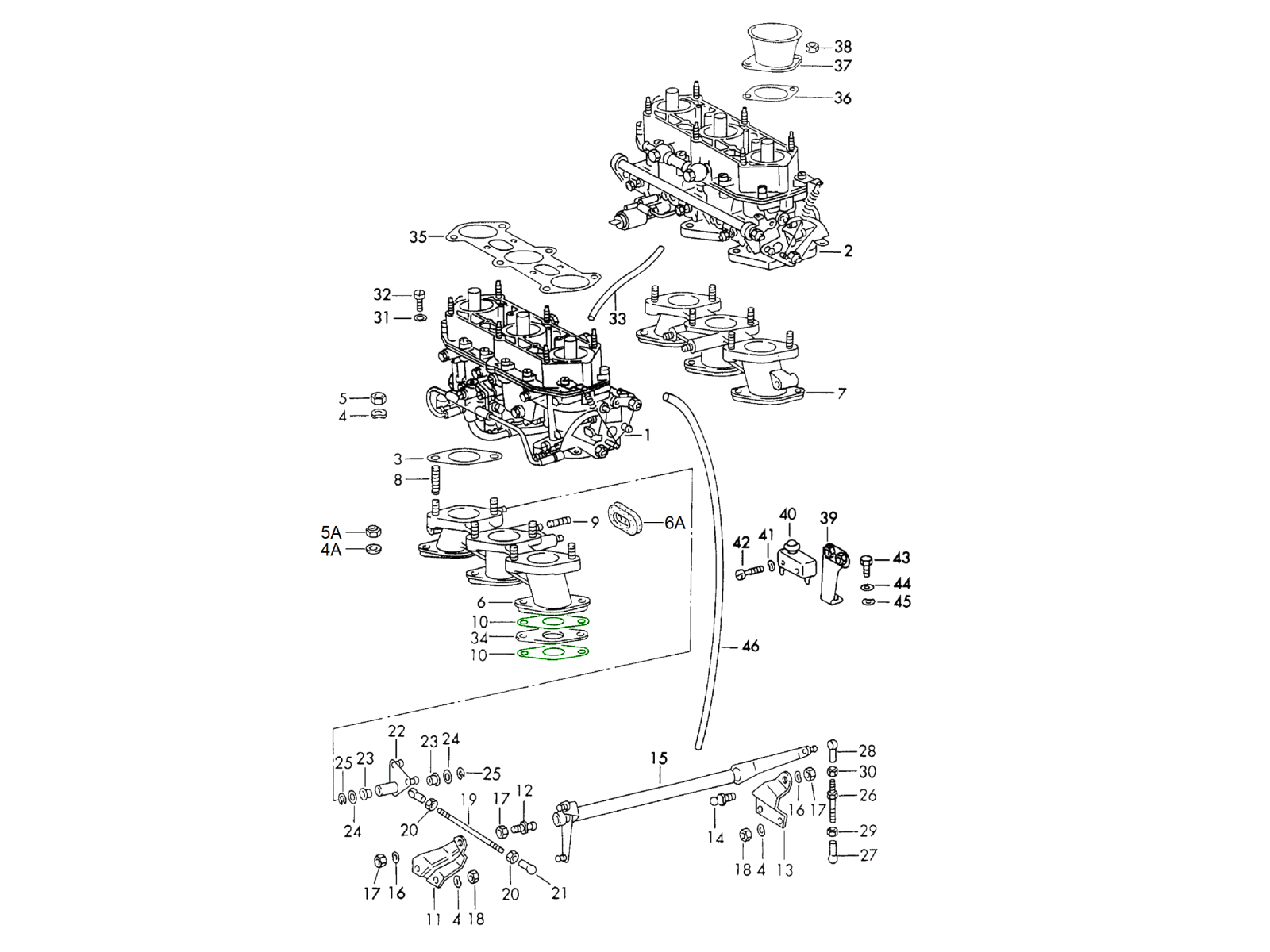
正品保时捷原厂进气歧管垫片。进气歧管垫片位于进气歧管和气缸盖之间,其作用是形成紧密、不漏气的密封,防止未计量的空气、燃油混合气和真空泄漏,从而避免影响发动机性能和效率。密封良好的进气系统可确保每个气缸都能获得燃烧所需的正确空气和燃油混合气。
单独出售,每辆车需要6个或12个,具体取决于车型。
适用:
保时捷 911 E 1969 - 1971
保时捷 911 /L/TU/T
保时捷 911 T / 911 TV
保时捷 911 TE/E 1972 - 1973
保时捷 914-6 1970 - 1976
图示编号 8
进气歧管垫片在维持发动机正常的空气和真空流动方面起着至关重要的作用。随着时间的推移,以及在高温和振动的影响下,垫片可能会变脆、压缩或老化,从而导致:
•真空泄漏
•怠速不稳和顿挫
•燃油消耗量增加
•发动机效率下降。
在经典保时捷车型中,使用正品保时捷原厂零件更换磨损或损坏的垫片有助于恢复正确的密封性,稳定真空度,并提高发动机性能。
何时更换
如果出现以下情况,请更换此进气歧管垫片:
•存在真空泄漏或怠速不稳的迹象
•您注意到发动机舱发出嘶嘶声或进气声
•垫圈已老化、开裂或损坏
•您正在进行发动机、歧管或燃油系统维修
•您正在修复或维护一台经典的保时捷发动机
相关参考编号
相关编号、被取代编号、交叉引用编号或替代编号,供比较之用。
90110839104
您正在查看的产品与这些编号存在交叉引用关系
- Porsche 911 1965-1968 2.0L / 912 SWB (F)
- Porsche 911 1968-1973 2.2L / 2.4L / 2.7L RS LWB (F)
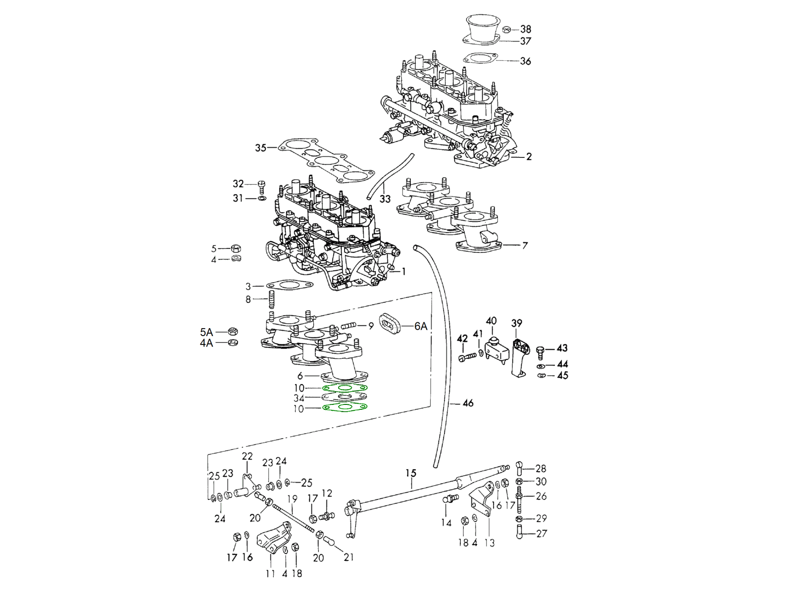
这款高品质进气歧管垫片按照保时捷原厂规格制造。它作为特定经典保时捷发动机进气歧管和气缸盖之间的精密密封部件,确保发动机获得充足的空气和燃油供应。
单独出售,每辆车需要6个或12个,具体取决于车型。
适用:
保时捷 911 E 1969 - 1971
保时捷 911 / L / TU / T
保时捷 911 T / 911 TV
保时捷 911 TE / E 1972 - 1973
保时捷 914-6 1970 - 1976
图示编号 8(或 10)
进气歧管垫片在进气歧管和气缸盖之间形成紧密、无泄漏的密封。其主要作用是防止空气和燃油混合物泄漏,维持适当的真空度,并确保发动机运转时每个气缸都能获得正确的空气和燃油混合比。如果垫片密封不良,发动机可能会吸入未经计量的空气,导致运转不稳、油耗增加和性能下降。
安装在进气歧管和发动机缸盖之间的垫片:
•密封进气口,防止真空和压力泄漏
•保持适当的空燃混合气进入燃烧室
•降低外部泄漏的风险,防止污染物或高温气体进入不希望进入的区域。
•有助于发动机平稳运行,怠速稳定,油门响应灵敏,效率高。垫片采用优质材料制成,可抵抗经典保时捷发动机特有的高温、高压和化学侵蚀。
随着时间的推移,进气歧管垫片会因高温、振动和化学物质的作用而变脆、压缩或老化。当垫片失效时:
未经计量的空气会进入发动机,导致混合气过稀。
•可能出现怠速不稳和顿挫现象
•燃油消耗量可能会增加
真空泄漏会导致性能不稳定
更换磨损的垫片可以恢复正确的密封,改善发动机的整体呼吸,并有助于保持出厂规格的性能。
如果发现以下情况,请更换进气歧管垫片:
•怠速不稳或发动机性能不稳定
•燃油效率突然下降
•可见的真空泄漏或进气噪音
•在拆卸进气歧管进行维修期间
•发动机大修或修复
相关参考编号
相关编号、被取代编号、交叉引用编号或替代编号,供比较之用。
90110839104
您正在查看的产品与这些编号存在交叉引用关系
- Porsche 911 1965-1968 2.0L / 912 SWB (F)
- Porsche 911 1968-1973 2.2L / 2.4L / 2.7L RS LWB (F)
- Porsche 911 1974-1977 2.7L / 1976-77 3.0 Carrera
单独出售 - 每辆车需要 6 个

适合:
保时捷 911 - 1965 年至 1969 年
保时捷 911 E Sportomatic - 1970 年至 1973 年
使用已停产已久的保时捷零件的高质量复制品来增强您的经典保时捷的发动机舱。
采用 SolidWorks CAD 设计,精确模制,完美贴合时代特征
HDPE 结构,带加固安装片
这些速度堆栈将适合以下应用:
3 桶 Weber 和 Zenith 化油器
保时捷机械燃油喷射节气门体
不适合 PMO 感应化油器或 EFI 系统
高 2 英寸,内径 38 毫米
单独出售,订购 (6) 即可让您的发动机焕然一新
单击“放大”可查看大部件图。
图表参考编号 30
相关参考编号
相关编号、被取代编号、交叉引用编号或替代编号,供比较之用。
91111032202
您正在查看的产品与这些编号存在交叉引用关系
- Porsche 911 1965-1968 2.0L / 912 SWB (F)
- Porsche 911 1968-1973 2.2L / 2.4L / 2.7L RS LWB (F)
- Porsche 911 1974-1977 2.7L / 1976-77 3.0 Carrera
单独出售 - 每辆车需要 6 个

适合:
保时捷 911 - 1965 年至 1973 年
保时捷 911 2.7 Carrera MFI - 1974 年至 1976 年
使用已停产已久的保时捷零件的高质量复制品来增强您的经典保时捷的发动机舱。
采用 SolidWorks CAD 设计,精确模制,完美贴合时代特征
带加固安装片的 HDPE 结构
这些速度堆栈将适合以下应用:
3 桶 Weber 和 Zenith 化油器
保时捷机械燃油喷射节气门体
不适合 PMO 感应化油器或 EFI 系统
高 2 英寸,内径 46 毫米
单独出售,订购 (6) 即可让您的发动机焕然一新
单击“放大”可查看大部件图。
图表参考编号 30
相关参考编号
相关编号、被取代编号、交叉引用编号或替代编号,供比较之用。
91111032201
您正在查看的产品与这些编号存在交叉引用关系
-
carburettor system - WEBER - M 090 7001 >> for 911 /L/S/TU UPTO 1968 and 911 T 1969 ONWARDS 107-00
-
single parts carburettor - WEBER - for 911 /L/S/TU UPTO 1968 and 911 T 1969 ONWARDS 107-05
-
carburettor system with - SOLEX 40 PI-1 - for 911 UPTO 1968 107-06
-
carburettor system with SOLEX-40 PII-4 for 912 1965-69 107-10
-
injection system throttle body for 911 E/S 1969 ONWARDS 107-25
进气歧管——保时捷发动机的精确气流分配
进气歧管,通常称为进气歧管,是保时捷发动机中至关重要的部件,确保每个气缸的空气分配均匀。通过控制进入燃烧室的空气供应,这些歧管可以优化发动机进气,从而提高燃油效率、油门响应和整体性能。
Design911 为众多保时捷车型提供各种原装高品质进气歧管,包括 911、Boxster、Cayman、Cayenne、Macan 和 Panamera。每个部件均采用高强度材料精制而成,可提供稳定的气流、卓越的耐用性和精准的装配,从而保持您保时捷的动力和精致。
进气歧管起什么作用?
进气歧管是进气系统的关键部件,负责管理和分配来自节气门体的空气,使其进入发动机气缸。其功能包括:
- 向每个气缸输送均匀的气流,实现高效燃烧。
- 优化所有发动机转速下的扭矩和功率输出。
- 平衡气压,实现更平稳的怠速和加速。
- 通过一致的气流管理增强发动机冷却和燃油经济性。
在注重性能的保时捷发动机中,进气歧管经过精心调校,以最大限度地提高气流动力 - 直接影响汽车的响应能力和驾驶感觉。
进气歧管为何会发生故障?
进气歧管在持续的压力、热量和振动下运行,随着时间的推移,这些因素可能会导致其性能下降。常见的故障原因包括:
- 由于热循环导致塑料或铝制外壳出现裂缝或泄漏。
- 积碳限制了流经歧管的气流。
- 垫圈或密封件故障导致未计量的空气进入系统。
- 真空泄漏影响怠速稳定性和性能。
- 回火或过压造成的机械损坏。
进气歧管故障的症状可能包括怠速不稳、动力损失、发动机失火、油耗增加或与进气不规则相关的发动机故障灯亮起。
为什么要更换损坏的进气歧管?
空气歧管破裂或泄漏会导致空气不平衡、燃烧不良以及发动机效率降低。更换该部件可恢复顺畅的气流,优化燃油经济性,并保护发动机健康。
更换的好处包括:
- 恢复气流并平衡燃烧。
- 改善油门响应和动力输出。
- 减少排放并提高燃油效率。
- 具有制造商品质精度的长期可靠性。
Design911 提供的所有进气歧管均采用优质材料、精密设计的密封表面和优化的气流几何形状制成,确保标准和高性能保时捷发动机的持久耐用性和最佳性能。