在此输入您的增值税号,然后单击验证:
您的详细信息已经过验证。增值税号注册至:
,
。
现在,您的订单的增值税税率为零。我们保留在您提出订单请求后验证这些详细信息的权利,并在需要时恢复增值税。
您的增值税详细信息无法识别或无效。您的增值税号必须与上面指定的帐单国家/地区相匹配。当前指定为 。您无需输入增值税号的国家/地区代码部分,因为已在上面的帐单地址详细信息中选择了该部分。
增值税号查询服务目前已离线。请在下面的评论或特殊说明字段中提供您的增值税详细信息,我们将在您提出订单请求后应用增值税折扣。
前侧车顶支架
- Porsche 911 1965-1968 2.0L / 912 SWB (F)
- Porsche 911 1968-1973 2.2L / 2.4L / 2.7L RS LWB (F)
- Porsche 911 1974-1977 2.7L / 1976-77 3.0 Carrera
- Porsche 911 1978-1983 3.0L / SC
- Porsche 911 1984-1986 3.2L
- Porsche 911 1987-1989 3.2L G50
- Porsche 911 1975-1977 3.0L Turbo (930)
- Porsche 911 1978-1989 3.3L Turbo (930)
- Porsche 914 (1970-1976)
Sold as Pair, 1 pair required per car

Fits:
Porsche 911 / 912 / 930 1966-89
Porsche 914 1970-76
Performance
Today's sticky tire compounds generate corner loads that easily compress factory rubber bushings causing wandering alignment settings. The result is that camber and toe change unpredictably, making steering imprecise and the car difficult to drive fast.
Monoball Cartridges replace compliant factory rubber bushings with hardened-steel spherical bearings. Unlike poly bushings that bind and resist movement, true spherical bearings allow free motion on multiple axis.
• Precise, razor sharp handling
• Holds alignment settings true
• Weather-Sealed for long life
• Eliminates camber loss due to compression
• Extremely low friction
Weather Seals
Our proprietary-design Monoball cartridges have optional weather seals to keep dirt out and extend product life.
This is the only Monoball suitable for street or extended track use. Dirt and water contaminate ordinary products and accelerate wear.
Fitment
Front monoballs fit easily into the stock camber plates of 67-89 911/912/930 cars (911 341 018 00). Cars with pre-67 camber plates are recommended to switch to a 67-89 camber plate for fitment. 65 cars without camber plates require grinding to enlarge the strut top opening to allow fitment of the cartridges.
Easy Bushing Replacement How-To
Your existing bushings are pressed in place, they will need to be pressed out, and you will need to press in the new bushings but it's really easy when you have the right tools. To ease and speed the bushing removal and installation process without using a shop press please see our purpose designed Split Bushing Removal Tool and our Bushing Installation tool.
相关参考编号
相关编号、被取代编号、交叉引用编号或替代编号,供比较之用。
2011000
您正在查看的产品与这些编号存在交叉引用关系
- Porsche 911 1965-1968 2.0L / 912 SWB (F)
- Porsche 911 1968-1973 2.2L / 2.4L / 2.7L RS LWB (F)
- Porsche 911 1974-1977 2.7L / 1976-77 3.0 Carrera
- Porsche 911 1978-1983 3.0L / SC
- Porsche 911 1984-1986 3.2L
- Porsche 911 1987-1989 3.2L G50
- Porsche 911 1975-1977 3.0L Turbo (930)
- Porsche 911 1978-1989 3.3L Turbo (930)
- Porsche 914 (1970-1976)
use ONLY with QuickChange camber plates 2152200
1 kit, req'd per car.

Fits:
Porsche 911 / 912 / 930 / 914 1965-1989
Product description:
Coilover springs increase the diameter of front struts, often contacting the chassis such that the spring diameter limits the available camber adjustment range.
These extended-length upper spring perches solve the problem by moving the spring down where it won't contact the chassis.
Some cars can get over a degree of added camber adjustment range.
Extended-length perches are available for 2.25″ springs. You can add a 2.25″ to 2.5″ adaptor to use with 2.5″ springs.
Available with a 26mm ID for use only with QuickChange camber plates and with a 16mm ID for use with conventional camber plates.
相关参考编号
相关编号、被取代编号、交叉引用编号或替代编号,供比较之用。
2280902
您正在查看的产品与这些编号存在交叉引用关系
- Porsche 911 1965-1968 2.0L / 912 SWB (F)
- Porsche 911 1968-1973 2.2L / 2.4L / 2.7L RS LWB (F)
- Porsche 911 1974-1977 2.7L / 1976-77 3.0 Carrera
- Porsche 911 1978-1983 3.0L / SC
- Porsche 911 1984-1986 3.2L
- Porsche 911 1987-1989 3.2L G50
- Porsche 911 1975-1977 3.0L Turbo (930)
- Porsche 911 1978-1989 3.3L Turbo (930)
- Porsche 914 (1970-1976)
for stock and offset camber plates
1 kit, req'd per car.

Fits:
Porsche 911 / 912 / 930 / 914 1965-1989
Product description:
Coilover springs increase the diameter of front struts, often contacting the chassis such that the spring diameter limits the available camber adjustment range.
These extended-length upper spring perches solve the problem by moving the spring down where it won't contact the chassis.
Some cars can get over a degree of added camber adjustment range.
Extended-length perches are available for 2.25″ springs. You can add a 2.25″ to 2.5″ adaptor to use with 2.5″ springs.
Available with a 26mm ID for use only with QuickChange camber plates and with a 16mm ID for use with conventional camber plates.
相关参考编号
相关编号、被取代编号、交叉引用编号或替代编号,供比较之用。
2280904
您正在查看的产品与这些编号存在交叉引用关系
- Porsche 911 1965-1968 2.0L / 912 SWB (F)
- Porsche 911 1968-1973 2.2L / 2.4L / 2.7L RS LWB (F)
- Porsche 911 1974-1977 2.7L / 1976-77 3.0 Carrera
- Porsche 911 1978-1983 3.0L / SC
- Porsche 911 1984-1986 3.2L
- Porsche 911 1987-1989 3.2L G50
- Porsche 911 1975-1977 3.0L Turbo (930)
- Porsche 911 1978-1989 3.3L Turbo (930)
- Porsche 914 (1970-1976)
适合:
保时捷 911 / 912 / 930 / 914 全部 1969-89 年
不适合 SWB 车型
适用于您的 911/914 的高密度前支撑架不仅可替换磨损的原厂橡胶件,还能带来更佳的操控性和乘坐体验,且不会过硬。其刚度比原厂高出 25%,堪称一项绝佳的折衷方案,得益于其更高的刚度,前悬架在颠簸路面和转弯时能够保持更佳的定位和几何形状。即使在赛道上,这些支撑架也能提供更接近原厂的驾乘体验,而非我们更注重赛道的全外倾角板和单球式支撑架。
相关参考编号
相关编号、被取代编号、交叉引用编号或替代编号,供比较之用。
91134101800
您正在查看的产品与这些编号存在交叉引用关系
- Porsche 911 1965-1968 2.0L / 912 SWB (F)
- Porsche 911 1968-1973 2.2L / 2.4L / 2.7L RS LWB (F)
- Porsche 911 1974-1977 2.7L / 1976-77 3.0 Carrera
- Porsche 911 1978-1983 3.0L / SC
- Porsche 911 1984-1986 3.2L
- Porsche 911 1987-1989 3.2L G50
- Porsche 911 1975-1977 3.0L Turbo (930)
- Porsche 911 1978-1989 3.3L Turbo (930)
- Porsche 914 (1970-1976)
成对出售(两个支柱顶部)
适用于零件编号:91134101800

適用於:
保时捷 911 1965-1989
保时捷 914 1970-1976
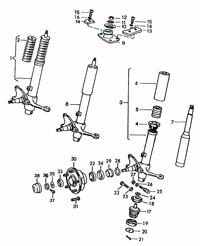
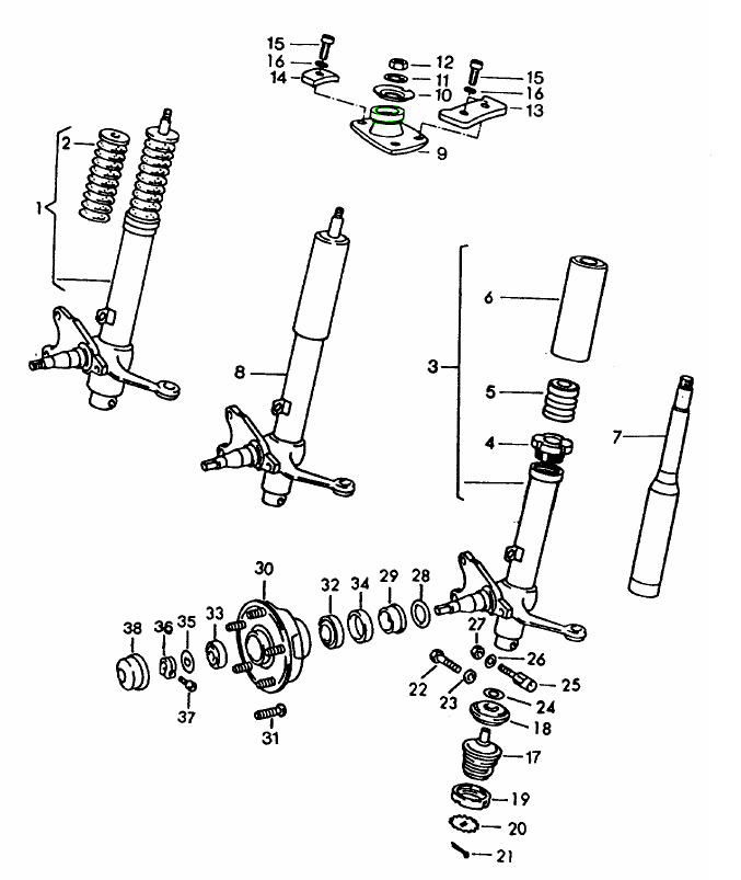
单击“放大”可查看大部件图。
适合图表上的第 9 号。
Powerflex。用聚氨酯悬架衬套替换您的汽车橡胶悬架衬套将为您带来以下好处:
- 更好的抓地力
- 恒定转向几何
- 延长轮胎寿命
- 转向更灵敏
- 悬架部件的使用寿命更长
相关参考编号
相关编号、被取代编号、交叉引用编号或替代编号,供比较之用。
PFF57-406
您正在查看的产品与这些编号存在交叉引用关系
- Porsche 911 1965-1968 2.0L / 912 SWB (F)
- Porsche 911 1968-1973 2.2L / 2.4L / 2.7L RS LWB (F)
- Porsche 911 1974-1977 2.7L / 1976-77 3.0 Carrera
- Porsche 911 1978-1983 3.0L / SC
- Porsche 911 1984-1986 3.2L
- Porsche 911 1987-1989 3.2L G50
- Porsche 911 1975-1977 3.0L Turbo (930)
- Porsche 911 1978-1989 3.3L Turbo (930)
- Porsche 914 (1970-1976)
Sold as a pair (both strut tops)
Fits onto part number: 91134101800

Fits:
Porsche 911 1965-1989
Porsche 914 1970-1976
Click 'Zoom in' for large parts diagram.
Fits to No 9 on the diagram.
Powerflex Black Series - Designed for the Track - Ready to Race - Engineered to be the best.
Powerflex Black Series bushes are manufactured using a 95 Shore A compound to provide maximum control of chassis geometry. This compound can be up to 80% more resistant to load than standard rubber and 25% stiffer than our purple performance material.
If your requirements are purely for the ultimate in handling and chassis performance then Powerflex Black Series are unique, offering the most precise and accurate alignment for your chassis.
相关参考编号
相关编号、被取代编号、交叉引用编号或替代编号,供比较之用。
PFF57-406BLK
您正在查看的产品与这些编号存在交叉引用关系
- Porsche 911 1965-1968 2.0L / 912 SWB (F)
- Porsche 911 1968-1973 2.2L / 2.4L / 2.7L RS LWB (F)
- Porsche 911 1974-1977 2.7L / 1976-77 3.0 Carrera
- Porsche 911 1978-1983 3.0L / SC
- Porsche 911 1984-1986 3.2L
- Porsche 911 1987-1989 3.2L G50
- Porsche 911 1975-1977 3.0L Turbo (930)
- Porsche 911 1978-1989 3.3L Turbo (930)
- Porsche 914 (1970-1976)
Sold as a pair (both strut tops)
Fits onto part number: 91134101800

Fits:
Porsche 911 1965-1989
Porsche 914 1970-76
Click 'Zoom in' for large parts diagram.
Fits to No 9 on the diagram.
Powerflex Heritage Collection. For Modern Day Classics.
POWERFLEX Heritage Collection bushes are manufactured using modern day materials with properties biased for the road. These dark grey coloured bushes will improve any collectors car, whilst retaining the same standard appearance of a rubber bush.
POWERFLEX Heritage Collection bushes are manufactured using modern day materials with properties biased for the road. These dark grey coloured bushes will improve any collector's car, whilst retaining the same standard appearance of a rubber bush.
相关参考编号
相关编号、被取代编号、交叉引用编号或替代编号,供比较之用。
PFF57-406H
您正在查看的产品与这些编号存在交叉引用关系
- Porsche Boxster 986 2.5L 1997-99
- Porsche Boxster 986 2.7L 1999-02
- Porsche Boxster S 986 3.2L 1999-02
- Porsche Boxster 986 2.7L 2003-04
- Porsche Boxster S 986 3.2L 2003-04
- Porsche Boxster 987 2.7L 2005 -08/08
- Porsche Boxster 987 S 3.2/3.4L 2005-08/08
- Porsche Boxster 987 MKII 2.9L 2009-2012
- Porsche Boxster S 987 MKII 3.4L 2009-2012
- Porsche 996 C2 3.4L 1997-08/01
- Porsche 996 C2 3.6L 09/01-2005
- Porsche 996 GT3 MKI 1999-02
- Porsche 996 GT3 MKII 2003>>
- Porsche 997 MK1 Carrera 2 3.6L 2005-08
- Porsche 997 MK1 Carrera 2S 3.8L 2005-08
- Porsche 997 MK1 GT3 2007-09
- Porsche 997 MKII Carrera C2 3.6L 2009-12
- Porsche 997 MKII Carrera C2S 3.8L 2009-12
- Porsche Cayman 2.7L 987C 2006-08
- Porsche Cayman S 3.4L 987C 2005-08
- Porsche Cayman 2.9L 987C MKII 2009-12
- Porsche Cayman S / R 3.4L 987C MKII 2009-12
- Porsche 914 (1970-1976)
Sold per kit, 1 kit req'd per car.


Porsche 996 / 997 C2 models 1999-2012
Porsche 986 / 987 1997-12
Elephant Racing's QuickChange™ Camber plates offer true ease of adjustment. The "slider" design allows a full range of adjustment without the need for removing and rotating the plate for C2, C4, and Turbo models.
More Camber
Range of adjustment is extreme, with 19mm of added travel. This delivers over 2 degrees of added camber, allowing even DOT-R tires and slicks to produce maximum grip.
QuickChange Camber Plate for C4 and Turbo Models
The Quickchange camber plates are available for C2, C4 and Turbo models and work with stock-type springs and coilovers. They will not raise ride height when used with stock-type springs.
Higher Performance
Spherical bearings further improve performance. The spherical bearings pivot freely, but eliminate the deflection that is inherent with the factory rubber bushings. This is important for two reasons;
– The factory rubber acts as a spring in series with the strut. This rubber spring-action is completely un-damped and reduces the struts ability to control the tire contact patch. The spherical bearing allows the strut damper to do its job and control the contact patch.
– The factory rubber deflects sideways under cornering loads, causing loss of camber just when you need it most. Our spherical bearings eliminate the deflection, maintaining stable and predictable camber.
Fully Weather Sealed
The included spherical bearings are oversized, maintenance-free, and PTFE lined – they never need lubrication.
Integrated weather seals on both bottom and top of the spherical bearing extend bearing life. Dirt and water enter competing non-sealed products to accelerate bearing wear. Worse yet are bottom-only seals that can actually trap water that enters the open bearing top!
Our weather seals are fully compatible with coilovers and stock type springs.
Use Stock Springs or Coilovers
Fully compatible with stock springs and aftermarket lowering springs. Also supports coilovers that use and upper spring perch.
相关参考编号
相关编号、被取代编号、交叉引用编号或替代编号,供比较之用。
2152205
您正在查看的产品与这些编号存在交叉引用关系
- Porsche 996 C4 3.6L 09/01-2005
- Porsche 996 C4S 3.6L 09/01-2005
- Porsche 996 TURBO 2000-05
- Porsche 997 MK1 Carrera 4 3.6L 2005-08
- Porsche 997 MK1 Carrera 4S 3.8L 2005-08
- Porsche 997 MK1 TURBO 2007-09
- Porsche 997 MKII Carrera C4 3.6L 2009-12
- Porsche 997 MKII Carrera C4S 3.8L 2009-12
- Porsche 997 MKII Turbo 2010-13
- Porsche 914 (1970-1976)
Sold per kit, 1 kit req'd per car.

Elephant Racing's QuickChange™ Camber plates offer true ease of adjustment. The "slider" design allows a full range of adjustment without the need for removing and rotating the plate for C2, C4, and Turbo models.
Fits:
Porsche 996/997 C4 and Turbo Models 1999-2012
More Camber
Range of adjustment is extreme, with 19mm of added travel. This delivers over 2 degrees of added camber, allowing even DOT-R tires and slicks to produce maximum grip.
QuickChange Camber Plate for C4 and Turbo Models
The Quickchange camber plates are available for C2, C4 and Turbo models and work with stock-type springs and coilovers. They will not raise ride height when used with stock-type springs.
Higher Performance
Spherical bearings further improve performance. The spherical bearings pivot freely, but eliminate the deflection that is inherent with the factory rubber bushings. This is important for two reasons;
– The factory rubber acts as a spring in series with the strut. This rubber spring-action is completely un-damped and reduces the struts ability to control the tire contact patch. The spherical bearing allows the strut damper to do its job and control the contact patch.
– The factory rubber deflects sideways under cornering loads, causing loss of camber just when you need it most. Our spherical bearings eliminate the deflection, maintaining stable and predictable camber.
Fully Weather Sealed
The included spherical bearings are oversized, maintenance-free, and PTFE lined – they never need lubrication.
Integrated weather seals on both bottom and top of the spherical bearing extend bearing life. Dirt and water enter competing non-sealed products to accelerate bearing wear. Worse yet are bottom-only seals that can actually trap water that enters the open bearing top!
Our weather seals are fully compatible with coilovers and stock type springs.
Use Stock Springs or Coilovers
Fully compatible with stock springs and aftermarket lowering springs. Also supports coilovers that use and upper spring perch.
相关参考编号
相关编号、被取代编号、交叉引用编号或替代编号,供比较之用。
2152210
您正在查看的产品与这些编号存在交叉引用关系
- Porsche 911 1965-1968 2.0L / 912 SWB (F)
- Porsche 911 1968-1973 2.2L / 2.4L / 2.7L RS LWB (F)
- Porsche 911 1974-1977 2.7L / 1976-77 3.0 Carrera
- Porsche 911 1978-1983 3.0L / SC
- Porsche 911 1984-1986 3.2L
- Porsche 911 1987-1989 3.2L G50
- Porsche 911 1975-1977 3.0L Turbo (930)
- Porsche 911 1978-1989 3.3L Turbo (930)
- Porsche 914 (1970-1976)
91134101800 的替代品。
适合:
保时捷 911/912/930/914 1966-89
* 请参阅安装说明
独立于主销后倾角,快速改变主销后倾角。
螺栓固定式外倾角板,可轻松调节外倾角,不受主销后倾角影响。无需外倾角仪即可通过刻度进行调节。可根据轮胎温度信息在赛道侧更改外倾角,或在街道和赛道设置之间轻松切换。
✓ 增加 +/- 1.25 度范围
✓ 独立于主销后倾角调整外倾角
✓ 改变轨道侧倾角
✓ 无需仪表即可调整
✓ 完全螺栓固定
QuickChange 可实现外倾角灵活性。
松开大型中心螺母即可快速调整外倾角。内置刻度盘,无需外倾角规即可精准定位。附带的安全挡圈可防止螺母在扭矩不足时脱落。
您可以轻松维护单独的街道和轨道外倾角设置,或根据轮胎温度快速进行轨道侧调整。
所包含的单球尺寸较大,使用寿命长,可在精确定位支柱顶部的同时提供自由、不受约束的运动。
非常适合配备扭力杆和绞牙避震的汽车。
Koni 和 Boge 刀片需要单独购买 Koni/Boge 转接套件。Von 和 Bilstein 刀片无需转接套件。
请注意:
• QuickChange 外倾角板适用于 1966 年至 1989 年的 911/912/930 和 914 车型。可与 Von、Bilstein、Koni、Boge 和其他品牌的内衬一起使用。
• Koni 和 Boge 支柱插入件必须使用 Koni/Boge 插入件适配器(单独提供)- Elephant Racing 零件编号 2152203(也可能适用于其他品牌)。
• Von 和 Bilstein 刀片不得使用 Koni/Boge 刀片适配器。Von 和 Bilstein 刀片不可使用适配器。
• QuickChange 外倾角板可与螺旋弹簧套件一起使用。如需与带 Von 或 Bilstein 内衬的螺旋弹簧套件一起使用,则必须使用 Elephant Racing 加长上弹簧座(适用于 QuickChange 外倾角板,零件号2280902) 。如需与带其他品牌内衬的螺旋弹簧套件一起使用,则必须使用 Elephant Racing 加长上弹簧座(零件号2280904) 。
•请勿安装支柱顶部防尘罩(支柱顶部的金属“罐”)。您可以根据需要安装橡胶波纹管来提供防尘保护,该橡胶波纹管需单独购买。
相关参考编号
相关编号、被取代编号、交叉引用编号或替代编号,供比较之用。
2152200
您正在查看的产品与这些编号存在交叉引用关系
- Porsche 964 (911) C2 1989-93
- Porsche 964 (911) C4 1989-93
- Porsche 964 (911) RS 3.6L 1991-93
- Porsche 964 (911) RS 3.8L 1991-93
- Porsche 964 (911) TURBO 3.3L 1991-93
- Porsche 964 (911) TURBO 3.6L 1991-93
- Porsche 993 (911) C2 1994-97
- Porsche 993 (911) C4 1994-97
- Porsche 993 (911) RS 1994-97
- Porsche 993 (911) C2S 1994-97
- Porsche 993 (911) C4S 1994-97
- Porsche 993 (911) TURBO 1994-96
- Porsche 993 (911) GT2 1994-97
- Porsche 993 (911) TURBO S 1994-97
- Porsche 914 (1970-1976)
按套件出售,每辆车需要 1 套。
扩大外倾角调整范围并轻松拨入您想要的设置。
这些板采用高强度硬化钢球形轴承,可直接替换原厂板。我们套件中使用的特氟隆内衬球形轴承无需维护,也无需额外润滑。附带的密封件可防止水或污垢污染,从而延长轴承寿命。
适合:
保时捷 964 1990-94 / 993 1995-98 前外倾角板 14mm 垫片
完全防风雨密封:
我们在顶部和底部设计了防风雨密封条,有效防止灰尘进入,延长产品使用寿命。这是唯一一款适合街道或长距离赛道使用的外倾角板。灰尘和水会污染普通产品,加速磨损。
此外倾角板适用于非原厂上弹簧座和弹簧。该套件可完美搭配 Von Coilover 系统或其他类似解决方案。
请注意:如果您希望将此外倾板套件与工厂或降低弹簧结合使用,请联系我们。
外倾角调节方便
外倾角板上的指标允许测量变化,无需设置工具。
延长脚轮
这些板具有与 993 相同的脚轮,可在转弯时增强外倾角增益。
改进的减震器/绞牙避震性能
球面轴承进一步提升了性能。球面轴承可自由旋转,消除了原厂橡胶衬套固有的挠度。这一点非常重要,原因有二:
– 原厂橡胶与减震器串联,起到弹簧的作用。这种橡胶弹簧的作用完全没有阻尼,降低了减震器控制轮胎接地面积的能力。球面轴承使减震器能够正常工作,控制接地面积。
– 原厂橡胶在转弯载荷下会侧向变形,导致在您最需要外倾角时损失外倾角。我们的球面轴承可消除这种变形,保持稳定且可预测的外倾角。
相关参考编号
相关编号、被取代编号、交叉引用编号或替代编号,供比较之用。
2152202
您正在查看的产品与这些编号存在交叉引用关系
- Porsche 911 1965-1968 2.0L / 912 SWB (F)
- Porsche 911 1968-1973 2.2L / 2.4L / 2.7L RS LWB (F)
- Porsche 911 1974-1977 2.7L / 1976-77 3.0 Carrera
- Porsche 911 1978-1983 3.0L / SC
- Porsche 911 1984-1986 3.2L
- Porsche 911 1987-1989 3.2L G50
- Porsche 911 1975-1977 3.0L Turbo (930)
- Porsche 911 1978-1989 3.3L Turbo (930)
- Porsche 914 (1970-1976)
- Porsche 912E 4CYL 1976
每辆车需要 1 套
适合:
保时捷 911 1965 - 1970
保时捷 911 1971 - 1989
保时捷 912
保时捷 914
工厂驾驶和性能
适用于 1965 年至 1970 年早期款式的外倾角板和 1971 年至 1989 年晚期款式的外倾角板。
易于安装- 使用普通手动工具即可在外倾板仍在车内的情况下进行安装。
恢复驾驶和性能——如果您想恢复出厂时的驾驶和性能,橡胶是最佳选择。
橡胶衬套
适用于工厂支柱顶部外倾板的真正橡胶替换衬套。
“运动”硬度橡胶化合物通过减少负载下的偏转来提高性能,同时保持橡胶的骑行特性。
相关参考编号
相关编号、被取代编号、交叉引用编号或替代编号,供比较之用。
PR9
您正在查看的产品与这些编号存在交叉引用关系
使用高性能顶部支架增强您的保时捷悬架:技术规格和优势
高性能悬挂顶部支架的技术规格:
- 性能悬架上支座(也称为支柱支座或轴承板)是将悬架支柱连接到保时捷底盘的部件。
- 它们通常由铝合金或增强橡胶等高质量材料制成。
- 与标准支架相比,性能顶部支架具有更坚固的结构和改进的设计,从而提供了增强的性能和耐用性。
- 它们具有多种设计和选项,以适合不同的保时捷车型和悬架设置。
- 性能悬架上支架可作为保时捷车辆的售后升级或标准替换件。
升级或更换保时捷性能悬架顶部支架的好处:
改善操纵性和稳定性:性能顶部支架提供更高的刚度和精度,增强车辆在转弯和高速操纵时的操纵特性和整体稳定性。
增强的悬架反馈:升级到性能支架可改善悬架反馈,使驾驶员能够更好地感知和响应道路状况,从而带来更具吸引力的驾驶体验。
降低噪音、振动和声振粗糙度 (NVH):更坚固的顶部支架有助于最大限度地减少传输到底盘的不必要的振动和噪音,从而带来更平稳、更舒适的乘坐体验。
增强的悬架几何结构:性能顶部支架可进行精确的校准调整,优化悬架几何结构,从而改善轮胎磨损、牵引力和转弯性能。
提高耐用性:性能顶部支架旨在承受更高的负载,与标准支架相比,耐用性更高,即使在苛刻的驾驶条件下也能确保长使用寿命。
在 Design911,我们专门为您的保时捷提供合适的零件和专业建议。我们提供专为保时捷车型设计的各种高性能悬架上支架,包括售后升级和 OEM 更换。我们知识渊博的团队可以根据您的保时捷车型、年份和特定的悬架要求帮助您选择合适的上支架。我们了解在性能和舒适性之间找到适当平衡的重要性,我们可以指导您选择最适合您需求的最佳上支架。凭借我们的专业知识和对客户满意度的承诺,我们可以帮助您提升保时捷的悬架性能、操控性和整体驾驶体验。立即联系我们,享受我们的全面支持并获得根据您的要求量身定制的高质量零件。