OE Match
OE Match è un marchio che fornisce un'ampia gamma di componenti Porsche, dalle guarnizioni alla componentistica per sospensioni, dai componenti del motore alle finiture interne. Oltre 6.700 codici articolo e oltre 11.800 riferimenti incrociati OE sono catalogati, e le nuove linee sono in continuo sviluppo.
OE Match ha oltre 100 nuovi prodotti attualmente in fase di progettazione, che saranno sottoposti a controlli di qualità e aggiunti al catalogo. La missione è quella di garantire la continuità operativa di tutti i veicoli Porsche offrendo un'ampia selezione di ricambi in grado di risolvere i problemi più diversi nelle diverse generazioni di Porsche.
- Porsche Boxster 986 2.5L 1997-99
- Porsche Boxster 986 2.7L 1999-02
- Porsche Boxster S 986 3.2L 1999-02
- Porsche Boxster 986 2.7L 2003-04
- Porsche Boxster S 986 3.2L 2003-04
- Porsche 996 C2 3.4L 1997-08/01
- Porsche 996 C4 3.4L 1997-08/01
- Porsche 996 C2 3.6L 09/01-2005
- Porsche 996 C4 3.6L 09/01-2005
- Porsche 996 C4S 3.6L 09/01-2005
- Porsche 996 TURBO 2000-05
- Porsche 996 GT2 2001-05
- Porsche 996 GT3 MKI 1999-02
- Porsche 996 GT3 MKII 2003>>
- Porsche 996 GT3 RS 2003-04

Si adatta:
Porsche 986 Boxster - dal 1997 al 2004
Porsche 986 Boxster S - dal 1997 al 2004
Porsche 996 Carrera 2 / Carrera 4 - dal 1997 al 2005
Porsche 996 Carrera 4S - dal 1997 al 2005
Porsche 996 turbo/turbo S/GT2 - dal 2001 al 2005
Porsche 996 GT3 / GT3 RS - dal 2003 al 2005
Fare clic su "Zoom avanti" per il diagramma delle parti di grandi dimensioni.
Rif. diagramma n. 21
Numeri di riferimento correlati
Numeri correlati, sostituiti, riferimenti incrociati o alternativi per il confronto.
99660520301
Il prodotto che stai visualizzando fa riferimento a questi numeri
- Porsche 993 (911) C2 1994-97
- Porsche 993 (911) C4 1994-97
- Porsche 993 (911) C2S 1994-97
- Porsche 993 (911) C4S 1994-97
- Porsche 993 (911) TURBO 1994-96
- Porsche 993 (911) TURBO S 1994-97
Ammortizzatore del coperchio di ricambio, impedisce la caduta del coperchio.

Si adatta:
Opzione Porsche 993 Cabriolet 1994-98 M602
Numeri di riferimento correlati
Numeri correlati, sostituiti, riferimenti incrociati o alternativi per il confronto.
99351232100
Il prodotto che stai visualizzando fa riferimento a questi numeri
- Porsche 911 1968-1973 2.2L / 2.4L / 2.7L RS LWB (F)
- Porsche 911 1974-1977 2.7L / 1976-77 3.0 Carrera
- Porsche 911 1978-1983 3.0L / SC
- Porsche 911 1984-1986 3.2L
- Porsche 911 1987-1989 3.2L G50
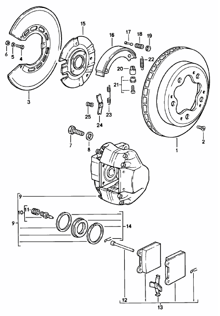
Ganasce freno a mano e kit molle. Porsche 911 1970-89. La molla arrugginita delle ganasce del freno a mano impedisce alle ganasce del freno a mano di agganciarsi o rilasciarsi, se non si rilasciano possono surriscaldarsi e causare gravi problemi.

Si adatta:
Porsche 911 1970-89
Numeri di riferimento correlati
Numeri correlati, sostituiti, riferimenti incrociati o alternativi per il confronto.
BRAKEKITHB911.1
Il prodotto che stai visualizzando fa riferimento a questi numeri
Questo kit è composto dai seguenti elementi:
- Porsche 911 1965-1968 2.0L / 912 SWB (F)
- Porsche 911 1968-1973 2.2L / 2.4L / 2.7L RS LWB (F)
- Porsche 911 1974-1977 2.7L / 1976-77 3.0 Carrera
- Porsche 911 1978-1983 3.0L / SC
- Porsche 911 1984-1986 3.2L
- Porsche 911 1987-1989 3.2L G50
- Porsche 911 1975-1977 3.0L Turbo (930)
Un set completo di quattro ganasce per il freno di stazionamento a tamburo interno, situato all'interno del disco freno posteriore (sezione a cappello). Queste ganasce si espandono meccanicamente per mantenere ferma l'auto quando si aziona la leva del freno a mano.
SET DI 4
Adatto a:
Porsche 911 1969 - 1989
Porsche 911 Turbo 3.0L 1975-1977
* (non compatibile con i modelli Turbo da 3,3 litri)
Questo set di ganasce per freno a mano offre una tenuta forte e affidabile in pendenza e durante il parcheggio. Garantisce un attrito costante per un azionamento saldo del freno a mano e ripristina il corretto funzionamento quando le ganasce originali risultano usurate, vetrificate o contaminate. Progettate per adattarsi perfettamente al tamburo, le ganasce garantiscono un contatto uniforme e un funzionamento meccanico fluido per prestazioni affidabili del freno di stazionamento.
Con il tempo, le ganasce del freno di stazionamento si usurano, si lucidano, si crepano o vengono contaminate dall'olio del cambio o dalla polvere dei freni. Questo provoca:
• Debole forza di tenuta del freno a mano
• Innesto o trascinamento non uniforme
• Aumento della corsa della leva o difficoltà nell'impostazione del freno
• Problemi di sicurezza quando si parcheggia sui pendii
Sostituendole con ganasce OE si ripristina la tenuta di frenata originale e si garantisce un'affidabile sicurezza di parcheggio.
Quando sostituire: installare nuove ganasce del freno di stazionamento se:
• Il freno a mano non tiene più saldamente
• Le scarpe sono consumate, screpolate o glassate
• C'è contaminazione da grasso o olio per ingranaggi
• Il freno a mano richiede una corsa eccessiva della leva
• Stai eseguendo la manutenzione dei freni posteriori o restaurando il veicolo
Numeri di riferimento correlati
Numeri correlati, sostituiti, riferimenti incrociati o alternativi per il confronto.
PCG35209711
Il prodotto che stai visualizzando fa riferimento a questi numeri
- Porsche 958 Cayenne S V8 4.8L Petrol 400HP 2010-17
- Porsche 958 Cayenne GTS V8 4.8L Petrol 400HP 2010-17
- Porsche 958 Cayenne Turbo V8 4.8L Petrol 500HP 2010-17
- Porsche 958 Cayenne Turbo S V8 4.8L Petrol 550HP 2010-17
- Porsche 970.1 Panamera S V8 4.8L 2009-13
- Porsche 970.1 Panamera 4S V8 4.8L 2009-13
- Porsche 970.1 Panamera GTS V8 4.8L 2011-13
- Porsche 970.1 Panamera Turbo V8 4.8L 2009-13
- Porsche 970.1 Panamera Turbo S V8 4.8L 2009-13
- Porsche 970.2 Panamera GTS V8 4.8L 4WD (440Hp) 2014-16
- Porsche 970.2 Panamera Turbo V8 4.8L (520Hp) 2014-16
- Porsche 970.2 Panamera Turbo V8 Executive 2014-16
- Porsche 970.2 Panamera Turbo S V8 4.8L 2014-16

Si adatta:
Porsche 971.1 Panamera S/4S 4.8 litri V8 - dal 2009 al 2013
Porsche 971.1 Panamera GTS 4,8 litri V8 - dal 2009 al 2013
Porsche 971.1 Panamera turbo / turbo S 4,8 litri V8 - dal 2009 al 2013
Porsche 971.2 Panamera GTS 4,8 litri V8 - dal 2014 al 2016
Porsche 971.2 Panamera turbo / turbo S 4.8 litri V8 dal 2014 al 2016
Porsche 958 Cayenne S / GTS 4,8 litri V8 - dal 2010 al 2017
Porsche 958 Cayenne turbo / turbo S 4,8 litri V8 - dal 2010 al 2017
Fare clic su "Zoom avanti" per il diagramma delle parti di grandi dimensioni.
Rif. diagramma n. 1 e 2
Numeri di riferimento correlati
Numeri correlati, sostituiti, riferimenti incrociati o alternativi per il confronto.
94810513
Il prodotto che stai visualizzando fa riferimento a questi numeri
- Porsche 993 (911) C2 1994-97
- Porsche 993 (911) C4 1994-97
- Porsche 993 (911) RS 1994-97
- Porsche 993 (911) C2S 1994-97
- Porsche 993 (911) C4S 1994-97
- Porsche 993 (911) TURBO 1994-96
- Porsche 993 (911) GT2 1994-97
- Porsche 993 (911) TURBO S 1994-97
le lampade non hanno il marchio E, utilizzare i portalampade esistenti

Si adatta:
Porsche 993 1994-97
Numeri di riferimento correlati
Numeri correlati, sostituiti, riferimenti incrociati o alternativi per il confronto.
99363140SETY
Il prodotto che stai visualizzando fa riferimento a questi numeri
- Porsche 993 (911) C2 1994-97
- Porsche 993 (911) C4 1994-97
- Porsche 993 (911) RS 1994-97
- Porsche 993 (911) C2S 1994-97
- Porsche 993 (911) C4S 1994-97
- Porsche 993 (911) TURBO 1994-96
- Porsche 993 (911) GT2 1994-97
- Porsche 993 (911) TURBO S 1994-97
le lampade non hanno il marchio E, utilizzare i portalampade esistenti

Si adatta:
Porsche 993 1994-97
Numeri di riferimento correlati
Numeri correlati, sostituiti, riferimenti incrociati o alternativi per il confronto.
99363140SET
Il prodotto che stai visualizzando fa riferimento a questi numeri
- Porsche 9YA Cayenne V6 3.0L Petrol 340Hp 2018-23
- Porsche 9YA Cayenne Coupe V6 3.0L Petrol 340Hp 2019-23
- Porsche 9YA Cayenne E-Hybrid V6 3.0L V6 340Hp 2018-23
- Porsche 9YA Cayenne Coupe E-Hybrid V6 3.0L 340Hp 2020-23
- Porsche 9YA Cayenne S V6 2.9L Petrol 440Hp 2018-23
- Porsche 9YA Cayenne Coupe S V6 2.9L Petrol 440Hp 2019-23
- Porsche 9YA Cayenne GTS V8 4.0L Petrol 460Hp 2020-23
- Porsche 9YA Cayenne Coupe GTS V8 4.0L Petrol 460Hp 2021-23
- Porsche 9YA Cayenne Turbo V8 4.0L Petrol 550Hp 2020-23
- Porsche 9YA Cayenne Coupe Turbo V8 4.0L Petrol 550Hp 2019-23
- Porsche 9YA Cayenne Turbo S E-Hybrid V8 4.0L 550Hp 2019-23
- Porsche 9YA Cayenne Coupe Turbo S E-Hybrid V8 4.0L 550Hp 2020-23
- Porsche 9YA Cayenne Coupe Turbo GT V8 4.0L 640Hp 2021-23

Si adatta:
Porsche 9YA Cayenne - dal 2018 in poi
Fare clic su "Zoom avanti" per il diagramma delle parti di grandi dimensioni.
Rif. diagramma n. 1
Numeri di riferimento correlati
Numeri correlati, sostituiti, riferimenti incrociati o alternativi per il confronto.
95840750
Il prodotto che stai visualizzando fa riferimento a questi numeri
- Porsche 9YA Cayenne V6 3.0L Petrol 340Hp 2018-23
- Porsche 9YA Cayenne Coupe V6 3.0L Petrol 340Hp 2019-23
- Porsche 9YA Cayenne E-Hybrid V6 3.0L V6 340Hp 2018-23
- Porsche 9YA Cayenne Coupe E-Hybrid V6 3.0L 340Hp 2020-23
- Porsche 9YA Cayenne S V6 2.9L Petrol 440Hp 2018-23
- Porsche 9YA Cayenne Coupe S V6 2.9L Petrol 440Hp 2019-23
- Porsche 9YA Cayenne GTS V8 4.0L Petrol 460Hp 2020-23
- Porsche 9YA Cayenne Coupe GTS V8 4.0L Petrol 460Hp 2021-23
- Porsche 9YA Cayenne Turbo V8 4.0L Petrol 550Hp 2020-23
- Porsche 9YA Cayenne Coupe Turbo V8 4.0L Petrol 550Hp 2019-23
- Porsche 9YA Cayenne Turbo S E-Hybrid V8 4.0L 550Hp 2019-23
- Porsche 9YA Cayenne Coupe Turbo S E-Hybrid V8 4.0L 550Hp 2020-23
- Porsche 9YA Cayenne Coupe Turbo GT V8 4.0L 640Hp 2021-23

Si adatta:
Porsche 9YA Cayenne - dal 2018 in poi
Fare clic su "Zoom avanti" per il diagramma delle parti di grandi dimensioni.
Rif. diagramma n. 2
Numeri di riferimento correlati
Numeri correlati, sostituiti, riferimenti incrociati o alternativi per il confronto.
9584075
Il prodotto che stai visualizzando fa riferimento a questi numeri
- Porsche 356 1950-55
- Porsche 356A 1955-59
- Porsche 356B 1959-63
- Porsche 356C 1963-65

Si adatta:
Porsche 356 - dal 1950 al 1955 (Coupé)
Porsche 356A - dal 1955 al 1959 (Coupé)
Porsche 356B - dal 1959 al 1963 (Coupé)
Porsche 356C - dal 1963 al 1965 (Coupé)
Fare clic su "Zoom avanti" per il diagramma delle parti di grandi dimensioni.
Rif. diagramma n. 26
Numeri di riferimento correlati
Numeri correlati, sostituiti, riferimenti incrociati o alternativi per il confronto.
64454204
Il prodotto che stai visualizzando fa riferimento a questi numeri
- Porsche 356 1950-55
- Porsche 356A 1955-59
- Porsche 356B 1959-63
- Porsche 356C 1963-65

Si adatta:
Porsche 356 - dal 1950 al 1955 (Cabriolet)
Porsche 356A - dal 1955 al 1959 (Cabriolet)
Porsche 356B - dal 1959 al 1963 (Cabriolet)
Porsche 356C - dal 1963 al 1965 (Cabriolet)
Fare clic su "Zoom avanti" per il diagramma delle parti di grandi dimensioni.
Rif. diagramma n. 37
Numeri di riferimento correlati
Numeri correlati, sostituiti, riferimenti incrociati o alternativi per il confronto.
64454204
Il prodotto che stai visualizzando fa riferimento a questi numeri
- Porsche 914 (1970-1976)
Cavo freno a mano/stazionamento progettato per il lato sinistro della Porsche 914 (1970-76). Replica il componente originale Porsche in termini di lunghezza, percorso, punti di montaggio e struttura del cavo. Realizzato con materiali resistenti e geometria configurata in fabbrica, questo cavo offre prestazioni affidabili del freno a mano e una longevità in linea con gli standard delle apparecchiature originali.
Adatto a:
Porsche 914 1.7-2.0 01/1969 - 02/1976
• Posizione sul veicolo: cavo del freno a mano (freno di stazionamento) che va dalla leva del freno a mano al meccanismo del freno posteriore sul lato conducente della Porsche 914.
• Applicazioni: sostituzione ideale quando il cavo originale è usurato, sfilacciato, eccessivamente allungato, bloccato o quando il freno a mano non tiene più efficacemente; adatto anche durante revisioni complete dell'impianto frenante o lavori di restauro.
Il cavo del freno a mano è un componente fondamentale per la sicurezza e la praticità: protegge il veicolo quando è parcheggiato e garantisce sicurezza durante la guida. Un cavo usurato, allungato o danneggiato può causare una scarsa sensibilità della leva, una forza di tenuta insufficiente, una regolazione variabile o persino il mancato innesto. La sostituzione ripristina il corretto funzionamento, mantiene il comportamento di guida originale del veicolo e aumenta la sicurezza della tua Porsche d'epoca.
Quando e perché sostituire:
• La leva del freno a mano è morbida, si muove troppo o non tiene bene.
• La guaina esterna del cavo presenta danni, ruggine o il cavo interno è sfilacciato.
Schema rif. n. 30
Numeri di riferimento correlati
Numeri correlati, sostituiti, riferimenti incrociati o alternativi per il confronto.
91442455
Il prodotto che stai visualizzando fa riferimento a questi numeri
- Porsche 911 1965-1968 2.0L / 912 SWB (F)
- Porsche 911 1968-1973 2.2L / 2.4L / 2.7L RS LWB (F)
- Porsche 911 1974-1977 2.7L / 1976-77 3.0 Carrera
- Porsche 914 (1970-1976)
Un'asta di spinta in acciaio che trasmette la forza dal pedale del freno al pistone della pompa freno. Questo componente garantisce la corretta sensibilità del pedale del freno, la corretta lunghezza della corsa e un funzionamento idraulico uniforme in tutto il sistema.
Adatto a:
Porsche 911 2.0L 1968-1969
Porsche 9111970 -1977
Porsche 914 1.7L / 1.8L / 2.0L 1970 - 1976
Schema rif. n. 44
Costruito secondo le dimensioni esatte per i modelli classici Porsche 911, 912 e 914, questo componente fondamentale garantisce la corsa corretta e prestazioni di frenata affidabili.
Nel tempo, l'asta di spinta della pompa freno può usurarsi, piegarsi leggermente o perdere la sua lunghezza corretta a causa di modifiche alla geometria del pedale, sovraccarico o invecchiamento. Un'asta compromessa può causare una corsa errata della pompa freno, una sensazione spugnosa del pedale del freno o prestazioni di frenata incoerenti.
Sostituendo questa asta si ripristina la geometria prevista e si garantisce che il cilindro principale riceva l'input corretto, mantenendo la sicurezza e l'affidabilità del sistema frenante.
Numeri di riferimento correlati
Numeri correlati, sostituiti, riferimenti incrociati o alternativi per il confronto.
90142305704
Il prodotto che stai visualizzando fa riferimento a questi numeri
- Porsche 911 1968-1973 2.2L / 2.4L / 2.7L RS LWB (F)
- Porsche 911 1974-1977 2.7L / 1976-77 3.0 Carrera
- Porsche 911 1978-1983 3.0L / SC
- Porsche 911 1984-1986 3.2L
- Porsche 911 1975-1977 3.0L Turbo (930)
- Porsche 911 1978-1989 3.3L Turbo (930)

Adatto a:
Porsche 911 - 1972 al 1973 (solo Sportomatic)
Porsche 911 - dal 1974 al 1986 (non per auto con cambio G50)
Porsche 930 turbo - dal 1975 al 1988
Diagramma Rif. n. 32
Numeri di riferimento correlati
Numeri correlati, sostituiti, riferimenti incrociati o alternativi per il confronto.
91142429200
Il prodotto che stai visualizzando fa riferimento a questi numeri
- Porsche 356 1950-55
- Porsche 356A 1955-59

Adatto a:
Porsche 356 - dal 1950 al 1955
Porsche 356A - dal 1555 al 1959
Non per Carrera
Tubo flessibile di sfiato della scatola del riscaldatore 50x130mm.
Fare clic su "Ingrandisci" per visualizzare lo schema delle parti più grandi.
Riferimento diagramma n. 1
Numeri di riferimento correlati
Numeri correlati, sostituiti, riferimenti incrociati o alternativi per il confronto.
64421192100
Il prodotto che stai visualizzando fa riferimento a questi numeri
- Porsche 356 1950-55
- Porsche 356A 1955-59
Venduto ciascuno - 2 richiesti per auto

Si adatta:
Porsche 356 - dal 1950 al 1955
Porsche 356A - dal 1555 al 1959
Non per Carrera
Tubo flessibile della scatola del riscaldatore 50 mm x 270 mm
Fare clic su "Zoom avanti" per il diagramma delle parti di grandi dimensioni.
Rif. diagramma n. 1
Numeri di riferimento correlati
Numeri correlati, sostituiti, riferimenti incrociati o alternativi per il confronto.
64421192105
Il prodotto che stai visualizzando fa riferimento a questi numeri