OE Match
OE Match è un marchio che fornisce un'ampia gamma di componenti Porsche, dalle guarnizioni alla componentistica per sospensioni, dai componenti del motore alle finiture interne. Oltre 6.700 codici articolo e oltre 11.800 riferimenti incrociati OE sono catalogati, e le nuove linee sono in continuo sviluppo.
OE Match ha oltre 100 nuovi prodotti attualmente in fase di progettazione, che saranno sottoposti a controlli di qualità e aggiunti al catalogo. La missione è quella di garantire la continuità operativa di tutti i veicoli Porsche offrendo un'ampia selezione di ricambi in grado di risolvere i problemi più diversi nelle diverse generazioni di Porsche.
- Porsche 957 Cayenne S/GTS 4.8L 2007-10
Engine Crankcase Breather Hose Kit
The engine crankcase breather hose is a key part of your vehicle’s positive crankcase ventilation (PCV) system. Its main role is to route pressurized gases from the engine crankcase to the PCV valve (also called the air/oil separator). The PCV valve captures harmful oil vapers , drains them back into the engine, and redirects the cleaned air to the intake system to be burned during normal combustion.
Without a properly functioning breather hose, your engine can develop performance issues, oil leaks, and even emissions failures.
Fits:
Porsche 957 Cayenne S / GTS 4.8L 2009 - 2010
Why the Engine Crankcase Breather Hose Matters
During combustion, engines naturally produce positive crankcase pressure. This pressure combines with heat and oil vapers inside the crankcase. The breather hose is designed to handle this flow and keep your PCV system working efficiently.
Over time, however, exposure to heat, oil, and pressure makes the breather hose a common failure point. When damaged, it can cause poor performance, check engine lights, and increased emissions.
Common Symptoms of a Failing Crankcase Breather Hose
- Cracks, leaks, or breaks – Heat and oil vapers degrade rubber or plastic over time, leading to air leaks.
- Broken connectors or clips – Brittle plastic can snap during service or due to age.
- Visible damage – Hoses may split, soften, or harden, creating noticeable holes.
- Check Engine Light (CEL) – Unmetered air from a leak often triggers intake-related fault codes.
- Engine misfires or rough idle – Severe air leaks upset the air/fuel mixture, causing misfires.
Oil residue or odour – Escaping vapers leave oily deposits on the hose, engine block, and nearby components. In severe cases, you may smell burning oil.
Why You Shouldn’t Ignore a Bad Breather Hose
A faulty crankcase breather hose affects engine performance, fuel efficiency, and emissions compliance. Left untreated, it can cause long-term engine damage and costly repairs.
If you notice any of the above signs, it’s important to inspect and replace your crankcase breather hose as part of regular PCV system maintenance.
Diagram ref no 13 (Cyl 1-4) or 14 (Cyl 5-8)
NOTE: This part is compatible only with 957 Cayenne S/GTS models produced from the 2009 model year onwards. It is not compatible with earlier models equipped with the silver AOS.
Numeri di riferimento correlati
Numeri correlati, sostituiti, riferimenti incrociati o alternativi per il confronto.
94810723603
Il prodotto che stai visualizzando fa riferimento a questi numeri
Questo kit è composto dai seguenti elementi:
- Porsche 911 1965-1968 2.0L / 912 SWB (F)
- Porsche 911 1968-1973 2.2L / 2.4L / 2.7L RS LWB (F)
- Porsche 911 1974-1977 2.7L / 1976-77 3.0 Carrera
- Porsche 911 1978-1983 3.0L / SC
- Porsche 911 1984-1986 3.2L
- Porsche 911 1975-1977 3.0L Turbo (930)
- Porsche 911 1978-1989 3.3L Turbo (930)
Questa lente per fendinebbia posteriore è un ricambio di alta qualità progettato per i modelli Porsche 911 classici. Costruita secondo le specifiche originali, si inserisce direttamente nell'alloggiamento del fanale posteriore e ripristina sia l'aspetto che la funzionalità del sistema di illuminazione.
Adatto a: lato sinistro o destro, SET DI 2
Adatto a:
Porsche 911 / 912 1965 - 1986
Schema rif. n. 33
Questa lente protegge le lampadine interne e il cablaggio da sporco e umidità, garantendo al contempo un'adeguata emissione luminosa per garantire sicurezza e conformità. Con il tempo, le lenti originali possono sbiadire, creparsi o scolorirsi: sostituirle con questa versione OE Match restituisce un aspetto nitido e luminoso e prestazioni affidabili.
Numeri di riferimento correlati
Numeri correlati, sostituiti, riferimenti incrociati o alternativi per il confronto.
91163197500
Il prodotto che stai visualizzando fa riferimento a questi numeri
Questo kit è composto dai seguenti elementi:
- Porsche 970.1 Panamera V6 3.6L 2WD 2009-13
- Porsche 970.1 Panamera 4 V6 3.6L 4WD 2009-13
- Porsche 970.1 Panamera S V8 4.8L 2009-13
- Porsche 970.1 Panamera 4S V8 4.8L 2009-13
- Porsche 970.1 Panamera GTS V8 4.8L 2011-13
- Porsche 970.1 Panamera Turbo V8 4.8L 2009-13
- Porsche 970.1 Panamera Turbo S V8 4.8L 2009-13
- Porsche 970.1 Panamera Diesel V6 3.0L 2011-13
- Porsche 970.1 Panamera S Hybrid V6 3.0L 2011-13
- Porsche 970.2 Panamera V6 3.6L 2WD (310Hp) 2014-16
- Porsche 970.2 Panamera 4 V6 3.6L 4WD (310Hp) 2014-16
- Porsche 970.2 Panamera S V6 Turbo 3.0L 2WD (420Hp) 2014-16
- Porsche 970.2 Panamera S V6 Turbo 3.0L 2WD Executive 2014-16
- Porsche 970.2 Panamera 4S V6 Turbo 3.0L 4WD (420Hp) 2014-16
- Porsche 970.2 Panamera 4S V6 Turbo 3.0L 4WD Executive 2014-16
- Porsche 970.2 Panamera GTS V8 4.8L 4WD (440Hp) 2014-16
- Porsche 970.2 Panamera Turbo V8 4.8L (520Hp) 2014-16
- Porsche 970.2 Panamera Turbo V8 Executive 2014-16
- Porsche 970.2 Panamera Turbo S V8 4.8L 2014-16
- Porsche 970.2 Panamera Diesel V6 3.0L (250Hp) 2014-16
- Porsche 970.2 Panamera S E-Hybrid V6 3.0L (416Hp) 2014-16
Questi giunti sferici OE-Match si montano sulle estremità esterne dei tiranti dello sterzo anteriori e sulle estremità interne dei tiranti con soffietto, senza modifiche, garantendo una vestibilità conforme alle specifiche di fabbrica, durata e precisione dello sterzo ripristinata.
Adatto a:
Porsche 970.1 Panamera 2009-2013
Porsche 970.2 Panamera 2014-2016
Diagramma rif. n. 7 (SINISTRA) e 8 (DESTRA), 6, 5, 4, 3 e 2
Questi giunti sferici collegano la cremagliera dello sterzo ai mozzi delle ruote, consentendo una rotazione fluida e trasferendo l'input dello sterzo direttamente alle ruote. Garantiscono una corretta geometria dello sterzo, riducono il gioco e mantengono un'usura uniforme degli pneumatici, offrendo un controllo preciso a tutte le velocità.
Nel tempo, i giunti sferici si usurano a causa degli impatti stradali, delle vibrazioni e dell'esposizione agli agenti atmosferici. Un giunto usurato può causare problemi di sterzo, rumori metallici, usura irregolare degli pneumatici o persino una guida non sicura. Sostituirli garantisce un adattamento diretto, una corretta articolazione e una lunga durata.
Numeri di riferimento correlati
Numeri correlati, sostituiti, riferimenti incrociati o alternativi per il confronto.
97034713300
Il prodotto che stai visualizzando fa riferimento a questi numeri
Questo kit è composto dai seguenti elementi:
- Porsche 356 1950-55
- Porsche 356A 1955-59
- Porsche 356B 1959-63
- Porsche 356C 1963-65

Adatto a:
Porsche 356 PreA (1948 - 1955)
Porsche 356 A (1955 - 1959)
Porsche 356 B (1959 - 1963)
Porsche 356 C (1963 - 1965)
Numeri di riferimento correlati
Numeri correlati, sostituiti, riferimenti incrociati o alternativi per il confronto.
64455931200
Il prodotto che stai visualizzando fa riferimento a questi numeri
- Porsche 970.1 Panamera V6 3.6L 2WD 2009-13
- Porsche 970.1 Panamera 4 V6 3.6L 4WD 2009-13
- Porsche 970.1 Panamera S V8 4.8L 2009-13
- Porsche 970.1 Panamera 4S V8 4.8L 2009-13
- Porsche 970.1 Panamera GTS V8 4.8L 2011-13
- Porsche 970.1 Panamera Turbo V8 4.8L 2009-13
- Porsche 970.1 Panamera Turbo S V8 4.8L 2009-13
- Porsche 970.1 Panamera Diesel V6 3.0L 2011-13
- Porsche 970.1 Panamera S Hybrid V6 3.0L 2011-13
- Porsche 970.2 Panamera V6 3.6L 2WD (310Hp) 2014-16
- Porsche 970.2 Panamera 4 V6 3.6L 4WD (310Hp) 2014-16
- Porsche 970.2 Panamera S V6 Turbo 3.0L 2WD (420Hp) 2014-16
- Porsche 970.2 Panamera S V6 Turbo 3.0L 2WD Executive 2014-16
- Porsche 970.2 Panamera 4S V6 Turbo 3.0L 4WD (420Hp) 2014-16
- Porsche 970.2 Panamera 4S V6 Turbo 3.0L 4WD Executive 2014-16
- Porsche 970.2 Panamera GTS V8 4.8L 4WD (440Hp) 2014-16
- Porsche 970.2 Panamera Turbo V8 4.8L (520Hp) 2014-16
- Porsche 970.2 Panamera Turbo V8 Executive 2014-16
- Porsche 970.2 Panamera Turbo S V8 4.8L 2014-16
- Porsche 970.2 Panamera Diesel V6 3.0L (250Hp) 2014-16
- Porsche 970.2 Panamera S E-Hybrid V6 3.0L (416Hp) 2014-16
These OE-Match ball joints mount at the outer ends of the front steering tie rods and install with no modifications, delivering factory-spec fit, durability, and restored steering precision.
Fits:
Porsche 970.1 Panamera 2009 - 2013
Porsche 970.2 Panamera 2014 - 2016
Diagram ref no 7 (LEFT) and 8 (RIGHT).
These ball joints connect the steering rack to the wheel hubs, allowing smooth pivoting while transferring steering input directly to the wheels. They ensure proper steering geometry, reduce play, and maintain even tire wear, giving you precise control at all speeds.
Over time, ball joints wear due to road impacts, vibration, and exposure to the elements. A worn joint can cause loose steering, clunking noises, uneven tire wear, or even unsafe handling. Replacing them guarantees a direct fit, correct articulation, and long-lasting durability.
Numeri di riferimento correlati
Numeri correlati, sostituiti, riferimenti incrociati o alternativi per il confronto.
97034713101-201
Il prodotto che stai visualizzando fa riferimento a questi numeri
Questo kit è composto dai seguenti elementi:
- Porsche 924 2.0L 1976-79
- Porsche 924 2.0L 1980-85
- Porsche 924 Turbo 2.0L 1979-81
- Porsche 924 Turbo 2.0L 1982-84
Porsche 924 Side Sill Cap Set - Sold as a car set of 4
The Porsche 924 Side Sill Cap Set is a replacement trim that
protects the rocker panel ends from dirt and moisture while restoring a clean,
factory-correct finish ideal for restorations or routine maintenance.
Fits:
- Porsche 924 2.0L 1976-79
- Porsche 924 2.0L 1980-85
- Porsche 924 Turbo 2.0L 1979-81
- Porsche 924 Turbo 2.0L 1982-84
Diagram ref no 5 and 6
What the Product Does
- Protects sill ends from dirt, stone chips, and road spray.
- Seals vulnerable edges to prevent water ingress and corrosion.
- Provides a clean, finished look to the rocker panel area.
- Restores original factory styling.
Symptoms of Worn or Missing Sill Caps
- Exposed or uneven edges on the rocker panel.
- Increased dirt or moisture accumulation around the sill area.
- Rust starting around the sill ends.
- Trim pieces missing, cracked, or loose.
Common Reasons for Failure
- Aging
Plastic: Original parts become brittle and crack over time.
- Road
Debris: Impacts from stones and grit cause breakage.
- Weather
Exposure: Heat, cold, and UV light degrade materials.
- Accidental Damage: Removal during repairs or maintenance can damage the caps.
Why Replace?
- Prevents
rust and corrosion in critical sill areas.
- Restores
a finished, OEM look to your Porsche 924.
- Keeps debris and moisture from collecting in exposed areas.
- Affordable upgrade that makes a big difference in appearance and protection.
Ideal For: Porsche 924 owners restoring their cars, repairing sill damage, or replacing cracked/missing trim caps.
Numeri di riferimento correlati
Numeri correlati, sostituiti, riferimenti incrociati o alternativi per il confronto.
477853735A
Il prodotto che stai visualizzando fa riferimento a questi numeri
Questo kit è composto dai seguenti elementi:
- Porsche 924 2.0L 1976-79
- Porsche 924 2.0L 1980-85
- Porsche 924 Turbo 2.0L 1979-81
- Porsche 924 Turbo 2.0L 1982-84
Set di tappi sottoporta Porsche 924 - Venduti in coppia per un lato
Il set di rivestimenti sottoporta per Porsche 924 è una finitura sostitutiva che protegge le estremità del pannello sottoporta da sporco e umidità, ripristinando al contempo una finitura pulita e come da fabbrica, ideale per restauri o manutenzione ordinaria.
Adatto a:
- Porsche 924 2.0L 1976-79
- Porsche 924 2.0L 1980-85
- Porsche 924 Turbo 2.0L 1979-81
- Porsche 924 Turbo 2.0L 1982-84
Diagramma rif. n. 5 e 6
Cosa fa il prodotto
- Protegge le estremità dei davanzali da sporco, schegge di pietra e spruzzi della strada.
- Sigilla i bordi vulnerabili per impedire l'ingresso di acqua e la corrosione.
- Conferisce un aspetto pulito e rifinito all'area del pannello basculante.
- Ripristina lo stile originale di fabbrica.
Sintomi di tappi sottoporta usurati o mancanti
- Bordi esposti o irregolari sul pannello basculante.
- Aumento dell'accumulo di sporco o umidità attorno alla zona del davanzale.
- La ruggine inizia a formarsi attorno alle estremità del davanzale.
- Rifinire i pezzi mancanti, crepati o allentati.
Motivi comuni di fallimento
- Plastica invecchiata: le parti originali diventano fragili e si screpolano con il tempo.
- Detriti stradali: gli impatti di pietre e ghiaia causano rotture.
- Esposizione alle intemperie : il calore, il freddo e i raggi UV degradano i materiali.
- Danni accidentali: la rimozione durante riparazioni o manutenzione può danneggiare i tappi.
Perché sostituire?
- Previene la ruggine e la corrosione nelle aree critiche del davanzale.
- Ripristina l' aspetto originale e rifinito della tua Porsche 924.
- Impedisce che detriti e umidità si accumulino nelle aree esposte.
- Un upgrade conveniente che fa una grande differenza in termini di aspetto e protezione.
Ideale per: proprietari di Porsche 924 che vogliono restaurare la propria auto, riparare danni ai sottoporta o sostituire i coprimozzi rotti/mancanti.
Numeri di riferimento correlati
Numeri correlati, sostituiti, riferimenti incrociati o alternativi per il confronto.
477853735A
Il prodotto che stai visualizzando fa riferimento a questi numeri
- Porsche Boxster 986 2.7L 1999-02
- Porsche Boxster S 986 3.2L 1999-02
- Porsche 996 C2 3.4L 1997-08/01
- Porsche 996 C4 3.4L 1997-08/01
Kit completo di catena di distribuzione del motore per motori M96
Ripristina l'integrità del sistema di distribuzione del tuo motore M96 con questo kit completo di catene di distribuzione. I motori M96 di prima generazione sono dotati di cinque catene di distribuzione: questo kit sostituisce tutte le catene, comprese le relative guide, tenditori e bulloneria, per un aggiornamento completo del sistema.
Nota: se è necessario sostituire i tenditori della catena di distribuzione dell'albero a camme di aspirazione-scarico, utilizzare i numeri di parte 99610505158 e 99610505358 .

Adatto a:
- Porsche Boxster 986 2.7L 1999-02
- Porsche Boxster S 986 3.2L 1999-02
- Porsche 996 C2 3.4L 1997-08/01
- Porsche 996 C4 3.4L 1997-08/01
Cos'è una catena di distribuzione del motore?
La catena di distribuzione è un componente essenziale in un motore a combustione interna, responsabile della sincronizzazione della rotazione dell'albero motore e degli alberi a camme. Questa precisa coordinazione garantisce che le valvole del motore si aprano e si chiudano al momento giusto durante le fasi di aspirazione e scarico di ciascun cilindro, garantendo prestazioni fluide ed efficienza.
Sebbene progettate per durare per tutta la vita del motore, le catene di distribuzione possono usurarsi, allungarsi o danneggiarsi. Una catena usurata può alterare la fasatura del motore, sollecitare i tenditori e, se non riparata, causare danni catastrofici al motore e costose riparazioni.
Segni di guasto del kit catena di distribuzione
Rumore: una catena di distribuzione difettosa spesso produce un rumore di crepitio o di schiocco, particolarmente evidente all'avvio, al minimo o durante l'accelerazione.
Prestazioni ridotte: catene allungate o usurate possono compromettere la fasatura del motore, con conseguente accelerazione lenta, riduzione della potenza o scarse prestazioni generali.
Numeri di riferimento correlati
Numeri correlati, sostituiti, riferimenti incrociati o alternativi per il confronto.
ENGINEKIT14
Il prodotto che stai visualizzando fa riferimento a questi numeri
Questo kit è composto dai seguenti elementi:
- Porsche 955 Cayenne 3.2L V6 2003-06
- Porsche 955 Cayenne S 4.5L V8 2003-06
- Porsche 955 Cayenne Turbo 4.5L 2003-06
- Porsche 955 Cayenne Turbo S 4.5L 2006>>
La valvola di espansione OE Match è un ricambio di alta qualità progettato per i modelli Porsche Cayenne 955. Regola il flusso di refrigerante nell'evaporatore, garantendo una pressione di sistema stabile e prestazioni di raffreddamento efficienti. Costruita secondo le specifiche OE, questa valvola offre la stessa compatibilità e funzionalità dell'originale.
Adatto a:
Porsche 955 Cayenne 2003-2006
con numero di telaio fino a:
F >>9P-6LA05 839
F >>9P-6LA46-254
F >>9P-6LA82 497
Schema rif. n. 14
La valvola di espansione è installata nell'impianto di condizionamento dell'aria tra il condensatore e l'evaporatore.
Cosa fa questo prodotto:
• Controlla il flusso del refrigerante tra condensatore ed evaporatore
• Mantiene la pressione del sistema per un raffreddamento costante della cabina
• Previene il congelamento dell'evaporatore e riduce lo sforzo del compressore
Una valvola di espansione usurata o ostruita può causare un raffreddamento insufficiente, temperature variabili o sovraccarico del compressore. La sostituzione della valvola di espansione ripristina l'efficienza del climatizzatore, prolunga la durata del sistema e mantiene confortevole l'abitacolo della tua Cayenne.
Numeri di riferimento correlati
Numeri correlati, sostituiti, riferimenti incrociati o alternativi per il confronto.
95557231901
Il prodotto che stai visualizzando fa riferimento a questi numeri
- Porsche 928 4.5L 1978-82
- Porsche 928S 4.7L 1981-83
- Porsche 928S2 4.7L 1984-86
La valvola di espansione regola il flusso di refrigerante verso l'evaporatore, mantenendo la pressione bilanciata e il raffreddamento costante dell'abitacolo. Costruita secondo le specifiche OE, offre prestazioni affidabili e un'installazione ottimale.
Adatto a:
Porsche 928 1978 - 1982
Porsche 928 1983 - 1986
Numero di telaio:
F >> 92GS8 40082
F >> 92GS8 49562 (J)
Schema rif. n. 34
Posizione: installato nel sistema A/C, posizionato tra il condensatore e l'evaporatore.
Cosa fa questo prodotto:
• Regola il flusso del refrigerante da alta a bassa pressione
• Mantiene prestazioni ottimali dell'evaporatore per un raffreddamento costante
• Protegge il compressore e il sistema A/C dallo squilibrio di pressione
Perché la sostituzione è importante:
Una valvola di espansione difettosa può causare un raffreddamento insufficiente, temperature variabili in cabina, congelamento dell'evaporatore o sollecitazioni del compressore. La sostituzione della valvola ripristina l'efficienza dell'aria condizionata, garantisce il comfort dei passeggeri e protegge l'impianto di climatizzazione da costosi danni.
Numeri di riferimento correlati
Numeri correlati, sostituiti, riferimenti incrociati o alternativi per il confronto.
92857312302
Il prodotto che stai visualizzando fa riferimento a questi numeri
- Porsche 9YA Cayenne GTS V8 4.0L Petrol 460Hp 2020-23
- Porsche 9YA Cayenne Coupe GTS V8 4.0L Petrol 460Hp 2021-23
- Porsche 9YA Cayenne Turbo V8 4.0L Petrol 550Hp 2020-23
- Porsche 9YA Cayenne Coupe Turbo V8 4.0L Petrol 550Hp 2019-23
- Porsche 9YA Cayenne Turbo S E-Hybrid V8 4.0L 550Hp 2019-23
- Porsche 9YA Cayenne Coupe Turbo S E-Hybrid V8 4.0L 550Hp 2020-23
- Porsche 9YA Cayenne Coupe Turbo GT V8 4.0L 640Hp 2021-23
- Porsche 9YA.2 Cayenne S V8 4.0L Petrol 474 Hp 2023>>
- Porsche 9YA.2 Cayenne S Coupe V8 4.0L 474Hp 2023>>
- Porsche 9YA.2 Cayenne Turbo E-Hybrid V8 4.0L 739Hp 2023>>
- Porsche 9YA.2 Cayenne Turbo E-Hybrid Coupe V8 4.0L 739Hp 2023>>
- Porsche 9YA.2 Cayenne Turbo E-Hybrid Coupe with GT Package V8 4.0 739Hp 2023>>
- Porsche 971.1 Panamera 4S Diesel V8 4.0L 4WD (422 Hp) 2017-18
- Porsche 971.1 Panamera 4S Diesel 4.0L Twin-Turbo V8 Sport Turismo 2017-18
- Porsche 971.1 Panamera Turbo V8 4.0L 4WD (550 Hp) 2017-20
- Porsche 971.1 Panamera Turbo V8 4.0L 4WD Executive 2017-20
- Porsche 971.1 Panamera Turbo 4.0L Twin-Turbo V8 Sport Turismo 2017-20
- Porsche 971.1 Panamera Turbo S E-Hybrid V8 4.0L 4WD 2017-20
- Porsche 971.1 Panamera Turbo S E-Hybrid V8 4.0L 4WD Executive 2017-20
- Porsche 971.2 Panamera GTS 4.0L V8 2021-23
- Porsche 971.2 Panamera GTS Sport Turismo 4.0L V8 2021-23
- Porsche 971.2 Panamera Turbo S 4.0L V8 2021-23
- Porsche 971.2 Panamera Turbo S Sport Turismo 4.0L V8 2021-23
- Porsche 971.2 Panamera Turbo S E-Hybrid 4.0L V8 2021-23
- Porsche 971.2 Panamera Turbo S E-Hybrid Sport Turismo 4.0L V8 2021-23
- Porsche 976 Panamera GTS V8 4.0L 2023>>
- Porsche 976 Panamera Turbo E-Hybrid V8 4.0L 2023>>
- Porsche 976 Panamera Turbo S E-Hybrid V8 4.0L 2023>>
Ricambio conveniente per i sistemi di raffreddamento Porsche. Progettato per soddisfare le specifiche originali, regola il flusso del liquido di raffreddamento per mantenere il motore alla temperatura di esercizio ottimale, preservandone prestazioni, efficienza e longevità.
Adatto a:
Porsche 9YA.1 Cayenne 4.0L 2018 - 2023
Porsche 9YA.2 Cayenne 4.0L 2023>>
Porsche 971.1 Panamera 4.0L 2017-2020
Porsche 971.2 Panamera 4.0L 2021-2023
Porsche 976 Panamera 4.0L 2023>>
Schema rif. n. 6
Perché la sostituzione è importante:
Con il passare del tempo, i termostati possono guastarsi, bloccandosi in posizione aperta o chiusa.
• Se bloccato aperto: il motore gira troppo freddo, con conseguente scarso consumo di carburante e maggiore usura.
• Se bloccato chiuso: la circolazione del liquido di raffreddamento si interrompe, causando surriscaldamento e possibili gravi danni al motore.
Sostituendolo con un termostato Porsche originale si ripristina la precisa gestione del raffreddamento, si protegge il motore e si mantengono prestazioni ottimali.
Cosa fa questo prodotto
• Stabilizza la rotazione del motore e trasmette la potenza alla trasmissione.
• Assorbe le vibrazioni dell'albero motore, riducendo gli urti della trasmissione.
• Garantisce un innesto fluido delle marce e un maggiore comfort di guida.
Numeri di riferimento correlati
Numeri correlati, sostituiti, riferimenti incrociati o alternativi per il confronto.
PAB121115D
Il prodotto che stai visualizzando fa riferimento a questi numeri
- Porsche Boxster 981 2.7L 2012-16
- Porsche Boxster 981 S / GTS 3.4L 2012-16
- Porsche 991.1 Carrera C2 3.4L (350Bhp) 2012-16
- Porsche 991.1 Carrera C2S 3.8L (400Bhp) 2012-16
- Porsche 991.1 Carrera C4 3.4L (350Bhp) 2012-16
- Porsche 991.1 Carrera C4S 3.8L (400Bhp) 2012-16
- Porsche 991.1 Turbo 3.8L (520bhp) 2014-16
- Porsche 991.1 Turbo S 3.8L (560Bhp) 2014-16
- Porsche 991.1 GT3 3.8L (475Bhp) 2014-16
- Porsche 991.1 GT3 RS 4.0L (500Bhp) 2015-16
- Porsche 991.2 Carrera 2 3.0L (370 Bhp) 2016-19
- Porsche 991.2 Carrera 2S 3.0L (420 Bhp) 2016-19
- Porsche 991.2 Carrera 4 3.0L (370 Bhp) 2016-19
- Porsche 991.2 Carrera 4S 3.0L (420 Bhp) 2016-19
- Porsche 991.2 Cabriolet 2 3.0L (370 Bhp) 2016-19
- Porsche 991.2 Cabriolet 2S 3.0L (420 Bhp) 2016-19
- Porsche 991.2 Cabriolet 4 3.0L (370 Bhp) 2016-19
- Porsche 991.2 Cabriolet 4S 3.0L (420 Bhp) 2016-19
- Porsche 991.2 Targa 4 3.0L (370 Bhp) 2016-19
- Porsche 991.2 Targa 4S 3.0L (420 Bhp) 2016-19
- Porsche 991.2 Turbo Coupe 3.8L (540 Bhp) 2016-19
- Porsche 991.2 Turbo S Coupe 3.8L (580 Bhp) 2016-19
- Porsche 991.2 Turbo Cabriolet 3.8L (540 Bhp) 2016-19
- Porsche 991.2 Turbo S Cabriolet 3.8L (580 Bhp) 2016-19
- Porsche 991.2 GT3 4.0L (500 Bhp) / GT3 RS 4.0L (520 Bhp) 2017-19
- Porsche 992.1 Carrera 2 3.0L 2019-24
- Porsche 992.1 Carrera 4 3.0L 2019-24
- Porsche 992.1 Carrera 2 Cabriolet 3.0L 2019-24
- Porsche 992.1 Carrera 4 Cabriolet 3.0L 2019-24
- Porsche 992.1 Carrera 2S / GTS 3.0L 2019-24
- Porsche 992.1 Carrera 4S / GTS 3.0L 2019-24
- Porsche 992.1 Carrera 2S / GTS Cabriolet 3.0L 2019-24
- Porsche 992.1 Carrera 4S / GTS Cabriolet 3.0L 2019-24
- Porsche 992.1 Targa 4 3.0L 2020-24
- Porsche 992.1 Targa 4S / GTS 3.0L 2020-24
- Porsche 992.1 Speedster 4.0L 2019-24
- Porsche 992.1 Turbo 3.8L 2020-24
- Porsche 992.1 Turbo S 3.8L 2020-24
- Porsche 992.1 Turbo Cabriolet 3.8L 2020-24
- Porsche 992.1 Turbo S Cabriolet 3.8L 2020-24
- Porsche 992.1 GT3 4.0L / 992 S/T 4.0L 2021-24
- Porsche 992.1 GT3 RS 4.0L 2022-24
- Porsche 992.1 (911) Sport Classic 3.8L 2023
- Porsche Cayman 2.7L 981 2013-16
- Porsche Cayman S / GTS 3.4L 981 2013-16
- Porsche Cayman GT4 3.8L 2015-16
- Porsche 958 Cayenne V6 3.6L Petrol 300Hp 2010-17
- Porsche 958 Cayenne S V8 4.8L Petrol 400HP 2010-17
- Porsche 958 Cayenne GTS V8 4.8L Petrol 400HP 2010-17
- Porsche 958 Cayenne Turbo V8 4.8L Petrol 500HP 2010-17
- Porsche 958 Cayenne Turbo S V8 4.8L Petrol 550HP 2010-17
- Porsche 970.1 Panamera S V8 4.8L 2009-13
- Porsche 970.1 Panamera 4S V8 4.8L 2009-13
- Porsche 970.1 Panamera GTS V8 4.8L 2011-13
- Porsche 970.1 Panamera Turbo V8 4.8L 2009-13
- Porsche 970.1 Panamera Turbo S V8 4.8L 2009-13
- Porsche 970.1 Panamera S Hybrid V6 3.0L 2011-13
- Porsche 970.2 Panamera S V6 Turbo 3.0L 2WD (420Hp) 2014-16
- Porsche 970.2 Panamera S V6 Turbo 3.0L 2WD Executive 2014-16
- Porsche 970.2 Panamera 4S V6 Turbo 3.0L 4WD (420Hp) 2014-16
- Porsche 970.2 Panamera 4S V6 Turbo 3.0L 4WD Executive 2014-16
- Porsche 970.2 Panamera GTS V8 4.8L 4WD (440Hp) 2014-16
- Porsche 970.2 Panamera Turbo V8 4.8L (520Hp) 2014-16
- Porsche 970.2 Panamera Turbo V8 Executive 2014-16
- Porsche 970.2 Panamera Turbo S V8 4.8L 2014-16
- Porsche 970.2 Panamera S E-Hybrid V6 3.0L (416Hp) 2014-16
- Porsche 95B.1 Macan S Petrol 3.0L V6 340Bhp 2014-18
- Porsche 95B.1 Macan S Diesel 3.0L V6 258Bhp 2014-18
- Porsche 95B.1 Macan Turbo 3.6L V6 400Bhp 2014-18
Valvola di spurgo del serbatoio dell'acqua
La valvola di spurgo del serbatoio dell'acqua (7P5121671A / A1216152) è un componente fondamentale del sistema di raffreddamento che regola la pressione e consente all'aria intrappolata di fuoriuscire dal vaso di espansione. Garantendo una circolazione costante del liquido di raffreddamento e un corretto bilanciamento della pressione, previene il surriscaldamento e preserva l'affidabilità del motore a lungo termine.
Adatto a:
- Porsche Boxster 981 2.7L 2012-16
- Porsche Boxster S/GTS 981 3.4L 2012-16
- Porsche 991 Carrera C2 3.4L (350 CV)
- Porsche 991 Carrera C2S 3.8L (400 CV)
- Porsche 991 Carrera C4 3.4L (350 CV)
- Porsche 991 Carrera C4S 3.8L (400 CV)
- Porsche 991 Turbo 3.8L (520 CV)
- Porsche 991 Turbo S 3.8L (560 CV)
- Porsche 991 GT3 3.8L (475 CV)
- Porsche 991 GT3 RS 4.0L (500 CV)
- Porsche 991 Carrera 2 3.0L (370 CV)
- Porsche 991 Carrera 2S 3.0L (420 CV)
- Porsche 991 Carrera 4 3.0L (370 CV)
- Porsche 991 Carrera 4S 3.0L (420 CV)
- Porsche 991 Cabriolet 2 3.0L (370 CV)
- Porsche 991 Cabriolet 2S 3.0L (420 CV)
- Porsche 991 Cabriolet 4 3.0L (370 CV)
- Porsche 991 Cabriolet 4S 3.0L (420 CV)
- Porsche 991 Targa 4 3.0L (370 CV)
- Porsche 991 Targa 4S 3.0L (420 CV)
- Porsche 991 Turbo Coupé 3.8L (540 CV)
- Porsche 991 Turbo S Coupé 3.8L (580 CV)
- Porsche 991 Turbo Cabriolet 3.8L (540 CV)
- Porsche 991 Turbo S Cabriolet 3,8 l (580 CV)
- Porsche 991 GT3 4.0L (500 CV) / GT3 RS 4.0L (520 CV)
- Porsche 992 Carrera 2 3.0L
- Porsche 992 Carrera 4 3.0L
- Porsche 992 Carrera 2 Cabriolet 3.0L
- Porsche 992 Carrera 4 Cabriolet 3.0L
- Porsche 992 Carrera 2S 3.0L
- Porsche 992 Carrera 4S 3.0L
- Porsche 992 Carrera 2S Cabriolet 3.0L
- Porsche 992 Carrera 4S Cabriolet 3.0L
- Porsche 992 Targa 4 3.0L
- Porsche 992 Targa 4S 3.0L
- Porsche 992 Speedster 4.0L
- Porsche 992 Turbo 3.8L
- Porsche 992 Turbo S 3.8L
- Porsche 992 Turbo Cabriolet 3.8L
- Porsche 992 Turbo S Cabriolet 3.8L
- Porsche 992 GT3 4.0L / 992 S/T 4.0L
- Porsche 992 GT3 RS 4.0L
- Porsche 992 (911) Sport Classic 3.8L
- Porsche Cayman 2.7L 981 2013-16
- Porsche Cayman S/GTS 3.4L 981 2013-16
- Porsche Cayman GT4 3.8L 2015-16
- Porsche Cayenne V6 3.6L Benzina 300CV
- Porsche Cayenne S V8 4.8L Benzina 400 CV
- Porsche Cayenne GTS V8 4.8L Benzina 400 CV
- Porsche Cayenne Turbo V8 4.8L Benzina 500 CV
- Porsche Cayenne Turbo S V8 4.8L Benzina 550 CV
- Porsche Panamera S V8 4.8L
- Porsche Panamera 4S V8 4.8L
- Porsche Panamera GTS V8 4.8L
- Porsche Panamera Turbo V8 4.8L
- Porsche Panamera Turbo S V8 4.8L
- Porsche Panamera S Hybrid V6 3.0L
- Porsche Panamera S V6 Turbo 3.0L 2WD (420 CV)
- Porsche Panamera S V6 Turbo 3.0L 2WD Executive
- Porsche Panamera 4S V6 Turbo 3.0L 4WD (420 CV)
- Porsche Panamera 4S V6 Turbo 3.0L 4WD Executive
- Porsche Panamera GTS V8 4.8L 4WD (440 CV)
- Porsche Panamera Turbo V8 4.8L (520 CV)
- Porsche Panamera Turbo V8 Executive
- Porsche Panamera Turbo S V8 4.8L
- Porsche Panamera S E-Hybrid V6 3.0L (416CV)
- Porsche Macan S Benzina 3.0L V6 340Bhp
- Porsche Macan S Diesel 3.0L V6 258Bhp
- Porsche Macan Turbo 3.6L V6 400 CV
Schema rif. n. 3
Cosa fa il prodotto
- Mantiene la corretta pressione del sistema di raffreddamento.
- Rilascia le bolle d'aria intrappolate per un flusso efficiente del refrigerante.
- Aiuta a proteggere dal surriscaldamento e dalla perdita di refrigerante.
- Agisce insieme al serbatoio e al radiatore per stabilizzare la temperatura del motore.
Sintomi di una valvola di spurgo difettosa
- Perdite di liquido refrigerante nella zona del serbatoio di espansione.
- Surriscaldamento del motore o indicatore di temperatura fluttuante.
- Gorgoglii o gorgoglii provenienti dal serbatoio.
- Avvisi di basso livello del liquido di raffreddamento nonostante non ci siano perdite visibili.
- Pressione che fuoriesce o sibili vicino all'area del tappo/valvola del serbatoio.
Motivi comuni di fallimento
- Usura delle guarnizioni: le guarnizioni in gomma all'interno della valvola si degradano con l'età e il calore.
- Crepe: gli alloggiamenti in plastica possono rompersi a causa di ripetuti cicli di calore.
- Contaminazione: la sporcizia o la scarsa qualità del refrigerante possono causare il bloccaggio della valvola.
- Elevato chilometraggio: usura naturale dovuta ad anni di fluttuazioni di pressione.
Perché sostituire?
- Previene le sacche d'aria e il surriscaldamento che possono danneggiare il motore.
- Ripristina il corretto equilibrio della pressione del sistema di raffreddamento.
- Elimina le perdite di refrigerante e protegge da costose riparazioni.
- Garantisce l'affidabilità a lungo termine del sistema se abbinato a un refrigerante nuovo.
Perché acquistare da Design 911?
- Specialisti Porsche: ci concentriamo esclusivamente su Porsche, garantendo un montaggio preciso.
- Qualità OEM: tutti i pezzi soddisfano o superano le specifiche di fabbrica.
- Affidabile in tutto il mondo: i proprietari di Porsche, i restauratori e le officine si affidano a noi.
- Consulenza di esperti: con il supporto di un team di supporto competente per guidarti nell'acquisto.
- Spedizione veloce e affidabile: ti garantiamo di ricevere rapidamente i pezzi di cui hai bisogno.
Ideale per: manutenzione del sistema di raffreddamento, risoluzione di problemi di perdita di pressione o sostituzione preventiva per mantenere la tua Porsche fresca e affidabile.
Numeri di riferimento correlati
Numeri correlati, sostituiti, riferimenti incrociati o alternativi per il confronto.
7P5121671A
Il prodotto che stai visualizzando fa riferimento a questi numeri
- Porsche 95B.1 Macan S Petrol 3.0L V6 340Bhp 2014-18
- Porsche 95B.1 Macan GTS Petrol 3.0L V6 360Bhp 2014-18
- Porsche 95B.1 Macan Turbo 3.6L V6 400Bhp 2014-18
Engine crankcase vent breather valve Kit
Crankcase Breather Kit Overview The crankcase breather kit includes the breather valves (also called the air/oil separator or PCV valve) and the breather hoses. These components are typically made of plastic, making them prone to cracking or failure over time. Replacing or maintaining this system proactively improves engine reliability and ensures optimal performance.
Signs of a failing crankcase breather system include air or oil leaks, fouled spark plugs, or blue smoke from the exhaust. If you notice any of these symptoms, inspect the breather system and replace components as needed.
Fits:
- Porsche Macan S Petrol 3.0L V6 340Bhp
- Porsche Macan GTS Petrol 3.0L V6 360Bhp
- Porsche Macan Turbo 3.6L V6 400Bhp
Engine Crankcase Breather Hose Kit
The crankcase breather hose is a key part of the engine’s positive crankcase ventilation (PCV) system. It channels pressurized air from the engine crankcase to the PCV valve (air/oil separator). The PCV valve captures and removes oil vapors, draining them back into the engine while sending the remaining pressurized air to the intake for combustion.
Positive crankcase pressure naturally develops during engine operation. Because the hose is constantly exposed to heat, pressure, and oil vapors, it is one of the most common failure points in the PCV system. A damaged or worn hose can impact engine performance, emissions compliance, and overall reliability.
Common Crankcase Breather Hose Failure Symptoms
Cracks, breaks, or leaks: Constant exposure to heat, pressure, and oil vapors can degrade the plastic or rubber, causing air leaks. External damage can also contribute.
Broken connectors or clips: Plastic connectors and securing clips may become brittle over time, breaking during removal or routine maintenance.
Holes or splits in the hose: Soft rubber or brittle plastic can develop visible splits or holes, often accompanied by other issues listed below.
Check Engine Light (CEL): Excess unmetered air from a failed hose can trigger an air intake leak fault or related diagnostic codes.
Engine misfire: Severe air leaks can cause rough running or misfires, a common side effect of a faulty hose or PCV valve.
Oil residue: Escaping vapors often leave visible oil on the hose, engine block, or surrounding components. In severe cases, burnt oil may be noticeable, and the area may require degreasing to locate the source.
Maintaining a healthy crankcase breather system is essential for engine longevity, smooth operation, and proper emissions control.
Numeri di riferimento correlati
Numeri correlati, sostituiti, riferimenti incrociati o alternativi per il confronto.
94610723933KIT
Il prodotto che stai visualizzando fa riferimento a questi numeri
Questo kit è composto dai seguenti elementi:
- Porsche 958 Cayenne V6 3.6L Petrol 300Hp 2010-17
- Porsche 970.2 Panamera S V6 Turbo 3.0L 2WD (420Hp) 2014-16
- Porsche 970.2 Panamera S V6 Turbo 3.0L 2WD Executive 2014-16
- Porsche 970.2 Panamera 4S V6 Turbo 3.0L 4WD (420Hp) 2014-16
- Porsche 970.2 Panamera 4S V6 Turbo 3.0L 4WD Executive 2014-16
- Porsche 95B.1 Macan S Petrol 3.0L V6 340Bhp 2014-18
- Porsche 95B.1 Macan GTS Petrol 3.0L V6 360Bhp 2014-18
- Porsche 95B.1 Macan Turbo 3.6L V6 400Bhp 2014-18
Valvola di non ritorno – Sfiato olio carter
Le valvole di non ritorno per lo sfiato dell'olio del basamento sono una parte essenziale del sistema di ventilazione del motore della tua Porsche. Progettate secondo le specifiche OEM, regolano la pressione del basamento, impediscono il riflusso dei vapori d'olio e garantiscono un funzionamento fluido ed efficiente del motore. La sostituzione simultanea di entrambe le valvole ripristina la corretta ventilazione del basamento e protegge il motore da perdite e consumo eccessivo di olio.
Adatto a:
- Porsche Cayenne V6 3.6L Benzina 300CV
- Porsche Panamera S V6 Turbo 3.0L 2WD (420 CV)
- Porsche Panamera S V6 Turbo 3.0L 2WD Executive
- Porsche Panamera 4S V6 Turbo 3.0L 4WD (420 CV)
- Porsche Panamera 4S V6 Turbo 3.0L 4WD Executive
- Porsche Macan S Benzina 3.0L V6 340Bhp
- Porsche Macan GTS Benzina 3.0 L V6 360 CV
- Porsche Macan Turbo 3.6L V6 400 CV
Cosa fanno le valvole di non ritorno
- Mantenere la pressione corretta: consentire ai gas di fuoriuscire evitando il riflusso nel carter.
- Migliora l'efficienza del motore: riduce il rientro dei vapori d'olio, favorendo una combustione più pulita.
- Proteggere i componenti: evitare l'accumulo di pressione che può danneggiare guarnizioni e guarnizioni.
Sintomi di valvole di sfiato difettose
- Consumo eccessivo di olio.
- Fumo blu dallo scarico.
- Perdite di olio attorno alle guarnizioni e ai sigilli.
- Minimo irregolare, mancate accensioni o scarse prestazioni.
- Forte odore di vapori d'olio nel vano motore o nell'abitacolo.
Motivi comuni di fallimento
- Morchia oleosa e contaminazione: provocano il bloccaggio della valvola in posizione aperta o chiusa.
- Usura di gomma e molle: il degrado nel tempo riduce l'efficacia.
- Mancanza di manutenzione: l'olio vecchio accelera il guasto delle valvole.
- Stress da elevato chilometraggio: i cicli termici e le variazioni di pressione indeboliscono i componenti.
Perché sostituire?
Ripristina la corretta ventilazione del basamento.
Previene perdite d'olio e sovrapressione nel motore.
Riduce le emissioni nocive e il consumo di olio.
Protegge guarnizioni, sigilli e altre parti critiche del motore.
Migliora l'affidabilità, le prestazioni e la durata a lungo termine.
Perché acquistare da Design 911?
- Fornitore specializzato: siamo esperti di ricambi Porsche con anni di esperienza.
- Qualità e montaggio OEM: i pezzi soddisfano o superano le specifiche originali.
- Affidabile in tutto il mondo: migliaia di proprietari e officine Porsche si affidano a noi.
- Supporto completo: consulenza specialistica, spedizione rapida e servizio senza problemi.
- Sportello unico: che si tratti di motore, carrozzeria o componenti degli interni, Design 911 ha tutto ciò che ti serve.
Ideale per: sostituire le valvole del basamento usurate durante la manutenzione o risolvere problemi di consumo di olio, perdite o prestazioni.
Numeri di riferimento correlati
Numeri correlati, sostituiti, riferimenti incrociati o alternativi per il confronto.
9461072
Il prodotto che stai visualizzando fa riferimento a questi numeri
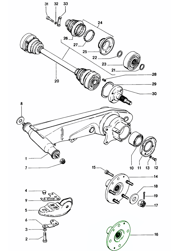
- Porsche 914 (1970-1976)
Kit di conversione del mozzo della ruota posteriore a 5 fori per 914-4
La conversione dei mozzi ruota posteriori a 4 fori di fabbrica in mozzi a 5 fori è una modifica diffusa per i modelli 914-4. Questo kit completo contiene tutto il necessario per una conversione completa: mozzi ruota a 5 fori, cuscinetti ruota, prigionieri ruota e dadi ruota. Si prega di notare che i dischi freno originali a 4 fori dovranno essere forati per ospitare un quinto foro.
Gruppo cuscinetto ruota e mozzo
Un cuscinetto ruota è in genere costituito da sfere d'acciaio racchiuse in una pista metallica. Il mozzo è il componente metallico centrale e cavo della ruota, e i cuscinetti sono alloggiati al suo interno per ridurre l'attrito durante la rotazione. Questo sistema garantisce un movimento fluido della ruota e supporta il peso del veicolo.

Adatto a:
Porsche 914 1970-76
Per la conversione in cerchi 911 a 5 fori.
Caratteristiche:
• Sono disponibili sul mercato solo i mozzi delle ruote posteriori che consentono di montare ruote Porsche a 5 bulloni su una 914-4 e di mantenere gli assi posteriori di serie
• Fissaggio diretto tramite bulloni
• Montaggio garantito
• La sostituzione del mozzo della ruota usurato riduce istantaneamente il gioco e le vibrazioni della ruota
• Aiuta a ripristinare la qualità di guida originale e la capacità di carico
• I metalli di qualità resistono all'usura e allo stress di guida
Fare clic su "Ingrandisci" per visualizzare lo schema delle parti più grandi.
Schema rif. n. 10
Numeri di riferimento correlati
Numeri correlati, sostituiti, riferimenti incrociati o alternativi per il confronto.
9143316055KIT
Il prodotto che stai visualizzando fa riferimento a questi numeri
Questo kit è composto dai seguenti elementi:
- Porsche 9YA Cayenne V6 3.0L Petrol 340Hp 2018-23
- Porsche 9YA Cayenne Coupe V6 3.0L Petrol 340Hp 2019-23
- Porsche 9YA Cayenne E-Hybrid V6 3.0L V6 340Hp 2018-23
- Porsche 9YA Cayenne Coupe E-Hybrid V6 3.0L 340Hp 2020-23
- Porsche 9YA Cayenne S V6 2.9L Petrol 440Hp 2018-23
- Porsche 9YA Cayenne Coupe S V6 2.9L Petrol 440Hp 2019-23
- Porsche 971.1 Panamera V6 3.0L 2WD (330 Hp) 2017-20
- Porsche 971.1 Panamera 4 V6 3.0L 4WD (330 Hp) 2017-20
- Porsche 971.1 Panamera 4 V6 3.0L 4WD Executive 2017-20
- Porsche 971.1 Panamera 4 3.0L Turbocharged V6 Sport Turismo 2017-20
- Porsche 971.1 Panamera 4S V6 3.0L 4WD (440 Hp) 2017-20
- Porsche 971.1 Panamera 4S V6 3.0L 4WD Executive 2017-20
- Porsche 971.1 Panamera 4S 2.9L Twin-Turbo V6 Sport Turismo 2017-20
- Porsche 971.2 Panamera 2.9L V6 2021-23
- Porsche 971.2 Panamera 4 2.9L V6 2021-23
- Porsche 971.2 Panamera 4 Sport Turismo 2.9L V6 2021-23
- Porsche 971.2 Panamera 4S 2.9L V6 2021-23
- Porsche 971.2 Panamera 4S Sport Turismo 2.9L V6 2021-23
- Porsche 971.2 Panamera 4 E-Hybrid 2.9L V6 2021-23
- Porsche 971.2 Panamera 4 E-Hybrid Sport Turismo 2.9L V6 2021-23
- Porsche 971.2 Panamera 4S E-Hybrid 2.9L V6 2021-23
- Porsche 95B.2 Macan S Petrol 3.0L V6 354Bhp 2019-21
- Porsche 95B.2 Macan GTS Petrol 2.9L V6 380Bhp 2019-21
- Porsche 95B.2 Macan Turbo 2.9L V6 440Bhp 2019-21
Pompa dell'acqua
La pompa dell'acqua è un componente essenziale del sistema di raffreddamento che fa circolare il liquido refrigerante attraverso il motore e il radiatore, mantenendo temperature di esercizio sicure. Costruita secondo le specifiche OEM, questa pompa di ricambio garantisce un flusso costante di liquido refrigerante, prestazioni affidabili e protezione a lungo termine dal surriscaldamento.
NOTA: la pompa dell'acqua è dotata di guarnizione di montaggio.
Adatto a:
- Porsche Cayenne E-Hybrid V6 3.0L V6 340 CV
- Porsche Cayenne Coupé E-Hybrid V6 3.0L 340CV
- Porsche Cayenne S V6 2.9L Benzina 440CV
- Porsche Cayenne Coupé S V6 2.9L Benzina 440CV
- Porsche Panamera V6 3.0L 2WD (330 CV)
- Porsche Panamera 4 V6 3.0L 4WD (330 CV)
- Porsche Panamera 4 V6 3.0L 4WD Executive
- Porsche Panamera 4 3.0L Turbo V6 Sport Turismo
- Porsche Panamera 4S V6 3.0L 4WD (440 CV)
- Porsche Panamera 4S V6 3.0L 4WD Executive
- Porsche Panamera 4S 2.9L Twin-Turbo V6 Sport Turismo
- Porsche Panamera 2.9L V6
- Porsche Panamera 4 2.9L V6
- Porsche Panamera 4 Sport Turismo 2.9L V6
- Porsche Panamera 4S 2.9L V6
- Porsche Panamera 4S Sport Turismo 2.9L V6
- Porsche Panamera 4 E-Hybrid 2.9L V6
- Porsche Panamera 4 E-Hybrid Sport Turismo 2.9L V6
- Porsche Panamera 4S E-Hybrid 2.9L V6
- Porsche Macan S benzina 3.0 L V6 354 CV
- Porsche Macan GTS Benzina 2.9 L V6 380 CV
- Porsche Macan Turbo 2.9L V6 440 CV
Cosa fa la pompa dell'acqua
- Fa circolare il liquido refrigerante dal radiatore attraverso il motore.
- Mantiene stabili le temperature di esercizio del motore.
- Funziona con il termostato e il radiatore per evitare il surriscaldamento.
- Protegge componenti critici come la testata del cilindro, la guarnizione della testata e i pistoni.
Sintomi di una pompa dell'acqua difettosa
- Surriscaldamento del motore o indicatore di temperatura fluttuante.
- Perdite di liquido refrigerante sotto il veicolo (spesso vicino alla zona della pompa dell'acqua).
- Rumori di sfregamento o lamento provenienti dal cuscinetto della pompa.
- Vapore o un odore dolce di liquido refrigerante proveniente dal vano motore.
- Corrosione visibile, crepe o oscillazioni sulla puleggia della pompa.
Motivi comuni di fallimento
- Usura dei cuscinetti: la rotazione costante finisce per usurare il cuscinetto della pompa dell'acqua.
- Guasto della guarnizione: le guarnizioni della pompa si deteriorano, causando perdite di refrigerante.
- Qualità del refrigerante: un refrigerante vecchio, contaminato o non corretto accelera la corrosione e i danni.
- Elevato stress chilometrico: la normale usura nel tempo porta a una riduzione dell'efficienza o al guasto totale della pompa.
Perché sostituire?
- Previene il surriscaldamento e costosi danni al motore .
- Ripristina la corretta circolazione del refrigerante per prestazioni affidabili.
- Protegge dai guasti della guarnizione della testata e dalle testate dei cilindri deformate .
- Garantisce affidabilità a lungo termine se abbinato a refrigerante e cinghie nuovi.
- Essenziale durante la manutenzione generale del sistema di raffreddamento o la sostituzione della cinghia di distribuzione (ove applicabile).
Ideale per: riparazioni del sistema di raffreddamento, prevenzione del surriscaldamento o sostituzione proattiva su veicoli ad alto chilometraggio.
Numeri di riferimento correlati
Numeri correlati, sostituiti, riferimenti incrociati o alternativi per il confronto.
9A712101304
Il prodotto che stai visualizzando fa riferimento a questi numeri